|
|
|
DCC profiktól (nem csak) profiknak
|
Témaindító: Frankye, idő: Jan 23, 2013
Témakörök:
|
|
|
(#14098) piltdownman válasza etwg hozzászólására (#14025)
|
Válasz •
|
Feb 16, 2013 |
|
Mi nagyon jól tudjuk, hogy mennyi idö meg energia után jutottak el a nagyok oda, hogy ma már van egy félmaréknyi dekodér, ami befér a legszükebb mozdonyba is.
Lehet mérni az időt,hogy a kicsik mennyi idő múlva
(Sajnos márc.4-ig mással kell foglalkoznom,óra áll.) |
|
(#14103) etwg válasza piltdownman hozzászólására (#14097)
|
Válasz •
|
Feb 16, 2013 |
|
Sok minden összemosodik ebben a hozzászolásban, ezeket kellene mindenekelött tisztázni.
Mit értesz közös játék alatt?
Milyen pályán akartok közösen játszani?
Az én terepasztalomon (analog) kb 1,5 méterenként van 2 DIN aljzat amibe bedughatom a kézi vezérlöt (TATET1 külsö része), és helyböl vezérelhetem a vonat mozgását. A pálya nagy része hozzákapcsolható a 2 meghajto egység egyikéhez, azaz ha kialakitom a vonat utját akkor egy vezérlöröl mehet az egész uton. Az állomáson átadhatom a másik vezérlönek stb.
DCC ben ugyanezt teheted, de ott nem kell a vonat utját elöre meghatározni, hanem a vonatot valamelyik vezérlöhöz hozzáadni. Valamivel egyszerübb a pálya elektromos kapcsolása, viszont (joval) bonyolultabb a mozdony és a vezérlés.
Szoval elöbb probáld meg még egyszer átgondolni, hogy mit is akarsz, mert nagyon az az érzésem, hogy elveszel az értelmetlen részletekben (fütyül a mozdony, milyen a felfutása a jelnek, oszcilloszkop stb.) és nem tudjuk hogy mit is akarsz, s mire ez kiderül a lányaid esetleg tapasztaltabb modellezöt találnak, és akkor már mondhatod nekik az igét.....
Nem tudom, hogy már mondták-e (szoktuk a kezdetben), töltsd le a "Helyes váganyon a TT vasuttal" cimü kiadványt, és abból akár egy este is olyan vasutat tudsz épiteni, amelyiken mind a hármotoknak van mit csinálnia. Szerintem evvel kellene kezdened, s közben meg méricsgélheted a mozdonyokra jutó áram formáját, és épitheted a DCC egységeket.
(Amugy az odavágo kérdésekre azért nem válaszolok mert az mind szabványos és benne van a szabványban, csak el kell olvasni). |
|
(#14142) piltdownman válasza etwg hozzászólására (#14103)
|
Válasz •
|
Feb 18, 2013 |
|
Úgy gondolom, a vasút modellezés nem versenyjáték, inkább együttműködésről ill. alá-fölérendelt viszonyokról szól,ehhez szeretnék pályát 195*90cm alapterületen mondjuk egy állomásfőnökkel és két mozdonyvezetővel, továbbá egy három sínes részt,ahol kocsik sorba rendezését lehet játszani.A felépítmények az unokák készítményei lesznek,először nyilván nem olyan necuke és miniatúra színvonalon,amit itt többen is elérnek.
Az ajánlott irodalmat és fáradozásodat köszönöm,igyekszem meghálálni.
|
|
(#17225) roozsa hozzászólása
|
Válasz •
|
Máj 21, 2013 |
|
Sziasztok!
Kérdésem:épített már valaki DCC mozdonydekódert?
Én találtam PIC alapú dekódert a következő linken:http://www.merg.org.uk valakinek van tapasztalata?
Üdv. |
|
(#17227) csíkosháTTú válasza roozsa hozzászólására (#17225)
|
Válasz •
|
Máj 21, 2013 |
|
Tulajdonképpen nem egy nagy dolog, a lényege a szoftverben van (motor szabályzás).
SMD-t tudni kell forrasztanai (cseh pillanatpáka ehhez nem lesz jó!), ha magad készíted a NYÁK lemezt is, akkor legalább 0,3mm felbontással kell tudni maratni (vagy keríteni egy NYÁK üzemet, ahol megcsinálják), meg tudni kell a PIC-be feltölteni a szoftvert.
Aztán hajrá! (De nem fogsz kijönni a bolti ár alatt, ha csak nincs meg minden szerszám hozzá eleve odahaza.) |
|
(#17237) roozsa hozzászólása
|
Válasz •
|
Máj 21, 2013 |
|
SMD forrasztás nem probléma 0.3-as gyantás cin,tűhegyű
digitális páka,vagy ónpaszta hőlégpákával.SMD nyák készítésén is túl vagyok.Természetesen a szoftver a lelke a dolognak,ezért is utaltam a MERG oldalára,hátha valakinek van konkrét tapasztalata a szoftverrel kapcsolatban.Utána számoltam és ha csak az alkatrészeket kell megvenni a dekóderhez kb. 2-3000ft-ba belefér.Ez elég csábító,annak tükrében,hogy 8-10db dekóderre lenne szükségem.
Üdv. |
|
(#17239) roozsa hozzászólása
|
Válasz •
|
Máj 22, 2013 |
|
Időközben válaszoltak a kérdésemre hobbielektronika oldalon,valaki megépítette a a MERG oldalán található dekódert és állítása szerint jól műxik. Kezdhetem összebogarászni a komponenseket. |
|
(#17243) csíkosháTTú válasza roozsa hozzászólására (#17237)
|
Válasz •
|
Máj 22, 2013 |
|
A MERG mozdonydekódereinél azért vannak jobbak. Nagyon angol a motorvezérlés szoftvere, egy német modellben nem nagyon válik be, a Bühler motorokat sem szereti. A menetirány váltása pedig kimondottan csúnya... De hajrá, én szurkolok! |
|
(#17246) sunocske válasza csíkosháTTú hozzászólására (#17243)
|
Válasz •
|
Máj 22, 2013 |
|
Idézet: „Nagyon angol a motorvezérlés szoftvere”
Ezt hogy kell elképzelni? Lehetőleg konyhanyelven, hogy a péeftés is megértse  |
|
(#17247) csíkosháTTú válasza sunocske hozzászólására (#17246)
|
Válasz •
|
Máj 22, 2013 |
|
Azokhoz a motorokhoz van kitalalálva (döntően kínai eredetűek), és egy viszonylag egyszerű mechanikához, relatíve könnyű mozdonyokhoz, amiket az angol gyárak állítanak elő. Egy nálunk megszokott felépítésű mozdonyhoz (masszív, nehéz cink öntvény váz, viszonylag nagy áttételezéssel egy nagyobb fordulatú motorral meghajtva) már nem lesz egyszerű belőni a MERG szűkös motorszabályzását. Elég megnézni pl. a Hornby alkatrészeit (ne a Rivarossi-t, meg a Lima-t, hanem a 00 méretű angol modelleket).
(Megjegyzés, ami személyes tapasztalat, de a műhely több ügyfelének is szúrja a szemét, akiknek van MERG alapú dekóderük: a DCC dekóderek többségének, ha menet közben adok egy irányváltási parancsot, akkor a mozdony lefékez a CV4-be írt értékkel, megáll, átválja a menetirányt, majd a CV3-nal megindul. A MERG nem egészen így csinálja, lefékez ugyan, de megállás pillanatában már indítja is ellenirányba a modellt. Ez lendítősúllyal szerelt modelleknél - pl. Fuggerth V43, M41 - nagyon csúnyán néz ki. Meg a MERG dekóderek a mi méretünkben /TT/ nagyok.) |
|
(#17258) roozsa válasza csíkosháTTú hozzászólására (#17247)
|
Válasz •
|
Máj 22, 2013 |
|
Én ennyire nem vagyok jártas a dekóderek terén,köszönöm az infót.Esetleg valami támpont,hogy merre keressek a MERG-nél korrektebb "maszekilag" megépíthető dekódert? |
|
(#17259) etwg válasza roozsa hozzászólására (#17258)
|
Válasz •
|
Máj 22, 2013 |
|
Nem akarlak nagyon elkeseriteni, de a jo SW-k nem igen elérhetök, hiszen ezek a fejlesztöik szellemi tulajdona (titka).. A kapcsolások nem igen térnek el a MERG dekodértöl, kivétel talán csak az, hogy egyre inkább az atmel procik felé fordultak a nagyobbak. Igy a PIC- re talán emiatt sem találsz jobbat. Minden amit Csikos barátom ecsetelt, megoldhato sok kisérlettel és gyüjtött tapasztalatokkal.
Külföldön már nagyon kevesen foglalkoznak amatör körökben ilyen dolgokkal, mert a befektetendö munka sokkal nagyobb, mint a kész dekodér értéke, amikbe sok éves, sok ezer darabon gyüjtött tapasztalat került. Ez amatör méretekben elérhetetlen célt jelent.
Igy az árhasonlatok nagyon, de nagyon sántitanak. |
|
(#17262) FriTTz válasza etwg hozzászólására (#17259)
|
Válasz •
|
Máj 22, 2013 |
|
Meg mernék esküdni, hogy Kínában van valami koppintás erről is! 
Tényleg ott a modellezés milyen stádiumban van? |
|
(#17263) zsolesz74 válasza roozsa hozzászólására (#17258)
|
Válasz •
|
Máj 23, 2013 |
|
|
|
(#17264) etwg válasza FriTTz hozzászólására (#17262)
|
Válasz •
|
Máj 23, 2013 |
|
Kinában gyakorlatilag nincs jelentösebb modellezés. Ennek több oka van.
A társadalom, annak ellenére, hogy müszaki csucstermékeket produkál még mindig nagyon szegény ( igy van nevelve, tartva ). Az idejük jelentös részét ma is munkával töltik el, a kevés pénzüket meg inkább a modern világ kütyüjeire ill. divatra költik. Igy sem idejük, sem helyük, sem hagyományuk nincs ilyenfajta hobbira. Kivétel talán Hong-kong és környéke, ahol az angolok elterjesztettek némi hobbira valo társadalmi igényt- ott viszont még kevesebb hely van. Nem volt lehetöségem utánnanézni, de hobbibolt ritkább mint mifelénk - és az a néhány is inkább a turistáknak szol.
Ami a koppintást illeti, nem hiszem, hogy ilyesmivel foglalkoznak, hiszen ott vannak a világ legnagyobb megrendelöi (Bachmann Group, Horizon stb.), akik megrendelik és le is gyártatják - s nem kis mennyiségben - a dekodereket. Firmwaret fejleszteni Kinában is nagyon tudnak - hiszen ez minden márkánál néhány ember munkája ( Kinában meg nagyon sok - tanult - ember van) , akik szinte éjjel nappal analizálják a dekoderek és a motorok müködését illetve keresik a legujabb hardweres lehetöségeket. ( uj processzorok, még kisebb méretü alkatrészek stb. amik viszont amugy is Kinából jönnek).
A minap láttam itt Europában nagyon szép Bachmann gözmozdony modelleket 4 funkcios dekodérrel alig 50 Euroért, amik még a Pikonál is olcsobbak, kinézetre meg talán szebbek is. Kinában ugyanezek a modellek vagy nem érhetök el, vagy drágábbak (az internetes boltokban ). |
|
(#17265) roozsa hozzászólása
|
Válasz •
|
Máj 23, 2013 |
|
Most már hallottam hideget-meleget a MEGR dekóderekről.Nekem az is kielégítő lenne,ha a ROCO-val csak "hajtani" tudnám a dekódert. A beállítását megoldanám másként. Mondjuk építek egy DIP tokozású PIC dekódert,program betöltés előtt a programban beállítom a paramétereket és ha számomra megfelel a beállítás akkor lenne beírva az SMD PIC-be és beforrasztva.Akár MERG,vagy PACO,vagy stb.Szerintetek ez járható út? |
|
(#17280) jvnd válasza roozsa hozzászólására (#17265)
|
Válasz •
|
Máj 23, 2013 |
|
Ha megnézed, Paco oldalán mozdonydekóder nincs, csak funkció dekóder, központ és egyéb -egy terepasztalhoz kellő- hasznos áramkörök.
Mozdonydekódert építeni -mint azt már előttem is írták- nem olyan egyszerű. Kérdezd meg pl. a magyar fejlesztőket. A Merg dekóder működik, csak az a probléma vele, hogy a mai dekóderek tudását funkciógazdagságát nem tudja. Így ha rákapsz a hobbira, akkor elég hamar megunható lesz és hamar venni fogsz gyártótól származó dekódert. Ha kisebb méretben vagy érdekelt (TT, N stb), akkor hardverileg sem tudod majd megcsinálni a NYÁK-ot. SZóval kísérletnek jó, de nem valószínű, hogy leragadsz majd ennél a típusnál. |
|
(#17283) FriTTz válasza etwg hozzászólására (#17264)
|
Válasz •
|
Máj 23, 2013 |
|
Köszi a részletes választ! 
Esetleg Japánról is van valami infód? |
|
(#17285) etwg válasza FriTTz hozzászólására (#17283)
|
Válasz •
|
Máj 23, 2013 |
|
Japánról nem igen sokat lehet mondani. Van néhány itteni fanatikus, aki gyüjti a japán modelleket, néha az az érzésem, hogy pusztán azért, mert olcsok....
A japán elérhetö vasutmodellezés N-s méretü, és szerintem elég gagyi a minöség. Nemrégen Bangkokban botlottam egy japán és europai modelleket áruló boltba. Europábol is csak az olcsobb, de márkás modellek voltak a boltban, mégis utcahosszal verték a nippon tömegprodukciot. A drága rézmodellek esetében meg forditott volt a helyzet, igaz, hogy csupán 3-4 szép japán gözmozdony modell volt a boltban.
Kivételek az olyan nevek, amiket itt ismernek - pl. Kato, de még ezek is képesek a japán piacra gagyit gyártani ( össze vissza röviditett motorvonatok stb.). A valodi szép és jo modellek H0 és N nagyságban ott is inkább exportra készülnek, de azért sok pénzért a szigetországban is elérhetök.
Ott inkább a klubos modellezés divik, mert helye majdnem senkinek sincs, még egy N-s terepasztalra sem. A klubokban viszont minöségi modellezés folyik ( legalábbis az ujságok képei alapján).
Van nekik néhány havilapjuk is - az egyik inkább termékismertetö ( havonta össze tudnak állitani egy ujságnyi csomagot!). Az értékesebb havilap gyakran idegen cikkeket ( föleg USA) fordit japánra. Van egy harmadik lap is, ami a nagy vasutakal foglalkozik gyönyörü képekkel. Lehet, hogy van más is, csak én nem láttam eddig.
Viszont nagyon népszerü a modellek épitése - a finom precizios modellek nemcsak amatör, de profi kivitelben is kimagaslo minöségüek. Sajnos azonban ez a generacio ott is kihaloban van ( valamikor ök gyártották a világ csucsminöségü többségét (PFM stb), de aztán kitelepitették a gyártást Koreába.)
Modellbolt elég sok van - vasutmodelles is - és az internetes boltok akár Europába is megbizhatoan napok alatt szállitanak!
Modelleket nem vettem, de némelyik spéci szerszámom és sok motorom stb. tölük származik, egy japán barátom jóvoltából. |
|
(#17289) roozsa válasza jvnd hozzászólására (#17280)
|
Válasz •
|
Máj 23, 2013 |
|
H0-ás a méretarány.Igazándiból most fogok hozzá a terepasztal építéséhez.Analógnak indult a dolog,de hamar beláttam,hogy a digitális rendszer messze jobb választás.Csakhogy árban lényegesen magasabb.Így aztán ott próbálok "spórolni" ahol tudok.Azt nem állítom,hogy a későbbiek folyamán nem cserélem le a dekódereket profira.Most per pillanat kielégítene egy alap tudású rendszer (előre-hátra megy,gyorsul-lassul). Később,ha készen lesz az asztal,majd meglátom mennyire gurul el a gyógyszerem  |
|
(#17291) FriTTz válasza etwg hozzászólására (#17285)
|
Válasz •
|
Máj 23, 2013 |
|
Kezdem úgy érezni, hogy Európa a modellezés Kánaánja! 
Itt fel is merül bennem a kérdés, hogy nekik van kevés helyük vagy nekünk sok? 
Ők töltik el helyesen a szabadidejüket vagy mi?
Bár az is igaz, hogy a vasút Európai találmány.
Szerintem ha egy eszkimó gyerek vasutat akarna karácsonyra egy szigony helyett akkor biztos vízbe fojtanák! 
Ez a hobbi erősen földrész függő és a nyugati kultúra része a meglátásom szerint. |
|
(#17294) etwg válasza FriTTz hozzászólására (#17291)
|
Válasz •
|
Máj 23, 2013 |
|
Valoban igy van, hogy ezt a hobbit föleg Europában és az USA- ban üzik. Europában sem mindenütt egyformán. Pl sem Finnországban sem Görögországban nem számottevö ez a hobbi.
A keleteuropaiak is inkább a hajdani ifjusági politikának köszönhetik a hobbi begyökerezését. A hajdani NDK modelljei nélkül ma nem igen lenne errefelé vasutmodellezés, söt ipar sem.
Az USA-ban elég pontosan be lehet határolni, hogy hol terjedt el ez a hobbi.
Egy érdekes társadalmi tanulmány témája lehetne.
 |
|
(#17295) FriTTz válasza etwg hozzászólására (#17294)
|
Válasz •
|
Máj 23, 2013 |
|
Azt hiszem ebből le tudnék doktorálni ha járnék fősuliba! 
Senki nem ért hozzá, max a nyelvtanba köthetnének bele!
Mindazonáltal ez a hobbi eléggé széleskörű képesítést, kézügyességet, szaktudást igényel melyből nem hiányozhat sem a szépérzék (ez ugye hamar kiderül) sem a logikai tudás, problémamegoldás sem és valóban a mai fiatalságot már nem köti le az alkotás öröme hisz készen kapnak mindent.
Én akár órákig elücsörgök az asztal mellett gondolkodva valaminek a megoldásán, kivitelezésén, de ők erre már képtelenek! |
|
(#17297) Váltógyártó válasza roozsa hozzászólására (#17289)
|
Válasz •
|
Máj 23, 2013 |
|
Vigyázz, mert ha leejted, nagyon messzire gurul!!!  |
|
(#17304) roozsa válasza Váltógyártó hozzászólására (#17297)
|
Válasz •
|
Máj 24, 2013 |
|
Igen,ettől félek én is,de a feleségem még inkább. 
Egy bölcs ember szerint két férfi típus létezik:"akinek van terepasztala és aki szeretne egyet". |
|
(#17675) piltdownman válasza roozsa hozzászólására (#17265)
|
Válasz •
|
Jún 2, 2013 |
|
Inkább rakj fel egy 5 pólusú csatlakozót vagy alakitsd ki a tűágyas felületet az "in-circuit" programozáshoz.
|
|
(#17804) roozsa válasza piltdownman hozzászólására (#17675)
|
Válasz •
|
Jún 7, 2013 |
|
Igen,felvilágosítottak az SMD PIC-et sokszor a "felhasználói környezetben" programozzák.Kezdő felhasználó vagyok,így most gyűjtöm az infókat és ha tiszta a kép,akkor esek neki a "vasnak".  |
|
(#18674) HOTotya hozzászólása
|
Válasz •
|
Júl 1, 2013 |
|
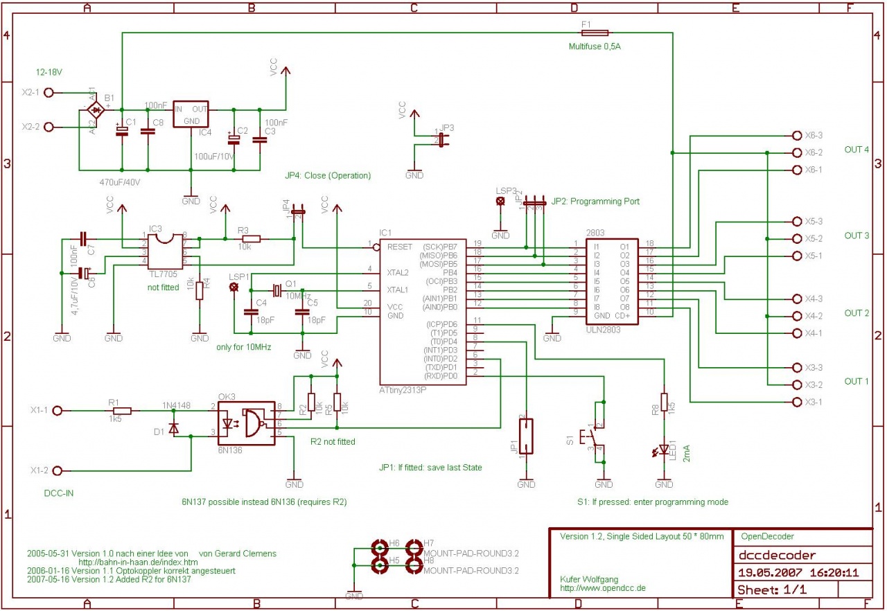
Zsolesz74!!! ide írom,mert ide tartozik ... 
Erről a kapcsolásról van szó!!!!! |
|
|
|
(#18677) zsolesz74 válasza HOTotya hozzászólására (#18674)
|
Válasz •
|
Júl 1, 2013 |
|
Köszi!
Nekem a PACO-féle rendszer van meg, de a végeredmény úgy látom ugyanaz. Ez melyik oldalról van? |
|
(#18679) HOTotya válasza zsolesz74 hozzászólására (#18677)
|
Válasz •
|
Júl 1, 2013 |
|
Open dcc |
|
(#18813) roozsa hozzászólása
|
Válasz •
|
Júl 4, 2013 |
|
Megépítettem az első dekóderemet és műxik a ROCO multimaussal. Igen egyszerű szerkezet,de lehet a CV-ket programozni és megy előre-hátra.Megvolt az első sikerélmény Bővebben: Link |
|
(#18823) csíkosháTTú válasza roozsa hozzászólására (#18813)
|
Válasz •
|
Júl 5, 2013 |
|
Ez az egykori Heiko Schröter féle dekóder, ha jól látom!  |
|
(#18976) zsolesz74 hozzászólása
|
Válasz •
|
Júl 7, 2013 |
|
Meg tudjátok mondani nekem mi a legjobb megoldás egy jelző tilosra állítására automatikusan, miután elhaladt mellette a vonat? Digitális pályán természetesen.
Ezt lehetséges S88-ról megoldani? Illetve lehetséges az S88-as rendszer jelzésgyűjtőjére HALL szenzort kötni és annak a pontszerű jelzéseit felhasználni további felhasználásra? |
|
(#18988) roozsa hozzászólása
|
Válasz •
|
Júl 7, 2013 |
|
Kérnék egy kis segítséget. Létezhet,hogyha megterhelem a mellékelt rajzon az L272-őt,az megterheli a PIC-et? Mert szerintem nagyon melegszik a PIC és a 7805. |
|
|
|
(#19008) jvnd válasza zsolesz74 hozzászólására (#18976)
|
Válasz •
|
Júl 8, 2013 |
|
Ez nagyban függ attó, hogyan használod, (értve ez alatt, hogy számítógéppel vezérled, vagy autonóm módon akarod megvalósítani)
Ötletek:
- a következő szakasz (jelző utáni) foglaltságát nézed és az optóleválasztó kimenetéről vezérled a tilosba állítást
- beépítesz egy optoérzékelőt (CNY70+elektronika) a jelző mögé a talpfák közé és azzal állítod a jelzőt tilosba
De persze még sok megoldás lehet. |
|
(#19012) csíkosháTTú válasza roozsa hozzászólására (#18988)
|
Válasz •
|
Júl 8, 2013 |
|
Ha mindent jól kötöttél be, akkor nem!
Ellenőrizd le a PIC 1-8. lába között a tápfeszt, ennek 5V-nak kell lennie, bármilyen terhelésre.
Nézd meg, hogy mennyi van a 7805 bemenetén! 18V-nál több semmi esetre sem lehet! (El fog szállni a stab IC, ha nagyon terheled így.)
Nem tudom, hogy milyen DCC vezérlővel hajtod meg. Ha ROCO, és gyári táppal (mindegy melyikkel), akkor az sok lesz, mert durván magas sínfeszt ad DCC-ben, ráadásul nem is stabil. |
|
(#19024) zsolesz74 válasza jvnd hozzászólására (#19008)
|
Válasz •
|
Júl 8, 2013 |
|
Idézet: „- a következő szakasz (jelző utáni) foglaltságát nézed és az optóleválasztó kimenetéről vezérled a tilosba állítást”
Tehát, ha jól értelek ezzel a megoldással lehet az S88-ast direktbe felhasználni, hogy visszajelentve a központnak, az a jelzőt tilosba állítsa.
Idézet: „- beépítesz egy optoérzékelőt (CNY70+elektronika) a jelző mögé a talpfák közé és azzal állítod a jelzőt tilosba”
Ezt csinálnám még meg HALL szenzorral+mágnes a mozdonyokra, mert van egy maréknyi 4905-ösöm.
Még kutattam és azt találtam, hogy egy kondi+ellenállás párossal a TL4905 a PACO-féle S88-as detektorára ráköthető és megfelelően vezérli. Szerinted?
|
|
(#19028) JZoli válasza zsolesz74 hozzászólására (#19024)
|
Válasz •
|
Júl 8, 2013 |
|
Olyan kicsi mágneseket amit a Hall érzékelők "miatt" a mozdony aljára kell tenni, hol lehet venni? |
|
(#19031) HOTotya válasza JZoli hozzászólására (#19028)
|
Válasz •
|
Júl 8, 2013 |
|
Szia !
Hány darab kéne neked??? Mert van pár kapcsolósorom,de két típus van és nem tudom neked melyik jó Egy ami záró és bontó!! |
|
(#19033) HOTotya válasza JZoli hozzászólására (#19028)
|
Válasz •
|
Júl 8, 2013 |
|
Bocsánat félre olvastam......bocsi,de akkor is tudok segíteni  BORSMAGNET !!! keress rá a neten Kőbányán vannak,de a pontos címet nem tudom....  Volt nekem is egy rakás kis mágnesem,de nem emlékszem kidobtam vagy sem.....  |
|
(#19037) roozsa válasza csíkosháTTú hozzászólására (#19012)
|
Válasz •
|
Júl 8, 2013 |
|
Köszi,ROCO vezérlővel hajtom.Hát az egyik alap szabály nem jutott az eszembe,hogy mekkora a 7805 bemenő feszültsége  Mértem én már mindent,az5V is passzolt,
1.5A-es a stab. IC,ezért néztem nagyokat,hogy miért melegszik.Hozzáteszem,jártam már így,akkor leesett a 2 forintos.  |
|
(#19039) zsolesz74 válasza JZoli hozzászólására (#19028)
|
Válasz •
|
Júl 8, 2013 |
|
|
|
(#19040) zsolesz74 válasza HOTotya hozzászólására (#19033)
|
Válasz •
|
Júl 8, 2013 |
|
Még én is mágnes beszerzés előtt állok...
Múltkor láttam tömbben, de nem tudom felvágni, gép hiányában. Te tudsz ilyet elkövetni alkalmasint? |
|
(#19044) csíkosháTTú válasza roozsa hozzászólására (#19037)
|
Válasz •
|
Júl 9, 2013 |
|
Nézd meg a TT-s topicon a 18470-es szösszenetemet, majd a 18473-t, lefordították magyarra.
A ROCO vezérlőhöz adott gyári tápegységek egytől egyik sza...  izé nem megfelelőek! Cseréld le egy sima laptop tápra, ami cca. 16V/3A DC-t ad le. Elmúlik minden ilyen gondod. |
|
(#19046) HOTotya válasza zsolesz74 hozzászólására (#19040)
|
Válasz •
|
Júl 9, 2013 |
|
Azt nem lehet otthoni módszerrel törés mentesen vágni!!!!!! Ja és én bevont (nikkellel)mágnest javaslok,mert az nem törik olyan könnyen mint a "sima" és jóval erősebb,s megbízhatóbb is!!!!!!! |
|
(#19047) HOTotya válasza JZoli hozzászólására (#19028)
|
Válasz •
|
Júl 9, 2013 |
|
Még valami!!! Maradt nekem még pár darab reed csövem átmérő 2,5 és 20mm hosszú(záró)!!! Amennyiben kell(max 100db) akkor nagyon szívesen odaadom,mert nekem nem kell!!!!Persze,ha méretileg jó neked!!! DE van még 1400db átmérő 5mm-s 60mm hosszú is   (ingyen) |
|
(#19049) zsolesz74 válasza HOTotya hozzászólására (#19047)
|
Válasz •
|
Júl 9, 2013 |
|
Mivel váltottad ki Totya a Reed csöveket, hogy ilyen mennyiséged maradt fenn?  |
|
(#19050) JZoli válasza HOTotya hozzászólására (#19047)
|
Válasz •
|
Júl 9, 2013 |
|
Köszönöm a segítséget, meg a felajánlást! A mágnes tényleg jó lesz az említett oldalakról, van egy haverom aki szintén most kezd bele ebbe a terepasztalos témába, vele egyeztetek és rendelünk mágnest. A Reed cső felajánlást köszönöm, ha nem gond pár darab kellene, de ezt beszéljük meg priviben, nehogy "kikapjunk" itt miatta. Én eredetileg Hall elemmel gondoltam az érzékelést megoldani, mert abból van itthon rengeteg, de még nem tudom pontosan hogyan legyen.
Viszont lenne még két kérdésem: Digitális terepasztalon a sorompók visszajelentése hogy van megoldva? Másik: Ha egy állomásra foglaltság miatt kitérőbe megy be a vonat, erre van valamilyen autómata-félautómata megoldás, vagy csak kézzel, vagy számítógéppel lehet ezt megoldani? |
|
(#19055) zsolesz74 válasza JZoli hozzászólására (#19050)
|
Válasz •
|
Júl 9, 2013 |
|
Idézet: „Digitális terepasztalon a sorompók visszajelentése hogy van megoldva?”
Inkább csak vezérelve vannak, visszajelenteni nem kell. Azon én is most agyalok, hogy S88-as vágányfoglaltság jelzővel vezéreljem a zárás-nyitást, vagy HALL szenzor/Reed cső és a saját automata fénysorompó megoldásommal.  |
|
| |
2025. Nov, 11. Kedd 18:58:04 |
| |
Jelenleg 11 fő olvassa az oldalt |
|
|