|
|
|
DCC profiktól (nem csak) profiknak
|
Témaindító: Frankye, idő: Jan 23, 2013
Témakörök:
|
|
|
(#66179) csíkosháTTú válasza Bácsi Attila hozzászólására (#66177)
|
Válasz •
|
Márc 14, 2022 |
|
De van, csak sajnos én nem tudok mit szólni a DT dekóderekhez ezen a szinten. A gyártót kellene megkeresni.
A PLUX-os Tillig modelleknél nincs már meg az a gond, ami a régebbi, 6 tűs dekóderesnél volt, amiről írtam. |
|
(#66180) csíkosháTTú válasza csíkosháTTú hozzászólására (#66179)
|
Válasz •
|
Márc 15, 2022 |
|
Jut eszembe egy tipp!
A Zimo egyik mérnökétől kaptam, hátha segít itt is!
Próbálj meg egy 100-220mikroFarad elko-t kötni a dekóder a puffer csatlakozóira.
|
|
(#66297) csíkosháTTú hozzászólása
|
Válasz •
|
Ápr 12, 2022 |
|
ACME, és az új, PLUX22-es V63 (meg a Csaurusz modellek):
Hát, sajnos nagy a baj Itáliában! Visszafejtettem a V63 alappaneljének a kapcsolását, és sajnos elvi hibás az egész konstrukció úgy, ahogy van.
Kezdjük ott, hogy a PLUX22 csatlakozónál külön van kivezetve a külső puffer pozitív lába, ez a 6. láb. A külső puffer mínusz meg az 5. láb. Ez a szabvány, ha valaki rákeresne, akkor NEM658.
Na a taljánok elkezdtek gondolkodni. Ugye most nagy divat a puffer, nosza ne maradjunk le! Csakhogy V63 nem éppen egy magas, "púpozott" tetejű modell, így a megszokott elektrolit kondenzátorok nem férnek el a mozdonyváz és a kaszni között. Sebaj, vannak SMD kondik is, használjunk olyat! De a sima SMD elektrolit kondik is nagyok, de hála istennek vannak lapos kis vackok, ezek a tantál elektrolit kondenzátorok. Viszont ezeket nem éppen puffernek találták ám ki, de sebaj, ezek beférnek, még, ha csak 16V is a maximum, amit rájuk lehetne kapcsolni. Volt is baja az első eresztésnek, mert a nagyobb feszültségtől nem sikerült megvédeni a három, párhuzamosan kapcsolt tantált. Jött a "javított" verzió, amiben már nem sima diódák, hanem egy LM294 feszültség stabilizátor IC van a három tantál elko előtt. Egyébként ez az IC simán helyettesíthető egy 7812-vel, hátha valaki így jobban ismeri. Nos, a kapcsolás úgy épül fel, hogy ennek a szabályzó IC-nek a 2. lába a közvetlenül megy a dekóder 5. lábára, ez a negatív pont, rendben is van.
Az IC bemenete, az 1. lába az rá van kötve a PLUX22 dekóder 9. lábára, ez a funkció kimenetek közös pozitív pontja, a kék vezeték. (Vannak kerámia szűrő kondenzátorok, de ez most nem lényeges.) Nem ide kellene, hanem 6-ra, de ez van. Az IC kimenete, a 3. lába az egy soros 0805 méretű SMD ellenálláson, ami 100Ohm-os kapcsolódik a három darab, egymással párhuzamosan kapcsolt, 220mikroFarad kapacitású tantál elektrolit kondenzátor pozitív kivezetésére. A kondik negatív lába megy a dekóder 5. lábára. Az össze funkció közös pozitívja, vagyis minden világítás innen kap egy pufferelt, szabályzott 12V-t. A világítás LED-t negatívjait aztán majd kapcsolgatja a dekóder megfelelő funkció lába.
Ezzel a megoldással van pár elvi bajom:
- Azt bárki is komolyan gondolta, hogy összesen 660mikroFarad puffer kapacitással érdemben lehet kezelni egy olyan modell komplett dekóderét, ami majdnem fél kiló tömegű, és a motorja adott esetben pillanatnyi csúcsban felvehet simán 1A-t is? Annyit ér(ne), mint halottnak a szentelt víz, semmit.
- A kondik nem közvetlenül a dekóder belső Graetz hídját pufferelik, hanem csak a világítás közös pozitív pólusát. A szabályzó IC mögött "csücsülve", csak az IC belső, un. "fly back" védő diódáján át küldhetnének vissza érdemi áramot a dekódernek, megkímélve azt a pillanatnyi áramszünetektől.
- Mivel a puffer feszültség eléggé rögös úton jut vissza a dekóderbe, így a modell világítására sem nagyon hat ez a három kondenzátor, mert a funkció kimenetek tranzisztorai azonnal zárnak le, ha nem kapnak nyitó feszültséget, és megszakítják a világítás LED-k áramát.
Ennek semmi értelme. Ugyanis a tantál kondikban tárolt energia nem oda fog visszamenni, hanem azt el fogja szívni a szabályzó IC bemenete, mert érezve a pillanatnyi esést kimenetén (ami egyébként ezzel irgalmatlan módon le is van lassítva!), elkezdi nyitni a saját áteresztő tranzisztorát, hogy pótolja a hiányt, és visszatölteni az három szerencsétlen elko-t. A következő pillanatban megjön a teljes feszültség a bemenetre (mert átment a mozdony a kontakthibás váltón) és az IC áteresztő tranzisztora nyitva van még, mert töltené a három "puffert", de a kondik "szívása" miatt nem érzékeli még, hogy megjött a feszültség a kimenetre is, és nem szabályoz vissza időben. Ugyanis a soros ellenállás miatt a kondik töltőárama, így töltési ideje is meg van nyújtva, meg a kondik amúgy is alaposan lelassítják az IC szabályzását, így, ha megjön a félig vagy teljesen kisült "pufferekre" újra az áram, akkor egy pillanatra az IC kimenetén dőlni fog ajtóstul a teljes bemeneti feszültség árama. Sajnos a tantál kondenzátorok ezt meg rosszul tűrik, akárcsak a fordított feszültséget. Így durranak is el. Még jó, ha csak úgy megy az egyik a másvilágra, hogy magával viszi a soros, 100Ohm ellenállást, és akkor nincs nincs nagy füst, meg egy mikro méretű robbanás a kaszniban.
Ez nagyon komoly konstrukciós baj! Sajnos... Nagy kár, mert amúgy szép lenne a modell, meg szép is. Elég lett volna kivezetni a PLUX dekóder aljzat megfelelő lábait - ugye ez a 6. láb a pozitív, és az 5. a negatív - ahogy pl. a ROCO is tette. Azoknak a szerencsétlen tantáloknak a helyén meg elférne 2db 470mikroFarad/25V-os sima elko is egymással párhuzamosan (igen, létezik ilyen kis méretben!). Az már majdnem 1000mikroFarad. Az sem a világ teteje, de legalább nem robbannának fel lépten-nyomon.
Nem tudom ki tervezte a modell áramkörét, de mire gondolt, amikor ezt így csinálta meg, azt nem tudom. Elvileg is hibás a kapcsolás, a gyakorlatot meg a szervizesek ismerik. Szegény kereskedők meg kapják az "ívet", hogy sok a hibás modell... Pedig nem tehetnek róla, ez az gyártó lelkén szárad! (A román modellezők még nem dobálták meg a gyárat? Az ő villanygépükben is ugyanez van...)
Az már csak hab a tortán, hogy a PLUX vakdugó sem úgy van megcsinálva, ahogy azt tankönyv írja, de annak a megfejtésére már nem áldoznék időt... |
|
(#66302) csíkosháTTú hozzászólása
|
Válasz •
|
Ápr 15, 2022 |
|
Áldott Húsvétot Kívánok Mindenkinek!
Egy DCC világítás panel, az építési nagyság: N. Fleischmann D-Zugwagen kocsikhoz készült, csak fel kell csavarozni. A folyosó, és a fülkék világítása külön funkcióval kapcsolható.
|
|
|
|
(#66303) Bácsi Attila hozzászólása
|
Válasz •
|
Ápr 15, 2022 |
|
Megint egy kis segítséget szeretnék kérni. Roco Ludmillába betettem egy hangdekódert a hang működik de a mozdony nem indul el. A világitás izzót régeben ledre cseréltem. Ha kiveszem a ledeket úgy mozdony működik. Hogy lehetne ezt a problémát megoldani hogy a led világitás megmaradjon ? Előre is megköszönöm a válaszokat. |
|
(#66317) csíkosháTTú válasza Bácsi Attila hozzászólására (#66303)
|
Válasz •
|
Ápr 19, 2022 |
|
Szia!
Valamit rosszul kötöttél be!
Keresd vissza a következőket:
1: a világítás közös pozitív pólusa a dekóder aljzat 7. lába, erre van kötve két darab dióda is, mégpedig a csíkkal jelölt végük.
2: Előre menetben a világítás negatív pólusa az a dekóder aljzat 6. lába.
3: Hátra menetben a világítás negatív pólusa az a dekóder aljzat 2. lába.
A dekóder aljzat számozása az óramutató járásával ellentétesen van körbe, a jelölt lába az 1. Onnan jobbra 2., 3., 4., majd a másik sorban a 4. felett van sz 5. és tovább. |
|
(#66319) csíkosháTTú hozzászólása
|
Válasz •
|
Ápr 19, 2022 |
|
FTS, vagyis: Fapapucs - Tulipán - Spangli
Digikeijs DR5000 központ van nálam éppen.
Egészen ügyes, gyakorlatilag mindenféle vezérlővel működik, PC-ről is.
VISZONT! Egy komoly baj az van vele! Idehaza a 18-as verzió van forgalomban, ez azt jelenti, hogy egy 18V-os tápegységet adnak hozzá! A kimenő sínfeszültsége magának a központnak nem beállítható, ezt írja is a használati utasítása! Nem az, amit adnak vele, hanem a netről letölthető! Picit vesződni kell vele, és érdemes a számítógépes programját is telepíteni, vagyis nem éppen egy "plug and play" eszköz, de nem egy elveszett kütyü. Legalábbis elsőre nekem nem az.
H0-ban használható a mellékelt tápjával, és a fekete z21-nél sokoldalúbbnak tűnik, viszont annál olcsóbb. |
|
(#66320) Bácsi Attila válasza csíkosháTTú hozzászólására (#66317)
|
Válasz •
|
Ápr 19, 2022 |
|
Szia!
Ez TT Ludmilla 6 pólusú aljzat van benne, de köszönöm az útmutatót.
Megpróbálom jól bekötni. |
|
(#66321) Bácsi Attila válasza csíkosháTTú hozzászólására (#66319)
|
Válasz •
|
Ápr 19, 2022 |
|
Digikeijs DR5000 a VMC-nél rendelhető 15v tápegységgel is. Akkor ezt lehet használni TT mérethez? |
|
(#66322) csíkosháTTú válasza Bácsi Attila hozzászólására (#66320)
|
Válasz •
|
Ápr 19, 2022 |
|
Várjál!
A TT-sben NEM651-es aljzat van (ha még az első eresztésből van, és nem az újabb PLUX16-os)!
Ott úgy kell csinálni, hogy a dekóder aljzat 4. lába a közös pozitív! Igen, ez a bal sín áramszedés, de itt ez a szabvány! |
|
(#66323) csíkosháTTú válasza Bácsi Attila hozzászólására (#66321)
|
Válasz •
|
Ápr 19, 2022 |
|
Azzal, vagy egy beállítható táppal igen! |
|
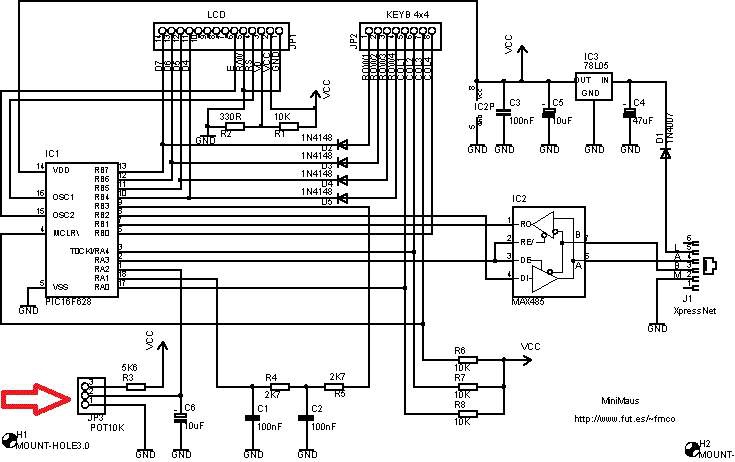
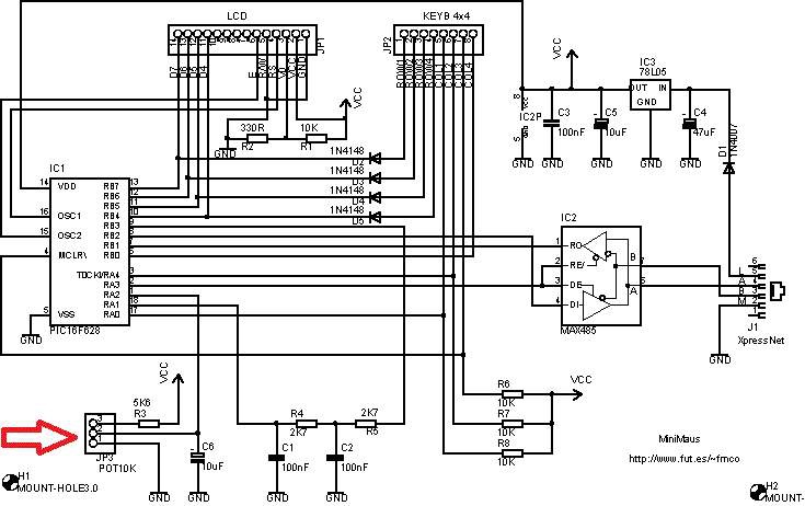
(#66364) diginewl hozzászólása
|
Válasz •
|
Ápr 29, 2022 |
|
Kérdéssel fordulok a Szakértőkhöz!
Építettem egy miniMaus-t v.3A verzió van benne. A menetszabályzó potival vagyok gondba. Kb 10-15 foknyit el kell tekerni a nulláról, hogy az első sebességlépést kiadja. Próbáltam a beépített kalibrálós beállítást, de ennél csak távolabb kerülnék a start-tól.
A max állás megfelelő, azaz ott elmegy 28, vagy 128 lépésig.
Mit lehetne tenni, hogy közelebb kerüljön a start a nullához?
Gondoltam arra, hogy kimérem ezt a "holt" ellenállás értéket, és beteszek a GND-és a poti közé ezt az ellenállás értéket. Viszont így a poti nulla állásban nem a GND-t adja a PIC felé. Nem baj?
Köszönettel: Jenő |
|
(#66365) ati101 válasza diginewl hozzászólására (#66364)
|
Válasz •
|
Ápr 29, 2022 |
|
Kalibrálni kell! Most nem tudom pontosan melyik jobb oldali oszlopban lévő gombot kell lenyomva tartani és utána bekapcsolni, hogy elérd ezt a menűpontot, de majd utána nézek.
|
|
(#66366) ati101 válasza ati101 hozzászólására (#66365)
|
Válasz •
|
Ápr 29, 2022 |
|
Megvan!
A C gomb nyomvatartása mellett bekapcsolni!
A B gombbal a kalibráló menűbe menni!
Ott nullára állítani, és kész. |
|
|
|
(#66367) diginewl válasza ati101 hozzászólására (#66366)
|
Válasz •
|
Ápr 29, 2022 |
|
Bocs ezen már túl vagyok. Ezt írtam:
Idézet: „Próbáltam a beépített kalibrálós beállítást, de ennél csak távolabb kerülnék a start-tól.”
Azaz már a kalibrálót kitekertem csutkára. Azaz maximum közel hoztam a Nullát a start-hoz, de még így is sokat kell tekerni. Lásd képek.
Ennél már csak távolabb tudom állítani. |
|
|
|
(#66368) ati101 válasza diginewl hozzászólására (#66367)
|
Válasz •
|
Ápr 29, 2022 |
|
Igen, akkor marad az ellenállás betoldás! |
|
(#66371) etwg válasza diginewl hozzászólására (#66367)
|
Válasz •
|
Ápr 29, 2022 |
|
Mutasd meg a rajz azon részét ahol a poti van meg a PIC bemenete. Hogyan van az ott megoldva.
Az ellenállás nem igen fog segiteni, mert neked negativ irányba kellene letolnod a munkapontont. Negativ feszültséged meg valoszinű nincs. |
|
(#66372) diginewl válasza etwg hozzászólására (#66371)
|
Válasz •
|
Ápr 29, 2022 |
|
Megvárnám Csíkost, vagy JVND-t, mert ők ezzel foglalkoztak, régebben gyártottak is ilyent. Biztos van rá trükkjük.
POT1 - alsó érték, POT3 - felső érték.
|
|
|
|
(#66373) etwg válasza diginewl hozzászólására (#66372)
|
Válasz •
|
Ápr 29, 2022 |
|
Addig tehetsz valamit. Egy jo voltmérövel mérd meg a feszültséget a poti csuszkáján a Start ponton, akkor, amikor elindul meg a amikor a maximumra tekered. Ez fog nekik segiteni megtalálni a hibát. |
|
(#66374) etwg hozzászólása
|
Válasz •
|
Ápr 30, 2022 |
|
Más.
Hallottatok már un TVS diodákrol? Egy ujdonság a DCC motorkimeneteken. Valamikor ilyen tulfeszültségvédelmet használtak TV-kben már nem emlékszem pontosan mi volt a nevük, talán varisztor. Jo 40 éve egy ipari berendezésbe 100-sával épitettük be. ( igaz azok több 100 V impulzusfeszültség ellen voltak hivatott védeni). Azota meg nem is láttam ilyen alkatrészt, s csak mutatoba maradt az akkori darabokbol (nem tudom mire).
Nos ezek az uj TVS alkatrészek a DCC világban kb 16V vágják a motor és a dekoder közötti feszültséget ( elvben két szembekötött zenerdioda). Mert állitolag sok DCC dekoder halát okozta a motor által generált impulzus olyankor amikor menetközben megszünik kisebb nagyobb idöre a táp, illetve amikor a mozgo jármü üzemszerüen rövidzárlatot okoz ( hurok stb).
Az tény, hogy a H hid üzemközben védi a dekodert, de állitotag áramkiesés pillanatában bizonytalan a H hid állapota és ilyenkor végzetes lehet a motor felöl érkezö több 10 voltos impulzus.
A TVS létezik több feszültségre és van SMD kivitele is.
Van belölük egyirányu és szimmetrikus kivitel. Az utobbi kerül a DCCbe.
|
|
(#66375) diginewl válasza etwg hozzászólására (#66373)
|
Válasz •
|
Ápr 30, 2022 |
|
Mérési eredmények: POT 1, és 2-es lába között:
0,00V sebesség érték: 000 Potenciométer 0 állásban
0,38V sebesség érték: 000 Potenciométer tekerve lásd előző képek
0,40V sebesség érték: 001
3,19V sebesség érték: 028 Potenciométer max állásban
|
|
(#66376) ati101 válasza diginewl hozzászólására (#66375)
|
Válasz •
|
Ápr 30, 2022 |
|
Az 1-es láb és a "0" közé tegyél egy (a poti értékének kb. a tizedével megegyező) trimmer potit és azon 0,38V -ot állíts be. A poti "0" értéke innen fog indulni! |
|
(#66377) diginewl válasza ati101 hozzászólására (#66376)
|
Válasz •
|
Ápr 30, 2022 |
|
Ezzel a következő a gondom: amint megmozdul a poti a nulla állásból, látszik egy másik vezérlőn, hogy ezt a mozdonyt irányítani akarják. Így nem biztos, hogy ez a legjobb megoldás.
Talán majd erre jár Csíkos, vagy Jvnd. A megoldás ráér, már 3 éve megépítettem a vezérlőt, szóval nem szalad el  |
|
(#66378) etwg válasza diginewl hozzászólására (#66377)
|
Válasz •
|
Ápr 30, 2022 |
|
Ha valoban ezt csinálja, akkor vagy a kodban van a hiba, vagy a poti bekötésében. De majd megmondják. A PIC programot nem ismerem. |
|
(#66379) promise válasza etwg hozzászólására (#66374)
|
Válasz •
|
Ápr 30, 2022 |
|
TVSD-tranziens feszültség védő szupresszor dióda
Hasonló célra régóta használom. |
|
(#66380) etwg válasza promise hozzászólására (#66379)
|
Válasz •
|
Máj 2, 2022 |
|
Akkor be is számolhatnál rola, hol és mire használod a hobbinkbsn. |
|
(#66381) csíkosháTTú válasza diginewl hozzászólására (#66372)
|
Válasz •
|
Máj 2, 2022 |
|
A PIC-nek az egy AD átalakító bemenete. A poti a tápfeszültséget osztja le erre a bemenetre.
Két dolog lehetséges:
- nem jó a poti, elkopott;
- valami szoftveresen nem jó a programban, ami a PIC-be van feltöltve (ez nem valószínű).
Az elsőn kívül - most nézem kapcsolási rajzot! - van egy hidegítő kondenzátor a poti csúszkája, és a testpont között. Ez gyakorlatilag azt akadályozza meg, hogy a potin esetleg valaki túl hirtelen tekerget, az ne zavarja össze a PIC-ben a program futását. Az is lehet a baj, hogy ez a kondi valamiért poti "kis sebességű" állásában - értsd alacsony feszültségen - nem igazán akar feltöltődni, és kvázi kisöntöli a PIC bemenetét. Egyébként is ilyen célra szerintem 10mikroFarad egy csöppet sok, legalábbis nekem annak tűnik, pláne, ha kiszámoljuk a töltési idejét. Cseréld le, szerintem ide egy 2,2mikro, vagy legfeljebb 4,7mikroFarad is elég. De meg lehet próbálni egy 1mikro-t is, legfeljebb nagyobbra kell venni, ha túl "ideges" lesz tőle a szabályzó. |
|
(#66382) etwg válasza csíkosháTTú hozzászólására (#66381)
|
Válasz •
|
Máj 2, 2022 |
|
Azért kértem, hogy mérje a poti csuszkáján a feszültséget, gondolom, hogy a kondi rajta maradt. Ki kell probálni teljesen a kondi nélkül, vagy MKT kondival. |
|
(#66383) diginewl válasza csíkosháTTú hozzászólására (#66381)
|
Válasz •
|
Máj 2, 2022 |
|
Köszönöm a Választ!
Kipróbálom, utána jelentkezem. |
|
(#66384) jvnd válasza diginewl hozzászólására (#66383)
|
Válasz •
|
Máj 2, 2022 |
|
Szia. Forraszd ki a használt potmétert és nézd meg ellenállásmérővel. Láthatod a tekerés és az ellenállás összefüggését. Azt se ártana megnézni, hogy logaritmikus, vagy lineáris potmétert használsz. Nem mindegy. Szerintem a PIC A/D átalakítója jó, a programban sem lehet nagy hiba. A kondi sem befolyásolja érdemben a feszültség változását, viszont "nyugodtabbá" teszi a mérést. (Nem ugrál össze vissza a sebességérték)
Ha még mindig nem tetszik, akkor el lehet kezdeni más értékű potméterrel, ellenállásokkal kísérletezni, de nem biztos, hogy jobb lesz a végeredmény.
Mondjuk ami Fred-eket hasznàlunk azokban is van némi üresjárat. Az meg AVR el működik.
Szerintem kár erre időt pazarolni, de minkenki döntse el.
Szia |
|
(#66385) diginewl válasza jvnd hozzászólására (#66384)
|
Válasz •
|
Máj 2, 2022 |
|
"Ha még mindig nem tetszik" - ezt nem értem. A poti tekerésének kb. első 10-15%-nál nem történik sebességszabályzás. Ez nem "nem tetszik", hanem, mindössze zavar. Reméltem van rá egyszerű megoldás. Nincs. Nem baj így marad.
Eredményeim:
A 10 mikroF kondenzátort lecseréltem egy 100nF-ra, nem történt változás. Kondi nélkül is ugyanez a helyzet.
4 potival is megnéztem. 2 lin 2 log. Mindegyiknél itt az első 1 kOhm-ig nem csinál semmit a sebesség. 5kOhmos- potival pont a fele sebességig megy el a max lépés.
Ezen felbuzdulva betettem egy 1,5kOhm ellenállást a GND, és a poti közé. Ezek után egyáltalán nem működött a sebességszabályzás, 000-ról előre sem lépett egyet sem. 
Marad így.
Ez a 3A verzió nekem már meghozta amit kell, mert így tudok 999-ig cv-t írni olvasni, a piros Roco MM-meg csak 255-ig ír/olvas.  |
|
(#66386) etwg válasza diginewl hozzászólására (#66385)
|
Válasz •
|
Máj 2, 2022 |
|
Akkor valoszinü mégis a kodban van a hiba, mert az AD konvertor a PICben ettöl nagyságrenddel pontosabb ( általában).
Ha az 5k6-s ellenállást is meghagytad akkor természetes, hogy az 5k lin potival nem tudod a max sebességet elérni. Ahhoz a poti felsö végén kb 3 V feszültségnek kell lenni ( valoszinü a belsö 3 Voltos a referencia.
Ezt osztja fel az AD konvertor 28 (vagy 128) lépésre, azaz 1 lépésre (3/28) kb. 0,1 Volt kell legyen a poti csuszkáján az AD bemenetre.
Ez a poti 270 fokos forgásának kb 1/28 –e azaz kb 9 fok azaz 9 fok forgás szögnél van az elsö fokozat azaz itt kellene a potin 0,1 V - nak lennie 130 foknal ( középállás) kb. 1,5 V-ak stb. (Az olcsobb potiknál elöfordul, hogy a pálya szelein nem stimmel a linearitás)
Ezt elvben ki tudod mérni, és össze tudod hasonlitani mit mutat a display. Lehet, hogy a számokbol majd kiderül hol a hiba.
|
|
(#66387) ati101 válasza diginewl hozzászólására (#66377)
|
Válasz •
|
Máj 3, 2022 |
|
Egy mezei megoldás: A potméter tekerőgomját úgy rakd rá, (ha lehet) hogy a rajta lévő jelzés az előlapon lévő kiindulási ponton akkor legyen, amikor a vezérlés megindul. Tudom a holtjáték alatta marad, de az elindulás a jelzett ponttól indul! |
|
(#66388) diginewl válasza ati101 hozzászólására (#66387)
|
Válasz •
|
Máj 3, 2022 |
|
Ezt már írtam, hogy így nem lehet belemókolni:
Idézet: „Ezzel a következő a gondom: amint megmozdul a poti a nulla állásból, látszik egy másik vezérlőn, hogy ezt a mozdonyt irányítani akarják. Így nem biztos, hogy ez a legjobb megoldás.” |
|
(#66389) diginewl válasza etwg hozzászólására (#66386)
|
Válasz •
|
Máj 3, 2022 |
|
Még törpölök rajta. Köszönöm az elméleti alapokat! (az is lehet hogy az összes potim rossz, mivel egy kínai vételből vannak). Megpróbálok másik poti után nézni. A csatlakozó dugaszolós nála, így könnyen tudok cserélni.
 |
|
(#66390) Lazsi válasza diginewl hozzászólására (#66388)
|
Válasz •
|
Máj 3, 2022 |
|
Namost akkor ez hogyan is van?
A "másik vezérlő" honnan tud arról, hogy ezt a potit megmozdítottad?
1. Két vezérlő van ugyanarra a potira kötve? Lehet, hogy ezek "összevesznek". Ha lehúzod a másik vezérlőt a potiról, akkor ez rendesen működik, vagy akkor sem?
2. Vagy ez a vezérlő jelzi a másiknak, hogy történt valami, csak a vezérlést nem küldi el a mozdonynak? Ebben az esetben a potival semmi baj, a hiba a szoftverrel van. |
|
(#66391) etwg válasza diginewl hozzászólására (#66389)
|
Válasz •
|
Máj 3, 2022 |
|
Az nem mérvado, hogy honnan vannak a potik.
A PIC ha jol emlékszem 10 bites AD-val rendelkezik és ez a a 0 - 5 V tartományban. Ez ha jo számolom 0,005V felbontás, azaz ha a potitbol ki tudsz varázsolni 0,3 V-nál kevesebbet a PIC bemenetén ( mielött az elindul) és arra a PIC nem reagál, akkor ott gond van vagy a programmal vagy a PIC-kel. Azt már tudjuk, hogy a felsö határt 3 Voltra korlátozták, lehet, hogy van also határ is ( talán zaj miatt, ki tudja).
Az sincs kizárva, hogy a kod alkotoja igy akarta használni a potit ( egykezes változat, amikor a hüvelykujjal forgatják a potit, olyankor jobb, ha a végállási tartományok nagyobbak ( nem kell skála).
Sok amerikai modellezö a potival a kontrollert igyekszik leképezni, az meg jobb esetben mindössze 100 fokot fordul vagy még annyit sem ).
Lehet, hogy neked egyszerübb lenne mechanikailag kortátozni a poti forgását utovégre a mozdony nem rádio, hogy a poti egész tartománya müködjön..  |
|
(#66393) etwg válasza diginewl hozzászólására (#66388)
|
Válasz •
|
Máj 3, 2022 |
|
Nem ismerem pontosan a protokollt, de lehet, hogy itt van az kutya elásva, azaz a PIC figyeli, hogy melyik poti mozdult meg és annak az alapján delegálja a kezelési jogokat, ( átveszed a másiktol). Lehet, hogy pontosan erre kell a 10 fokos holtjáték. Ezt nem tudom, ilyen tapasztalataim nincsenek. |
|
(#66394) diginewl válasza etwg hozzászólására (#66393)
|
Válasz •
|
Máj 3, 2022 |
|
Szerintem ez lehet a megoldás, ahogy JVND mondta:
"Szerintem kár erre időt pazarolni, de mindenki döntse el."
A poti most is a teljes szabályzási területet lefedi, csak van neki egy holtjátéka az elején, ahol látszólag nem történik semmi.
DIY-be belefér.  |
|
(#66428) Bácsi Attila hozzászólása
|
Válasz •
|
Máj 16, 2022 |
|
Segítséget kérnék. DT 5.2 hangdekódernél melyik forrpontra kell kötni a vezetéket ha zárfény ledet akarok rákötni?
Köszönet a válaszokért. |
|
|
|
(#66429) diginewl válasza Bácsi Attila hozzászólására (#66428)
|
Válasz •
|
Máj 17, 2022 |
|
Szerintem ez a kép segíteni fog. Látszik hol megy ki a kék a zöld, és a lila. ( megfordítod, a másik oldalán vannak ezek a forrpontok)
Lila/kék/zöld a szélétől befelé.
Digitools dekóder képe |
|
(#66430) csíkosháTTú válasza Bácsi Attila hozzászólására (#66428)
|
Válasz •
|
Máj 17, 2022 |
|
Iggennn...
Sajnos a DT használati utasításában pont az nem látszik, hogy az NEM651 csatlakozós kivitelnél az AUX1 és AUX2 (zöld és lila vezeték) hová kellene forrasztani.
A kolléga képén az AUX3 és AUX4 kivezetés van jelölve, az is jó lesz, csak akkor ezekre kell programozni a megfelelő funkció gombot.
De hátha erre téved valaki onnan, és pontosít. |
|
(#66431) diginewl válasza csíkosháTTú hozzászólására (#66430)
|
Válasz •
|
Máj 17, 2022 |
|
Látszik a képen, hogy milyen sorrendben fut be a hátoldalon a lila/kék/zöld. (kicsit hangsúlyozva lást itt)
Az igaz, hogy nincsen túlmagyarázva, de ez a kép a 8 csatlakozós változatról készült - ahol eleve be vannak kötve. Itt az extra funkciók vannak szabványosan jelölve. |
|
|
|
(#66432) csíkosháTTú válasza diginewl hozzászólására (#66431)
|
Válasz •
|
Máj 17, 2022 |
|
Mhhh..
Én, mint gyárt, és ilyesmikkel foglalkozó, ki is tudom találni, hogy melyik lesz a zöld és a lila vezeték forrpontja.
De még nekem is könnyebb, ha van róla egy rajz, vagy fénykép.
Egy amatőr is meg tudja állapítani, hogy egy SMD forrasztópont melyik alkarészhez vezet, és az egy funkciót vezérlő tranzisztor, vagy FET? |
|
(#66433) Bácsi Attila hozzászólása
|
Válasz •
|
Máj 17, 2022 |
|
Nagyon köszönöm a segítségeteket működik a Aux1 és Aux2 kimenet a F21és F22 funkciógombbal. Üdv. Attila |
|
(#66696) csíkosháTTú hozzászólása
|
Válasz •
|
Júl 12, 2022 |
|
Egy kis modernizálás egy régi ROCO BR104 villanygépen (ROCO Intetnational 04144S). Új panel, NEM652 előkészítés, LED világítás, függetlenül kapcsolható zárfények.
Eredetileg egy újabb mozdonyhoz, a BR151-hez (E50) terveztem a panelt, de elég sok hasonló ROCO mozdonyba is jó, kép alapján.   |
|
|
|
(#66753) csíkosháTTú válasza csíkosháTTú hozzászólására (#66297)
|
Válasz •
|
Júl 27, 2022 |
|
Még, hogy Itáliában nagy a baj! A ködös Albion se' sokkal különb!
Azt melyik nagy tudású, agyonképzett villamosmérnök palánta gondolta komolyan, hogy egy merev drótra ráhúzunk egy ferrit rudacskát, majd az szigeteletlenül begyömöszöljük a dekóder aljzat szintén szigeteletlen lábai alá, az bármit is ér majd???!!! Lásd a képet!
Csak azt nem tudom, hogy kevés volt a gin, vagy sok?
 |
|
|
|
(#66817) tumikas hozzászólása
|
Válasz •
|
Aug 14, 2022 |
|
Régebbi Roco gépbe, konkrétan 4129A-ba milyen gyártó dekóderei jók? Zimo vagy Esu inkább? |
|
(#66818) csíkosháTTú válasza tumikas hozzászólására (#66817)
|
Válasz •
|
Aug 15, 2022 |
|
Ez a régi BR160 (E60) kis villanygép. A ZIMO kisebb, könnyebben bele tudod szuszakolni. |
|
| |
2026. Ápr, 03. Pé 17:42:12 |
| |
Jelenleg 260 fő olvassa az oldalt |
|
|