|
|
|
DCC profiktól (nem csak) profiknak
|
Témaindító: Frankye, idő: Jan 23, 2013
Témakörök:
|
|
|
(#58942) xplood hozzászólása
|
Válasz •
|
Márc 31, 2018 |
|
Sziasztok!
Tudtok ajánlani lehetőleg arduino alapú DCC-s szervós váltódekóder kapcsolást és programot. kb 12 váltót kéne vezérelnem, nem baj ha nem egy dekóderrel. Egy ideje nézegetem már a neten a dolgokat, de hogy őszinte legyek egyik találat se keltette bennem azt az érzést, hogy igen, ez az ami nekem kell, ez tuti jól működik.
Köszönöm! |
|
(#58944) proba válasza xplood hozzászólására (#58942)
|
Válasz •
|
Márc 31, 2018 |
|
Mondjuk az is kérdés, mivel akarod vezérelni. Esetleg az is játszik, hogy nem DCC, akkor vannak DCC++ (DCCpp) projekt keretében soros porttal vezérelhető mindenféle szerkezetek. A rocraillal elboldogul elég jól, de amúgy is egyszerű nyelvezete van. Így bármivel vezérelhető ami soros porton szöveget tud küldeni. |
|
(#58945) xplood válasza proba hozzászólására (#58944)
|
Válasz •
|
Ápr 1, 2018 |
|
Szia!
Mivel egy kis hobbi "asztalkáról" van szó, amit egy ROCO Z21 működtet, így elsősorban azt céloztam meg, hogy a maus-ról tudjam állítani. Viszont így ahogy gondolkodok a dolgokon, egyre jobban hajlok afelé, hogy ettől elszakadjak és külső állításúra építsem, elvégre is átláthatóbb, és könnyebb mint a mauson keresgélni, hogy 'akkor most hányas számú váltó is kell nekem?' |
|
(#58946) csíkosháTTú válasza xplood hozzászólására (#58945)
|
Válasz •
|
Ápr 1, 2018 |
|
Épp' azt akartam írni, hogy 12 váltó közül kikeresni a megfelelőt Multimaus-szal nem éppen leányálom... Egy "kis, hobbi asztalka" 12 váltójához nem lenne egyszerűbb egy kapcsolópult? Vagy a számítógépes vezérlés a távlati cél? |
|
(#58947) diginewl válasza xplood hozzászólására (#58945)
|
Válasz •
|
Ápr 1, 2018 |
|
Hali!
Itt már be merem írni:
X-bus tco
Ezt hozzácsaphatod a z21-hez, és egyszerűen váltócímet szövegel a rendszerbe.
Minden más megoldás is van itt, bár nem arduino, hanem PIC.
Működik, és occó
PACO honlapja - amíg le nem szedik |
|
(#58949) xplood válasza diginewl hozzászólására (#58947)
|
Válasz •
|
Ápr 1, 2018 |
|
csíkosháTTú:
Teljesen igazad van. Elég lenne, de nem akarom függetleníteni a rendszertől. Ezen a kis asztalon akarom kitanulni a dolgokat és mint írod a távlati cél az automata működés lesz, de egyelőre azt még nagy falat lenne.
diginewl:
A PIC-cel sincs baj, azért indultam ki az arduino-ból, mert az van és ott nem kell panelt tervezni és készíteni, mert alapvetően majdnem minden adott a lapkán. Ennek az X-bus-nak utána fogok olvasni, mert nem ismerem még. |
|
(#59046) csíkosháTTú hozzászólása
|
Válasz •
|
Ápr 11, 2018 |
|
ROCO BR232, Ludmilla. Konkrétan a H0-s, kezdő szettes modell. Ebben már NEM658, PLUX16-os dekóder aljzat van, és mivel digitális a szett, ZIMO MX630P16 dekóderrel van felszerelve.
Azoknak ad egy kis plusz munkát a modell, akik szeretnék kihasználni azt, hogy a ZIMO dekoderek tudják kezelni a Lenz ABC fékezést. Ha valaki ezen irományom, vagy a ZIMO használati utasítása alapján aktiválja az ABC fékezést, az elsőre bajban lesz. Ugyanis az írások alapján beprogramozott dekóder a menetirány szerinti fékezést pont az ellenkezőjére fogja venni! Vagyis a jelző felől érkező mozdony áthalad, míg a jelző mögül érkező lefékez és megáll.
NEM A DEKÓDERREL VAN BAJ!
A gyárban a modell áramszedésének vezetékei keresztben lettek ráforrasztva a panelre! Így a dekóder a jobb sínszálat látja balnak, és viszont. Fel kell cserélni, és rendbe jön. |
|
(#59059) gusza55 hozzászólása
|
Válasz •
|
Ápr 12, 2018 |
|
Sziasztok!
Ismeri Valaki a Z21 LocoNet Slave Cable 136100-at. Ennek a kábelnek a lábkiosztására lenne szükségem. |
|
(#59088) gusza55 hozzászólása
|
Válasz •
|
Ápr 20, 2018 |
|
Bocsi hogy itt kérdezek, de itt legalább van mozgás 
A csatolt képen lévő elrendezésben hogyan lehet biztosítani a két szakasz szinkronitását? |
|
|
|
(#59089) csíkosháTTú válasza gusza55 hozzászólására (#59088)
|
Válasz •
|
Ápr 20, 2018 |
|
Elvileg a LocoNet-en látják egymást.
De itt sokkal nagyobb baj van! A képen látható konfigurációban - hiába is lesznek "szinkronban" - a két eltérő cucc által ellátott szakaszban soha nem lesz azonos a sínfeszültség. A szakaszhatáron átjáró modell esetében a két eltérő feszültség a modellen keresztül fog kiegyenlítődni! A hatás csak rosszabb lesz, ha hosszú modellről van szó, pl. BR01, BR03, BR44 gőzös, vagy pláne egy FLIRT motorvonat!
A két központ sínjelének az alakja sem lesz azonos! Míg a ROCO követi a szabvány előírásait, és négyszög alakú jeleket szolgáltat, addig az Uhlenbrock az trapéz! Táncol a szabvány előírta határon, igazán jót még nem mértem Uhlenbrock gyártmányon, egyiken sem...  Ezt sajnos két stabil tápegységgel sem lehet megoldani, az Uhlenbrock rossz jelalakja miatt.
Én nem erőltetném ezt a megoldást, ha félteném a modelljeimet. |
|
(#59109) Frankye moderátori
válasza gusza55 hozzászólására (#59088)
|
Válasz •
|
Ápr 23, 2018 |
|
Minden témában van "mozgás", ugyanis ha egy témába új hozzászólás érkezik, az automatikusan a legfelső lesz a témák sorában. Kérem, hogy a jövőben a tématartásra figyelj!
Köszönöm. |
|
(#59110) diginewl hozzászólása
|
Válasz •
|
Ápr 23, 2018 |
|
Akko' hogy pörögjünk 
Összeállítottam egy kis kétdiódás foglaltságérzékelőt, mellyel kapcsolatban szeretnék segítséget kérni:
Az alap ötlet a PACO honlapjáról van (innen is vágtam össze a rajzot).
Amit módosítottam rajta: A 4,7k ellenállást lecsökkentettem 2,2k-ra. Így egyáltalán nem világított a rá kapcsolt piros led. 4,7k-nál folyamatosan volt egy kis derengése a led-nek.
Továbbá így érzékenyebb lett az érzékelése is. DCC 15V-nál már 0,7mA fogyasztásnál jelez az S88-as buszon a foglaltságérzékelő (22k-os ellenállást egy led-re kötöttem, így volt fogyasztásom). Viszont 22V DCC-n sem kezd el csak úgy bejelezni.
Ehhez az alábbi diódákat fogom használni:
ALI SMD 1n5408.
Ez a dióda megfelel a 1N5408 3A-esnek?
Kérdésem: Az hogy csökkentettem a bázisra futó ellenállás értékét gondot jelenthet? Mint írtam először egy piros led-et használtam a működés ellenőrzésére. Az volt az érdekes, hogy 3k felett egy minimális derengése volt a LED-nek, amikor semmilyen terhelés nem volt a sínen. 2,2k-nál teljesen sötét volt a led, ha nem volt fogyasztó a sínen.
Üdv: Newl |
|
|
|
(#59112) etwg válasza diginewl hozzászólására (#59110)
|
Válasz •
|
Ápr 23, 2018 |
|
Ennek a kapcsolásnak az egyszerüsége a gond. Ez minden egyes tranyora más ellenállást fog kérni, mert az érzékenysége a tranyo betájátol függ.
Mielött még komolyabb dolgokra térnél 2 dolgot tehetsz. (A diodák teljesen jok).
A 2 diodával köss párhizamosan 2 kondit. Egy 10-100nF kerámiát vagy MKT-t meg egy 10-100 uF elektrolit kondit. Ezekkel kiszüröd a zavarokat a diodákrol, és stabilabbá teszik a tranzisztort.
Hogy a tranyok szorását némileg csökkentsd, tegyél az E- meg a föld közé egy max. 25 ohmos ellenállást, utánna már nem fog annyira érzékenyen reagálni bázis ellenállásra. |
|
(#59115) proba válasza diginewl hozzászólására (#59110)
|
Válasz •
|
Ápr 23, 2018 |
|
Vannak dolgok amik szerintem nem korrektek a leírásod szerint. Ha a bázissal sorba kötött 4,7K ellenállást csökkented, a tranzisztor bázisára több áram jut, így jobban világít az opto helyett kötött led. Ha ennek az ellenkezőjét tapasztaltad, csak úgy lehet, ha nem azt jelzi amit szeretnél. Későbbi használatnál történhetnek meglepetések.
A diódákkal mindenképp kötnék párhuzamosan egy ellenállást, talán azzal be lehetne állítani a minimális érzékelési áramot. Kondenzátort 1uF alattit gondolnák jónak, az ez felettiek már durván söntölik a vezérlőjelet szerintem , így sokkal érzéketlenebb lesz.
ETWG:
Idézet: „ E- meg a föld közé egy max. 25 ohmos ellenállást”
Ezt azért pontosíthatnád hova gondolod. Az EB között túl kicsi, az E és a test között meg durva terhelést (1A) tesz a boosterra . |
|
(#59116) etwg válasza etwg hozzászólására (#59112)
|
Válasz •
|
Ápr 23, 2018 |
|
Most kapcsoltam, hogy te DCC-ben akarod használni, ahhoz a kondik sem fognak segiteni, mert a 2 diodán váltoáram jelenik meg, aminek csak a pozitiv fele a hasznos jel.
Ezért nem jo ez a kapcsolás. Lehet, hogy a tranzisztor kolléktorán segitene egy elektrolit.
Ezt ki kellene laborálni, de akkor már érdemes lenne más alapokra helyezni az áramkört. |
|
(#59117) etwg válasza proba hozzászólására (#59115)
|
Válasz •
|
Ápr 23, 2018 |
|
Egy emitter ellenállásra gondoltam. |
|
(#59118) etwg válasza diginewl hozzászólására (#59110)
|
Válasz •
|
Ápr 23, 2018 |
|
Esetleg még kisérletezhetnél egy feszültség duplázoval a diodák után. |
|
|
|
(#59119) diginewl válasza proba hozzászólására (#59115)
|
Válasz •
|
Ápr 24, 2018 |
|
Jó reggelt!
Köszönöm az észrevételeket!
A hozzászólásaitokból egy LenzLb100 kapcsolás kezd kialakulni 
Annak meg ismert a kapcsolása. Valami egyszerűbb, kevesebb alkatrészből álló dolgot szerettem volna összehozni
Tudom, van a négydiódás cucc - de gondoltam bepróbálkozom ezzel a tranzisztoros dologgal, ez mégis csak aktív elem
Ezt a helyzetet, hogy 4,7k-nál világít egy picit a led, 2,2k-val nem világít a led lehet hogy az opto infraledjéhez méretezte a tervező. Bár akkor is fordítva kéne működnie, az én logikám szerint (is). Ezért jöttem elő a kérdéssel.
Még egyszer köszönöm a segítséget!   |
|
(#59120) etwg válasza diginewl hozzászólására (#59119)
|
Válasz •
|
Ápr 24, 2018 |
|
Kevesebb alkatrésszel megoldhatod, csak nem igy.....
Szerezz egy ferrit gyürüt (10-20 mm átméröjüt). Erre tekerj 0,5-0,8 mm drotbol 4-5 menetet, meg valamilyen vékonyabb drotbol ( amit találsz otthon), ennek a tizszeresét.
Vastagabb drot lesz a primér, amit sorba kell kapcsolni a sinnel. A vékonyabb meg a szekunder. Elvben még az optikoplert is ki lehet hagyni, hiszen a trafo leválasztja galvanikusan a kijelzést a sináramkörtöl.
A szekunderröl egy csucsirányitoval meg egy kondival kapsz egy vezérlöjelet, ami már vigan kapcsolja a tranzisztort. Ez sokkal jobb megoldás DCC-re. |
|
(#59123) etwg válasza etwg hozzászólására (#59120)
|
Válasz •
|
Ápr 24, 2018 |
|
Csatolok (angolul jol tudoknak) egy alapirodalmat, amit immár >40 éve fejlesztenek nemcsak a foglaltság érzékelökröl. Ez a cég inkább a hobbistáknak dolgozik, mint a piacnak és minden megoldásuk nyilvános és müködö ( legalábbis én még nem futottam semmi problémába, pedig az elsö modult még valamikor a 80-s években épitettem egy Sinclair PC-hez).
A linkek:
JLC-1
JLC-2
Alul ott a teljes lista és minden info meg gépkönyv letölthetö.
|
|
(#59124) csíkosháTTú válasza diginewl hozzászólására (#59119)
|
Válasz •
|
Ápr 24, 2018 |
|
Már párszor elmondtuk, elmondtam én is, hogy a nagyon egyszerű kapcsolások miért nem működnek. A kettő, vagy négy diódás megoldások nagyobb berendezéseken nem fognak beválni, akkor sem, ha egy lelkes amatőr (nem lekicsinylésből írtam!!!) építi meg odahaza, és akkor sem, ha az van ráírva, hogy - pl. - Uhlenbrock, és drágán kell megvenni a boltban.
Ezek ragyogóan fognak funkcionálni, ha egyetlen dilikörön, egyetlen vonat fut. Ha komolyabb a pálya, és több vonat is megy egyszerre, akkor már bajban lesznek, és nem fognak segíteni rajtuk a pluszban ráaggatott ellenállások, kodenzátorok sem. Ezek a sártapasztások, tüneti kezelések, és baj okát nem szüntetik meg. (Hogy érthető példát is írjak: egy torokgyulladás okozta lázat lehet csillapítani Nurofennel is, de attól a paciens torka még gyulladt marad.) Nem véletlenül találta ki a Lenz először az LB100-at, majd ennek a további verzióit, és nem véletlenül tűnik bonyolultnak a CSM120F sem. |
|
(#59125) csíkosháTTú válasza etwg hozzászólására (#59120)
|
Válasz •
|
Ápr 24, 2018 |
|
Khmmm... Izééé
A DCC sínjel az négyszög alakú, és vannak bizonyos megkötései a fel- és lefutóélekkel kapcsolatban. |
|
(#59126) etwg válasza csíkosháTTú hozzászólására (#59125)
|
Válasz •
|
Ápr 24, 2018 |
|
S mi ezzel a gond?
A traforol vagy a diodákrol levett feszültséget egy diodán át egy kondira vezetve megkapod a diodán/trafon (feltranszformált) esett feszültségcsucsát - immár DC formában.
Ha a ferritgyürü helyett egy kinai áramszenzirt használsz (1-2€) akkor azon untig elég átvezetni a huzalt ami a sinbe viszi az áramot. A DCC-hez abszolut nem nyul hozzá, hogy annak megváltozzon bármiben is a karaktere (müködése), ahogy a leirt áramválto 4-5 menete sem tesz semmit a jellel. |
|
(#59127) csíkosháTTú válasza etwg hozzászólására (#59126)
|
Válasz •
|
Ápr 24, 2018 |
|
Csak az, hogy a DCC sínjellel sorba kötött, ferritmagos tekercs nem szokott jót tenni a négyszög jelek fel- és lefutóéleinek...  |
|
(#59128) etwg válasza csíkosháTTú hozzászólására (#59127)
|
Válasz •
|
Ápr 24, 2018 |
|
Annak a tekercsnek a DCC oldala legfeljebb 6 menet, ami ha jol számolom, legfeljebb UHF sávban (~100 MHz) okozhat némi gondot, de nem egy 8 kHz-s jel esetében. ( lehet kevesebb menet is, de akkor több kell szekunderre.
Ha valakinek rossz tapasztalatai vannak, akkor probáljon ki egy current sensort, azon csak át kell huzni a vezetéket, (semmi tekercs).
Vannak persze jobbak is, ( egy chipbe integrált Hall szenzor erösitövel stb), de az már drágább.
|
|
(#59129) csíkosháTTú válasza etwg hozzászólására (#59128)
|
Válasz •
|
Ápr 24, 2018 |
|
Nem mértem még, csak tapasztalat. A Fleischmann modellekben követik el azt a hibát, hogy a jobb sínről érkező pólus egy fojtótekercsen át jut a dekóder aljzatára. Az is "csak egy ferrit rúd és pár menet". Mégis képes hülyíteni a dekódereket. De ugyanez a gond előfordul a régebbi Märklin modellek átépítése során is, amikor az ősrégi dekódereket valami korszerűbbre cseréli az ember, és benne felejti a gyári fojtótekercset. |
|
(#59131) diginewl válasza csíkosháTTú hozzászólására (#59124)
|
Válasz •
|
Ápr 24, 2018 |
|
Értem én MesTTer, és a Többiek!
Képzeljétek el, ahogy megnéztem az alábbi képet, és az én technikai és értelmi képességemhez képest ebből összeraktam, egy működő foglaltságérzékelőt!  Ami optocsatolón keresztül viszi a jelzést.

Ez nekem egy nagy csoda volt, hogy működött.
A fenti diskurzus után számomra egyértelmű: ha nem szeretnék nagy asztalt álmodni, akkor a négydiódás, minimális igényű érzékelés bőven elég, ha meg beüt a lottóötös akkor lenz LB100, és nagy asztal
 |
|
|
|
(#59132) etwg válasza csíkosháTTú hozzászólására (#59129)
|
Válasz •
|
Ápr 24, 2018 |
|
1. Itt "tekercs" a dekoder elött van s nem a motornál.
2. A tekecs valoban csak par menet ( vagy meg annyi sem), mig a fojtotekercs több 10 menet.
|
|
(#59133) csíkosháTTú válasza etwg hozzászólására (#59132)
|
Válasz •
|
Ápr 24, 2018 |
|
1: Hát ez az! A bejövő parancsjelet torzítja...
2: A Fleischmann tekercsei valóban kb. 8 menetesek, majd megszámolom... Viszont a Märkiln-é az egy olyan "fojtó", amit pár magyar CATV erősítőben is láthattál anno. |
|
(#59134) csíkosháTTú válasza diginewl hozzászólására (#59131)
|
Válasz •
|
Ápr 24, 2018 |
|
Szia!
Örülök, hogy bevált, és sikerélményed van! Tényleg!  
Csak ez a megoldás tényleg nem jó, ha nagy a forgalom a pályán. |
|
(#59135) etwg válasza csíkosháTTú hozzászólására (#59133)
|
Válasz •
|
Ápr 24, 2018 |
|
Nem akarok nagyon vitatkozni, nem nagyon használok DCC-t, de viszont eddig a JLC megoldásai utcahosszal verték a konkurenciát. Gondolom ezzel az impulzustrafoval sem fogott Bruce Chubb mellé, már kb 25 éve ott van a programjukban.
Megérne egy gyors tesztet. Vannak itt többen akik DcC-ben utaznak valaki majd csak kiprobálja. ( a kapcsolás pillanatok alatt át- (vissza-)alakithato diodásra.)
Itt részletes leirás, amiböl persze untig elég a tesztekre megépiteni a ODDCCbemenetet.
Itt meg csak a rajz.
Csak az elsö IC bementéig kell megépiteni és ott már egy voltmérö kimutatja, hogy müködik-e vagy sem. A C1-n kell megjelennie a jelnek ha foglalt a szakasz.
|
|
|
|
(#59136) proba válasza diginewl hozzászólására (#59131)
|
Válasz •
|
Ápr 25, 2018 |
|
Azt a tranzisztorost nem erőltetném, opto nélkül. Lehet egyszer összeveszik a booster meg a foglaltságérzékelő. ( most sem értem miért szeretik egymást.) |
|
(#59137) diginewl válasza proba hozzászólására (#59136)
|
Válasz •
|
Ápr 25, 2018 |
|
Hali!
Félre NE menjen!!!! A tranzisztoros adta az ötletet! De OPTÓVAL csináltam meg!  Bezony! ÉN találtam ki! 
Így le van választva a DCC az S88-ról. Ez evidencia volt nálam.
Tehát ez az amin kísérletezek: lásd alább.
kezdem érteni a zavart, meg egyéb problémákat.
(Viszont közben műanyag szegőzök, és hajlatíveket építek be. A gyémánttárcsa meg kibírta a gress lap vágást és még maradt is bőven éle, így most elment pihenni. Remélhetőleg megint 10 évig nyugiban lesz) |
|
|
|
(#59138) ZésZoli hozzászólása
|
Válasz •
|
Ápr 25, 2018 |
|
Sziasztok!
Lehet kapni a Tillig TT ágyazatos váltókhoz DCC dekódereel egütt váltóállító berendezést (Tillig vagy Viessmann gyártmány). Kérdésem: Miért jön ki nyégy vezeték a dekóderből (a bekötött kettőn kívül)? Kettő gondolom a sínekre köthető, de hova megy a másik kettő?
Jó amúgy ez a cucc? Van valakinek tapasztalata?
Üdv. |
|
(#59139) etwg válasza diginewl hozzászólására (#59137)
|
Válasz •
|
Ápr 25, 2018 |
|
Nem tudom pontosan hogyan kezeli az S88 a bemeneteket, de elöfordulhat, hogy az opton megjelenö zavarok ( amikkel ebben a kapcsolásban nem törödik senki sem) bizony sirba vihetik az s88-t. Szerintem mindenképpen kellene némi kondi (50-100uF) a LED-l párhuzamosan. Az egy pár tized másodpercig át tudja hidalni az áramszedés hibáit.
A D3 diodának nem igen látom az értelmét. Az minek van ott? |
|
(#59140) diginewl válasza etwg hozzászólására (#59139)
|
Válasz •
|
Ápr 25, 2018 |
|
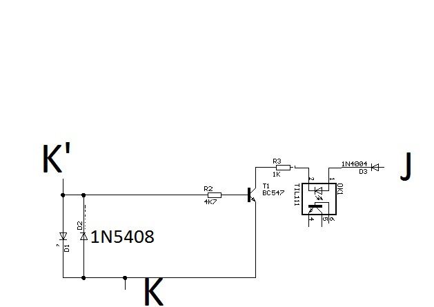
Idézet: „A D3 diodának nem igen látom az értelmét. Az minek van ott?”
Most komolyan? Tőlem kérdezed?  Hát én aztat honnét tudjam? Biztos egy védődióda. De ki fogom próbálni nélküle, mit történik. Legalább egy alkatrészel kevesebb  |
|
(#59141) Lazsi válasza diginewl hozzászólására (#59140)
|
Válasz •
|
Ápr 25, 2018 |
|
Az eredeti rajz alapján attól véd, hogy a tranzisztor B-C diódáján keresztül visszafelé folyjon az áram.
K' - R2 - B-C - R3
Ez akkor történhet meg, ha a K' ponton pozitívabb a feszültség, mint a J ponton.
Emellett az eredetiben nem volt optocsatoló. Abban ugye van egy LED, ami megakadályozza a fordított áramot, csakhogy a LED-ek nem nagyon szeretik a záróirányú feszültséget (elég alacsony feszültségnél tönkre tudnak menni). Vagyis ez a védődióda sem ad teljes biztonságot... De persze függ attól is, hogy a J pont hova csatlakozik. Mert ha biztosan nem lesz a K' pozitívabb, mint a J, akkor nem kell a dióda. Ha előfordulhat, akkor viszont az optocsatoló LED-je a dióda mellett is veszélyben lehet és ilyenkor kellene a LED-del párhuzamosan egy szembekapcsolt dióda (katód a D3 felé, anód az R3 felé). |
|
(#59148) proba válasza Lazsi hozzászólására (#59141)
|
Válasz •
|
Ápr 25, 2018 |
|
Vagy az egész tranzisztoros optos részt átkötni a dióda után egy ellenállással, (K - dióda negatív) értéke nem kritikus, csak a dióda szivárgó áramát elvezesse. Tapasztalataim szerint a led áramkorlátos fordított feszültségre nem megy tönkre (legalábbis rövid távon), de a tranzisztor furcsa dolgokat produkálhat, hiszen a CE diódáját a fordított 5-6V is átüti, ezáltal valamiféle vezérlést kap. |
|
(#59156) csíkosháTTú hozzászólása
|
Válasz •
|
Ápr 26, 2018 |
|
Itt a Lenz LB100, azért ez nem annyira bonyolult ám! |
|
|
|
(#59159) ZésZoli hozzászólása
|
Válasz •
|
Ápr 26, 2018 |
|
Sziasztok!
Jelenleg Marklin Mobile Station 2-vel DCC-zek. Ez van.  Ha szeretnék fejlődni, mi most az ajánlott vezérlő?
- Z21 + WIFI Multimaus?
- Daisy II?
- más?
|
|
(#59166) csíkosháTTú válasza ZésZoli hozzászólására (#59159)
|
Válasz •
|
Ápr 26, 2018 |
|
Felhívnám a figyelmedet, hogy vedd elő a Tillig mozdonyaid dobozából a modellekhez adott leírást! Olvasd el, abban van egy mondat (hevenyészett fordításban):
Idézet: „14V feletti sínfeszültség miatt bekövetkező meghibásodások nem tartoznak a garancia hatálya alá.”
Na most a Märklin MS2 kimenő sínfeszültsége az a mellékelt tápegységének stabilitására van bízva. Ez OK is, csak magas lesz a sínfeszültség TT-hez!
Nem tovább kell fejlődni, hanem lecserélni bármire, aminek a kimenő sínfeszültsége beállítható. Vagy a Tillig által is forgalmazott Daisy2-re (ami egyébként Uhlenbrock gyártmány). Habár a Daisy2 is egy belépő szintű vezérlő, mint a Marklin MS2 is.
A Z21-ből csak fekete lesz nekünk jó, mert annak be lehet állítani feszültségét. Csak annak azért van ám egy olyan baja, hogy egy hagyományos kezelőnek tekered a gombját, kapcsolod a funkciókat, miközben nézd is a vasutadat! Ezt egy okos telefonnal vagy tablettel vezérelt pálya esetén nem, mert azt kell nézned, hogy hol tapizod éppen az érintőképernyőt...
Mennyi a költségkeret, amit rászánsz?
Mert a Daisy2 és a fekete Z21 az nincs egy árkategóriában.
Egyébként egy nanoX-s88 az egy agyonverhetetlen valami, és nekünk, TT-seknek is jó. |
|
(#59169) ZésZoli válasza csíkosháTTú hozzászólására (#59166)
|
Válasz •
|
Ápr 26, 2018 |
|
Eddig H0-ban az MS2-t használtam ESU lokpilot V4.0 dekóderekkel. Sínfeszt nem mértem, de gyakran órákig be volt kapcsolva. Nem stabilizált tápja?
Nem is a rászánt összeg érdekes, hanem hogy ne legyenek korlátok. Pl. minden hangot meg tudjak szólaltatni, minden funkciót kapcsolni, könnyen programozni (ehhez egyelőre nem értek), legyen consist mód stb.(esetleg könnyen kitérőket, jelzőket állítani)
A Z21-ből a feketét gondoltam egy WIFI-s multimaussal. Ehhez tényleg külön router van/kell? A Roco oldalán külön írja a központ és a router méreteit. Nincs beépítve?
A nanoX-s88 egy jó valami? Ez az, amit te árulsz? Az oldaladon nem találtam.
A Daisy II a bemutató videók alapján egyszerűnek tűnik és ott, ha jól értem, USB-vel gépre is köthető a központ egy adapterrel. Azon keresztül gondolom nagyon felhasználóbarát a programozás is, nem?
|
|
(#59176) csíkosháTTú válasza ZésZoli hozzászólására (#59169)
|
Válasz •
|
Ápr 26, 2018 |
|
A Z21 az négy darabból van: Z21, tápja, router, tápja. A WIFI-s MultiMaus egy parasz.... egy földműves látásának homályossá tételére szolgáló valami. Semmi értelme, egy csomó szolgáltatás nem érhető el vele, nem jegyzi meg hogy hol hagytad el ez előző mozdonyt, amikor egy másikról visszaváltasz rá, stb, stb.
Nézegeds meg a Lenz SET100-at is. |
|
(#59178) ZésZoli válasza csíkosháTTú hozzászólására (#59176)
|
Válasz •
|
Ápr 26, 2018 |
|
Ok! Köszi!
Ahogy nézem, ez a nanoX-s88 egy építhető valami. Mivel kell vezérelni?
Megnézem a Lenz-t is. |
|
(#59188) ZésZoli válasza csíkosháTTú hozzászólására (#59176)
|
Válasz •
|
Ápr 27, 2018 |
|
Háát... Megnéztem a SET100-at. Biztos megbízható és szuper dolgokra képes, de azt mondanám így távolról, hogy nem egy felhasználóbarát valami azzal az egy soros pálcikakijelzővel, egy szem villogó LED-del és nyomógombos menetirányítással. 4 éve van okostelefonom, addig maszívan ellenáltam és rövid próbák után visszatértem a jó kis Nokia butatelefonokhoz, de négy éve eljött az idő (szerintem), amikor egy Iphone 5s már hozta azt a szintet, hogy napi használatban megfeleljen.
A szervizesek, mint a riasztószerelő és a kazános kiválóan elboldogulnak egy 3, vagy 8 digites kijelzővel és csodákra képesek egy néhány gombos tasztatúrával  , de én egy mezei, buta felhasználó vagyok, aki modern élményre vágyik.
Az MS2 ilyen szempontból jó cucc, csak kicsit korlátolt. Szeretem, hogy le lehet rakni az asztalra, mint egy pult.
Ez a SET100 amúgy mindent tud, amit egy Multimouse, vagy Daisy II nem?
Mi a céleményed a Central Station 3-ról? Annál az érintőkijelző nem annyira szimpatikus, de van tekerőgomb és elvileg minden tud.  |
|
(#59217) ZésZoli hozzászólása
|
Válasz •
|
Máj 3, 2018 |
|
Sziasztok!
Csíkos mester tanácsára lejjebb vettem a Mobile Station 2 bemenő feszültségét úgy, hogy a Tillig TT-szetthez adott PWM menetszabályozó 15,8 V-os tápját csatlakoztattam hozzá. Remélem ez már jó lesz TT-hez.
Kaptam kölcsön két ESU 6 tűs Lokpilot V4 dekódert, amit be is tettem a mozdonyokba (TT Tillig V80 és Roco BR80. A V36-ba nem fért be).
A V80-as minden bekapcsolás után nem reagál semmit. Ki tudom olvasni a CV-ket és megmarad a címe is. Ha újra beírom ugyanazt a címet, akkor hajlandó elindulni és minden ok a következő áramtalanításig, amikor újra nem reagál.
Ez miért lehet?
Csíkos mester! Megjöttek a nekem ajánlott 6 tűs mini dekóderek, amik a héten jönnek? |
|
(#59220) csíkosháTTú válasza ZésZoli hozzászólására (#59217)
|
Válasz •
|
Máj 3, 2018 |
|
Tudja az ESU, hogy mi lehet ez... Ha tudja...
Még nem jött meg a Zimo szállítmány, sajnos, pedig javításra küldött dolgokat is várok vissza tőlük... |
|
(#59223) ZésZoli válasza csíkosháTTú hozzászólására (#59220)
|
Válasz •
|
Máj 3, 2018 |
|
Értem!
Továbbra is vezérlő téma:
Van egy eladó Hornby Elite vezérlő az indexes börzén. Állítólag Lenz alapú. USB-vel gépre is köthető, és úgy könnyen programozható. Erről mi a vélemény?
Esetleg Intellibox 2? Azt ismered?
Valamelyik jobb? Nem jobb? Ajánlott? Nem ajánlott?
Lenz csak rendelésre jön. Tran meg ugye nincs... de jobban szeretnék valami pultszerű cuccot, mint kézivezérlőt.
Itthon amúgy csak és kizárólag Roco és Marklin vezérlőket kapni.  |
|
(#59224) ZésZoli hozzászólása
|
Válasz •
|
Máj 3, 2018 |
|
Er a Hoenby rendszer eléggé "advanced":
Videó
egér, mint kézivezérlő.  |
|
(#59225) ZésZoli válasza ZésZoli hozzászólására (#59223)
|
Válasz •
|
Máj 3, 2018 |
|
Kérdésem TT sínfesz témában:
Az Intellibox II-höz ajánlott trafó az Uhrenblock 20075. Ez kétféle kimeneti feszültséget ad. N és TT mérethez ajánlják a 12V-ot, H0-hoz a 15V-ot.
Az Intellibox II bemeneti feszültsége a kézikönyv szerint 16-18V-kell legyen és ezt a trafót ajánlja a kézikönyv is, de nem tesz említést a méretnagyságokról.
Most akkor hogy van ez?
|
|
| |
2026. Máj, 24. Vas 16:05:04 |
| |
Jelenleg 12 fő olvassa az oldalt |
|
|