|
|
|
DCC profiktól (nem csak) profiknak
|
Témaindító: Frankye, idő: Jan 23, 2013
Témakörök:
|
|
|
(#44148) enamessias hozzászólása
|
Válasz •
|
Ápr 19, 2015 |
|
Sokan kérdezték tőlem, hogy mi lett az ESU ECoS 2 sorsa. Ma, úgy fél év után előszőr, újra elővettem. Meg akartam járatni a mozdonyokat. Az érintés érzékelése ugyancsak nem működött. Mivel már nem garanciális, hát szétkaptam. Az egész javítás nem volt 5 perc. Elég egyszerűen szétszedhető és a hiba is banális volt. 2 vaspánt 4 csavarral röbzíti a kijelzőt a helyére. Mind a négy csavaron kitekertem egy fél furdulatot és máris helyrejött. Egyszerűen túlhúzták őket.
Dekoder füstölés a jobb oldali kezelő szervek cseréje óta nem volt. Most hogy tudom kezelni a központot, majd végig próbálom minden mozdonyom és dekoderem. Idő hiányában ezt ma már nem fogom tudni befejezni. |
|
(#44151) diginewl válasza somitomi hozzászólására (#44141)
|
Válasz •
|
Ápr 19, 2015 |
|
Akkor egy diódahíd a DCC sínjelre, és utána egy DC állásban mérő műszer (+1,5V). Akkor nem lesz nagy az eltérés.
Ehhez vettem én Medvend bácsitól egy világítós feszültség mérőt. Eléje tettem egy diódahidat (Graetz), és így csíptetem a sínre a két vezetéket. Szépen lehet látni, miként ingadozik a feszültség a sínbe, ha pl. vékony vezetékkel dolgozol. Nagyon tanulságos lehet... utólag  |
|
(#44152) diginewl válasza enamessias hozzászólására (#44148)
|
Válasz •
|
Ápr 19, 2015 |
|
Hali! Na látod  ha már egyszer a szakmában vagy, érdemes szétkapni. A dekóderfüst is lehetett ebből: pl beterhelte a dekódert egy csomó felesleges paranccsal, amit te ki sem adtál...
Remélem most már tényleg tudsz vele rendesen is dolgozni!
 |
|
(#44272) palwolf hozzászólása
|
Válasz •
|
Ápr 24, 2015 |
|
Sziasztok!
A következő kérdésem lenne: egy mozdonyon szeretném az irányváltó világítást "megfordítani", tehát ha az előre parancsot adom ki, akkor a mozdony elején a vörös zárfény égjen, hátul pedig fehéren, illetve fordított esetben hátrafelé menetben hátul a vörös zárfény, elöl a pedig fehér ledek égjenek.
A dekóder egy Zimo MX623P12 (PluX12).
A Zimo kézikönyvét átnézve, a CV33 és CV34 értékeit felcsérelve működhet a dolog?
Válaszokat előre is köszönöm. |
|
(#44277) csíkosháTTú válasza palwolf hozzászólására (#44272)
|
Válasz •
|
Ápr 25, 2015 |
|
Igen!
A Zimo is, mint még sok mindenki, alapban az NMRA szerint teszi rendezhetővé a funkciókat. (Pontosabban a kibővített Zimo Mapping-et, de ebben az esetben ez nem játszik.) Alap esetben a CV33 értéke 1, vagyis előre mentben az előre fényszórók világítanak. CV34 értéke alapban 2, vagyis hátra menetben a hátra felé beszerelt világítás megy. Ha felcseréled, vagyis CV33=2, és CV34 =1, akkor ez megfordul. |
|
(#44278) diginewl hozzászólása
|
Válasz •
|
Ápr 25, 2015 |
|
Kapható a digitools 3.x digidrive mozdonydekóder. |
|
(#44348) bambi75 hozzászólása
|
Válasz •
|
Ápr 30, 2015 |
|
Sziasztok!
A Paco oldaláról elkészítettem a 4 szervót (váltót) vezérlő elektronikát. Elég darabosan mozgatja a szervót és bekapcsoláskor (is) ugrik egy elég rendeset a szervó. MultiMaus-sal próbáltam ki. Korábban volt róla szó, de most nem találtam, hogy nem a MultiMaus tápegységét kell hozzá használni, hanem venni kell egy másikat. Egyik kérdésem az, hogy ha veszek egy másik tápot, akkor a tápot rákötöm a Multimausra a saját tápja helyett? Ha így teszek, akkor jó lesz a szervovezérlő vagy inkább felejtős a Paco megoldása? 4 db-ot készítettem most (lendületben voltam)  , de ha nem jó, akkor inkább nem is foglalkozom vele csak ajánljatok helyette akkor valami jobbat. Köszönöm a válaszokat. |
|
(#44395) Topi válasza bambi75 hozzászólására (#44348)
|
Válasz •
|
Máj 3, 2015 |
|
A szervóknak (még a 9g-os microservoknak is) nagyon nagy az áramfelvétele csúcsban. 1-1.5A-t minden probléma nélkül felvesz. A Roco trafója (akár a régi trafós, akár új kapcsolóüzeműs) maximum arra alkalmas, hogy pár mozdonyt és magát a maust működtesd. Több terhelést semmiképp nem akasztanék rá.
Mindenképpen külön tápegységről hajtsd, úgy próbáld ki. Ha úgysem akkor kell tovább keresgélni hibák után. |
|
(#45411) csíkosháTTú hozzászólása
|
Válasz •
|
Júl 9, 2015 |
|
Én ugyan nem rajongok a TAMS dekóderekért, de egy meggondolandó akció:
Klikk ide! |
|
(#45545) v43.1223 hozzászólása
|
Válasz •
|
Júl 16, 2015 |
|
Sziasztok!
Segítségre lenne szükségem. Egy mozdonyt (PIKO BR118) digizek és a két alsó fény világítását két színű (sárga/vörös) LED-ekkel oldottam meg, melyek két lábbal rendelkeznek, azaz az egyik polaritásnál sárgát, a fordított polaritásnál pedig vöröset világítanak. A felső fény csak egyszínű sárga. A bekötés után digizve azt tapasztalom, hogy csak a vörös szín működik hátul helyesen, irány szerint, viszont elöl a sárgák nem. (Ha a foglatban megfordítanám a bekötést, akkor gondolom meg csak a sárgák lennének jók, a vörösek meg nem). Gondolatom szerint a dekóder (ESU Lokilot, vagy ESU OEM is próbáltam, ua.) a LED-knek csak az egyik irányban ad vezérlést, a másikban nem, ezért van csak egy színű fényem.
Kérdés: a foglalat bekötés változtatásával vagy a dekóder CV-kel való beállításokkal lehet-e megoldást találni a dologra? Biztos már többen csináltatok ilyet, de nekem ez az első kétfényű modellem. Köszönöm a segítséget! |
|
(#45546) csíkosháTTú válasza v43.1223 hozzászólására (#45545)
|
Válasz •
|
Júl 16, 2015 |
|
Több hibát is elkövettél, ez egyiket a szegecsszámlálók teszik majd szóvá, ezzel kezdem:
- A BR118-nak külön lámpája van a zárfényekhez, méghozzá az alsó fényszórók felett egy-egy.
- A dekóderek a negatív ágat kapcsolják mindig! A közös vezeték, vagyis a kék színű, az a pozitív ág, a sárga és a fehér (meg az összes többi funkció, zöld, lila) "kimenete" az a negatív. Mivel a LED nem izzó, nem mindegy, hogy melyik lábát hova kötöd.
Sajnos ez a megoldás azzal a kétfényű LED-del, amit használtál a fenti két ok miatt nem lesz jó.
- Mivel ez a tipusú dual LED fénye attól függ, milyen a rákapcsolt feszültség polaritása, így egyik esetben nem fog világítani az egyik fele, mert a dekóder nem tud polaritást fordítani a funkció kimenetén.
- Nem is élethű ráadásul.
Egy kép egy eredeti példányról:
klikk ide!
A vörös lámpák imitációja meg van a régi Gützold (PIKO dobozban is volt anno) modellen is. |
|
(#45606) v43.1223 hozzászólása
|
Válasz •
|
Júl 19, 2015 |
|
Köszönöm a jó tanácsokat Csíkos Mester! A profiktól tanulni nem szégyen. A szegecsszámlálók kevésbé izgatnak, pontosan tudom hol a zárfény helye. Azért került oda, ahova, mert a két led nem fér el, smd-t meg még nem tudok technológiailag forrasztani. Jó pap is holtig tanul....
A dekóder működésére vonatkozó tanácsot is köszönöm, ez is egy fontos dolog. A javítást el fogom végezni és bár kezdő dcc-s vagyok, én is a profizmusra törekszem. Az ominózus Br118 digizését megelőző motorcsere (5. p.Bühlerre), pl. szépen sikerült és még felemás világítással is bár, de a modell minősége ugrásszerűen nőtt. Tudom nektek profiknak ez kis lépés, de nekem egy óriási....Még egyszer köszönöm a segítséget! |
|
(#45614) proba válasza v43.1223 hozzászólására (#45545)
|
Válasz •
|
Júl 20, 2015 |
|
Esetleg két kimenet közé kösd a ledeket , mindkét kimeneten egy egy felhúzó ellenállással. |
|
(#45617) csíkosháTTú válasza v43.1223 hozzászólására (#45606)
|
Válasz •
|
Júl 20, 2015 |
|
Közben találtam egy szalmaszálat, amibe kapaszkodhatsz!
A mellékletben a Tran DCX76 dekóder használati utasítása, van benne egy rajz a dual LED-hez, ami Neked is van.
|
|
|
|
(#45685) nohab 74 hozzászólása
|
Válasz •
|
Júl 24, 2015 |
|
Sziasztok! Ebben a nagy nyári melegben kaptam egy kis nap szórást  .Arra az elhatározásra jutottam,hogy el kezdem a meglevő digitálisan előkészíttet mozdonyaimat dekóderrel el látni .Mivel Magyar vagyok a magyar termékeket részesítem előnyben. Ezt a két gyártót találtam1 Bővebben: Link 2 Bővebben: Link melyiket ajánlotok?.A válaszokat élőrei köszönöm  .A vezérlést roco multimaus 2 szeretném megoldani .
|
|
(#45687) csíkosháTTú válasza nohab 74 hozzászólására (#45685)
|
Válasz •
|
Júl 24, 2015 |
|
A ROCO vezérlőjét szerintem felejtsd el. A fórumon leszűrhető modellezési "forgalmadat" nézve pár hónap alatt kevés lesz. Csak teszel egy felesleges kitérőt. Nem beszélve arról, hogy kapásból egy plusz 7000Ft-os kiadás elé nézel, mert a gyári tápegységét le kell cserélni! Remélem egyébként, hogy nem a régi LokMaus2-re gondoltál, mert az végképp elavult, reménytelen vele bármit is kezdeni, hanem a MultiMaus-ra, az még istenes.
A DigiTools még OK, a másikról inkább nem írok semmit. Mozdonydekóderek esetében az élvonal nem idehaza van, itt nem érdemes nagyon a nemzeti érzelmekre hallgatni. Persze, mindenki úgy gyötri magát, ahogy akarja.
Egyébként topicunk gazdája is gyártogat ám DCC cuccokat  )) |
|
(#45688) nohab 74 válasza csíkosháTTú hozzászólására (#45687)
|
Válasz •
|
Júl 24, 2015 |
|
Köszönöm a segítséget akkor DigiTools dekódert fogom kicsit előnyben helyezni Én ere gondoltam Mester .Kép a nettről |
|
|
|
(#45689) csíkosháTTú válasza nohab 74 hozzászólására (#45688)
|
Válasz •
|
Júl 24, 2015 |
|
OK, ez a MultiMaus. De kell hozzá egy másik tápegység, ha nem akarsz idő előtt ősz, és kopasz lenni...  |
|
(#45690) nohab 74 válasza csíkosháTTú hozzászólására (#45689)
|
Válasz •
|
Júl 24, 2015 |
|
Oké erről még beszélünk amikor elég vastag lesz a pénztárca a beruházás hoz.  |
|
(#45731) piltdownman válasza csíkosháTTú hozzászólására (#43507)
|
Válasz •
|
Júl 26, 2015 |
|
Idézet: „A DCC sínjelben a legritkábban fordul elő olyan bit, amikor a jel egyforma ideig van a pozitív, és a negatív tartományban.”
Elvileg egy bit mindig egy teljes periódusú négyszög jel, két egyforma idejű , de különböző polaritású jelből,(névlegesen az „1” két 58us-os, az „0” két 100us –os részből) áll. Ennyire (mennyire?) elrontja egy booster?
|
|
(#45741) csíkosháTTú válasza piltdownman hozzászólására (#45731)
|
Válasz •
|
Júl 26, 2015 |
|
Neeeem így értem! 
A bitsorozatok aszerint változnak, hogy a vezérlőn milyen parancsokat adsz ki, és mennyit, mennyi címre...
Egyébként értelmetlen tök pontosan a DCC sínkimeneten mérni a feszültséget. Elegendő azt tudni, hogy az eszközben, ami a sínjelet adja, a kimeneti H-hídat mekkora tápfeszültségről járatjuk. Elvlieg ez egy stabilizált egyenfesz, a FET-eken eső feszültség meg elhanyagolható. |
|
(#45796) v43.1223 válasza csíkosháTTú hozzászólására (#45617)
|
Válasz •
|
Júl 28, 2015 |
|
Köszönöm, ki fogom próbálni. Jelentkezem az eredménnyel! |
|
(#45797) v43.1223 válasza proba hozzászólására (#45614)
|
Válasz •
|
Júl 28, 2015 |
|
Köszönöm, ki fogom próbálni! |
|
(#46176) rizsa hozzászólása
|
Válasz •
|
Aug 17, 2015 |
|
Sziasztok!
Van valakinek tapasztalata a Trainmodules NaWi digitális központjáról?
Esetleg árat is tud valaki? Az oldalukon csak rövid tájékoztató van, de ár nincs.. Írtam a címükre, csak nem kaptam választ. 
Köszönöm előre is.. |
|
(#46212) roozsa hozzászólása
|
Válasz •
|
Aug 20, 2015 |
|
Sziasztok!
Találtam LMD-18200 IC-ből épített booster kapcs. rajzot.
Van valakinek személyes tapasztalata? Roco multimaus használható ehhez a boosterhez?
Köszi. |
|
|
|
(#46476) piltdownman hozzászólása
|
Válasz •
|
Aug 30, 2015 |
|
Ide írogatnék, nem szennyezném a „TT klubbtopic” –ot.
Idézet: „Ez gyakorlatilag egy pillanatra rövidzárat okoz ( innen a szikra). Ami azonban a dekodér számára fatális, hiszen a bemenete lesz rövidre zárva igy nem segit rajta a puffer kondi sem, mert az is kisül a rövidzár hatására, a dekodér meg rendszerint ujra indul innen a szaggatott menet. ”
Egy Graetz-en lévő elkót a bemeneti oldali rövidzár nem süti ki, hisz’ a diódák záró irányban vannak, a puffert csak a saját terhelés üríti.
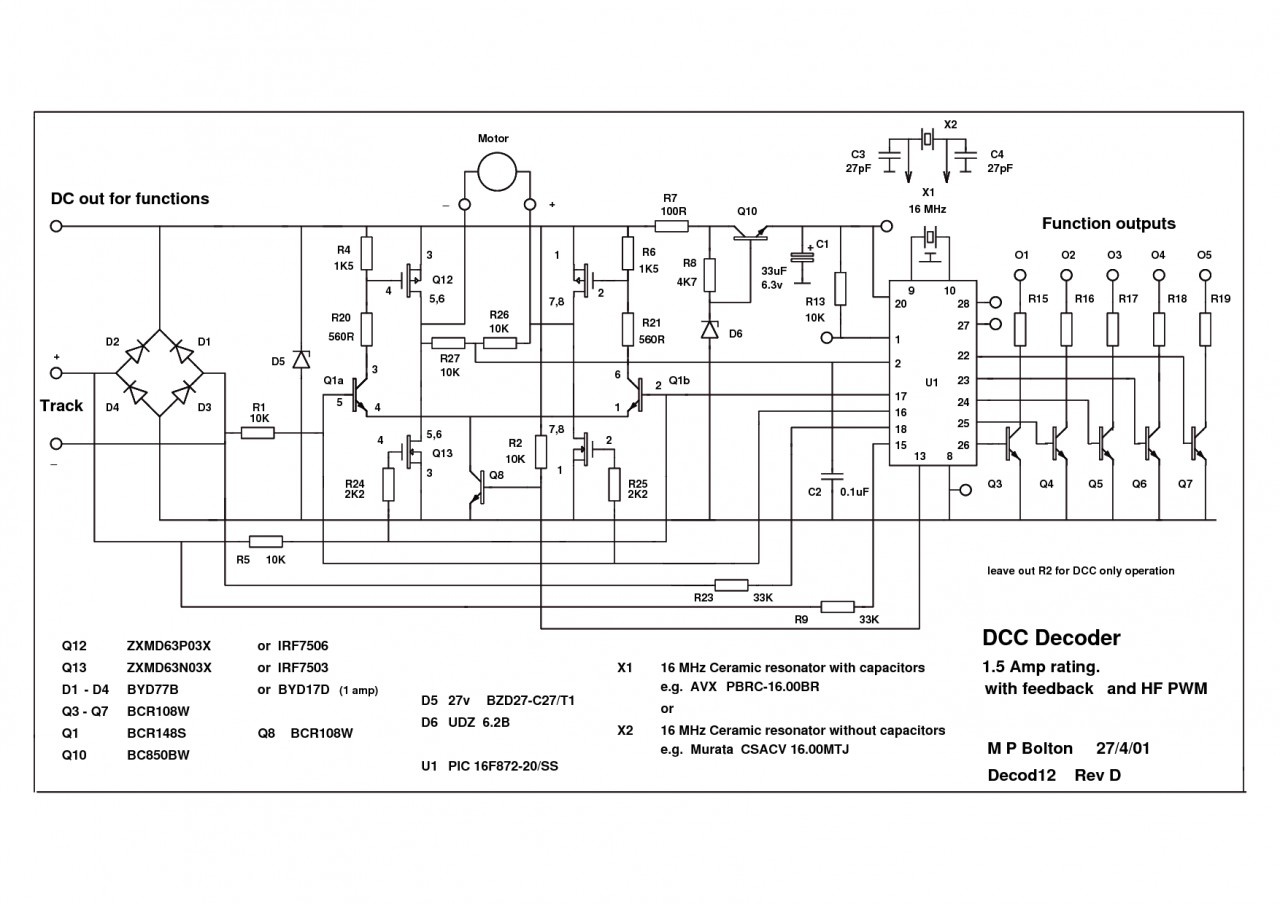
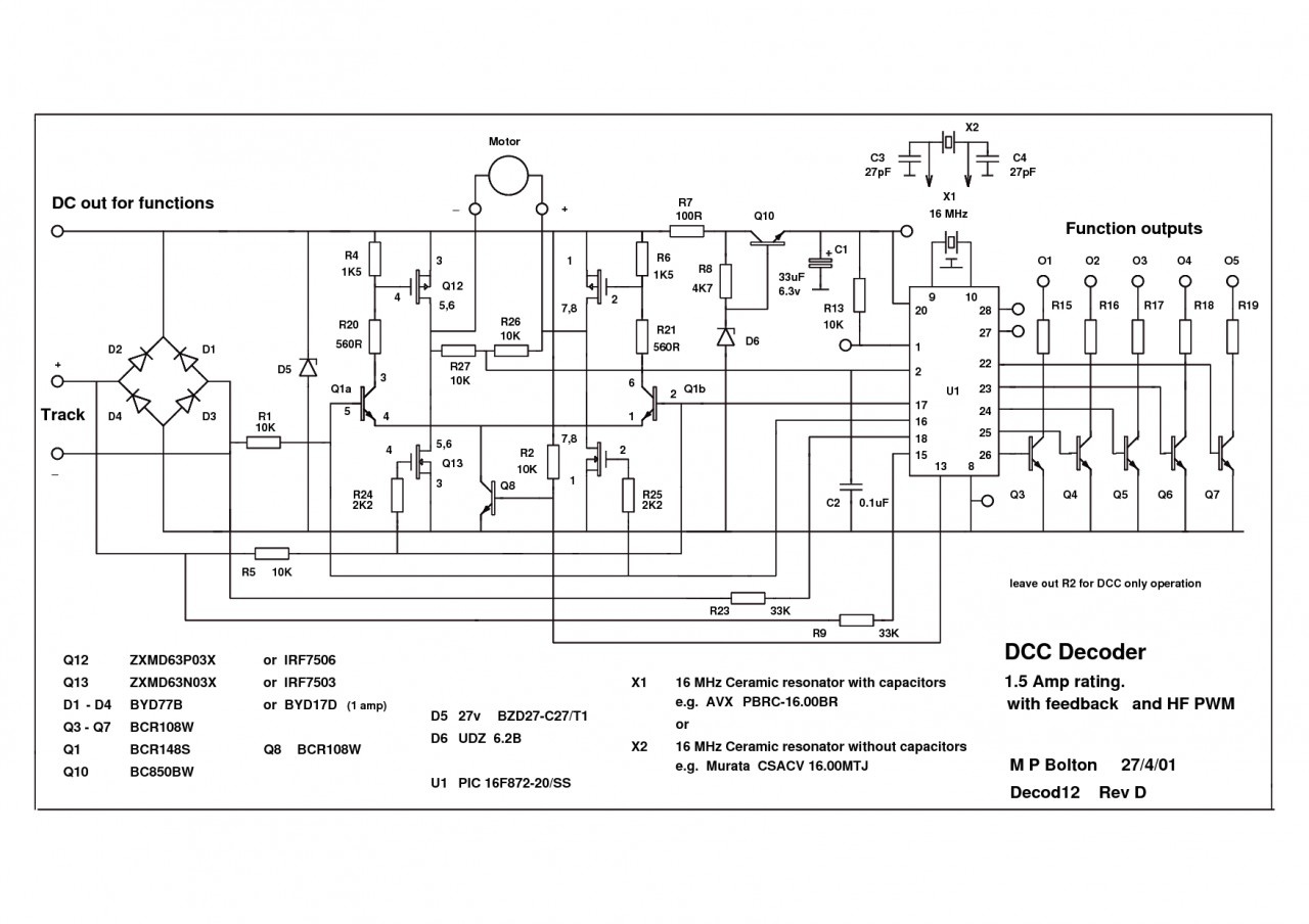
Mellékelve az egykor általad linkelt kapcs.rajz. Láthatólag rossz helyen van a C1 és nincs arról sem gondoskodva, hogy tápfesz kimaradás esetén ne reset-ből induljon a uC. Így csak kb. 3ms áll rendelkezésre a BOR előkészítéséhez, amennyiben egyáltalán foglakozott ezzel az alkotó. Ha a gyári dekóderek is hasonlóak, akkor van még keresnivalóm a pályán és köszönettel venném, ha tudnátok gyári dekóderkapcsolást küldeni, tanuló típus vagyok.
Bár nem volt kezemben sem gyári booster, sem gyári dekóder, a saját küszködésem és egyéb tapasztalatok alapján az alábbiakat állítom.
A boostereket több hibája lehet:
- zárlatot rosszul kezeli, tranzienssel éled fel a meghajtó kapcsoló üzemű tápegység belengése miatt,
- „B” osztályú torzítása van,
- gerjed mondjuk 100MHz-n (különösen a diszkrét MOSFET-es hajlamos rá), ezt gyalog digitális oszcilloszkóppal nem lehet kimérni, ráadásul a gerjedés időszakos,terhelés függő.
Ezek alapján egyértelműen el lehetne dönteni melyik booster jobb, természetesen az ár, tartósság, kezelhetőség, esztétikai stb. szempontok kizárásával.
A dekóderekben lévő kontrollereknek az ideális DCC jel feldolgozása nem ellenfél (persze ott van a fordulatszám szabályozás), annál inkább a fenti valamint a motor saját illetve a sín-kerék találkozás miatti szikrák okozta problémák kiküszöbölése.
A dekóderek zajérzékenység szempontjából történő kiválasztáshoz van egy eszköz. Ezt a rossz fiúk miatt ne írnám le, de Füreden nagy valószínűséggel ki tudtam volna fektetni egy-két dekódert sétálás közben. |
|
|
|
(#46485) etwg válasza piltdownman hozzászólására (#46476)
|
Válasz •
|
Aug 30, 2015 |
|
Ez mind igy van, de érdemes lenne megvizsgálni, hogy mi történik, ha a processzor tápot kap ( a pufferkondibol) de egyidejüleg a bemenetein rövidzár jelenik meg (15. 18. -s lábak a kapcs rajzon az elvileg a DCC jel amit fel kéne dolgoznia).
Szoval lehet rengeteg ok, mikor melyik proci higyan reagál az ilyen átmeneti állapotokra. Kérdés az is, hogy egyáltalán foglalkozik valaki ilyesmivel, vagy eleve kizárja az ilyen hibát.
 |
|
(#46505) csíkosháTTú válasza piltdownman hozzászólására (#46476)
|
Válasz •
|
Aug 31, 2015 |
|
Idézet: „...és köszönettel venném, ha tudnátok gyári dekóderkapcsolást küldeni,...”
Belinkelted a MERG rajzát.  Azon rajta van minden. Egyik gyári dekóder sem különb. A kapcsolástechnika adott. A prociba írt szoftver a sava-borsa a dolognak.
Visszatérve a pillanatnyi rövidzárlatok okozta nyűgökre:
Tételezzük fel, van egy ilyen valamiért a pályán, de olyan rövid mértékű, hogy az erősítő zárlatvédelme nem lép működésbe. Történik pár dolog:
1: kimarad a sínjel, ezzel a dekóder tápfeszültsége és a parancssor is. Jobb dekóderekben szoftveres pufferelés van a parancsokra, így, ha az átmeneti tárolóba beragad egy parancs, lehetnek érdekes, és rejtélyes dolgok.
2: gyengébb erősítők vége leül, majd újraindul, és be is leng, jókora "marhaságokat" vegyítve a normális jelfolyamba. |
|
(#46509) etwg válasza csíkosháTTú hozzászólására (#46505)
|
Válasz •
|
Aug 31, 2015 |
|
Steve a tápfeszültség nem marad ki, azt megtartja a dekoder kondija ( az mindegyikben van arra az 5V-ra ahonnan a proci kapja a tápot). Igy az tovább müködik, csak a bemeneten nem lesz DCC jel, ill. a kimeneti hid sem kap áramot ( mert az rendszerint nincs pufferelve - ahhoz kellene a jo nagy kondi). Ilyenkor természetesen nem lesz a terhelésszabályzon sem áram, igy a proci sem igen tud mire reagálni. Pontosan ez a kérdés, hogy ilyen esetekben mi is történik, ki hogyan kezeli az ilyen balhét. ( nyilvánvalo, higy erre a booster nem reagálhat, mert az még nagyobb gond lenne).
|
|
(#46517) csíkosháTTú válasza etwg hozzászólására (#46509)
|
Válasz •
|
Aug 31, 2015 |
|
Persze, hogy a prociesszor tápja marad, csak információja nem lesz, hogy most mit is csináljon? Gyakorlatilag tök mindegy. A baj az, hogyha ezek a pillanatnyi zárlatocskák úgy követik egymást, hogy az átmeneti tárolóban nem tud rendesen felülíródni a parancs, na akkor van baj. |
|
(#46805) piltdownman válasza csíkosháTTú hozzászólására (#46517)
|
Válasz •
|
Szept 12, 2015 |
|
U=(1/C) *I*t
Egy 10mA-es kontroller áram a 33u-os kondenzátor 5V-os feszültségét 3,3ms alatt csökkenti 4V-ra, a uC tápfesz. csökkenés miatti reset komparálási szintjére,(BOR). Ekkor persze nincs idő EEPROM-ba menteni adatokat, a RAM meg felejt, persze hogy ugrik és mekeg a mozdony, ha 3.3ms időnél hosszabb ideig nincs táp ill. DCC jel.
A melléklet szerint á.k.-nál mondjuk 12V-ról járatott DCC jel megszűnése esetén kb.20ms áll rendelkezésre,hogy a kontroller működjön ill. a mentésre. Egy hátránya van: a tantál min.12V-os, így nagyobb méretű, nem beszélve arról, hogy TA kond.-nál a névleges fesz. igénybevétele kétszeresének kéne lennie a fesz.tűrésnek.
Fusizz át egy dekódert.
Használt kontroller típusokat tudnátok mondani? Gondolom a profik ARM-ek. Kösz.
|
|
|
|
(#46836) csíkosháTTú válasza piltdownman hozzászólására (#46805)
|
Válasz •
|
Szept 14, 2015 |
|
Általában Atmel a proci, de sűrűn előfordul (főleg nagyobb dekóderekben) PIC is. |
|
(#47285) kvic80 hozzászólása
|
Válasz •
|
Okt 6, 2015 |
|
Sziasztok!
Van egy Roco startszettből származó BR 218-as mozdonyom. Ebben integrálva van a dekóder. Gyárilag 1-1 LED van rajta (fehér kockák), az világít, amerre megy, a 4 fekete vezeték a sínből szedi a tápot. Látom, hogy van egy csomó forr.pont a lapkán, de nem tudom, lehet-e rákötni még valamit és hová mit. Erre ötlet/tapasztalat valakinek esetleg? Mondjuk jó lenne piros ledeket bekötni, a fényvezető megvan hozzá, csak LED és bekötés nincs.
|
|
|
|
(#47287) csíkosháTTú válasza kvic80 hozzászólására (#47285)
|
Válasz •
|
Okt 6, 2015 |
|
Szia!
Erre nincs lehetőség. A ROCO egy rövid ideig árulta így ezt a modellt, nem vett többet attól a gyártótól ilyen dekódert. Sajnos sem a processzor szoftverében, sem a funkció kimeneteken nincs lehetőséged zárfényeket betenni, mert az integrált dekódernek nincs tartalék funkciója egy sem. Legfeljebb az járható út, hogy megkeresi az ember a LED-ek előtét ellenállásait, és azokkal párhuzamosan kapcsolva, csak az ellenkező oldara telepítve kötsz be egy-egy soros ellenállással egy-egy piros LED-et.
(Ha vontatsz vele, akkor ennek nincs értelme, mert a zárfény csak gépmenetben, vagy tolt ingavonatnál van bekapcsolva. Utóbbi esetben meg a fényszórók nincsenek bekapcsolva.) |
|
(#47291) kvic80 válasza csíkosháTTú hozzászólására (#47287)
|
Válasz •
|
Okt 6, 2015 |
|
Ok, kösz a választ! |
|
(#47769) imi972 hozzászólása
|
Válasz •
|
Okt 21, 2015 |
|
Üdv mindenkinek!
Keresek Piko vt137 DRG motorkocsihoz ESU v3.5-ös hangdekóderhez hanganyagot. Akinek van, esetleg tud helyet ahonnan letudom tölteni, az kérem ne tartsa magában. Köszönöm!
A kép forrása: internet |
|
|
|
(#48192) hkrisz79 hozzászólása
|
Válasz •
|
Nov 9, 2015 |
|
Mesterek! Tudja valamelyikőtök, hogy ez miféle dekóder lehet? Valami őskövület, csak 28 sebkót tud. |
|
|
|
(#48193) csíkosháTTú válasza hkrisz79 hozzászólására (#48192)
|
Válasz •
|
Nov 10, 2015 |
|
Lenz 1025 |
|
(#48196) hkrisz79 válasza csíkosháTTú hozzászólására (#48193)
|
Válasz •
|
Nov 10, 2015 |
|
Hálás köszönet!  Számítottam rá hogy ön lesz az aki csípőből megmondja.  Hmm viszont akkor tudnia kellene a 128 sebességfokozatot. Azt hiszem este rá kell ellenőriznem még 1x. |
|
(#48201) csíkosháTTú válasza hkrisz79 hozzászólására (#48196)
|
Válasz •
|
Nov 10, 2015 |
|
Ez a verzió sajnos nem fogja tudni, ezt anno a ROCO-nak csinálták még. |
|
(#48208) hkrisz79 válasza csíkosháTTú hozzászólására (#48201)
|
Válasz •
|
Nov 10, 2015 |
|
Megnyugtató, mert akkor mégsem én bénáztam tegnap este. Már elég késő volt és az is benne volt, hogy benéztem. Nem értem, hogy miért nem rakják rá a gyártók a nevüket és / vagy a típust a dekóderekre... Már annyiszor jól jött volna.  Ez már a többedik dekóder ami hozzám kerül és nem tudom hogyan nyúljak hozzá. Persze, lehet próbálkozni meg találgatni csak az ugye nagyon időigényes. Profi meg nem vagyok mint egyesek, hogy reápillantok és annyi. |
|
(#48212) csíkosháTTú válasza hkrisz79 hozzászólására (#48208)
|
Válasz •
|
Nov 10, 2015 |
|
A CV8-ban ott van mionden dekóderben a gyártó kódja, csak ki kell olvasni. Az NMRA honlapján meg mindig frissül a kódok megfejtése, ahogy újabbak jelennek meg (persze, ha kérnek is kódot). Mondjuk az ilyen vizsgálódásokhoz nem árt, ha olyan a vezérlő, ami olvasni is tud... |
|
(#48218) hkrisz79 válasza csíkosháTTú hozzászólására (#48212)
|
Válasz •
|
Nov 11, 2015 |
|
Igen, sajnos nekem egyenlőre csak egy Multimausom van.  |
|
(#48219) csíkosháTTú válasza hkrisz79 hozzászólására (#48218)
|
Válasz •
|
Nov 11, 2015 |
|
Ki kell cserélni a "közepét" a rendszernek (mármint a 10764-es erősítőt) egy nanoX-s88-ra, és már meg is oldódott minden bajod, olvasni is tud vele a MultiMaus egere. Ez nem olyan veszélyes árban, mint egy másik központ, viszont rendkívül stabil jószág, és még beépített PC interface-e is van. |
|
(#48304) hkrisz79 hozzászólása
|
Válasz •
|
Nov 16, 2015 |
|
Üdvözlet mesterek!
Gondban vagyok... Karácsonyra beinvesztálnék egy nagyon alap digit kezdő cuccba, hogy a 6 éves keresztgyerek is tudjon 2 mozdonyt kergetni. Most egy analóg dilikör van neki, azt cserélnénk. Szóval egy Lokmaus 2-vel indítanék, az neki pár évig elég lesz meg bonyolultabb vezérlőt nem látom értelmesnek kezébe adni. A baj csak az, hogy táp nélkül találtam egeret meg erősítőt használtan "jóárasítva". Vajon lehet-e hajtani egy nem direkt hozzávaló erősítővel? Ha jól nézem 15V AC kell neki. Ha esetleg lőnék a börzén egy roco 10704 trafót aminek van ilyen kimenete az jó lehet? A mostnai PIKO FZ1 az gondolom felejtős... Köszönöm előre is a jó tanácsokat! Nagyon jó lenne örömet szerezni a lurkónak.
|
|
|
|
(#48309) csíkosháTTú válasza hkrisz79 hozzászólására (#48304)
|
Válasz •
|
Nov 16, 2015 |
|
Keríts egy 16V/3A kiszuperált laptop tápegységet! 7.000Ft-ért van új a műhelyben ebből, ha kell. |
|
(#48313) hkrisz79 válasza csíkosháTTú hozzászólására (#48309)
|
Válasz •
|
Nov 16, 2015 |
|
Létezik AC-s laptop táp? Vagy akkor egy kicsit már összezavarodtam.... Lokmaus 2-höz nem az kell? |
|
(#48317) csíkosháTTú válasza hkrisz79 hozzászólására (#48313)
|
Válasz •
|
Nov 16, 2015 |
|
Nem.
De belül az erősítő egy egyenirányítóval kezdődik a trafó csatlakozó mögött, így mindegy, hogy mivel táplálod, AC-vel, vagy bármilyen polarítású DC-vel. A laptop táppal kiküszöbölöd a ROCO rendszerének legnagyobb hibáját, az ingadozó, és túl magas sínfeszültséget, ami a dekóderek és/vagy a modellmotorok halálához vezet rövid úton. |
|
(#48876) Kisfa hozzászólása
|
Válasz •
|
Dec 18, 2015 |
|
Sziasztok ! Egy kis segítség kellene.
Vettem az ebay-n egy Rivarossi gőzöst utólagosan beépített dekóderrel.
Analógban szépen működik a mozdony, de digitálisan nem csinál semmit, nem reagál a programozásra sem.
Eddig csak ESU dekóderrel volt dolgom, hogy ebben mi van nem tudom.
Lehetséges, hogy rosszul van kötve ?
Pl : szürke vezeték nincs rajta, a motorra a kék és a piros van kötve, a kerekekre a narancs és a fekete. A kondi egyik szárát már én nyestem meg, hátha... de nem. |
|
|
|
(#48877) Kisfa válasza Kisfa hozzászólására (#48876)
|
Válasz •
|
Dec 18, 2015 |
|
Itt van két közeli a dekóderről. |
|
|
|
| |
2026. Ápr, 02. Csü 13:12:14 |
| |
Jelenleg 16 fő olvassa az oldalt |
|
|