|
|
|
Kezdő modellező
|
Témaindító: HitMen476, idő: Nov 22, 2012
Témakörök:
|
|
|
(#67334) etwg válasza róbertke hozzászólására (#67333)
|
Válasz •
|
Dec 29, 2022 |
|
Az a baj, hogy a Piko A Gleis váltok ives részei 908 mm sugaruak és 15 fokosak. Ezt nem lehet összehozni az R2 ivvel.
Az R3 már jobb mert kapsz egy kb 970 mm átméröjü kört és annak a 1/6 részébe már kijön a válto, meg az R9-s elleniv. ( talán - nincs ilyen sinem kiprobálni). |
|
(#67336) róbertke válasza etwg hozzászólására (#67334)
|
Válasz •
|
Dec 29, 2022 |
|
Annak idején több mint 40 éve hogyan oldottuk meg az ellenív problémát? Se internet, sem kacifántos tervező program nélkül?
Piko kalapprofilos sín állt a rendelkezésünkre, ceruza, körző és milliméter papír.
Akinek volt pénze vett még egy váltót. Akinek nem, megcsinálta a 2. kép szerint, azt működött a rendszer. |
|
|
|
(#67337) etwg válasza róbertke hozzászólására (#67336)
|
Válasz •
|
Dec 29, 2022 |
|
Igen, csak akkor volt elgondolás a sinrendszerek logikájában, a cél az volt, hogy a lehetö legkevesebb sinelemböl a lehetö legtöbb pályaformát lehessen kialakitani. ( prof Kurz megtervezte, a Pilz meg a Zeuke átvette, és évtizedekig gyártották).
A mai sinrendszerek ettöl fényévekre vannak, és szinte kivánják az univerzális flexisineket ( akár csak a nagyvasuton) , amiböl olyan pályát hajtogatsz amilyet akarsz.
A kolléga viszont ezt nem akarja, és a gyári kész sinelemekböl akarja kirakni a pályát, ami viszont csak bizonyos feltételeknél teljesül, ha nem akarod megeröszakolni a sineket. |
|
(#67345) csíkosháTTú válasza róbertke hozzászólására (#67336)
|
Válasz •
|
Dec 30, 2022 |
|
Mondjuk elolvasta a
- katalógust,
- a PIKO pályaterv füzetet,
- esetleg Gerhard Trost könyvét. |
|
(#67454) 6XJenő válasza csíkosháTTú hozzászólására (#65875)
|
Válasz •
|
Feb 5, 2023 |
|
Idézet: „ Ehhez az kellene, hogy a váltóval együtt egy relét is átkapcsolj, és ez relé adja majd az áramot a szakaszolt állomási sínekbe.”
Ez a megvalósítási mód megoldást jelentene számomra is.
Figyelembe véve hozzá Sünöcske fórumtárs #65885 sz. hozzászólását:
Tillig 8410 relé ajánlása a megoldásra, "A Helyes vágányon a TT vasúttal" irodalomra történő hivatkozással:
Idézet: „ Ennek a relének a leírása viszont benne van a TT-s füzetben, a gyártó logóján kívül gyakorlatilag csak az ára változott az elmúlt kb. 50 évben, szóval a füzet kapcsolási rajzait bátran használhatod.”
Szeretném,ha a kezdő modellezőkre/magamat is beleértve/gondolva, a fentieket kicsit rendbe tennénk:
1., A hivatkozott irodalom 9/52. oldalán szereplő tápegységek közül
-220V bemenő hálózati feszültség mellett- a Z1 és Fz1 típusok esetében műszaki adatként 16 V AC feszültséghez 1,2 A maximális terhelőáram tartozik.
2., Igaz ugyan, hogy csak a Z1 esetében,a felhasználási lehetőségek oszlopban vastag betűkkel és felkiáltójellel szerepel, hogy ezekkel a műszaki paraméterekkel kitérők csak egyesével kapcsolhatók.
3., A 12/52. oldalon szöveges tájékoztatásként is szerepel, hogy a kitérő áramfelvétele 0,8 A. Fórumunk hozzászólásaiból tudjuk, a hivatkozott irodalomban szereplő Zeuke 545/119 típusú reléé is ilyen nagyságrend.
4., Róbertke fórumtárs #67333 sz. hozzászólásában szereplő hurokvágány
29/52. oldal 21. ábrájában mindezek ellenére mindkettő egyszerre van kapcsolva. Az ábrához tartozó 30/52. oldalon ez szöveges leírás első mondatában külön is meg van említve.
5., Gyakorlati kipróbálásra összeállítva az áramkört:
FZ1 trafó,Tillig 8410 kapcsolórelé,N építési nagyságú 5/4165/66 típusú PIKO kitérő-hasonló áramfelvételt feltételezve- valamint zongora billentyű
(csak ezek, a hurokvágány sinei nélkül).
A 21. ábrához hasonlóan az 1 jelű gombbal egyszerre kapcsolva, mindkettő
rendben működik, átvált illetve meghúz.
A 16 V AC sarkokra csatlakoztatott feszültségmérő a kapcsolásokat követően
18,1 és 21,5 V közötti tartományba eső pillanatnyi feszültség csúcsokat jelez.
Az eddig eltelt idő alatt arra nem találtam megnyugtató választ,hogy egy adott tápegység esetén a bemenő feszültség megnövelése hogyan változtatja meg a másik három paramétert. (Ip,Usz,Isz).
Ezért a fent említett üzemszerűen bátran használhatóság kapcsán szeretném megkérdezni:
A mostani 230V üzemi bemenő feszültség mellett az FZ1 trafó , a 8410 relé és a PIKO kitérő tekercsei vonatkozásában a külön-külön kapcsolással szemben -ami figyelmetlenség esetén 5 pólusú motor tekercsét (Kühn 95010)érő rövidzárlat bekövetkezését sem akadályozza meg- az egyszerre történő kapcsolás inkább károsnak, vagy ha nem is előnyösnek, de most is aktuálisnak, megvalósíthatónak tekinthető-e?
|
|
|
|
(#67455) etwg válasza 6XJenő hozzászólására (#67454)
|
Válasz •
|
Feb 5, 2023 |
|
Nem kell sajnos szo szerint venni a szöveget, a modellvasut sokkal nagyobb türéshatárokkal dolgozik.
Szoval egy FZ1 stb trafo ( ráadásul gyakran aludrotbol tekerve) sokkal puhább ami azt jelenti hogy ugy a feszültsége mint a teljesitménye is böven eltérhet a katalogus adataibol. ( és el is tér, de a katalogusban megadott minimumot biztosan tudja).
Két váltot ( relét ) egyszerre a tapasztalataim szerint vigan meghajt azaz azon ne törd nagyon a fejed.
Ráadásul a váltomeghajtok ujabb verzioi már megelégednek a 0,5 A-rel is.
Az meg az elektrotechnika alapja, ha a bemeneti feszültséget kb 5% emeled ( 220-rol 230 Voltra) akkor a kimenet is ennyi % -l változik. Persze a mérésnél figyelembe kell venni, hogy az adott terhelésen adja a névleges feszültséget, s nem üresen stb.
Az egyszerre történö kapcsolás eddig semmi komolyabb problèmát sem okozott. ( volt olyan terepasztalom ahol egyszerre 4 váltot is tudtam kapcsolni, és ha kell akkor ismételni is lehet, hiszen ha átáll egy válto, akkor ha ujra megnyomod a billentyüt akkor már csak egyet fog kapcsolni ).
Sokkal inkább az a veszély áll fenn ( föleg az egérzongoránál) hogy rádobsz mondjuk egy vastagabb katalogust ami egyszerre több billentyüt lenyom, ami rendszerint tekercségéshez vezet.
Ez ellen a legegyszerübb védelem egy kb 25 - 30W-s auto izzo (12v) izzo sorbaötése a zongora bemenetével ami zárlat esetén világitani fog és megvédi a tekercseket. |
|
(#67456) csíkosháTTú válasza 6XJenő hozzászólására (#67454)
|
Válasz •
|
Feb 6, 2023 |
|
Kibírják, a relék, meg a trafó is.
Egyébként a trafóra írt adatokat sokan nem értelmezik helyesen!
Tehát:
1: Trafók esetében (PIKO FZ1, Z1, stb.) a tartozék kimenetre írta 16V/1,2A akkor igaz, ha trafó terhelése a maximum közelében van. Nulla rákapcsolt fogyasztó esetén az un. "üresjárati kapocsfeszültég" az mindig magasabb, mint a ráírt érték. Hogy mennyivel, az attól függ, mennyire jó a trafó. Az FZ1 ebből a szempontból nem egy jó valami, az alumíniumból tekert primer tekercse miatt.
2: Olyan hálózati adapterek, amik egyenáramot adnak le, olcsó, kapcsolható kínai, kis fali aljzatba dugható fekete dobozkák, azok általában belül tartalmaznak egy egyenirányító hidat, meg egy jelképes puffer kondenzátort. Rájuk ugyanez érvényes, mint a trafókra!
3: Olyan hálózati adapterek, tápegységek, laptop töltők. Ezek minden esetben szabályozott, kapcsolóüzemű tápegységet. Szintén egyenáramot adnak le, és jellemzőjük, hogy a nulla és a névleges terhelésük között a kapocsfeszültségük állandó. |
|
(#67525) 6XJenő válasza etwg hozzászólására (#67455)
|
Válasz •
|
Feb 19, 2023 |
|
Idézet: „ne törd nagyon a fejed.”
Nos,miután a terepasztal projektem nehézségi fokát jelző lécet anno abba a "mélységbe" helyeztem,ahová,kérem én mosom kezeim.
Azért, hogy mostanság ennek ellenére kétpólusú kapcsolóval,relével meg transzformátorok primer és szekunder oldali teljesítmény egyezésével terhelem az agysejtjeimet, a teljes felelősség kérem szépen kizárólag az olyan mesterfokozatú (beleértve a négy nyelven több mint 50 éve publikálót,ha ismerni tetszik) fórumtagokat terheli, akik nem átallották az idejüket azzal tölteni, hogy e projekt színvonalát emeljék. Legalábbis minden hozzászólásuk után azon kellett kapnom magam,hogy az a bizonyos léc hogy-hogynem de már megint feljebb van.
De mielőtt bele találok fulladni a krokodilkönny áradatba, megköszönöm a megnyugtató választ.
Hogy a blokk kapcsolás tápszakaszhatárainak ellentétes polaritását visszajelző izzót az egérzongora esetében is fel lehet használni, nekem soha eszembe nem jutott volna.Hogy ilyen baleset előfordulhat, arról olvastam a fórumban.
Folytatás a következő válaszban.
|
|
(#67526) 6XJenő válasza csíkosháTTú hozzászólására (#67456)
|
Válasz •
|
Feb 19, 2023 |
|
Köszönöm a megnyugtató választ.
De ha a tisztelt fórumtárs az előző válaszomban foglaltak okán esetleg egy ma született bárányt vélne felfedezni magában,ebből az esetleges téveszméből sajnos ki kell hogy ábrándítsam:
Történt ugyanis,hogy az eredeti pályatervet több hétre el kellett tennem.
Elővételekor nem mondom, hogy elborzadtam, de olyan érzésem volt, hogy nem egy 1:160 hanem egy TT építési nagyságú terv van előttem.
Ezen úgy próbáltam segíteni,hogy a 185 mm és a 425mm ívsugár közé beiktattam szintén 15 fokos, 355 mm-s íveket.A tisztességes átmeneti ív
pedig mit tesz ugye? Növeli a méretet.E miatt azután vissza kellett térnem a fejpályaudvar elképzeléshez.Méret csökken,sokoldalúbb vasútüzem.
Minden felmerülő gondot sikerült megoldani, egy aggály maradt: a kocsilekapcsolás.
Ekkor találtam a Z méretarányban mindenfélét témakör 6/21. oldalán a
#31312 sz. hozzászólást:
Idézet: „Ezért idegenkedem én az ilyenektől, építési nagyságtól függetlenül. Én még nem láttam olyat, ami elfogadhatóan nézett volna ki. Inkább ügyetlenkedek a csavarhúzóval, mint egy ilyet nézegessek a pályán.”
Távlatilag én egy kézi egykarú emelőben gondolkodom,de addig nekem is
megfelel a műszerész csavarhúzó.
Ekkor dőlt el véglegesen, hogy ez lesz a legjobb megoldás.Ugyan nem az ideális, hanem a másik állomás helyezhető el a kezelőpulttól karnyújtásnyi távolságban fejpályaudvarként, de mint tudjuk, az élet nem egy habos torta.
Egy feladat maradt, elkezdeni a villamos kapcsolási tervet.Azután kiderül mire jutok vele. |
|
(#67527) 6XJenő válasza 6XJenő hozzászólására (#67454)
|
Válasz •
|
Feb 19, 2023 |
|
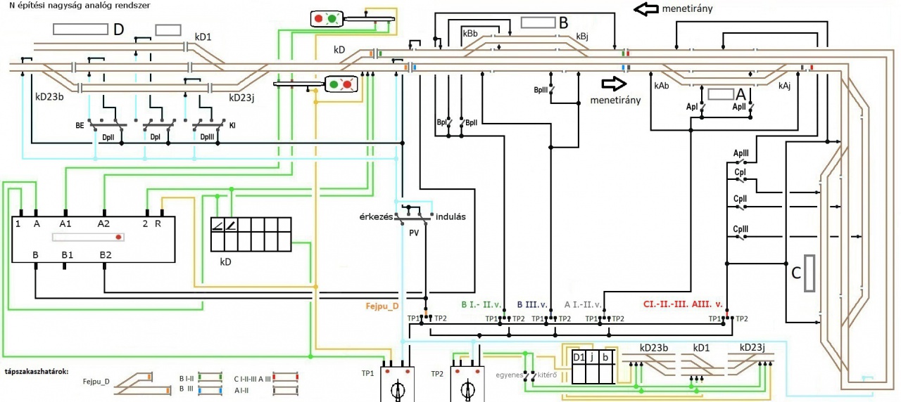
A mellékelt képeken látható,mire jutottam eddig fejpályaudvar villamos tervezés okán.
A vasútüzem során egy tápszakaszon egyidejűleg egy szerelvény vagy mozdony fog mozgást végezni, ezért a pályaudvari peronvágányok áramellátása integrálva van a hozzátartozó tápszakasz áramkörébe.
Ez utóbbiak áttekintő jelölései alul bal oldalon, a fejpályaudvari kitérők
u.n. takarékkapcsolása szintén alul a jobb oldalon külön is szerepelnek.
A pólusváltást a fejpu_D áramkörben a PV kapcsoló biztosítja.
Példaként a szerelvények D és B jelű állomások II. vágánya között
közlekednek.
Induló szerelvény esetén az ellenkező irányból érkező szerelvényt a tápszakasz végén a relé 1 áramköre által áramtalanított sinszakasz állítja meg. Ezt és a bejárati jelző tilos jelzését a KD kitérő egyenes állásba kapcsolása aktiválja, megelőzendő a rövidzárlat bekövetkezését.
Az induló szerelvény távozása után a KD váltó kitérő állása,a relé 2 áramköre
az A A2 kapcsokon keresztül szabadra állítja a bejárati jelzőt, tilosra a közös vagy csoport kijárati jelzőt. A B B2 kapcsok áramköre feszültség alá helyezi a bejárati jelző melletti szakaszolt vágányt, így a szerelvény bejárhat.
Ebben az irányban például vonali dióda révén további biztonsági garanciák
beépítése meglátásom szerint nem szükséges. Logikailag sem, továbbá a KD kitérő állása és a kijárati jelző fénye látható lesz a kapcsolópult mellől.
|
|
|
|
(#67529) etwg válasza 6XJenő hozzászólására (#67527)
|
Válasz •
|
Feb 19, 2023 |
|
Egy ekkora méretü projekten nem éppen optimális a menetirány ( érkezés indulás) kapcsolo ( DPDT két áramkörü két polusu kapcsolo).
Ajánlanám, hogy inkább használj 2 független trafot ( pl F2 vagy hasonlo modernebb és általában olcsobb szerkezetet, de mindenképpen saját a másiktol független hálozati táppal.). Tehát a TP1 meg a TP2 kék vezetékeit le kell boltani és a TP1 legyen kék a TP2 meg zöld. Az amugy sem szerencsés, hogy a trafok DC kimenetét párhuzamosan összekötöd. Mi van akkor, ha az egyiken 5 Voltot a másikon meg -10 Voltot állitasz be? SZOVAL EZ ROSSZ A RAJZON
Ha két tápot használsz akkor a közös pontjuk a fekete vezeték végigkövethetö az egész terepasztalon ( melyik sin, melyik vezeték közös folyamatosan stb). Ezt boritja fel a menetiránykapcsolo
Szoval ha olyan igény van, hogy változtatni kell a menetirányon, akkor elég egy egyszerü kapcsolo, amivel a két trafo aktiv kimeneteiböl választhatsz a megfelelö sinszálba. A másikba meg megy a közös fekete vezeték. Ez sok problémátol menthet meg. |
|
(#67540) 6XJenő válasza etwg hozzászólására (#67529)
|
Válasz •
|
Feb 21, 2023 |
|
Idézet: „Egy ekkora méretü projekten nem éppen optimális a menetirány ( érkezés indulás) kapcsolo ( DPDT két áramkörü két polusu kapcsolo)”
A vágánytervet olyan hurokfordulónak tekintettem, ahol a hurokáramkörben helyezkednek el a C A B állomások. A fejpályaudvar pedig a hurokforduló kitérőjének -KD nálam-hurokkal ellentétes oldalán.Igy ami a hurokfordulóban a bejárat a hurokba, nálam az induló szerelvénynek, a kijáratnak a hurokból pedig az érkező szerelvény felelt volna meg.A hurokban akkor tudok Z
kapcsolásban egyidejüleg 2 szerelvényt járatni illetve az egész hurkot megállás nélkül végigjárni -gyorsvonat- ha a hurokpályaszakaszt állandó jelleggel össze tudom kötni a tápegységekkel.A pólusváltást ezért kellett a fejpályaudvar oldalán megvalósítani mindkét pólus leválasztásával.A narancs és zöld valamint a KD kitérő egyenes ágán a narancs és kék tápszakaszok határán.Ez utóbbi azért van a B pu irányában eltolva, mert egy mozdonyhossznyi szakaszra szükség van a mozdonyváltásokhoz.A fejpu_D tápszakaszai és peronvágányai polaritásának az érkező vagy induló hurokág polaritásával való összehangolás miatt volt szükség a PV pólusváltó valamint
a peronvágányok esetében ON-OFF kétpólusú kapcsolókra.A relé esetében mind az A mind a B oldali áramkört a pólusváltásra kellett volna lefoglalni. |
|
(#67541) 6XJenő válasza etwg hozzászólására (#67529)
|
Válasz •
|
Feb 21, 2023 |
|
Idézet: „Ha két tápot használsz akkor a közös pontjuk a fekete vezeték végigkövethetö az egész terepasztalon”
Igen ezt én is így tudtam.A kapcsolási terven amíg saját kútfőből dolgoztam,
addig ez így is volt.
De a feltöltésre szánt dolgoknál mindig kísért Moderátor urunk szelleme a terepasztal vezérlés és elektronika témakör 13/73. oldal #26221 sz. alatti dörgedelmei képében, miszerint:
Idézet: „Ez egy nívós, szakmai fórum, aminek a színvonalát épp az adja, hogy megköveteljük a precizitást úgy a fogalmazásban és helyesírásban, mint a szakmai kérdésekben.”
Ezért amikor valami elkészült, azt ellenőrzés céljából mindig összevetettem a hozzátartozó nyomtatott irodalommal.
A tervezés a tápegységektől indult. Itt azonnal megnéztem, jól kötöttem-e
össze a Z kapcsolásnak megfelelő kivezetéseket:Nem a megszakított, hanem a folyamatos közös visszavezető sinszálat kell.Pipa,nálam is így van.
Megszakított sinszál: alapszabály, többször kihangsúlyozva a TT-s füzetben:
óramutató járásával ellentétes haladási irányú körpályák -az enyém ilyen-
esetében mindig a külső, hozzám közelebbi sinszál.Pipa,nálam is így van, trafó oldal rendben.
Z kapcsolású tápszakaszok:Ellenőrzés:TT füzet 20/52. oldal 12. ábra.
Látható, hogy melyik 12 VDC vezeték melyik sinszálhoz csatlakozik?
Nem.Én legalábbis nem látom.Na vegyük elő a saját irodalmat.
Egy póluson, mindig ugyanazon a sinszálon kell megszakítani a szakaszokat.
A másik a folyamatos közös visszavezető sinszál. Ennyi.Elvileg nevükből következően a világoskék a tápvezeték, a fekete a nullvezető.
De menjünk akkor tovább. Fényjelzők bekötése.
TT füzet 27/52. oldal 13. ábra. haladási irány balról jobbra,megszakított vezeték a külső felém eső.Majd jön a banánhéj:
Az ábrán is jelölve, de a szövegben szó szerint ez áll:
'a szigetelt vágányszakasz a B-B2 kontaktusokon keresztül áramot kap a nulla vezetékről.Ez pedig nemcsak az ábrán de elméletben is melyik szint jelenti: a feketét.
Na most az ember kezdőként egy dologhoz nem veszi a bátorságot,ha fel akar tölteni a fórumba:ahhoz hogy okosabbnak gondolja magát a szakirodalomnál.
Na ekkor sűrű nyomdafestéket és klaviatúrát nem tűrő kifejezések közepette
nekiálltam pár óra alatt megcserélni a fekete és világoskék színeket egymással. Idézet: „”
A kapott visszajelzés szerint az eredeti helyes színek visszaállításának nincs
sok értelme.
Ami nem megy azt ne erőltessük.Ezért villamos kapcsolási tervvel a továbbiakban nem szeretném a fórumtársak türelmét próbára tenni.
Idézet: „Ezt boritja fel a menetiránykapcsolo ”
Mindkét pólus megszakítása esetén is? |
|
(#67542) etwg válasza 6XJenő hozzászólására (#67541)
|
Válasz •
|
Feb 22, 2023 |
|
Egy kicsit nehéz követni a mondokádat, söt olyan tézisekkel jösz amiket az ember már talán el is felejtett, vagy félre értettük az eredeti szöveget. Mi nem egy szakácskönyvröl beszélünk, hogy nekem is fel kelljen csapni a 13. oldalt és értelmezni mi is van ott.
Söt némileg aggaszt az oramutato járásával diszitett szöveg. Mert pontosan ha az oramutato járásával ellentétes a mozgásirány, akkor a külso sin a pozitiv (+) a belsö meg a negativ ([-] vagy GND). Alaptézis, hogy a sinek tápja a pozitiv - azaz ez jön a trafo kimenetéröl, illetve a szakasz kapcsolokrol, mig a negativ (GND, fekete) a másik sinben a lehetö legkevesebb megszakitással mindenütt fixen jelen van. A szabvány szerint menetirány szerint a jobboldali sin a pozitiv.
NEM631
Ezért csak 2 dologra válaszolok.
Az elsö a képen láthato kapcsolási részlet. Igy SOHA nem kötjük össze a trafokat. ( pirossal jelölt huzalozás)
A második a menetirányválto.
Ha megnézed a rajzod, akkor láthatod, hogy az adott állásban az alulrol jövö fekete vezeték ( nevezzük GNDnek) felül a bal oldali fekete vezetékhez van kötve. Ha átkapcsolod a kapcsolot, minden a fejére áll és hirtelen az alurol jövö türkisz ( kék) vezetéket kapcsolod felül a fekete vezetékre. EZ NEM JO!.
Ha egy ilyen rajzot készitesz, akkor arra EXTRÁN kell ügyelni, hogy ha egy vezeték szinnel is van jelölve ( mondjuk fekete) az mindig és minden állapotban ugyanazt a potenciált, tartalmat, értelmet jelölje. Azaz ha egyszer mondjuk a fekete vezeték a GND-t vagy a MINUSZ potenciált vezeti, akkor annak MINDIG ugyanazt kell vezetnie. Azaz ha közben van valahol egy kapcsolo, ami ezt átkapcsolhatja, után a vezeték szine már nem maradhat ugyanaz. |
|
|
|
(#67543) 6XJenő válasza etwg hozzászólására (#67542)
|
Válasz •
|
Feb 22, 2023 |
|
Idézet: „Alaptézis, hogy a sinek tápja a pozitiv - azaz ez jön a trafo kimenetéröl, illetve a szakasz kapcsolokrol, mig a negativ (GND, fekete) a másik sinben a lehetö legkevesebb megszakitással mindenütt fixen jelen van. A szabvány szerint menetirány szerint a jobboldali sin a pozitiv.
”
Mint írtam korábban, ez szerintem is így van.Csak és kizárólag a tájékoztatás kedvéért mellékelem a hiányolt ábrát, ami miatt ez felcserélésre került. |
|
|
|
(#67544) 6XJenő válasza etwg hozzászólására (#67542)
|
Válasz •
|
Feb 22, 2023 |
|
Idézet: „Ha egy ilyen rajzot készitesz, akkor arra EXTRÁN kell ügyelni, hogy ha egy vezeték szinnel is van jelölve ( mondjuk fekete) az mindig és minden állapotban ugyanazt a potenciált, tartalmat, értelmet jelölje.”
Ezért készült mindkét állapotot ábrázoló rajz, amit a fájlnevük tartalmazott
is,csak a rendszer éppen ezeket pontozta ki. Igy csak a PV kapcsoló állásából lehet látni,melyik mire vonatkozik.
Arra szeretnélek kérni, hogy akkor térjünk át az általad bevezetett +/- jelek
használatára. A második képmelléklet is ezeket használja.Ez tekinthető az általam készített elgondolás forrásmunkájának.
A második 'egyesített' mellékletben az általam készített két rajzból az ide vonatkozó két részlet egymás mellé téve.Az idő rövidsége miatt szintén fekete tónusban.
Ezt is csak tájékoztatásképpen, a jobb érthetőség miatt.
Ez a fejpályaudvar verzió az én szintemet láthatóan meghaladja. Nem fogok belevágni.
Az eddigi türelmet köszönöm.
|
|
|
|
(#67546) etwg válasza 6XJenő hozzászólására (#67544)
|
Válasz •
|
Feb 22, 2023 |
|
Jo volna akkor elöbb megegyezni a vezetëkek jelölésében.
Javaslatom.
A fekete legyen GND vagy 0
A TP1 kimenete legyen a piros
A TP2 kimenete legyen a kék
Miután mindkét trafot arra forditod amerre akarod, nincs értelme a +/- jelzésnek. Ezt bármikor beállithatod, ha elindul a pálya.
A váltóáram 16 V~ legyen a zöld.
Olyan vezetékekre ahol több áramforrás is lehet válasz szint ( pl egy kapcsolo után ahol a kék meg a piros vezeték között választhatsz. Oprimális a ha meglevö kábekek szineit választod ( pl piros/kék stb
Valamennyi táp közös pontja a GND. ( fekete)
Ha van még más feszültség ( mondjuk +24V a reléknek) az legyen a zöld.
A berakott hurokremdszer sajnos csak arra jo ami rajzon van, azaz a hurokban csak egyirányu a forgalom az egyenes részen meg nincs semmi ( eredetileg az egyenes rész másik végén ugyanilyen hurok volt mint most a jobb oldalon. Itt csuszik el a sok tapasztalatlan modellezö.
Ha az egyenesbe be akarsz rakni állomást vagy esetleg egy elágazást örökké konfliktusban leszel.
A legegyszerübb ilyen esetben egy szigetüzem kialakitáss, azaz az egyenes pályát a hurok után duplán megszakitani ( azaz mindkét sint) és amit közé raksz egy másik traforol betáplálni folyamatos GND sinnel és megszakitásokkal a másikban. Ha lesz holnap idöm akkor lehet, hogy keresek valami neked valo megoldást.
Sajnos valoban a fejpályaudvar a vonal másik végén egy hurokkal egy komoly dio az analog modellvasutakon, és mindenki mérlegeli milyen bonyolultság fogadhato még el. ( sajnos nagyon otthon kell lenni az elektrotechnikában hogy gond esetén megtaláld a hibát.). |
|
(#67547) etwg hozzászólása
|
Válasz •
|
Feb 23, 2023 |
|
Itt van a NEM603- s szabvány majd a vezetékek jelzésére.
Lehet, higy megvan magyarul is, csak nem tudom hol, de ha kell leforditom.
|
|
(#67549) 6XJenő válasza etwg hozzászólására (#67547)
|
Válasz •
|
Feb 23, 2023 |
|
Idézet: „Itt van a NEM603- s szabvány majd a vezetékek jelzésére.”
Köszönöm, le vannak töltve a MOROP szabványok. |
|
(#67550) 6XJenő válasza etwg hozzászólására (#67546)
|
Válasz •
|
Feb 23, 2023 |
|
Idézet: „Miután mindkét trafot arra forditod amerre akarod, nincs értelme a +/- jelzésnek.”
Igen, ezért mertem megcserélni a fekete és a kék vezetékszínt, mert ez csak a menetszabályzó irányától függ.
Igy viszont:
Idézet: „Igy SOHA nem kötjük össze a trafokat.”
mondatot akkor odaírhatom a könyvemben a Z kapcsoláshoz mellékelt ábrához, amelyet GT_Z néven csatoltam?
Vagy az a helyes odaírandó mondat, hogy az adott menetirányhoz tartozó,az ábrán látható polaritások esetén,amikor a + sinszál a megszakított.
A Z kapcsolásra mindenképp szükségem lesz. |
|
|
|
(#67551) etwg válasza 6XJenő hozzászólására (#67550)
|
Válasz •
|
Feb 23, 2023 |
|
Megint alapvetö félreértés a rajz értelmezése.
Nem tudom mikori az irodalom, de szerintem már akkor is létezett az egérzongora, és a képet ugy kell értelmezni, hogy a 4 kontaktus 4 sor zongorát jelent és mindegyik zongorán 4 billentyüvel kapcsolod az I, Ii, III, ill a IV. Szakaszokat. Az sincs kizerva hogy valami régi Piko vagy Märklin kapcsolopultrol van szo, és a kapcsolok egymást blokkolták, reteszelték ( ilyen is volt, pl a közismert Isostat sorozat amit a rádiokba használtak, ott is a sok kapcsolobol csak egyszerre egyet lehetett benyomni)
A lényeg az volt, hogy a 4 egymás feletti kapcsolon minden oszlopban, csak 1 kapcsolo lehetett bekapcsolva.
Az egérzongorán a felbillentett billentyü jelentette a bekacsolást. Azaz ha az elsö sorban az elsö billentyü be volt kapcsolva, akkor a másik 3 sorban már nem volt szabad bekapcsolni. stb.
A te esetedben azonban nem volt semilyen kapcsolo a 2 táp között, az a baj.
A rajzon valoban a Z kapcsolás van egy kicsit kacifántosan lerajzolva ( ilyen is elöfordul).
Helyesebb az lenne, ha minden szakaszhosz egy-egy 4 állásu forgokapcsolo tartozna, azaz a forgokapcsoloval választhatnál egyet a 4 tápbol. A szerzönek ez ilyen ütödötten sikerült.
Ezzel számolni kell.
Továbbra is ajánlom a helyes vágányon a TT vasuttal cimü publikáciot, a rumia.pl oldalán elérhetö. Abban sokkal szebben és pontosabban vannak lerajzolva a dolgok.
Azért egy kicsit meglep, hogy mint kezdönek eddig sikerült szinte minden esetben a legrosszabb vagy a legbonyolultabb megoldásokat kikaparni a rendelkezésedre állo iridalombol. Ehhez bizonyos affinitás kell, ami nem jo jel!
Ezen jo lenne változtatni, mert nem arra vagyunk itt, hogy a hibákat meg a publikált agymenéseket illetve a rossz értelmezést vitassuk.
Helyes vágányon a TT vasuttal |
|
(#67552) 6XJenő válasza etwg hozzászólására (#67546)
|
Válasz •
|
Feb 23, 2023 |
|
Idézet: „Ha lesz holnap idöm akkor lehet, hogy keresek valami neked valo megoldást.”
Tudom a saját példámból, hogy a kevés szabadidő fogalma mit jelent a gyakorlatban.Ezért nyomatékosan kérlek, hogy ezt ne énrám áldozd!
Ha ebből a gesztusból az eddigi segítőkészség megmaradására következtethetek,én arra fogok törekedni , hogy ilyen következményekkel ne járjon.
Megértettem,hogy a tárgyalt vezérlés nem valósítható meg olyan módon,hogy az ABC állomást magába foglaló pályaszakasz -az állandó menetirányhoz tartozó polaritással- a tápegységekről szabályozható,a fejpályaudvar menetirányai pedig -ezen fix,állandó polaritású betáplálás mellett-csak a relé vagy 2 pólusú kapcsoló által.Bár mivel a 2 pólusú kapcsolóm fizikailag ON-OFF-ON kivitelű, a két áramkör szétválasztható lenne egymástól szükség esetén.
3. trafó:
Ha jól gondolom, ebben az esetben a B-Blockschaltung, és a Z-Zuschaltung rendszerű kapcsolás vegyes kapcsolását kellene megtervezni.Egy év elteltével az ehhez szükséges időt inkább már a gyakorlati kivitelezésre fordítanám.Ezzel kapcsolatban meg kell keresnem egy régi hozzászólásodat, rá szeretnék majd kérdezni.
Nemrég olvastam egy cikket, hogy a nagyvárosok középpontjába egykor telepített fejpályaudvarok átmenővé alakítása nem csak a bécsi Südbahnhof esetében történt meg, hanem tendenciának is minősíthető.
A terepasztalom méretének csökkentésére még van az ívsugaraknál is valamennyi mozgásterem, az kisebb időráfordítással megvalósítható lesz. |
|
(#67553) etwg válasza 6XJenő hozzászólására (#67552)
|
Válasz •
|
Feb 23, 2023 |
|
Nézd át a belinkelt iridalmat, az messze az egyik legjobb a modellvasuti könyvtárban. (A magyarban duplán)
Ne ringasd magad abban a hitben, hogy meg tudod épiteni a nyugati pu modelljét. Szép lassan kisebb pályákkal kezdj és azokon tanuld meg a fogásokat és a kapcsolások értelmét. Nem kell mindjárt egy fix pálya rakd össze ahogy szeretnéd, kösd be és vonatozz.
Szép estét. |
|
(#67554) 6XJenő válasza etwg hozzászólására (#67551)
|
Válasz •
|
Feb 23, 2023 |
|
Idézet: „Továbbra is ajánlom a helyes vágányon a TT vasuttal cimü publikáciot”
A Z kapcsolást a 20/52. oldalon találjuk. Ezzel kezdtem.Kör alakú pálya.
Melyik sinszál van megszakjtva?
Én úgy látom, hogy a belső. Már itt elakadtam.
Ezen kívül nem tudtam eldönteni, melyik pólus melyik sinszálhoz tartozik.
De itt befejezzük ezt a témát.
Még egyszer köszönöm a segítőkészséget és a türelmet. |
|
|
|
(#67555) etwg válasza 6XJenő hozzászólására (#67554)
|
Válasz •
|
Feb 23, 2023 |
|
Gyakoraltilag mindegy, hogy a belsö vagy a külsö, azt szabadon eldöntheted.
A rajzon a belsö van megszakitva ésa külsö a GND vagy O. Ehhez a sinhez képest a belsö lehet negativ akkor a vonatok az ora járásával ellenkezö irányba mennak, ha meg pozitiv akkor meg az ora járás szerint. Pontosan ez az értelme az egésznek.
Ha az elsö vágányhoz a TP1-t kapcsolod a II. vágányhoz meg a TP2-t akkor akár egyszerre az I. Vágányrol balra mehet a vonat a I vágányrol meg jobbra., és forditva. Söt akár párhuzamosan is mehetnek az I es vágányrol a külsö vágányra a II vágányról meg a belsöre egy irányba! És mindkét vonatnak pontosan definiálva van melyik a kezelö trafoja. |
|
(#67561) 6XJenő válasza 6XJenő hozzászólására (#67554)
|
Válasz •
|
Feb 26, 2023 |
|
Reggel 5-kor kelve 12 óra munka után este 23 óra táján már nem maradt rá energiám, de a teljesség miatt csatolom az utolsó képmellékletet: |
|
|
|
(#67562) etwg válasza 6XJenő hozzászólására (#67561)
|
Válasz •
|
Feb 26, 2023 |
|
Na igy van rendben a dolog. További jo munkát. |
|
(#67563) 6XJenő válasza etwg hozzászólására (#67562)
|
Válasz •
|
Feb 26, 2023 |
|
Köszönöm.Igéretemhez híven több kapcsolási terv nem lesz.
A tápegységek közvetlen összekötését elkerülendő, a fejpályaudvar átmenő rendszerűvé visszaalakításával létrejövő négy tápszakasz kétpólusú Z-kapcsolása mellett döntöttem ON-OFF-ON kapcsolókkal.
Talán ez jár a legkisebb hibázási lehetőséggel. Ahol igen, ott kimérhető multiméterrel a kötés.
|
|
|
|
(#67564) etwg válasza 6XJenő hozzászólására (#67563)
|
Válasz •
|
Feb 26, 2023 |
|
Ezt most nem értem. Már van 2 trafod, a korábbi rajzodon megoldottad az átkapcsolást a 2 trafo között ON-off-ON kapcsolokkal akkor most minek ez az uj kapcsolo?
A két trafon akár ellentétes irányt is beállithatsz / választhatsz azaz a korábbi egy SPDT kapcsoloval nemcsak a trafot rendeled a szakaszhoz, de az irányt is.
Mindenképpen kerülni kell ilyen keresztkapcsolokat, mert azzal csak baj lesz. |
|
(#67573) 6XJenő válasza etwg hozzászólására (#67564)
|
Válasz •
|
Márc 1, 2023 |
|
3 pontban tudnám összefoglalni:
1., Idézet: „megoldottad az átkapcsolást”
Az áramkör előremenő részét igen.De a folyamatos sinszálak trafók felé visszatérő vezetékei nem lettek azok előtt megfelelő távolságban egy vezetékké egyesítve.
Ennek volt a következménye:
Idézet: „Igy SOHA nem kötjük össze a trafokat.”
Ha egy megoldásban a trafókat helytelenül kötjük össze egy vezetékkel,még egyszer akkor nem fogjuk ezt garantáltan elkövetni,ha olyan megoldást választunk, amelyben ezt nem kell megtenni.
A kapcsolás_áramút.jpg mellékletben a szerző a GND hiányát előnynek, a megvalósítást könnyűnek állította be. A biztonság kedvéért kimértem a 2 pólusú kapcsolóm áramútjait.Eredménye van alul ábrázolva.
2.,A 'TT klubtopik' témakör 348/430 oldal #49808 sz. hozzászólásod:
Idézet: „Modellezési szempontból éppen elég tudni, hogy a 0,35mm átmérőjű vagy ettől valamivel vastagabb kábel - lehet merev vagy sokszálas - tökéletes a feladatokra.”
0,4 mm átmérőjű 1-eres szigetelt rézkábel megfelelő mennyiségben áll rendelkezésemre 9 féle színben.
A kapcsoló kimérése és a 9 különböző színű vezeték miatt gondoltam arra, hogy elboldogulok a kapcsolással.
Ezt a vezetéket azért is preferálnám,mert a kötéseket forrcsíkos próbanyákon forrasztással oldanám meg,a csík jobb és bal oldalán plusz egy-egy furatot hagyva a rögzítésre.
3.,Ezenkívül a NEM 604 szerint elvégezve a méretezést 0,5 A terhelőáramra
(a Kühn ennél kevesebbet ad meg), 3,5-3,5 m hosszúság adódott (előremenő-visszatérő), a 2 méterenkénti betáplálással együtt megfelelőnek látszott.
De summa summarum, természetesen elfogadom a tanácsod. Köszönöm.
|
|
|
|
(#67574) etwg válasza 6XJenő hozzászólására (#67573)
|
Válasz •
|
Márc 1, 2023 |
|
Sajnos igy nem tudlak követni. A drotok jok egy közepes méretü asztalra.
Amennyiben mégis van hurok a pályán, akkor ezt érdemes teljesen külön kezelni. De azt nem tudom most tovább folytatni, mert nem tudom mi az aktuális terv.
Amit FelixG ir azzal meg sajnos csak feltételesen lehet egyetérteni. Persze, ha gondolod csináld ugy, de, hogy annak mi az elönye, hogy a pályán nincs közös sin ( gemeinsamme Masse) azt érdeklödd meg a szerzönél,, nálam ez többnyire mindig gondot okozott.. |
|
(#67590) 6XJenő válasza etwg hozzászólására (#67574)
|
Válasz •
|
Márc 5, 2023 |
|
Nem is nagyon van mit követni.Volt egy kérdés.Az illendőség miatt rá adott válaszban csak arra próbáltam rávilágítani, milyen logika mentén sikerült eljutni hozzá.
Nincs új aktuális terv.A tolatás és mozdonyfordítás vasútüzemi funkciót meg szeretném tartani.Ez megvalósítható a fő- és mellékvonali vágányhálózattal is,
a meglevő pályaterv módosításával.
Mindent amit igényel, végigvettük A-tól Z-ig. Példa ott van a TT irodalomban.
Újra megismétlem:
Idézet: „De summa summarum, természetesen elfogadom a tanácsod.”
Ez azt jelenti, hogy Te vagy a mesterfokozatú fórumtag,az ezzel járó szakmai tudással és gyakorlati tapasztalattal.
Ezért adok a véleményedre és feltétel nélkül elfogadom, amit tanácsolsz. |
|
| |
2026. Márc, 10. Kedd 20:22:20 |
| |
Jelenleg 13 fő olvassa az oldalt |
|
|