|
|
|
Terepasztal vezérlés és elektronika
|
Témaindító: nzozz, idő: Júl 14, 2010
Témakörök:
|
|
|
(#61678) etwg válasza patexati hozzászólására (#61677)
|
Válasz •
|
Dec 29, 2019 |
|
Még kondi sem nagyon kell ha az impulzusok állandoan jelen vannak ( 100-300 Hz).
A hanggal meg ugy vagyok, hogy kb 6 vonat lehet egyszerre nálam üzemben, és azok tökéletes hangzavart tudnak okozni, föleg. 40-50 éves Zeuke modellek (Nohab, V200, V180). Nekem inkább valami hangtompito kellene ( ami elnyeli ezt ricsajt.....  ) |
|
(#61679) csíkosháTTú válasza patexati hozzászólására (#61674)
|
Válasz •
|
Dec 29, 2019 |
|
A képeken egy régi Gützold Holzrollerbe építeTT házi dekoder van. (TT méret.) A Z egy picit kisebb... 
Mondjuk nem dicsekednék vele, ennél szebbet lehet készíteni odahaza. |
|
(#61680) csíkosháTTú válasza Antal Miklós hozzászólására (#61672)
|
Válasz •
|
Dec 29, 2019 |
|
Szia!
- Ha nem kell extra, kapcsolható tartalék funkciók, ilyemik, és befér, mondjuk egy E44, BR118, BR120, BR130-ba, akkor Tams LD-G-32.2. Mielőtt matolcsysodni kezdett a forint 5.500Ft volt a műhelyben.
- Ha szűkebb a hely, vagy kellenek tartalékok, pl. kapcsolható zárfények, akkor Tran DCX51-2D, vagy ZIMO MX600.
- Ha nagyon kicsi a hely, mondjuk az E69-ben, akkor a motor kefék felőli oldalára rá lehet tenni egy Tran DCX74z-t, DCX75-t, vagy DCX76-t, vagy egy ZIMO MX616-ost.
Van egy "feketelistám": a nagyon régi PIKO E44, az összes NoHAB, és a vele rokon, világoszöld SNCF CC7000, a nagyon régi PIKO BR80, ami a kéttengelyes, startos bigyóka elődje volt, a BR23-as, és a BR50.
Ide kell sorolni sajnos a Hruschka BR84-et is, de elektronikai okokból. Sajnos a hajtott/csatolt kerekei hajlamosak maguktól széthullani, mert az idő kikezdi a műanyag küllőket.
|
|
(#61682) patexati válasza csíkosháTTú hozzászólására (#61680)
|
Válasz •
|
Dec 29, 2019 |
|
Sajnálattal olvasom a Piko E44-et pont egy olyat kapok originál.. |
|
(#61684) csíkosháTTú válasza patexati hozzászólására (#61682)
|
Válasz •
|
Dec 29, 2019 |
|
Valamikor az '50-es és '60-as évek fordulója táján volt egy teljesen elfuserált, akkori szemmel nézve is agyrém E44-es modellje a Piko-nak. Egy teljesen hasznavehetetlen motor hajtotta meg a két belső tengelyt, és egy-egy egytengelyes álforgóváz alkotta a modell viszonylagos élethűségét. Ez van a "feketelistámon". A későbbi, kétmotoros, valódi forgóvázas modellből a kor adta bajait kikúrálva lehet tisztességes digitális modellt faragni. Szerencsére ez utóbbi a gyakoribb. |
|
(#61687) patexati válasza csíkosháTTú hozzászólására (#61684)
|
Válasz •
|
Dec 30, 2019 |
|
Az utóbbi lesz az enyém..Még egy kérdés.. Ha a kocsikba is teszek dekódert azt sima mozdonydekóder megteszi (nem gondolok full extra dolgokra max világítás kapcsolás és zárfény ki be kapcsolás) vagy van mi kifejezetten kocsiba való? |
|
(#61688) diginewl válasza patexati hozzászólására (#61677)
|
Válasz •
|
Dec 30, 2019 |
|
Ahogy tapasztalt Topiktársunk írta:
Idézet: „Mielött ilyen álmokba merülnél tedd elöbb rendbe a pályádat.”
Szakaszold be, szakaszonként tápláld meg. Próbáld ki, ha megy szépen, és jók vele tapasztalatok (nem siklik, nem akadoznak a mozdonyok, tetszik a pálya), akkor utána érdemes a vezérlést kitalálni (analóg/dcc) |
|
(#61689) patexati válasza diginewl hozzászólására (#61688)
|
Válasz •
|
Dec 30, 2019 |
|
Csak én egyszerre több dolgot is csinálok  Ha dolgozom és van időm akkor ott nem tudom az asztalt építeni viszont tervezgetni gépen igen  Ha megvannak a kapcsolások,nyáktervek akkor ha itthon vagyok azzal nem kell már bajlódni.. Tavaszig tudom csinálni mert a jó időben én nem érek rá (napi 40-60 km bicaj a kezdés a 120 kilómmal de mentem már 202 km távot is egy nap,utána a házat újítom fel teljesen egyedül tervezek,kivitelezek mindent most szigeteltem le kőzetgyapottal az egész házat,kazánkéményt,ablakokat cseréltem,stb nagy szívás volt de kész lett novemberre).Na szóval én ilyen vagyok..A szigetelések kialakításában kéne segítség.. |
|
(#61690) csíkosháTTú válasza tmanjunior hozzászólására (#61605)
|
Válasz •
|
Dec 30, 2019 |
|
Nna, közben itt vagyok a műhelyben, kinyitottam a 2020/2021 Tams katalógust. Sajnos nincs megoldása a LocoNet gondodra. Őszintén szólva nem tudom miért kellene a LocoNet-tel bíbelődni, gyakorlatilag az Uhlenbrock-on kívül senki ember fia nem foglalkozik vele Europában, ők is korlátozottan, mármint a PC kapcsolat terén. Az meg egy külön kacifántos megoldás, hogy kell egy csatlakozás a PC-re, amivel összekötöd a központot a PC-vel, és egy másik, amivel az s88 visszajelentést kötöd össze a PC-vel. Persze közéjük meg egy-egy interface... Áááá.
Egy nanoX-s88 központ megoldja az összes gondodat, fogadja az s88 jeleit, van benne beépített PC interface, így egy kábeled (RS232, vagy USB) lesz a központ, meg a PC között. Ennél egyszerűbb, átláthatóbb, használhatóbb megoldás én nem tudok. |
|
(#61691) csíkosháTTú válasza patexati hozzászólására (#61687)
|
Válasz •
|
Dec 30, 2019 |
|
Idézet: „Ha a kocsikba is teszek dekódert azt sima mozdonydekóder megteszi (nem gondolok full extra dolgokra max világítás kapcsolás és zárfény ki be kapcsolás) vagy van mi kifejezetten kocsiba való?”
Klikk a honlapomra! A mozdonydekóder az pazarlás egy kocsiba.  |
|
(#61692) diginewl válasza patexati hozzászólására (#61689)
|
Válasz •
|
Dec 30, 2019 |
|
Minél több szakasz, annál jobb.
Ööö, ha esetleg mégis dcc marad, ami nem elrugaszkodott dolog így 2020 táján, akkor csak a hurkokban (mert kettő is lesz) KELL mindkét sínszálat szakaszolni. Minden más helyen csak az egyiket.
Egy kis csemege, ha nem kész dolgokat akarsz. Itt van MINDEN ami neked kell. Vezélrőtől, a kocsivilágítás dekóderig.
Paco
Képzeld, még nekem is sikerült innen kocsivilágítás dekódert készítenem, meg szervódekódert is!!! Működnek ám!
|
|
|
|
(#61693) patexati hozzászólása
|
Válasz •
|
Dec 30, 2019 |
|
Nem tudom mennyi szigetelés kell,de minden vágányra külön kijárati jelző lenne,illetve a nagy állomásra bejárati is. Alul a jobb sarokban a két vágányon sorompó,itt előjelzők nem lesznek mivel nincs hely,és a huroknál sem kel alul jelző.Felül lesznek előjelzők bejárati,kijárati,delta vágánynál egy fedező,iparnál egy nem biztosított tolatásjelző és egy sorompó felül is a bal felső részen a két váltó előtt szintén a két sínszálon.. A hózentróger kikerült felesleges és csak a baj lett volna vele.. |
|
|
|
(#61694) patexati válasza diginewl hozzászólására (#61692)
|
Válasz •
|
Dec 30, 2019 |
|
Pont ezt az oldalt nézegettem tegnap..  Ugye nem olyan nehéz csak neki kell állni az ilyesminek.. |
|
(#61695) patexati válasza csíkosháTTú hozzászólására (#61691)
|
Válasz •
|
Dec 30, 2019 |
|
Hát milyen filléres cucc kell bele nem sokat pazarolnák el.. Igazából csak a feteket meg a kis kontrollereket kell megvenni minden van ami kell led,kondi,dióda,stb.. |
|
(#61697) patexati hozzászólása
|
Válasz •
|
Dec 30, 2019 |
|
Ismét egy kérdésem merült fel..Mi lenne ha a váltók utáni szigeteléseket egyszerűen elhagynám és a váltókból kioperálnám az összekötő lemezeket a megfelelő sínszálon?Piko váltónál ez lehetséges szerintem,de megkérdezem. |
|
(#61698) patexati hozzászólása
|
Válasz •
|
Dec 31, 2019 |
|
Csak kevés helyen valósítható meg,hogy a tervet is megnéztem így nem sok értelme van már utólag..Viszont az állomáson és pár helyen van,hogy nem jön ki az eredeti vágányterv sem tervezőprogrammal,sem a valóságban kirakva..Ennyi még elmegy úgy gondolták anno  |
|
(#61737) tmanjunior válasza csíkosháTTú hozzászólására (#61690)
|
Válasz •
|
Jan 6, 2020 |
|
Ilyen nanoX-s88 központot hol lehetne venni, mert neten vásárlási lehetőséget nem találok hozzá, ennyire régi dolog lenne? 
De ez amúgy így nem tűnik rossz megoldásnak, eddig a z21-en gondolkodtam, ott is csak egy patch kábelel kell összekötni, viszont ahhoz wifi kódot kell venni pluszba. |
|
(#61742) csíkosháTTú válasza tmanjunior hozzászólására (#61737)
|
Válasz •
|
Jan 7, 2020 |
|
A műhelyben rendelhető. |
|
(#61959) diginewl hozzászólása
|
Válasz •
|
Jan 31, 2020 |
|
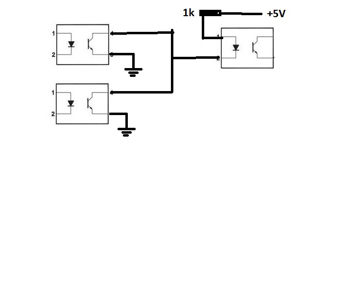
Kicsit láma kérdés, de nem szeretnék kinyírni egy LTV-t ezért az ötletért.
Megoldható-e az, hogy az optocsatoló kimeneti két külön tranziszorának kollektorát összekötöm, és ezt a jelet egy LED-re kivezetem - előtét ellenállással.
Azaz két független optocsatoló valamelyik bemenet ledjére jön áram (világít), akkor a kimeneten mindkét esetben megjelenik a jel.
|
|
|
|
(#61960) etwg válasza diginewl hozzászólására (#61959)
|
Válasz •
|
Jan 31, 2020 |
|
Igen, de csak ugy ahogy a rajzon van. |
|
(#61961) csíkosháTTú válasza diginewl hozzászólására (#61959)
|
Válasz •
|
Jan 31, 2020 |
|
Más választ írtam, de benéztem a rajzot elsőre. Működik.
. |
|
(#61962) Lazsi válasza csíkosháTTú hozzászólására (#61961)
|
Válasz •
|
Jan 31, 2020 |
|
Akkor én is visszavonom a levelemet... Törölhető... |
|
(#61963) diginewl válasza etwg hozzászólására (#61960)
|
Válasz •
|
Jan 31, 2020 |
|
Köszönöm mindenkinek! 
Jelzés összesítőt szeretnék ÉS logika szerint (azthiszem így híjják őtet  ).
Kettő foglaltság közül bármelyik jelez, akkor a kimenet aktív legyen. Szeretném egybefűzni adott helyeken a vágányfoglaltságból érkező jelzést és a fénykapu által adott jelzést.
Mivel két külön "tészta" így adódott, hogy optocsatolóval lenne a legegyszerűbb összehozni őket. |
|
(#61964) etwg válasza diginewl hozzászólására (#61963)
|
Válasz •
|
Jan 31, 2020 |
|
Amit megalkottál azt OR ( vagy ) kapunak hivják. Csak az egyiknek kell pozitiv jelet adnia, hogy a kimenet a kivánt állapotot jelezze. |
|
(#61965) Antal Miklós válasza diginewl hozzászólására (#61959)
|
Válasz •
|
Jan 31, 2020 |
|
Igen összekötheted, ez a "huzalozott VAGY kapu.
Amikor a vagy a felső vagy az alsó optora érkezik vezérlés VAGY mindkettőre akkor a kimeneti opto működni fog!
Egyet ne feledj el, hogy a nyitott kollektor kimenet hasonlóan egy tranyónak megfelelően az Usat értékig kinyit, Ez kb 0,2-0,3V.
Ha az Ut = 5V-ból levonjuk a fototranyón eső 0,2-0,3V-t akkor a LED-re 4,7-4,8V kerül. Az 1kOhm előtét ellenállás esetében ~4,7mA áram fog folyni a következő optocsatoló LED-jén.
Viszont Neked nem ÉS logika kell? a hozzászólásodban azt írtad???
ÉS logika szerint amikor a felső ÉS az alsó müködik CSAK akkor működik a kimenet! |
|
(#61967) diginewl válasza Antal Miklós hozzászólására (#61965)
|
Válasz •
|
Jan 31, 2020 |
|
Köszönöm Mindkettőtöknek! 
Kibernetikából, még lenne mit tanulnom.  ET jól értelmezte, nekem a VAGY kell. Azaz bármelyik jelez a kettő közül, legyen jelzés.
 |
|
(#61968) Antal Miklós válasza diginewl hozzászólására (#61967)
|
Válasz •
|
Jan 31, 2020 |
|
HA ÉS függvény kell, nagyon egyszerű, kösd őket sorba, és csökkentsd le a soros ellenállás értékét 810 Ohmra.
|
|
(#62027) siemenstaurus hozzászólása
|
Válasz •
|
Feb 7, 2020 |
|
Ejjj...Sajnos, nekem nem elég a sima piros-zöld, szabad, nem szabad összeállítás: F1. szerinti jelzési képek megjelenítése, mikrovezérlővel.
Ha pl. a bejáraton kivezérli az embör a meghatározott jelzési képet - a videjó végén 2 db sárga (szabad 40, a kijárat vörös) - és közben megnyomja a kijáratot - pl. sárga zöldre - akkor a bejárati jelző előjelzői szerepe szerint felülíródik.
Előny: valósághű, jó játék.
Hátrány: PIC és ami ezzel jár, illetve saját "címzéses ütemszabvány" ami a központi vezérlőtől jön a beprogramozott feltételek alapján épp ezért kicsit bonyolult - csak úgy, mint maga a domino.
Kicsit hajaz a "jelződekóderes" megoldásra, de annál azért favágósabb a módszer, a PIC egyik lába a cím, a központ úgy küldi ki a jelet, hogy közben egy CÍM bitet húz, innen tudja adott jelzőhöz tartozó panel, hogy neki szól a jelsorozat.
A videjón egy tesztpanel, ami végigkattogtatja az összes lehetőséget, a végén bemutat egy jelzés-előjelzés "szerepcserét".
|
|
(#62042) etwg válasza siemenstaurus hozzászólására (#62027)
|
Válasz •
|
Feb 10, 2020 |
|
Nemcsak az a hátrány, hogy szinte minden jelzöhöz egy mikroproci kell, és ahhoz egy megfelelö rendszer ami a jelzésképeket kiválasztja, sokkal komolyabb gond az, hogy a vágányuttal (zárral) hogyan kapcsolod össze és mi oldja ( állitja vissza tiltora) a jelzöket. Ezek a nagyvasutnál alapdolgok, a modellvasutin teljesen hiányoznak.
Olyan kis állomásokon, mint amik a házi modellvasutak többségén van, sokkal ésszerübb egyszerüsitett állomási biztit használni. Pl ami csak egyenes vágányon engedelyezi ( vagy még ott sem) a megállás nélküli átmenetet. Igy leegyszerüsödnek a jelzöképek - marad egy átmenet, s minden más megállást jelez a kimeneti jelzön. |
|
(#62046) siemenstaurus válasza etwg hozzászólására (#62042)
|
Válasz •
|
Feb 11, 2020 |
|
Megvan a lezárás is, még készül. Hozom, ha MŰKÖDIK. ;)
Szoftveresen is, és a váltók kézi állítását is elveszi - utóbbit sajna nem egyesével, hanem az egész kezdő vagy végponti oldalt, de ennyi egyszerűsítést megengedtünk magunknak, mert egy bejárati vágány van mindkét oldalon nem lesz párhuzamos közlekedés, sem tolatás ami be- vagy kijárás közben váltóállítást igényelne.
Bistabil relét lök át (1-1 db oldalanként) a központ, ha van benyomott vágányút, vissza pedig vagy a program (törlés, kényszeroldó), vagy a sínérintkező dobja.
Az egyik morzepár magas-alacsony szinttel húzza a jelzőket vörösre és tudatja a központtal hogy van-e lezárás vagy nincs, a másik pár a váltóközös negatívját nyitja, csukja.
"...sokkal ésszerübb egyszerüsitett állomási biztit használni."
Jó, de én pont ezt a működést akarom modellezni, nálam így ez nem játszik.  |
|
(#62047) etwg válasza siemenstaurus hozzászólására (#62046)
|
Válasz •
|
Feb 11, 2020 |
|
Ez a hurrá optimizmus.
Még a nagyvasuton is okozhat nem egy fejfájást, holott már 100 évnél öregebb a technologia ( már a mechanikus biztberek is igy müködtek  ).
De hát te tudod.... ( én nagyon régen egy oktatopályán is dolgoztam - ahol valodi berendezések kezelték a modellvasutat a diákok számára, ne tudd mennyi balhé volt rendszeresen, egyik másik tanár már nem is akarta használni, pedig ök tervezték fejlesztették....  ). |
|
(#62048) siemenstaurus válasza etwg hozzászólására (#62047)
|
Válasz •
|
Feb 11, 2020 |
|
Meglátjuk.
Nem véletlen a győri terepasztal volt? |
|
(#62049) etwg válasza siemenstaurus hozzászólására (#62048)
|
Válasz •
|
Feb 11, 2020 |
|
Nem.
|
|
(#62071) diginewl válasza diginewl hozzászólására (#61275)
|
Válasz •
|
Feb 18, 2020 |
|
Tiszteletem! Összefoglalnám, és saját tanulságaimmal egyben megosztanám tapasztalataimat a Nagyérdeművel.
QRD1114 reflexiós opto + 567 PLL együttese történetében, hogy mindenki örömét lelje ebben az egyszerű áramkörben.
Az előzményben bemutatott áramkört több helyen módosítottam a többszöri nyüstölés, hibák jelentkezése végett.
-QRD érzékelő. Véletlenül jöttem rá, hogy a tokból a LED, és a tranyó is könnyen kiszedhető. Ha fordítva teszem vissza pl. a LED-et akkor könnyű a közös GND-t kialakítani, és a lábakat elvezetni. Visszarakás után derült ki, hogy gyárilag nincsenek "leültetve" a helyükre az alkatrészek a tokban...  Ezt érdemes megcsinálni egy pici nem karcoló pl. műanyag darabbal mind a két egységben. Így sokkal csőlátóbb lesz az érzékelő (piros nyíl - ültetett). Így "leültetve" az érzékelő, a síntől távolodva közép irányba 2mm-re már nem ad hibás jelet, a sín tükröző hatása miatt. (TT-ben, talán N-ben is felhasználható így).
-PLL áramkör. Mellékeltem a végleges kapcsolási mórickarajzot.
Az áramkör kb. 450Hz-n megy.
A LED előtét ellenállás értékével lehet játszadozni (rajzon 100Ohm)
50 Ohm: minden létező fölé került valamit érzékel, folyamatosan - hátránya, hogy a síntől kb 2 cm-re van a látóhatára.
100 Ohm: majdnem minden fölé került dolgot érzékel (vannak különösen kevésbé fényvisszaverő magas vagonaljak, ott néha elveszti a cérnát.
150 Ohm: biztosan érzékeli a fölé került mozdony/vagon elejét (ahol a kerekek stb. szoktak lenni). Ez a mód azért nagyon hasznos, mert itt az érzékelő már csőlátó, azaz csak azt érzékeli ami belóg a sín fölé (valamint keveset is fogyaszt).
Ha az érzékelő, és a feldolgozó áramkör 30cm-nél hosszabb vezetékkel van összekötve, akkor a betápra az ic-hez kell egy 470uF elektrolit is, ugyanis e távolság fölött érzékenyedik a rendszer. Eddig 2,5 méter hosszú vezetékkel próbáltam összekötni, ezzel nem volt gond, ha az IC megkapta ezt a plusz elkót is. Természetesen az összekötő vezeték keresztezett minden létező DCC, és egyéb tekercses áramkört, hátha felmegy rá zaj - nem ment.
Külső fényforrások (Nap/neon/halogén lámpa) nem zavarják a visszajelzést, de értelemszerűen gyengítik az érzékelést. Ha közvetlenül oldalról megvilágítjuk az érzékelőt egy halogén lámpával, akkor előfordulhat, hogy a vagonok magasabban levő részeinél a jelzés elveszik (de általában nem jellemző, hogy közvetlen közelről 30W-al megvilágítjuk a terepasztalt.  )
Itt a vége.
|
|
|
|
(#62077) hamel válasza diginewl hozzászólására (#62071)
|
Válasz •
|
Feb 19, 2020 |
|
Szia J. ! Ezzel a kapcsolással én is eredményesen játszogattam. Először a CNY 70 érzékelővel, mert nem találtam jobbat. TT vágány alá barkácsolni kellett vele. Aztán rátaláltam a Kingbright KTIR 08115 érzékelőre, ez már univerzálisan jó, 2,7x2,7 mm a mérete. A lábaira kell vigyázni, hajlítgatásra könnyen törnek. |
|
(#62078) promise válasza hamel hozzászólására (#62077)
|
Válasz •
|
Feb 19, 2020 |
|
Egy észrevétel: KTIR 0811S a helyes megnevezés 08115 helyett.
Én is ezt fegom használni nagy valószínűséggel. |
|
(#62079) diginewl válasza hamel hozzászólására (#62077)
|
Válasz •
|
Feb 19, 2020 |
|
Igen, azt én is kipróbáltam - ebben a kapcsolásban. Cuki, kis alkatrész 
Valóban TT/N-hez jobb. Ott nálam úgy jött ki, hogy 50Ohm-os ellenállással a mozdony/vagon elejét, tengelyeket észrevette, mást nem. |
|
(#62176) HOTotya hozzászólása
|
Válasz •
|
Márc 7, 2020 |
|
Sziasztok!
Na elektromos zsenik...  figyelem.
Van egy olyan kérdésem, hogy miképp' tudom a legegyszerűbben megoldani a következőket:
Van egy 12 V DC motorom, amit a nyomógomb folyamatos nyomásával kell a motornak 1 teljes körbefordulás után megállnia, majd HA a nyomógombot elengedem, akkor ismét forogjon a motor 360 fokot! Természetesen megint alaphelyzetbe állva.
Csak 12 V DC-m van! (Relém van, 12 V-os.)
Szemléltető ábrával..  |
|
|
|
(#62177) HOTotya válasza HOTotya hozzászólására (#62176)
|
Válasz •
|
Márc 7, 2020 |
|
|
|
(#62178) Antal Miklós hozzászólása
|
Válasz •
|
Márc 7, 2020 |
|
Sziasztok. Van valaki aki tudna segíteni Arduino programozásban? Megakadtam, és szívesen vennék egy-két rugdosást privátban, de a téma terepasztalhoz kapcsolódik. Köszönettel dead: |
|
(#62179) etwg válasza Antal Miklós hozzászólására (#62178)
|
Válasz •
|
Márc 7, 2020 |
|
Irj privat cimet a PM-be. |
|
(#62290) róbertke hozzászólása
|
Válasz •
|
Ápr 22, 2020 |
|
Köszi Csíkosmester a Zeuke reléket kiváltó áramköröket. Egy kandallógyújtó dobozában szépen elfér az öt áramköri lap. |
|
|
|
(#62291) róbertke válasza HOTotya hozzászólására (#62177)
|
Válasz •
|
Ápr 22, 2020 |
|
Jó, jó, de mi a működő megoldás? |
|
(#62308) csíkosháTTú válasza róbertke hozzászólására (#62290)
|
Válasz •
|
Ápr 25, 2020 |
|
|
|
(#62311) proba válasza HOTotya hozzászólására (#62176)
|
Válasz •
|
Ápr 26, 2020 |
|
Morzés nyomógomb, morzés végállás kapcsoló, lépcsőházi világítás bekötés. ( alternatív kapcsoló) |
|
(#62354) PikoDCC hozzászólása
|
Válasz •
|
Máj 1, 2020 |
|
Sziasztok!
Mivel nincs sok helyem a pályához ezért elkezdtem keresgélni megoldást a két vágányos dupla váltóra és egyre inkább egy hózentróger lett a megoldási lehetőségem. Szeretném ezeket megoldani elsődlegesen Piko A sínekből, de néztem még a Pilz kész váltóját is. Közben viszont az az ötletem is felmerült, hogy nem lehetne-e ezt valahogy Piko sínekből összeollózni, hogy a méretezése is számomra megfelelő legyen. Ami képen is látszik felül, az a kész modulokból elkészített hózentróger, ekkor viszont számomra túl nagy lesz a két sín közötti táv aminek a kompenzálására már nincs hely. Amekkora távot szeretnék elérni az a gyári távolság (61,9mm a két egyenes szakasz középpontjai között, lenti ábra). Megoldható-e lenne valahogy, hogy 2-2db WR és WL váltóval és K30 kereszteződéssel a kitérők hosszát és a K30 túllógó részeit levágva elérjem a hózentrógerrel is a 61,9mm távolságot? Persze még pár egyenest is méretre vágva ahol hiányozna bármilyen sínanyag. |
|
|
|
(#62357) Váltógyártó válasza PikoDCC hozzászólására (#62354)
|
Válasz •
|
Máj 2, 2020 |
|
Hi!
Nem lehet kész darabok összevágásával megoldani, mert az átszelés 30 fokos, viszont a kitérő a szívdarab után (ahol el kéne vágni) még csak 12 fokos. A régi Pilz hózentrógernél a vágánytengelyek távolsága 55mm, tehát ez sem játszik, ha 62mm-t akarsz. Sajnos ezt meg kell építened, ha pont ilyet akarsz!  |
|
|
|
(#62360) PikoDCC válasza Váltógyártó hozzászólására (#62357)
|
Válasz •
|
Máj 2, 2020 |
|
Szia!
Köszi a gyors választ, azt hittem már ott is 15 fokos a váltó, nem csak a végén, viszont sajnos nekem se eszközöm, se tudásom ilyen vágány építésére házilag. Egyébként nagyon jól néznek ki azok a hózentrógerek  |
|
(#62362) PikoDCC válasza PikoDCC hozzászólására (#62360)
|
Válasz •
|
Máj 2, 2020 |
|
Közben még azon gondolkodtam, hogy mennyire lehet ezeket a távokat csökkenti, hogy a párhuzamos 61,9mm lemenjen erre az 55mm-re. Lehet ez érné meg a legjobban még mindig, akár a kis 7.5 fokos ívekkel kisakkozni a szűkítést oda (vagy a flexibilis sínből levágni egy kisebb szakaszt amivel ez pl 100mm-en csökkenthető), gondolom a kisebb táv nem okozna gondot ha egymással szembe közlekedik két szerelvény, illetve akár az egyeneseknek is van kis hajlása amivel szűkíthetek a távolságon. A kérdés még, hogy egy digitális rendszerben ez a Pilz váltó mennyire stabil működésű a találkozási pontok miatt? |
|
(#62363) etwg válasza PikoDCC hozzászólására (#62362)
|
Válasz •
|
Máj 2, 2020 |
|
Ellentétben a nagyvasuttal a modellvasuti vágányzatnak van egy meglehetösen pontos, merev geometriája, amibe nem lehet belekontárkodni mert azzal oda az üzembiztonság. Ebbe beletartozik többek között az ivek sugara, az adja a kitérök szögét és az ivek tangens hossza, ami az egyenesek hosszát adja. Csak igy lehet biztonságosan kirakni a vágányzatot. Ebböl adodik a sinek közötti távolság is. Minden eltérö geometriát meg kell tervezni és alapbol megépiteni. Más opcio nincs.
A régi Pilz és uj PIKO sinek ugyanugy használhatok a digitális vasuthoz, mint az egyenáramuhoz. Ott nincs miröl filozni. |
|
| |
2026. Ápr, 02. Csü 1:32:19 |
| |
Jelenleg 13 fő olvassa az oldalt |
|
|