|
|
|
DCC profiktól (nem csak) profiknak
|
Témaindító: Frankye, idő: Jan 23, 2013
Témakörök:
|
|
|
(#55921) diginewl válasza Arctic37 hozzászólására (#55920)
|
Válasz •
|
Ápr 18, 2017 |
|
Hali!
Z21, vagy z21? Nem mindegy a "z" mérete. A pici z ha jól tudom nem tud sínfeszt állítani.
Ha az MM 10764-es fekete dobozba beküldesz egy stabil 14V egyenáramot, abból kb 13V DCC fog kijönni. (először egyenirányít, majd csinál belőle DCC-t.
Multimaus rendszerben a központ maga piros kütyü, amit a kezedben fogsz. A fekete doboz csak erősít.
Írni a sima MM is tud, slave porton (10764-es fekete doboz) köthetsz hozzá X-press net-PC interface-t akkor tudod PC-ről is küldeni ki a programozást (Lásd pl. digitools digiprogram programja), így ha feljegyzed mit küldtél ki, akkor talán ez a legolcsóbb beruházás. Nem kell venni pl. nano-x-et.
z21 startot bontva érdemes venni az "irányjelző" (index) börzén. Ott a startszettből, ha árulják, csak azt veszed meg, a síneket/mozdonyt nem.
Remélem tudtam segíteni 
Newl |
|
(#55922) Arctic37 válasza diginewl hozzászólására (#55921)
|
Válasz •
|
Ápr 18, 2017 |
|
Helló!
Igen segítettél. Először én is azt ötöltem ki(csak gondoltam tanácsot kérek az okosabbaktól  , hátha van valami jobb megoldás, ami megfelel), hogy egy DIY PC illesztővel a gépről JMRI-vel programozok és az meg AZT HISZEM el tudja menteni egy-egy dekóder beállításait és így meg is van az adat, és nem is kell olvasni a dekódert. Az illesztő meg diy-ből kifolyólag 1-2e ft. A tápnál akkor meg sz ERINtem bekötök egy 14-12V-os laptop töltőt, mert TT-be kötném be, annak meg AZT HISZEM a 19V magas (mondjuk a 12V meg lehet, hogy alacsony).
Ha a fenti eszmefuttatásnak valamelyik része nem működne, nyugodtan javítsatok ki  |
|
(#55926) hkrisz79 válasza Arctic37 hozzászólására (#55920)
|
Válasz •
|
Ápr 18, 2017 |
|
Húhúú ezzel a kérdéssel itt megrázod a méhkast...   Párszor már ki lett vesézve, sz ERINtem olvasd vissza a fórumot. Egyébként nem, nem lesz egyenlő a sínfeszed a bemenő tápfesszel. Nálam okosabbak itt levezették hogyan tudod számolni. |
|
(#55927) jvnd válasza Arctic37 hozzászólására (#55922)
|
Válasz •
|
Ápr 18, 2017 |
|
Nézd meg ezt az oldalt, bár nem hiszem, hogy dekódert programozni tudsz majd vele. DDW
|
|
(#55928) Arctic37 hozzászólása
|
Válasz •
|
Ápr 18, 2017 |
|
hkrisz79: Engem a pontos számolások nem érdekelnek, elég ha valaki megmondja, hogy max X Voltos betáplálásig ajánlatos TT vezérlésére használni.
jvnd: A DDW honlap annyira nem aktuális, tekintve, hogy nem szeretném pc-ről vezérelni az asztalt, meg elég elavultnak tűnik maga a program. De azért kösz az ajánlást. |
|
(#55929) Frankye moderátori
hozzászólása
|
Válasz •
|
Ápr 19, 2017 |
|
Kérem, hogy az MSN szlenget ("asszem", sztem", és hasonlók) szíveskedjetek a továbbiakban mellőzni!
Szabályzat VI. pont |
|
(#55931) csíkosháTTú válasza Arctic37 hozzászólására (#55928)
|
Válasz •
|
Ápr 19, 2017 |
|
TT-ben maximális sínfeszültség 14Veff.
Ha ragaszkodsz a ROCO 10764 erősítőhöz, akkor annak a bemenetére 15-16V egyenfeszültséget adva jön ki a sínfeszültség maximális értéke. De figyelj arra, hogy ez a maximum! Alacsonyabb lehet, de 12V alá nem érdemes menni.
A nanoX-s88 központ nem csak azért jó beruházás, mert benne van a komplett PC illesztés. Az egy dolog. Sokkal stabilabb, mint a ROCO bármelyik erősítője (a Z21-től is jobb!) Nézz meg egyet. A nanoX maximális leadható sínárama 3A. A kütyü egy fém doboz, egy jókora hűtőbordával, rajta a nagy áramot leadó eszközökkel.
A ROCO 10764 az egy pici műanyag dobozka, hűtés nélkül, és a sínáramot olyan eszközök adják, amilyeneket a dekóder gyártók tesznek be a H0 méretű mozdonyokba való dekóderekbe. Ennek ellenére a max sínáramot a ROCO is 3A-nek adja meg...
DE a döntés a Tiéd! Kisebb asztalokhoz a ROCO komplett rendszere is megfelelhet, még jó is lehet, csak a gyári tápegységeit kell lecserélni megfelelőre. Sajnos gyári állapotban olvasni a 10764-es erősítővel a rendszer nem tud. (Azt azért néha érdemes ellenőrizni, hogy a programozáskor a dekóder valóban vette-e az "adást"...) |
|
(#55936) Arctic37 válasza csíkosháTTú hozzászólására (#55931)
|
Válasz •
|
Ápr 19, 2017 |
|
A nanoX, ne értsetek félre, tetszik, szerintem ár/érték arányban tényleg nagyon jó, CSAK
1) A nanox-hez még mindig kell MM és így együtt az 40-50 ezer ft (saját vezérlőjével 40-45), és annyit nem szeretnék rászánni. Az otthoni megépítést meg inkább hanyagolnám, mert nem hiszem, hogy a hobbielektronikába egy ilyen projekttel kéne újra-belépni.
2) a TT-topikban véleményezett asztal (legfeljebb 2 vonat egyszerre, ez kb. 0,8-1,2A lehet, azt meg bírja a Roco is) vezérlésére szeretném használni, és ahhoz meglátásom szerint (és a tied szerint is) elég a Roco.
3)DIY Paco GenLI-vel tudom programozni a gépről is és az ottani program pedig el tudja menteni a dekóderbeállításokat, így az olvasásnak már nincs akkora jelentősége.
Később gondolkodom egy NanoX vagy egy z21 beszerzésén, ha az igények bővülnének, de egyelőre elég nekem a MM egy laptop táppal ellátva. |
|
(#55944) somitomi válasza Frankye hozzászólására (#55929)
|
Válasz •
|
Ápr 19, 2017 |
|
OFF:
 Hűha? MSN? Létezik az még? 
ON: |
|
(#55945) jvnd válasza Arctic37 hozzászólására (#55936)
|
Válasz •
|
Ápr 20, 2017 |
|
Szia. A GenLi egy RS232 (vagy USB) - XpressNet illesztő. Az Xpressnet buszhoz, viszont kell valami egység ami értelmezi a parancsokat és DCC jelet ad ki magából. Az, hogy a GenLi-vel önmagában dekódereket programozol az egy érdekes kérdés enélkül az átalakító (valamilyen központ) nélkül. (Szerintem nem fog menni.)
Ha van egy ilyen illesztő egységed, nem kell MM, azaz kézivezérlő, mert annak a feladatait el tudja látni a számítógép.
Központ, bármilyen XpressNet kompatbilis lehet. (NanoX, OpenDCC, Lenz, vagy akár saját fejlesztés is ami tudja ezt a szabványt.) Nézd meg pl. a Lenz központ leírását. Sok sikert. |
|
(#55946) diginewl válasza jvnd hozzászólására (#55945)
|
Válasz •
|
Ápr 20, 2017 |
|
Valahol sejtem mit szeretne a kollega (Arctic37) 
Hosszú lesz
Olcsón pc-ről programozni.
Ezzel két baj lesz - tanulva saját tapasztalataimból.
1; A gen-li PC/xpres net interfész jó ötlet. Ha már megvan a fekete roco doboz, meg a piros MM, akkor ezt rákötve megoldható. ELVILEG! Az, hogy a JMRI tud-e ezen kersztül kifelé programozni, azt nem tudom. A Digitoolsnak van egy digiprogram nevű FREE programja, ami ELMÉLETILEG működik Lenz klónokkal, amilyen a gen-li, és a nanoX pc illesztője.
Digitools ingyenes program
Azért mondom, hogy elvileg, mert próbáltam én is a fekete roco egységgel, meg a nanoX-el is. A rocoval kb 1%-ban működött, azaz nagyon ritkán, a nano-x (mivel ez tud olvasni is) már úgy az éppen használható szinten működött együtt. Hangsúlyozom ez a digitolls saját programja, ami a saját céleszközével TÖKÉLETESEN megy (ezt is kipróbáltam annó), de más eszközök nem jól működnek vele együtt, ami nagyon valószínű, hogy az eszközök nem e célra szolgáló oldalát próbáljuk feszegetni.
2; Ha csak beírni tudunk. Roco központ+fekete doboz, akkor sajnos ott van az a bizonytalanság, hogy mi van, ha nem vette be a dekóder a parancsot. Nem tudjuk visszaolvasni, így sosem lehetünk benne biztosak...
Sajnos így 6 év távlatában arra jutottam, hogy ott a Nano-x központom, ami ki tud olvasni, és ezzel nagyon elégedett vagyok. Ha azt nézem, hogy 5 éve megvan, és eddig tökéletes volt, nagyon nagyon megéri az árát. Ez van, bizonyos dolgokat meg kell venni DCC-ben, a többit le lehet gyártani olcsón, ha értesz hozzá.
Saját tapasztalat
 |
|
(#55947) Arctic37 válasza jvnd hozzászólására (#55945)
|
Válasz •
|
Ápr 20, 2017 |
|
Akkor lehet hogy nem fogalmaztam elég pontosan. Úgy értettem hogy a roco központ és a pc közé raknám be a GenLi-t nem standalone-ként. |
|
(#55950) Arctic37 válasza diginewl hozzászólására (#55946)
|
Válasz •
|
Ápr 20, 2017 |
|
A JMRI a honlapja szerint működik a GenLi-vel. Remélem a valóságban is összejön. Annyira nem tervezek minden nap új dekóder beállításokat feltöltögetni. Csak az elején mikor megveszem, beállítok néhány CV-t és kész (cím, 28as sebességgörbe, ABC fékezés. Kb ennyi). Persze ez elején ki kell kísérletezni a jó értékeket de utána már minden mozdonyra jó lesz (a címet kivéve) (legfeljebb minden programozást megismétlek 4x, hogy biztosra menjek  ) |
|
(#55951) csíkosháTTú válasza Arctic37 hozzászólására (#55950)
|
Válasz •
|
Ápr 20, 2017 |
|
Idézet: „Persze ez elején ki kell kísérletezni a jó értékeket de utána már minden mozdonyra jó lesz ”
Ennek a mondatnak a második felére azért ne vegyél mérget.  Jelentős különbségek vannak a modellek között. Más a motor, mások az áttételek, más a modellek tömege, stb. stb. |
|
(#55959) jvnd válasza Arctic37 hozzászólására (#55947)
|
Válasz •
|
Ápr 20, 2017 |
|
Rendben, most már értem mit szeretnél.
Ötlet: Csinálj egy RailCom display-t (vagy vegyél) és akkor a beírt értékeket is látni fogod PoM üzemmódban. Használhatod eddigi rendszered minden bővítés nélkül. Ha ki akarod próbálni a konfigurációt segíthetek, minden megvan belőle. Eljössz és megnézed élőben. |
|
(#55960) Arctic37 válasza csíkosháTTú hozzászólására (#55951)
|
Válasz •
|
Ápr 20, 2017 |
|
Ha remény hal meg utoljára  , de természetesen egyetértek veled
Jvnd: Az ötlet nem hangzik rosszul. Ez a konfiguráció egy dekóder tetszőleges CV-jét ki tudja olvasni (mondjuk egészen a CV255-ig)? PoM üzemmódban a MM képes programozni ugyanezt a tartományt (a dekóder összes CV-jét)? |
|
(#55961) csíkosháTTú hozzászólása
|
Válasz •
|
Ápr 20, 2017 |
|
Urak!
Valaki erősen hezitált, hogy mi legyen egy aprócska mozdonnyal, amibe csak 5V-os motor fér be. Nos megszületett a megoldás, úgy hívják, hogy:
Tran DCX65.
6*5*1,8mm, és a motor kimenet 5V-os! A sínfeszültség: 7-21V DCC. |
|
(#55962) etwg válasza csíkosháTTú hozzászólására (#55961)
|
Válasz •
|
Ápr 20, 2017 |
|
Sikerült belepaszirozni egy MC34063-at????
 |
|
(#56111) tumikas hozzászólása
|
Válasz •
|
Máj 4, 2017 |
|
Röwa T3-as digitalizálással kapcsolatban vannak tapasztalatok? Van értelme foglalkozni vele? |
|
(#56112) róbertke válasza tumikas hozzászólására (#56111)
|
Válasz •
|
Máj 4, 2017 |
|
Van egy ilyen veterán géped?? Fényképet tudnál felrakni róla?? |
|
(#56113) tumikas válasza róbertke hozzászólására (#56112)
|
Válasz •
|
Máj 4, 2017 |
|
Még csak tervezném a vásárlást, a digitalizálás nehézségétől függne. Kaptam egy jó ajánlatot egy DR-es gépre. |
|
(#56114) etwg válasza tumikas hozzászólására (#56113)
|
Válasz •
|
Máj 5, 2017 |
|
Ez már egy jo kis veterán - vagy 40 éves (inkább több). Annak ellenére a Röwa azonban eĺég halado szellemü cég volt igy modelljeiben sokkal modernebb konstrukcios részletek (pl motor) voltak mint a korabeli más modellekben. Amennyiben jo állapotban van biztosan, lehet digitalizálni. Viszont ha beteg, valoszinüleg kilátástalan a javitása. A kezdetben a Röwa a Trixnek fejlesztette ezt a mozdonykát, de azután összevesztek. Nem tudom mi maradt meg ebböl a konstrukciobol a mai Trix T3-ban.
Sok tapasztalat nem igen van részben a kora miatt, részben a ritkasága miatt, a tiszavirág életü Röwa miatt. Lehet, hogy a Roco modell is ebböl a konstrukciobol származik. |
|
(#56115) csíkosháTTú válasza tumikas hozzászólására (#56111)
|
Válasz •
|
Máj 5, 2017 |
|
Van, de nem minden dekoder jó bele.
A másik fontos kritérium, hogy hibátlannak kell lennie, mert alkatrész az nincs hozzá sehol. Megvenni csak úgy érdemes, ha:
- személyesen, alaposan meg leet nézni minden oldalról, és ki lehet próbálni;
- ismerjük az eladót, és megbízható, meg is bízunk benne.
Ilyen korú modelleknél ezek hiányában, pusztán a leírás, és pár fotó alapján dönteni, több, mint rizikós. |
|
(#56265) EnTeO hozzászólása
|
Válasz •
|
Máj 21, 2017 |
|
T. Modellező Kollégák!
Elnézést, ha nagyon nagy hülyeséget kérdezek (csakis a kezdőségem lehet az oka): elérhető-e a piacon olyan eszköz, hogy digitális relé DCC üzemre?
Arra gondolok, ha egy mozdony áthalad egy sínszakaszon, akkor kapcsol egy "digitális relét", ami a felhasználó által könnyen változtatható módon meghatározott címre meghatározott utasítást küld ki...
Olyasmire gondolok, mint ez, csak éppen több szabadsággal a címzésben és az utasításban, itt ugyanis előre definiált feladatok vannak:
Bővebben: Link
Ez pl. használható DCC-ben automatikus tárközjelzés és vonatbefolyásolás megvalósítására, vagy éppen egymás után beérkező vonatok különböző vágányokra való küldéséhez. Egyelőre csak a kíváncsiság vezérel, későbbi digitális terepasztal-építéséhez a piac, az eszközök felmérése, hogy miből mit (és mennyiért és milyen bonyolultsági vagy éppen egyszerűségi fokon) lehet megvalósítani. Pl. milyen a fentihez hasonló eszközök léteznek még? Mennyire kötöttek egy adott elképzeléshez, mennyi a "szabadsági fokuk"?
Köszönettel a segítőkész reakciókért előre is! |
|
(#56266) róbertke válasza EnTeO hozzászólására (#56265)
|
Válasz •
|
Máj 21, 2017 |
|
Nézz körül csíkosháTTú honlapján ..... amíg ő maga nem jelentkezik... |
|
(#56267) diginewl válasza EnTeO hozzászólására (#56265)
|
Válasz •
|
Máj 22, 2017 |
|
Nem károgni akarok, de amilyen egyszerűre gondolsz, olyan nehéz lesz megoldani. 
Ha több szabadsággal, és címzéssel szeretnéd, akkor: PC, vagy valami okosbigyó.
Minél "faékesebb" (egyszerűbb) megoldás felé mész, annál több dologgal kell szembenézned.
A lenzABC még talán a leguniverzálisabb, központtól független vonatbefolyásolás, de ahhoz olyan dekóder kell ami ezt tudja, meg egy rendes DCC központ stabil DCC jellel.
Meglátjuk mit ajánlanak a profik - mert valahol engem is érdekel a téma (mert a PC sem leányálom teljesen, meg ahhoz kell program is  ) |
|
(#56268) csíkosháTTú válasza EnTeO hozzászólására (#56265)
|
Válasz •
|
Máj 22, 2017 |
|
Szia!
Egy lehetőség.
Ide kattintva egy pdf füzetet nyitsz meg, hátha ad egy-két ötletet. |
|
(#56269) csíkosháTTú hozzászólása
|
Válasz •
|
Máj 22, 2017 |
|
Szombaton a nagyobbik fiammal dolgoztunk, gyakorlatilag egész nap, egyetlen gőzösön. (Shabbat Shalom!) Ez egy Märklin BR01-es, csak éppen 1-es méretben. Dekódert kell cserélni benne, mert a gyári nem tudja a terhelés függvényében kezelni a füstgenerátort, és a videók között a TT-ben megnézhető "Kupplung Walzert" sem. Azt sejtettük, hogy nem lesz könnyű a gyári helyébe bevarázsolni a ZIMO MX699-est, de erre nem számítottunk... A mozdonyban, és a szekocsiban is (itt lakik a hang is, hangszóróstul) táncteremnyi, sőt hangárnyi hely van, ennek ellenére a modellben 3db dekóder van gyárilag. Most már tudom, hogy miért ilyen drága.  Egy dekóder a szerkocsiban vezeti a mozdonyt, és kapcsolja a menetfényeket. A második a szerkocsiban adja a hangot. A harmadik a mozdonyban (sic!) kezeli a füstgenerátort, a vezetőállás világítást, és a szervízfényeket. A szekocsi dekóder-párosa együtt címezhető a megszokott Märklin kapcsolókkal, a mozdonyban lévő funkció dekóder viszont külön életet él! Ahhoz, hogy a teljes mozdony címét átállítsd, ahhoz a szerkocsiban lévő, és a mozdonyban lévő dekódert is át kell címezni. A szerkocsiban a kapcsolókhoz úgy lehet hozzáférni, hogy leveszi az ember a szénbunkert, és ott virít a szeme előtt. Viszont a mozdonyé már komolyabb, ugyanis a BR01 első futó forgóvázát ki kell szerelni, lekötni elektromosan, és leszerelni a hordozó lemezét is, mert a kiegészítő funkció dekóder alatta van!  Ez még OK is lehetne, csakhogy erről az utóbbiról a használati utasítás mélyen hallgat. Így aztán könnyen járhat úgy 1700Euro-ért a kuncsaft, hogy a mozdonyt a gyáriról átcímezve a modell füstölője, és a mozdony extra világításai nem fognak működni, és akkkor szegény ott áll tehetetlenül... Made in Germany 
Régóta az a véleményem, hogy a nevezett gyártó egyáltalán nem ért az elektronikákhoz. Sajnos, mint az elmúlt években is láthattuk, annyira nem, hogy bevásárolni sem tud... 
Az átépítés utolsó fázisaiban van. A gyári elektronika már ki van szerelve, a mozdony vezetékezése is át lett szabva, ugyanis kap a füstszekrénybe, a füstölőhöz is egy hangszórót (a füstölő is cserélve lesz egy újra). Minden funkciót, és az extra hangszórót is, az új, ZIMO MX699KS dekóder fogja kezelni. Az még a próbák kérdése, hogy a szerkocsiban lévő gyári hangszóró marad-e, vagy az is cserélve lesz. Még át kell írnom a ZIMO hanganyagát, be kell igazítani a nagy Märklinhez pár dolgot, talán estére meg leszek vele. |
|
(#56298) Arctic37 hozzászólása
|
Válasz •
|
Máj 25, 2017 |
|
Sziasztok!
Az a kérdésem, hogy a tartozékdekódereket hogyan lehet programozni (CV-it változtatni, ilyesmi) MultiMaus-szal (Ha egyáltalán lehetséges)? Ha nem lehetséges, akkor pc-ről van lehetőség erre XpressNeten keresztül (Fekete Roco központtal)?
Előre is köszönöm a segítséget |
|
(#56299) csíkosháTTú válasza Arctic37 hozzászólására (#56298)
|
Válasz •
|
Máj 25, 2017 |
|
Melyik tartozék dekódereket?
- Van, amelyiket hagyományos módon.
- Van olyan, amit programozó módba kell kapcsolni előbb.
- Van olyan, ahol meg kell nyomni és a kívánt címen kiadott parancsig lenyomva kell tartani egy nyomógombot (pl. CSM230RG váltódekóder).
- Van olyan, hol a váltók kézzel át kell kapcsolgatni párszor, amíg magától kattogni nem kezd a váltó, és így kell programozni (pl. ROCO gyári geoLine váltódekóder). |
|
(#56303) Arctic37 válasza csíkosháTTú hozzászólására (#56299)
|
Válasz •
|
Máj 25, 2017 |
|
Nyomógombos dekóder, de a kérdésem igazából arra vonatkozott (bár akkor nem volt egyértelmű a kérdés), hogy a Multimausból hogyan lehet elérni az eszközdekóderek CV-it (a váltó címének beállítása után miket kell csinálni?)? |
|
(#56319) Arctic37 válasza Arctic37 hozzászólására (#56303)
|
Válasz •
|
Máj 26, 2017 |
|
És még egy kérdés: ABC fékezésnél az összes, világítással elátott személykocsinak a szakaszon belül kell lennie (feltéve ha egy személyvonatról van szó) vagy csak a mozdonynak? |
|
(#56322) csíkosháTTú válasza Arctic37 hozzászólására (#56303)
|
Válasz •
|
Máj 26, 2017 |
|
Jó kérdés. Sajnos a MultiMaus esetében ilyen tapasztalatom nincs. |
|
(#56323) csíkosháTTú válasza Arctic37 hozzászólására (#56319)
|
Válasz •
|
Máj 26, 2017 |
|
Elvileg csak a mozdonynak.
Viszont, vannak olyan kocsik - pl. a Kühn TT-s Y kocsik, és a Silberlinge-k, meg a ROCO pár H0-ás személykocsija - amik minden kerékről szednek áramot. Sajnos ebben az esetben előáll az az eset, hogy az ilyen kocsik áthidalják az ABC szakaszolását, és "bevezetik" a sima DCC sínjelet az aktív szakaszba, kvázi blokkolva az ABC jelet. |
|
(#56324) Arctic37 válasza csíkosháTTú hozzászólására (#56323)
|
Válasz •
|
Máj 26, 2017 |
|
Erről a személykocsiról van szó, ami ahogy láttam minden kerekéről szedi az áramot "sajnos". Ilyenkor az összes ilyen kocsinak bent kell lennie a szakaszban? |
|
(#56325) diginewl válasza Arctic37 hozzászólására (#56303)
|
Válasz •
|
Máj 26, 2017 |
|
PACO-s dekóderek? Ezeket ugyanúgy tudod címezni, mintha egy mozdonydekóder lenne. Csak az a dekóder legyen a dcc kimeneten, amit progizni szeretnél.
Aztán beírod az MM-be hogy cv1=3, aztán OK. Aztán megnézed, hogy bevette-e, azaz hallgat-e az új parancsra. |
|
(#56326) Arctic37 válasza diginewl hozzászólására (#56325)
|
Válasz •
|
Máj 26, 2017 |
|
Igen róluk van szó  Köszönöm a segítséget! |
|
(#56328) Arctic37 válasza Arctic37 hozzászólására (#56326)
|
Válasz •
|
Máj 26, 2017 |
|
Még annyi, hogy állítgatni a MM-on hogy lehet? Ugyanúgy mint egy normál váltót, vagy úgy mint egy mozdonyt (utóbbi esetben, azt hogy kell)? |
|
(#56343) csíkosháTTú válasza Arctic37 hozzászólására (#56324)
|
Válasz •
|
Máj 29, 2017 |
|
Abban egy oldalon szigetelt kerékpárrok vannak. Ergo: egy forgózsámoly csak az egyikínről szed áramot. |
|
(#56415) csíkosháTTú hozzászólása
|
Válasz •
|
Jún 8, 2017 |
|
Kezembe került egy vadonat új, Gützold BR120, Taigatromel (idehaza Szergejként ismerjük). Ebben már PLUX22-es dekóder foglalat van, hála istennek. A gyár becsületesen ki is kötötte a zárfényeket az AUX1 és AUX2 tartalék funkciókra.
A gond ott van, hogy a dekóder gyártók hangspecialistái mindig elkövetik azt a hibát, hogy minden funkció billentyűt "teleraknak" hangeffektusokkal, F1-től kezdve. Sokszor olyan hangokkal, amiket nem is lehet hallani menet közben, vagy járó dízelmotornál (tipikus példa a Pielstick motoros MÁV M41-es légsűrítője). Nem marad hely a tartalék funkcióknak, így a nálam járt modellbe szerelt hangdekóder esetében sem lehet felkapcsolni a zárfényeket, mert a hangok miatt a funkció kimeneteket a dekóder gyártója deaktiválva adja. Fel kellene éleszteni őket, az OK, ez még relatíve egyszerű (sajnos nem, mert az ESU funkcions mapping-je egy logikátlan katasztrófa, és az innen inspirált egyéb hangdekódereké is, nagyon bonyolult programozni, és sok idő). És még a hangokat is más gombokhoz kellene rendelni. Ez az esetek 99%-ban meghaladja egy vasútmodellező képességeit, és félórás "anyázásokba" torkollik, alaposan elrontva ezzel a modellvasút élményét, mert viszi el az időt a tényleges játéktól. Ráadásul, ha ne adj' isten resetelni kell a dekódert, akkor az egész procedúrát lehet előről kezdeni.
Nna, nem szaporítom tovább a szót, a modellben a dekóder ki lett cserélve egy sokkal megbízhatóbb ZIMO MX645P22-re, amin egy móüdosított hanganyag van. A zárfényeket az F1-gyel lehet kapcsolni, a menetiránynak megfelelő végen fognak világítani, a hangok az F4-től kapcsolhatóak. Ha valakinek kell az így módosított ZIMO hanganyag, akkor a .zpp fájlt szívesen elküldöm e-mailben, vagy a műhelyben fel is tudom tölteni bármilyen ZIMO hangdekóderre.
Kis munkát igényel ugyan, de az 1996-2010 között gyártott régebbi Gützold modelleken is meg lehet ezt csinálni, csakúgy, mint a ROCO H0-ás Szergején is. |
|
(#56418) csíkosháTTú hozzászólása
|
Válasz •
|
Jún 9, 2017 |
|
(Bocsánat, de...)
Ha a hülyeség fájna...
Ez egy Hobbytrain N-es (sic!) Plasser aláverőgép modelljének motorja, és a csomagoláson lévő "használati" útmutató. Inkább füstöltetési, és amperszagosítási...  |
|
|
|
(#56439) diginewl hozzászólása
|
Válasz •
|
Jún 13, 2017 |
|
Tiszteletem!
Olvastam valahol erre a sok cmos, meg TTL ic zaj problémát.
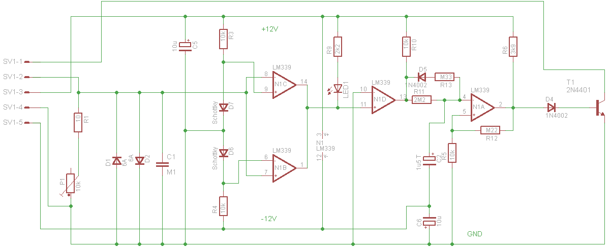
Azt szeretném megtudni, hogy a PACO-féle S88-as visszajelentő, és foglaltság érzékelő áramkört mennyire lehet egymástól térben eltávolítani? (egyáltalán szabad-e?) Itt látható egyben a panel detektor+s88 jelfeldolgozó(jelfogó:dióda+optocsatoló, és s88-as jelküldő)
Jindra Fucik oldalán olvastam erről, hogy 20cm-nél hosszabb kábelt nem javasolt használni.
Detectors bekezdés
Hasonló megoldás van még a trainmodules
S88
Érzékelő
Valamint a Gaspar DCC oldalon is.
Azaz fizikailag távol van egymástól a detektor, és a jelgyűjtő.
Itt nem írnak sehol sem kábel hosszúságot. |
|
(#56443) etwg válasza diginewl hozzászólására (#56439)
|
Válasz •
|
Jún 14, 2017 |
|
Nem használok ilyesmit, igy csak elméleti kommentár.
A DCC-ben a jelek másképp vannak kezelve, mint egy mezei logikai áramkörben, azaz a bemenetek "cimezve" vannak leolvasva ( s ha jobb a SW, akkor többször is, hogy kizárják a véletlent).
Az ilyen primitiv detektorokon pontosan az a legnagyobb baj, hogy inkább zavart visznek mint hasznos infot. (Ezért nem is használom). A sinekben DCC-ben változo feszültség van, igy az optokoplerek kimenetén is ez lesz plusz a zavarjel. Nem tudom mit hajt meg az optokopler, oda még nagyon elférne egy jelfeldolgozo áramkör (integrátor stb). Azon már eltünnek a zavarjelek.
Amugy a detektorokkal van a legkevesebb baj, hiszen azok állapotot hivatottak jelezni és nem változást. Azaz csak a be- ill kikapcsolt állapottal kell foglalkozni, ami rendszerint hosszabb ideig ott van, igy van idö vele foglalkozni ( a SW) és kiszürni a szemetet.
|
|
(#56445) csíkosháTTú válasza diginewl hozzászólására (#56439)
|
Válasz •
|
Jún 14, 2017 |
|
Ezekkel az egyszerű foglaltság jelzőkkel (a "detektorokra" gondolok) az a baj, hogy a kimenetükon gyakorlatilag minden zagyvaság megjelenik, ami a sínről kijön. Egy kis pályán, ahol max 2 vonat megy, és az egész asztal nem nagyobb, mint 2x1m, ott még jól is fognak működni. Egy próba pályán meg egyenesen kiválóan, "ékes bizonyítékul" szolgálva arra, hogy: Lám-lám! Két fillérből is össze lehet tákolni, és milyen jó, nem kell súlyos ezreseket fizetni a komolyabb, gyári elektronikákért.* Egy komolyabb forgalmat lebonyolító pályán aztán jönnek a megmagyarázhatatlan üzemi zavarok, meg a városi legendák, és mindenki elkezd kínlódni, sárral vakolni a vályogot, ahelyett, hogy tisztességes tégla épületet emelt volna fel. Tessék megnézni a Lenz foglaltságjelzőjét, vagy az ez alapján módostíott CSM120F-t, vagy jvnd kollága kombinált elektronikáját, ezekben mennyivel komolyabb az érzékelés megoldása. Sajnos nem is lehet őket két fillérből összehozni...
*: Kivéve az Uhlenbrock-ot, az ugyanilyen pár dióda. |
|
(#56446) etwg válasza csíkosháTTú hozzászólására (#56445)
|
Válasz •
|
Jún 14, 2017 |
|
Igy van s már többször volt erröl szo, de hát tudjuk , hogy az ismétlés a tudás anyja,  igy berakom mégegyszer a sokszor és tökéletesen bevált megoldást.
Lehet persze mindenen rágodni meg sporolni, de nem hiszem, hogy pontosan egy ilyen alapvetö dolgon kell a sporolást kezdeni. A jelenlegi terepasztalomon is már vagy 35 üzemel, de még lehet, hogy fog kelleni. Müködik DC-ben meg DCC-ben is. |
|
|
|
(#56449) diginewl válasza csíkosháTTú hozzászólására (#56445)
|
Válasz •
|
Jún 14, 2017 |
|
Jaj-jajj.  Mester!
Elmentünk a kérdés mellett. És csak zűrzavar lesz. 
A kérdés az volt: lehet-e, és mekkora távolság a detektor, és az S88 buszrendszer között.
(Abba ne menjünk bele, hogy mi van a detektor oldalán. Mert itt van mellettem egy JVND, egy Digitools detektor+s88 panel. Ezekből összesen 5 darab van beépítve egy kétszintes "próba pályán" nálam. Egyszerre 5 vonat sem zavarta őket. Ezeknek a DCC sín oldalon levő detektor része egy-az egyben úgy néz ki mint a PACO oldalán levő, vagy a Fucik-féle oldalon levő. Ha jól megnézzük a Tarinmodules is pont ilyen.)
Tehát, maradjunk a kérdésnél: lehet-e, és mekkora távolság a detektor, és az S88 buszrendszer között? Vegyem alapul a Fucik-féle ajánlást, azaz a max 20 cm-t? Itt van.
Nem arról szeretnék vitát nyitni, hogy ezek mennyire jók/rosszak, hanem hogy ha készítek egy saját s88-as busz jelentőt, és külön hozzá fogyasztásérzékelő detektort, akkor a kettőt egybe építsem, vagy térben távolabb is lehetnek egymástól?
    |
|
(#56453) csíkosháTTú válasza diginewl hozzászólására (#56449)
|
Válasz •
|
Jún 14, 2017 |
|
Nem mentem el a kérdés mellett, csak akkor nem jól fogalmaztam meg a választ rá...
A nevezett érzékelők és bármilyen visszajelentő modulok között az a jó, ha minél rövidebb a vezetékezés, mert akkor legalább az a "sok" szutyok* nem terheli meg a rendszert, amit a kábel összeszed. De ezzel nem oldjuk meg a problémát egy minimálisnál nagyobb forgalmú, esetleg DCC vezérelt váltókat is tartalmazó pálya esetében.
*: A zavar forrása az ilyen érzékelők esetében sajnos maga az érzékelő. A zavarokat 90%-ban pont ezek termelik, csak a maradékért felel a vezetékezés.
Kicsit részletesebben, hogy mi is a bajom az ilyen egyszerűbb cucokkal. A gond ott van, hogy a diódákon ugye esik némi feszültség, ha van fogyasztó (működő modell) az adott vágány szakaszon. Namost ezeken a diódákon minden megjelenik, ami a sínen van, abszolút szűrés nélkül. Ez aztán az optocsatolóban lévő LED-t kezdi el "villogtatni". A mai kapható optocsatolók meg elégé gyorsak ahhoz, hogy a beépített LED "villogásának" ütemében nyitogassák a fototranzisztorukat. Ebből az lesz, hogy az optocsatoló kimentén a tranzisztor nyitott kollektora ennek a villogásnak az ütemében fogja rángatni a visszajelentő modul bemenetét a tápfeszültség és a GND, vagyis a 0V között, ha jól állították be. Ez aztán képes is lehet alaposan meghülyíteni a rendszert, ha nem egészen tökéletes az s88 modul hardvere, vagy a szoftver, ami feldolgozza azt a katyvaszt, amit ezzel előállítunk, és "információnak" titulálunk. Hogy értsd: nem tudja, hogy foglalt, vagy sem?
Ehhez csak hab lesz a tortán, hogy a vezetékezés is képes ilyen zavarokat előállítani.
Mint írtam, kisebb forgalom esetében ez nem lesz gond, legalábbis az esetek 80%-ban nem. Egy komolyabb forgalmú asztal esetében viszont bevisz az erdőbe, az fix. |
|
(#56454) etwg válasza diginewl hozzászólására (#56449)
|
Válasz •
|
Jún 14, 2017 |
|
A bemenetek lehetnek hosszuk, hiszen csak a helyben keletkezö feszültségesés számit.
Az opto kimenete már sokkal veszélyesebb (open collector), nem tudod milyen terhelésre dolgozik ( felhuzo ellenállás) és ami még veszélyesebb közös GND-jük van, igy ha ez tul hosszu megjelenhet rajta a fantom jel is.
Ezért én is amondo vagyok, hogy az optok a lehetö legrövidebb kábellel legyenek a bemenetekre kötve. |
|
(#56455) diginewl válasza etwg hozzászólására (#56454)
|
Válasz •
|
Jún 14, 2017 |
|
Ok! 
Köszönöm, Mindkettőtöknek a válaszokat. Így már értem!
 |
|
(#56480) BR95 hozzászólása
|
Válasz •
|
Jún 16, 2017 |
|
Üdv Mindenki!
Egy DCC hurokmodul el tud látni két "párhuzamos" (koncentrikus) vágányt, ha a szakaszolások a képen lévő módon vannak megoldva (piros vágányelemek)? Ha igen, nem okoz a behaladó szerelvény hatására térfélcserét játszó áram grimbuszt a másik vágányon álló szerelvénynek?
Előre is köszönöm a válaszokat!
Józsi |
|
|
|
| |
2026. Ápr, 02. Csü 17:06:54 |
| |
Jelenleg 409 fő olvassa az oldalt |
|
|