|
|
|
DCC profiktól (nem csak) profiknak
|
Témaindító: Frankye, idő: Jan 23, 2013
Témakörök:
|
|
|
(#52746) maya711 válasza csíkosháTTú hozzászólására (#52726)
|
Válasz •
|
Aug 23, 2016 |
|
Köszönöm, ez meggyőzött arról hogy marad a jó öreg(de azért inkább a bistabil) relé a modulomban. |
|
(#52747) maya711 válasza diginewl hozzászólására (#52742)
|
Válasz •
|
Aug 23, 2016 |
|
Nyilván van többféle megoldás a rövidzár nélküli hurok-váltásra. De ha már annyira nem tetszik Neked a Littfinski-féle megoldás, akkor igazán közölhetnél valami bővebb konkrétumokat az általad alkalmazott(nekem nagyon is szimpatikus) megoldásról. Csak hogy elkerüljük a hosszas kisérletezést. Például:
-- az összes sin-körüli alkatrész elhelyezésének mechanikai méretei
-- az alkatrészek pontos tipusai
-- miért is van 2db rés és optokapu?
Hálás köszönettel, akár egyenesen az email-cimemre, vagy ide a fórumba.
Javaslat: a befűrészelések helyett a kapcsolódó sineknél az egyik(nem a papucsos) sinvég néhány tizedmilliméteres megröviditése pl. reszeléssel adná a szükséges rést. |
|
(#52748) etwg válasza maya711 hozzászólására (#52745)
|
Válasz •
|
Aug 23, 2016 |
|
Igy van, és éppen itt van a trükk abban a megoldásban amit felvázoltam. Itt a hid váltoáramot kap, de a vezérlés egyenáram ( azaz pontosan forditva mint a mozdonyban).
Rengeteg chopper meg hasonlo kapcsolo áramkör müködik igy - azaz biztosan van rá megoldás. Miután ti vetettétek fel, hogy a reléket jobb lenne félvezetöre cserélni egy kicsit mellébeszélesnek tartom, hogy én kisérletezzem ki számotokra a kapcsolást. Én ezt pár éve megoldottam egy relével meg némi elektronikával ( csakis a foglaltságot figyeli) hasonloan diginewl kolléga megoldásához csak nem fénykapukkal) és eddig senki nem reklamált a klubban, igy a történetet én már lezártam. |
|
(#52749) diginewl válasza maya711 hozzászólására (#52747)
|
Válasz •
|
Aug 23, 2016 |
|
Holnap minden Kérdésedre válaszolok! |
|
(#52750) proba válasza etwg hozzászólására (#52748)
|
Válasz •
|
Aug 23, 2016 |
|
Kb annyira akarom kikísérletezni mint te, én is csak ötletelek. Részemről a több booster ( vagy jelfogó ) lesz a favorit. Mivel amit használni szeretnék ic (L6203) talán 2-3 mozdonyhoz elég áramot tud, tehát amúgy is szeretném több részre bontani a pályát. Maga az IC elég olcsó 300-400 ft így kipróbálom. Egy mozdonnyal rövid pályán jó. Megrendeltem a következőt, azután jöhetnek a rövidzár/szakaszhatár tesztek. Esetleg játékként talán az is megvalósítható vele, hogy analóg, meg DCC-s mozdony is tudjon közlekedni egyazon szakaszon ( természetesen nem egy időben), bár ehhez már nyilván kell tartani melyik mozdony hol van. Ha csak hurokmodulról van szó, meg az elektronikában való elmélyedés nem cél, én is a jelfogót választanám, egyszerűbbet jobbat nehéz kitalálni. |
|
(#52751) etwg válasza proba hozzászólására (#52750)
|
Válasz •
|
Aug 23, 2016 |
|
Igen, az analog esetben a DCC megoldáshoz képest még egy relé kell, és ha univerzálisra veszed a notát (DCC és Analog) akkor az analog vonatnak meg kell állni a hurokban, mert alatta nem ildomos polaritást váltani. És analogban kezelni kell a közös ( válton kivüli) szakaszt is. |
|
(#52757) proba válasza etwg hozzászólására (#52751)
|
Válasz •
|
Aug 23, 2016 |
|
Mondjuk analógban sem kell megállítom a vonatot a hurokban , minek ? Itt már az érvényesül amit te is írtál, forgatni kell előtte az egész pályán végig a polaritást, azt meg ha elhagyta a váltót, amíg újra el nem éri a másik oldalon, büntetlenül megtehetem. Automatizálás esetén a hurokért felelős áramkörnek nem a hurokban kell fordítani , hanem a váltón, és az előtte lévő szakaszon, ha egy mozdony egy hurok esete van akkor a fix betáplálási pont a hurok, a pálya többi szakasza meg forgatandó. (szerintem).
Ha minden szakasznak külön boostere lesz, akkor az analóg üzemhez sem kell jelfogó. egyszerűen egyik irány egyik átló vezérelve, a polaritás váltásnál meg a másik átló. hab lenne a tortán ezt PWM-mel vezérelve, még az analóg mozdony sebességét is tudnám bizonyos korlátok közt állítani.( de ez már csak álom..) |
|
(#52758) csíkosháTTú válasza proba hozzászólására (#52750)
|
Válasz •
|
Aug 23, 2016 |
|
Idézet: „Esetleg játékként talán az is megvalósítható vele, hogy analóg, meg DCC-s mozdony is tudjon közlekedni egyazon szakaszon ( természetesen nem egy időben), ...”
 
Ne haragudj meg, de ettől az ötlettől a guta kerülget folyamatosan! Ez egy egyszerű m... butaság, nna! Hidd el, ilyenkor nincs abszolút biztos hülyeségvédelem! Balesetek játék közben mindig előfordulhatnak. Tegnap adtam fel postán egy megjavított mozdonyt, utólag derült ki, hogy ilyen "vegyespálinka" pályán használták. Csendben jegyezem meg, hogy a ROCO mozdonyba 12.000Ft + ÁFA volt a motor. A dekoder kuka, plusz munkadíj. A dekoder cserére már nem maradt pénz, így a modell egyelőre analóg, a DCC vezérlés, meg elvileg túlélte, de digis mozdony híjján megy vissza a fiókba.
Tessék komolyan venni: vagy digitálisban vonatozunk vagy analógban! Nem keverendő!
Én szóltam...
(Aki meg vegyesgyümölcs pálinkát képes inni, annak meg mindegy amúgyis  ...) |
|
(#52761) etwg válasza csíkosháTTú hozzászólására (#52758)
|
Válasz •
|
Aug 23, 2016 |
|
Szerinetm is abba kéne hagyni ezt a meddö csevegést. Minden le volt irva amit érdemes tudni. A hurok vezérlésröl. Aki meg kisérletezni akar, tegye és számoljon be mire jutott.
Nélunk is elszállt már jo néhány mozdony ( és ezek a kerti méreteik miatt nem olcsok), mert a hülye gyárto azt irta rá, hogy ismer minden digitális formátumot és megy analogban is. Az egyik utobbi ment is vagy 10 percig azután jött a füst effektus meg az amperszag ( nem a kéményböl - pedig 2 is volt a mozdonyon...  ) . A hab a tortán viszont a mozdony fenekén volt egy kapcsolo formában, amivel a mozdonyban analog üzem esetén ki lehetett volna kapcsolni a dekodert és bekapcsolni az analog hanggenerátort - ami esetleg elemekkel is megy ( azok helye is megvolt a szerkocsiban), csak a gyári leirásbol hiányzott az egész átkapcsolo meg a funkcioja - az elemekröl is elfelejtkeztek. Szerencsére emiatt ingyen rendbetették (6 honap alatt) a leégett csöppséget.
 |
|
(#52763) pamutbojt hozzászólása
|
Válasz •
|
Aug 23, 2016 |
|
Sziasztok!
ESU LokPilot V4-en lehet a kimenetet invertálni? Azt szeretném, hogy a kimenet akkor legyen magas, amikor aktiválom (zárfényt szeretnék megoldani egy kimenetttel, hogy pl a hátsó zárfényt az első fényszóró és a kimenet közé kötöm, az elsőt meg a hátsó és a kiment közé).
|
|
(#52764) csíkosháTTú válasza pamutbojt hozzászólására (#52763)
|
Válasz •
|
Aug 24, 2016 |
|
Nem. Minden dekoderen egy nyitott kollektoros tranzisztor adja a funkció kimeneteket.
(Csak halkan mondom: zárfény a vonat végén van, mindig. Vagyis, ha a mozdonyon világít hátul a piros, akkor ott van a vonat vége. Magyarul: nem húz semmit, csak magában megy.) |
|
(#52765) pamutbojt válasza csíkosháTTú hozzászólására (#52764)
|
Válasz •
|
Aug 24, 2016 |
|
Oh, erre nem is gondoltam!
Az működhetne, hogy egy tranzisztorral invertálom a kimenetet? (egy felhúzó ellenállással a bázison - ilyenkor pont a megfelelő esetben tudna áram folyni, nem?)
(A zárfényt nem mondom, hogy tudom, mert inkább csak sejtem, mert nem találtam leírást a témában  De pont ezért szeretném kapcsolhatóvá tenni, és egyrészt egyszerűbb lenne egy gombbal vezérelni, másrészt meg a dekóder egy micro verzió, és a másik funkciót a vezetőállás kivilágításra használnám) |
|
(#52768) diginewl válasza maya711 hozzászólására (#52747)
|
Válasz •
|
Aug 24, 2016 |
|
Idézet: „-- az összes sin-körüli alkatrész elhelyezésének mechanikai méretei ”
Készítettem 0,8-os nyákból 2,8mm széles csíkokat (talpfaszélesség), melyeket középen lemarattam, így két csík megy rajta - erre könnyű forrasztani a vezetéket is. Ennek a végére kerül az infraled, meg a Tr.
1,25mm magas a tr, és a led +0,8=2,05 azaz a 2,5-ös magasságú sínkorona alatt vannak belül a dolgok.
Ahhoz, hogy tuti érzékelje az rp25-ös kereket is, ahhoz a külső infra led alá tettem még egy 0,6-os nyákot, azaz az magasabbra kerül, de ott már nincs ezzel baj (2,65mm).
Idézet: „-- miért is van 2db rés és optokapu?”
Itt csak azért, hogy kipróbáljam, hogy a kettő kapu is tuja-e külön-külön ugyanazt a relébemenetet vezérelni (deltavágánynál már kell az ilyesmi)
Rés: amit gondolsz, én miniflex-szel vágtam bele, de lehet bárhogy.
A hurokötletem alul: a bistabil relé a váltóval összhangban van. A bistabil egyik áramköre billegteti a váltót, a másik pedig egy monostabil 2áramkörös relét (olcsóbb), ami a benti DCC-t forgatja. Ennyi ez úgy alkatrészbem ippeg meghaladja a 2000Ft-ot, viszont nincs rövidzár, és önmagát irányítja.
Alkatrészek:
LED: Infraled
TR: Fototranyó
Led előtét: Előtét kb 15mA fogyasztással
H0-ban teszteltem, 2,5 sínnel. Itt a "videó" |
|
|
|
(#52772) diginewl válasza pamutbojt hozzászólására (#52765)
|
Válasz •
|
Aug 24, 2016 |
|
Hali!
Én csináltam már hasonlót, de nem volt nagy visszhangja. 
A lényeg: a mozdonynak van egy oldala, ami húzza/tolja a kocsikat, a másik mindig szabad.
Amelyik oldalon vonszol/tol, oda tettem egy aux1-ről kapcsolható (+) tranzisztort, azon oldali fények közös pozitívjára.
Azaz ha az aux2 inaktív, akkor a mozdonynak a toló/húzó oldala világít, ha aux2 bekapcs akkor nincs se előre, se háta (vörös/fehér) azon az oldalon. Így megmarad az aux1 pl. belső világításnak.
Erre gondoltál? (ez egy tranyó és két ellenállás)
Önállóan a kapcsolás, és mozdonyban benn "rendszerben". |
|
|
|
(#52774) pamutbojt válasza diginewl hozzászólására (#52772)
|
Válasz •
|
Aug 24, 2016 |
|
Igen, erre gondoltam.
A bal alsó sarokban levő ellenállás miért van? Ha a kimenet nagyimpedanciás állapotban van, akkor ugye nincs értelme; ha alacsony, akkor meg feszültségosztóként működik, de az ellenállás nélkül egyszerűen lehúzná nullára a bázist |
|
(#52775) JZoli válasza pamutbojt hozzászólására (#52774)
|
Válasz •
|
Aug 24, 2016 |
|
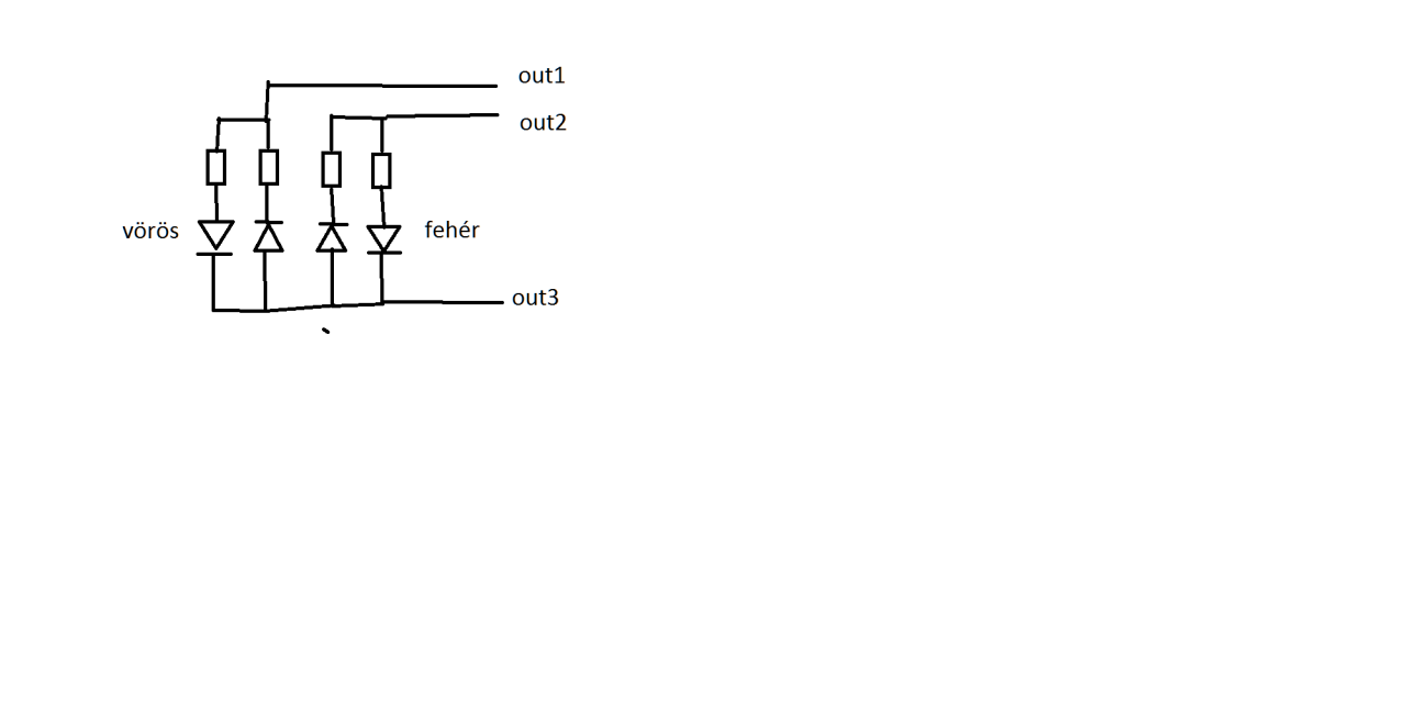
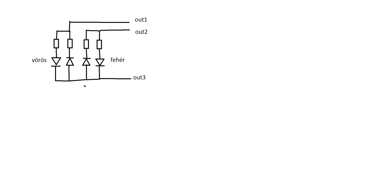
Miért lenne jó, ha lehúzná a bázist a nullára? Egyből tönkre is menne a bázis-emitter átmenet a nagy áram miatt, Ha nincs az az ellenállás akkor a vezérlő "nulla" és a tápfesz között csak a bázis-emitter dióda lenne. Az ellenállás mindenképpen kell, az korlátozza a bázisáramot a szükséges értékre!! Én viszont azt nem értem, hogy a második rajzon a bal oldali "V" diódának és a jobb oldali "F" diódának (vagy LED-nek) mi korlátozza az áramát illetve mi állítja be azt a szükséges értékre, |
|
(#52778) diginewl válasza JZoli hozzászólására (#52775)
|
Válasz •
|
Aug 24, 2016 |
|
Igen azok ott LED-ek V-vörös, F-fehér.
Anno gyorsan lerajzoltam, hogy ne kelljen szétszednem a mozdonyt emiatt.
Idézet: „Én viszont azt nem értem, hogy a második rajzon a bal oldali "V" diódának és a jobb oldali "F" diódának (vagy LED-nek) mi korlátozza az áramát”
Ott vannak az 1-1kOhm-s ellenállások.
Ez így működik. Naponta látom a vitrinvonatomban (ott az egyik VT 135 motorvonat tolt/vont oldala ezzel van lekapcsolva, ha vontat)
|
|
(#52781) csíkosháTTú válasza pamutbojt hozzászólására (#52765)
|
Válasz •
|
Aug 24, 2016 |
|
Nem lenne egyszerűbb olyan dekódert használni, ami a megfelelő számú funkció kimenettel rendelkezik?
Pl. Tran DCX52D, vagy ZIMO MX633?
(Még jobbak is, mint az ESU) |
|
(#52782) pamutbojt válasza csíkosháTTú hozzászólására (#52781)
|
Válasz •
|
Aug 24, 2016 |
|
De, egyszerűbb lenne, ha több kimenet lenne.
Két dolog szól az ESU mellett: egyrészt ezt már megvettem, másrészt ez is alig fér a kasztniba (egy Lima BR211-be építem bele) |
|
(#52783) csíkosháTTú válasza pamutbojt hozzászólására (#52782)
|
Válasz •
|
Aug 24, 2016 |
|
Mindkét általam említett tipus kisebb, mint az ESU...
Meg lehet csinálni amúgy, de az egy PNP tranzisztoros plusz logikai áramkör. Ha a dekóder is nehezen megy bele a modellbe, akkor ez a plusz cucc hogy' fog elférni?
Dekoder csere... |
|
(#52784) etwg válasza diginewl hozzászólására (#52772)
|
Válasz •
|
Aug 24, 2016 |
|
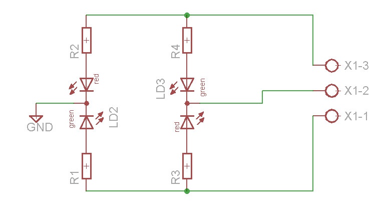
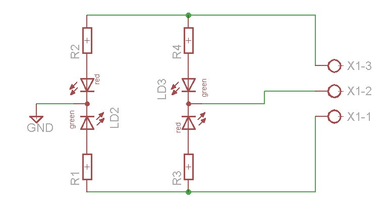
Egy trükkel meg lehet oldani a fehér/piros átkapcsolást.
Itt az a lényeg, hogy a fehér fény alapbol a dekoder + és GND-je közé kapcsolt egy ellenálláson keresztül. A fehér LED-l párhuzamosa kötött piros LED-t meg valamelyik funkcio kimenettel kapcsolod. Ha a piros LED világit a párhuzamosin kapcsolt fehér nem fog világitani.
( a kapcsolás csak ilyen szinkombinácioban müködik, esetleg a fehér LED katodját is egy kapcsolt kimenetre kötheted (F1), akkor ki is lehet kapcsolni.) |
|
|
|
(#52785) csíkosháTTú válasza etwg hozzászólására (#52784)
|
Válasz •
|
Aug 24, 2016 |
|
A probléma az, hogy a kérdező kollégának olyan dekodere van, amin összesen 4 funkció kimenet van. Ebből kettő elmegy a menetirány szerinti világításra (3 fehér fény), és elvileg marad még kettő, amivel a vörös zárfényeket lehet kapcsolni, függetlenül a fehérektől. Csakhogy az egyik ilyen tartalék kimenetet a vezérállás kivilágítására szeretnénk felhasználni, és marad még egy a két oldalon a zárfényekre, amihez ez kevés.
Ehhez kell egy olyan tranzisztoros logikai áramkör, ami úgy van bekötve, hogy a bázist vezérli a szabadon maradt tartalék funkció kimenet, de csak az a tranzisztor megy ténylegesen vezetésbe, ami a megfelelő oldalon a vöröset kapcsolja, a másik - a fehér oldali - nem. Ennek a hátránya, hogy a zárfény kapcsolható lesz ugyan, de nem teljesen függetlenül, csak akkor lehet bekapcsolni, ha van előre menetfény, ez meg a tolt ingavonati üzemet kizárja.
További gond, hogy a kolléga modelljében annyira kevés a hely, hogy az ESU LokPilotV4 dekoder is alig fér be, nemhogy még az előbb leírt tranzisztoros megoldás is beférjen. Erre írtam én, hogy vannak olyan dekóderek is, amiknek van a világításon kívül még 6 tartalék funkció kimenete is, és még kisebbek is, mint az ESU. |
|
(#52787) etwg válasza csíkosháTTú hozzászólására (#52785)
|
Válasz •
|
Aug 24, 2016 |
|
Itt van egy megoldás, ahol a fehér fények kapcsolhatok (egyszerre a mozdony mindkét végén ( tolato fény). A másik 2 kimenettel meg felváltva a mozdony végén a fehér fény vörösre kapcsolhato. |
|
|
|
(#52788) pamutbojt válasza csíkosháTTú hozzászólására (#52785)
|
Válasz •
|
Aug 24, 2016 |
|
Most nézem, hogy eredetileg nem írtam hogy a dekóder micro verziójáról van szó (mentségemre azt tudom felhozni, hogy a méretén és a kimentek számán kívül talán nincs közöttük különbség). Ez pedig jóval kisebb a két említett darabnál (és ennek is éppen van hely), szóval a két kimenet adott.
Ahogy nézem, akkor két választásom van: vezetőállás világítása vagy tolt ingavonati üzem. Mivel az utóbbit most hallom először, ezért annyira nem gondolom fontosnak 
A világítást úgy gondoltam megoldani, hogy a képen (nem saját, csak hirtelen ezt találtam illusztrációnak) a kék nyíllal jelölt részen egy-egy plexi lemez van, és aközött és az ólomsúly között vagy némi hely. Oda tervezek egy vékony nyák lemezt néhány smd leddel. Ha ügyes vagyok, akkor még egy tranziszor is rá fog férni  |
|
|
|
(#52789) csíkosháTTú válasza pamutbojt hozzászólására (#52788)
|
Válasz •
|
Aug 24, 2016 |
|
Egy H0 modellbe nem lesz kicsit kevés az egyik legnagyobb "micro" dekoder, aminek a max. motorárama mezőnyben a legkevesebb?
Valami nem kerek, abba a modellbe (habár a beszúrt kép nagyon-nagyon picike) egy sokkal nagyobb dekódernek is simán bele kell férnie, különösebb mechanikai munka (forgácsolás, reszelés) nélkül. 
A miheztartás végett tegnap lett készen két darab Liliput H0e gőzös, hangdekódereket kaptak, azokban sem használtam semmilyen fém megmunkálásra alkalmas szerszámot. (ZIMO MX648-k kerültek beépítésre.) |
|
(#52790) pamutbojt válasza csíkosháTTú hozzászólására (#52789)
|
Válasz •
|
Aug 24, 2016 |
|
Ez nem az én mozdonyom, csak illusztráció, most nem tudok képet csinálni róla. Nekem egy ilyen van.
Egyébként nem H0, csak N. De azért remélem, nekem sem kell fémet megmunkálnom  |
|
(#52791) csíkosháTTú válasza pamutbojt hozzászólására (#52790)
|
Válasz •
|
Aug 25, 2016 |
|
Jaaa!
Bocs! 
Beleestem abba hibába, hogy kapásból H0-ban gondolkodtam, mint nagyon sokan (nem írtad, hogy N-es).
A micro dekoderek sajnos csak 4 funkció kimenettel bírnak. |
|
(#52794) maya711 válasza csíkosháTTú hozzászólására (#52726)
|
Válasz •
|
Aug 25, 2016 |
|
Aha...értem már! Hiszen ez nagyon egyszerű!
Tehát a fővágány DCC-váltófeszültségét egyenirányitom és erről táplálok 3db (most már EGYENFESZÜLTSÉGŰ) hidat. Az egyik hid kimenete a hurok-szakaszra van kötve. A hid meghajtói egy fázisforditó XOR-kapun keresztül kapják a vezérlést. A kapu egyik bemenete a fővágányon lévő DCC-jelfolyamról kapja a jelet. Ilymódon a hid kimenetén/a hurok-szakaszon a fővágány DCC-jelével azonos periódusú jel lesz. Tehát a hid ágai folyamatosan váltakozva vannak be/ki kapcsolva 58/100 usec-onként. Ezáltal hasonlit tehát egy boosterhez. Viszont annyiban eltér a boostertől, hogy a XOR-kapu másik bemenetével a fővágányhoz képest azonos vagy ellentétes polaritásúvá/fázisúvá tehetem a hid kimenő DCC-jelét. Ez a másik bemenet ugyanolyan módon kapja a vezérlését mint ahogyan a relés változatban átváltottam a relét.
A másik két hid a két érzékelő szakaszt hajtja meg majdnem azonos módon. Az eltérés annyi, hogy ezeket a hidakat teljesen lezárt állapotra is vezérelni lehet. Ebben az állapotban a hurok-szakaszok "lebegővé" válnak, és ilymódon tudják érzékelni a vonat ráfutását.
Nopersze: a vonat érzékelése után kis idővel(néhány msec) feszejt kell adni az érzékelő-szakaszokra, hogy a vonatnak legyen tápja/parancsai ott is. Ekkor azonban az ott lévő mozdony kerekei az illető szakasz meghajtó hidjának kimenetét öszzekapcsolják a hidat feszültséggel ellátó fővágánnyal(persze most már azonosra állitott polaritással/fázissal). Hogy ez okoz-e valamilyen galibát vagy alkatrész-halált, az további alapos vizsgálatot vagy kisérletet(ha van sok felesleges alkatrészünk) igényelne.
Talán mégsem annyira egyszerű!!
Ámde itt már egytokos hidak használhatóak(akár a dekóderekben), ezek mindenképpen olcsóbbak a bistabil reléknél, az élettartamuk kb végtelen, az átmeneti ellenállásuk nem változik az élettartamuk alatt, kisebb helyigényűek(ez nem nagyon számit).
Hát utóljára még ennyit...bocs. |
|
(#52796) csíkosháTTú válasza maya711 hozzászólására (#52794)
|
Válasz •
|
Aug 25, 2016 |
|
A dekóderek végfokozata általában HEX-FET-kből áll, nem komplett hidakból. Amúgy stimmel. |
|
(#52956) pamutbojt hozzászólása
|
Válasz •
|
Szept 6, 2016 |
|
Megcsináltam a világítást, kipróbáltam, önmagában működött is, de a dekóderre kötve már nem azt csinálta, amit szerettem volna. A doksit olvasgatva az a probléma, hogyaz aux kimenetek csak logikaiak, azaz 0/5V van rajtuk, nem a szokásos GND/OpenCollector (gondolom, lespórolták a kimenetről a tranzisztort), így a zöld kimenet mindig alacsonynak számít, így előremenetben a fehér ledek világítanak, hátrafelé meg a pirosak (ez alapból is megy, ehhez nem kellett volna ennyit kinlódni  )
Tudna valaki segíteni, hogy hogy lehetne ezt átalakítani, hogy a logikai kimenettel is működjön? |
|
|
|
(#52957) csíkosháTTú válasza pamutbojt hozzászólására (#52956)
|
Válasz •
|
Szept 6, 2016 |
|
OK!
Dekóder csere!
Tippek:
Tran DCX76D, vagy DCX77z
ZIMO MX621
Kühn 045
Ezek a tipusok 4db teljes értékű funkció kimenettel bírnak. (És kisebbek is, mint az ESU...) |
|
(#52973) JZoli válasza pamutbojt hozzászólására (#52956)
|
Válasz •
|
Szept 7, 2016 |
|
A D1, D2-es diódát és az R2-es ellenállást a pozitív ágba- az az a FET "másik oldalára" kellene áttenni, akkor logikai szinttel is vezérelhető lenne. Így most a vezérléshez a a diódák nyitófeszültsége plusz a FET G-S feszültsége szükséges ezért csak nagyobb fesz hatására tud nyitni a FET. |
|
(#52975) csíkosháTTú válasza pamutbojt hozzászólására (#52956)
|
Válasz •
|
Szept 7, 2016 |
|
Nem igazán értem a rajzot... Lássuk csak!
Dekóder beállítás a gyári értékeken van!
Ha bekapcsoljuk a dekóderen előre menetben a világítást, akkor a P4 csatlakozó (fehér vezeték) 0V-ra kerül, a három fehér LED világít. A P3 csatlakozó (sárga vezeték) viszont nem, mert azon egy zárt tranzisztor van a dekóderben, vagyis gyakorlatilag pozitív tápfeszültségen van, agy a Q1 N-csatornás FET D lába is itt van. A P2-re hiába is kapcsolunk akármit, a pozitív tápfeszültségen lévő P3 a FET vezetésbe kerülését blokkolja.
Lássuk, mi történik, ha hátramenetbe kapcsolunk, és felkapcsoljuk a világítást! Ekkor a P4 tápfeszültségre kerül, mert a dekoderben lévő tranzisztora lezár, így a három fehér LED nem világít. A P3 dekóderben lévő tranzisztora vezetésbe kerül, így a P3 pont 0V-re esik. Világítani kellene a két piros LED.nek, de nem fognak. Ugyanis kezdjük azzal, hogy a rajzon az alkalmazott Q1 FET S és D lába fordítva van! Ezt cseréljük fel, és kiderül, hogy akkor sem világítanának a piros LED-ek, ugyanis a P2 csatlakozón a Q1 FET-re vezérlést kell adni. Ha megnyomjuk az F1 gombot, és a * gomb is be van kapcsolva a vezérlőn, akkor az ESU micro dekóder logikai AUX1 kimenetén +5V körüli feszültség jelenik meg, vagyis a helyesen bekötött Q1 FET vezetni kezd, és világítani fognak a D1 és D2 diódák.
Azonban vigyázat a FET nem tranzisztor! A Q1 FET G és S lába közé egy 1k ellenállást be kell kötni, különben zavarok keletkezhetnek!
(Gondolom a D1 és D2 piros LED-k azon az oldalon vannak a mozdonyban, ahol a D3-D5 fehérek.) |
|
(#52976) csíkosháTTú válasza csíkosháTTú hozzászólására (#52975)
|
Válasz •
|
Szept 7, 2016 |
|
Még egy gondolat!
A D1-D2-R2 komplexumot - ahogy JZoli olvtárs nagyon helyesen ítra is - át kellene helyezni a Q1 FET "másik oldalára, vagyis a Drain körébe, mert most a Source-ban van (ha helyesen alkalmazzuk a FET-t). A rajzon látható megoldásnak az a nem kicsi hátránya, hogy ebben az esetben a FET G lábára adott feszültséget nagyobbra kell számítani, mint a D1-D2-R2 komplexumon eső feszültség. Mivel az ESU dekoder az AUX1 kimenetén csak max. 5V-t tud kiadni, és csak pár mA áramot (ez gyakorlatilag a dekóderben található ATMEL proci egyik lába), így a lehetőségek azért nagyon behatároltak ám! |
|
(#52977) pamutbojt válasza csíkosháTTú hozzászólására (#52975)
|
Válasz •
|
Szept 7, 2016 |
|
Nagyon szépen köszönöm a részletes választ!
Egy megjegyzés: a tranziszor p-csatornás ( konkrétan ez), ez, gondolom, befolyásolja azt a részt, hogy a Drain/Source fel van cserélve.
Kicsit úgy tűnik, hogy más funkciót várunk el a kapcsolástól. Az áramkörből kettő lesz, a másik ugyan ilyen lesz, csak a fehér és sárga csatlakozók lesznek felcserélve. A mellékelt darab kerül előlre, a másik hátra. Én azt szeretném, hogy a menetiránynak megfelelően világítsanak a fehér lámpák, a menetiránynak háttal a pirosak pedig akkor, ha az F1 funkcióval engedélyezve lettek (és be van kapcsolva a világítás).
kieg: mivel a gate-en úgysem nagyon folyik áram, ezért itt nem okoz gondot (ha jól gondolom) |
|
(#52978) csíkosháTTú válasza pamutbojt hozzászólására (#52977)
|
Válasz •
|
Szept 7, 2016 |
|
Tessék pontosan rajzolni, azt a kupoláját!!!  Ne tessék iTTen félreveztni, holmi N-FET rajzokkal a szegény, öreg embert!
Nna, szóval P-FET-tel ez így jó, ahogy van. De a Gate és a Source közé akkor is tegyél egy ellenállást, hogy kikapcsolt F1 esetében ne a "levegőben legyen" a Gate. |
|
(#52979) pamutbojt válasza csíkosháTTú hozzászólására (#52978)
|
Válasz •
|
Szept 7, 2016 |
|
A rajzot a mellékelt doksiból vettem, azt gondolván a leghitelesebb forrásnak (a fet-eken meg a nyilaikon nem annyira tudok magamtól kiigazodni)
Idézet: „így jó, ahogy van” : pont az a bajom, hogy nem jó 
Hátramenetnél (bekapcsolt világításnál) mindig világítanak a piros ledek. Ha bekapcsolom az F1-et, akkor kicsit halványabban (ekkor 5V van a kimeneten).
Szóval a P2 kimenet lehet 0/5V, a P3 0V/OC, én én azt szeretném, ha a ledek csak a P2:5V, P3:0V kombináció esetén vilgítanának (ha lehetne invertálni a P2-t a dekóderben szoftveresen, akkor a P2:0V, P3:0V kombináció lenne jó - nem tudom, hogy ez jelent-e segítséget) |
|
(#52981) csíkosháTTú válasza pamutbojt hozzászólására (#52979)
|
Válasz •
|
Szept 7, 2016 |
|
Idéznék magamtól:
Idézet: „Azonban vigyázat a FET nem tranzisztor! A Q1 FET G és S lába közé egy 1k ellenállást be kell kötni, különben zavarok keletkezhetnek!”
Bekötöted a Gate-t Source-ra húzó ellenállást? |
|
(#52983) pamutbojt válasza csíkosháTTú hozzászólására (#52981)
|
Válasz •
|
Szept 7, 2016 |
|
Így sokkal jobb! Annyi a baja, hogy nem 16V van a kimeneten, hanem csak 4,5, úghogy ki kell cserélni az ellenállást kisebbre (meg valahogy be kell szuszakolnom az új ellenállást a panelra)
(a zavart úgy értettem, hogy környezeti zajt szed össze, és vibrálni fog a led, vagy lyesmi  ) |
|
(#52987) pamutbojt válasza pamutbojt hozzászólására (#52983)
|
Válasz •
|
Szept 7, 2016 |
|
Illetve mégsem olyan jó 
A kisebbik baj, hogy invertálni kell a kimenetet (ezt talán meg tudja csinálni a dekóder, de hanem azzal is együtt tudok élni). A nagyobbik baj, hogy csak 1mA áram folyik a leden, még 50 Ohm ellenálláson is. Ez miért lehet? |
|
(#52988) csíkosháTTú válasza pamutbojt hozzászólására (#52987)
|
Válasz •
|
Szept 7, 2016 |
|
Átraktad a LED-ket és az előtét ellenállásukat (D1-D2-R2) a Source körből a Drain-be? Magyarabbul: P1-ről R2, majd D1-D2, majd a FET. |
|
(#52989) pamutbojt válasza csíkosháTTú hozzászólására (#52988)
|
Válasz •
|
Szept 7, 2016 |
|
A fenti rajz csak annyiban változott, hogy a Gate-Source közé bekerült egy 1k-s ellenállás. Vagy ezen kívül kellett még valamit változtatni?
A drain lábra kötést nem csak akkor kellett volna megcsinálni, ha n-csatornás lenne a fet? |
|
(#52990) csíkosháTTú válasza pamutbojt hozzászólására (#52989)
|
Válasz •
|
Szept 7, 2016 |
|
Írtam egy magyarázatot, de közben a fórum kilépteteTT, így az egész elveszett...  
Lényege: a FET akkor megy nyitásba, ha a Gate feszültségét a Drain-hez közelíted. Ennek P csatornás FET esetében alacsonyabbnak kellene lennie, mint a Source feszültségnek, különben zárva marad. Ha a Source körben van egy soros komplexumod (D1+D2+R2), akkor az itt eső feszültséget is be kell számolni. Ha a Drain körbe átteszed ezeket, akkor nem, akkor a rendelkezésre álló 5V-tal is lehet vezérleni a FET-t.
(A P csatornás FET, vagy PNP tranzisztoros ilyen trükkök OC-s dekóder kimenetekhez vannak kitalálva. A logokai szintű dekóder kimenet invertálása helyett nem kellene mondjuk nemes egyszerűséggel egy N-esre cserélni,és akkor nem kellene nyűglődni a programozással?) |
|
(#52996) pamutbojt válasza csíkosháTTú hozzászólására (#52990)
|
Válasz •
|
Szept 7, 2016 |
|
Elvesztem kicsit.
A piros ledek most a Drain és a sárga vezeték között vannak. A Source meg a kékre (16V) van kötve. Ezek alapján jónak kellene lennie, nem?
Szoftveresen szerintem egyszerűbb megoldani egy problémát, mint hardveresen (főleg, hogy fet-et rendelnem kellene, és el kellene érte menni)  |
|
|
|
(#52997) jvnd válasza pamutbojt hozzászólására (#52996)
|
Válasz •
|
Szept 7, 2016 |
|
((( Szia, csak tanács. Ha kiszámolod mennyi időt töltöttél el -és még fogsz eltölteni- ezzel a feladattal, olcsóbb lett volna egy másik, -a feladathoz illő- dekódert venned. De nem szólok bele.))) |
|
(#52998) pamutbojt válasza jvnd hozzászólására (#52997)
|
Válasz •
|
Szept 7, 2016 |
|
Igen, tudom. (szerintem lassan már egy komplett (hangos) mozdony is összejönne  )
Az a B terv, hogy a fent említett egyik dekóderre fogom lecserélni (kb mikor Csíkos megunja az egészet  )
Egyébként nagyjából az szól ellene, hogy tartok attól, hogy a másik dekóder is csak máshogy nem fogja azt csinálni, amit szeretnék (amikor ezt kinéztem, akkor úgy tűnt, hogy ez is tudni fogja, amit akartam) |
|
(#52999) csíkosháTTú válasza pamutbojt hozzászólására (#52998)
|
Válasz •
|
Szept 7, 2016 |
|
(Az elején mondtam, hogy nem jó a dekóder erre...)
Szóval, a kapcsolás most úgy működik, hogyha a P3 (sárga vezeték, hátra világítás) be van kapcsolva, akkor a P FET Drain-je 0V-on van. (nem teljesen, de számunkrta ez most nem lényeges). A P2 pedig valahol van, ha az F1 nincs bekapcsolva. Ennek, 0-nak kellene lennie elvileg, ebben az esetben a FET vezetésbe megy, és a két piros LED világít, mert a FET S-D árama elvileg belefolyik. Ha a P2 +5V (F1 be van kapcsolva), akkor elvileg a FET zár, és a piros LED-k nem világítanak.
A gond a következő: ahhoz, hogy a P FET-t teljesen lezárjuk, ahhoz szerintem az 5V kevés lesz, magasabb a dekóderből jövő tápfesz (a P1). Apropó, mennyi is a DCC sínfeszültséget, így N-es méretben?
A nagyok ezt úgy csinálják, ha logikai szintű kimenetet használnak (mint a Hornby is a zsákutca MTC csatlakozásával H0-ban), hogy a dekoder logikai kimenete egy sima NPN trazisztort vezérel, pl. egy BC847-t. Ekkor semmi baj nincs, mert a trazisztor Emittere 0V-n van, és a dekóderből a Bázisára érkező +5V bőven kinyitja.
A P csatornás FET, vagy a PNP tranzisztor ennél a kimeneti szintnél nem lesz jó, mert nem fogod tudni teljesen nyitásba, vagy zárásba vinni, márpedig nekünk most az kell, hogy vagy "koppanási" nyit, vagy "koppanásig" zár.
|
|
(#53001) pamutbojt válasza csíkosháTTú hozzászólására (#52999)
|
Válasz •
|
Szept 7, 2016 |
|
Igen, olyat én is láttam, hogy egy bipoláris tranzisztorral kapcsolják a fet-et, de a plusz tranzisztornak meg ellenállás(ok)nak már nincs hely a panelen.
Akkor ezzel feladtam az esu-t. Az említett dekóderek közül a Tran DCX77z a legszimpatikusabb (talán, mert a legkisebb  ). |
|
(#53003) proba válasza pamutbojt hozzászólására (#53001)
|
Válasz •
|
Szept 7, 2016 |
|
Amin gondolkodtam, ha a kimenetek nem open kollektorosak akkor elvileg a két kimenet közé kötött ledeknek is világítania kell. Ebben az esetben némi vezérléstechnikai korláttattal: Bár lehet van jobb led elhelyezés is. |
|
|
|
(#53004) proba válasza proba hozzászólására (#53003)
|
Válasz •
|
Szept 7, 2016 |
|
Mondjuk ezzel meg az a baj, csak két ilyen kimenet van..Esetleg így?
|
|
|
|
| |
2026. Ápr, 02. Csü 7:40:38 |
| |
Jelenleg 19 fő olvassa az oldalt |
|
|