|
|
|
Terepasztal vezérlés és elektronika
|
Témaindító: nzozz, idő: Júl 14, 2010
Témakörök:
|
|
|
(#8147) diesel693 válasza vasasgabri hozzászólására (#8146)
|
Válasz •
|
Márc 11, 2012 |
|
Hurok modulra ennél a felépítésnél valóban nincs szükség. A szakaszolt (kiszigetelt) pályaszakaszokat viszont kapcsolókkal kell ellátni, amelyekkel az illető szakasz csatlakoztathatóvá válik vagy ahhoz a pálya részhez amelytől el lett szigetelve, vagy valamelyik, ill. bármelyik vezérlő egységhez. |
|
(#8148) vasasgabri válasza diesel693 hozzászólására (#8147)
|
Válasz •
|
Márc 11, 2012 |
|
Köszönöm! A kiszigeteléshez amikor kapcsolót teszek be azokhoz is van kész megoldás amit meg lehet venni vagy azokat forrasztani kell? |
|
(#8150) diesel693 válasza vasasgabri hozzászólására (#8148)
|
Válasz •
|
Márc 11, 2012 |
|
Csatlakozó sínek ugyan vannak, de általában forrasztást szoktunk alkalmazni. Ilyenkor nagy gondossággal kell eljárni, hogy a műanyag "talpfa" meg ne olvadjon. Ajánlatos egy hibás vagy nem túl értékes síndarabon gyakorolni a forrasztást. Jó páka, jóminőségű forrasztóón és gyors munka szükséges, valamint abszolut tiszta sínfelület. |
|
(#8151) Frankye válasza vasasgabri hozzászólására (#8148)
|
Válasz •
|
Márc 11, 2012 |
|
Vagy betápláló sínszakaszokat kell betenned (a leválasztott szakaszokon bárhová), vagy a sínszálakra kell forrasztanod. Milyen méretben építesz? |
|
(#8154) vasasgabri válasza diesel693 hozzászólására (#8150)
|
Válasz •
|
Márc 11, 2012 |
|
Munka helyemen kapok egy kis segítséget kölcsön adják a forrasztót a műszerészek, meg van egy kis gyakorlatom mert szoktam forrasztani bent meg hegesztő is vagyok. A jelzők működtetését redcsővel jobb megoldani vagy jelfogóval? |
|
(#8156) diesel693 válasza vasasgabri hozzászólására (#8154)
|
Válasz •
|
Márc 11, 2012 |
|
Gondolom REED relére gondolsz. Az csak pillanatnyi kontaktust szolgáltat, amennyiben a jelző nem öntartó, vagy fényjelzőről van szó, a beállított állapot fenntartásáról külön megoldással kell (pl. bipoláris relével vagy elektronikus megoldással) kell gondoskodni.
Elektronikus megoldás pl. egy tranzisztoros, billenthető multivibrátor. |
|
(#8157) vasasgabri válasza diesel693 hozzászólására (#8156)
|
Válasz •
|
Márc 11, 2012 |
|
Köszönöm a válaszaidat akkor majd jobban utána olvasgatok hogy valamennyire képben legyek. |
|
(#8163) Frankye válasza vasasgabri hozzászólására (#8157)
|
Válasz •
|
Márc 12, 2012 |
|
Neked is azt tudom mondani, amit a többieknek: Ha kell, szívesen segítek. |
|
(#8171) vasasgabri válasza Frankye hozzászólására (#8163)
|
Válasz •
|
Márc 12, 2012 |
|
Mihelyt abba a stádiumba jutok biztos hogy kérek segítséget. |
|
(#8202) Antal Miklós válasza vasasgabri hozzászólására (#8154)
|
Válasz •
|
Márc 13, 2012 |
|
A sinszál gyors forrasztásához ajánlom a rozsdaoldó felhasználását.
Bármilyen oxidos fémfelület (nem aluminium) gyorsan és biztosan forrasztahtó, mert a rozsdaoldó foszforsav és víz keveréke. Egy cseppet teszel a forrasztóónnal a kívánt felületre és már forrasztható is.
Azért nem kell beáztatni.
Ha a sinszálak csatlakozásánál forrasztot be a vezetéket, ahol nincs talpfa létra, akkor még nem is fog látszódni, mert a később felhelyezendő zuzott kő ágyazat eltakarja.
|
|
(#8204) vasasgabri válasza Antal Miklós hozzászólására (#8202)
|
Válasz •
|
Márc 13, 2012 |
|
Köszönöm a tippet. |
|
(#8207) TTomi válasza Frankye hozzászólására (#8139)
|
Válasz •
|
Márc 13, 2012 |
|
Köszönöm a választ, 1-2 amper fog futkározni a vezetékekben. Ezek szerint a 0,75 mm2 keresztmetszetű vezeték bőven jó lesz ami nekem van. |
|
(#8418) vasasgabri hozzászólása
|
Válasz •
|
Máj 7, 2012 |
|
Sziasztok!
Van egy asztalom amin a felső szintet automatizálni szeretném analóg üzemmódban, és ehez szeretnék kérni tanácsot. Az asztalom terve a mellékelt képen, már a sínek megvannak és az ágyazat le van ragasztva.Nem vagyok valami jártas az elektronikában. |
|
|
|
(#8428) Frankye válasza vasasgabri hozzászólására (#8418)
|
Válasz •
|
Máj 8, 2012 |
|
Mit szeretnél "automatizálni" rajta? Ez azért fontos! |
|
(#8429) vasasgabri válasza Frankye hozzászólására (#8428)
|
Válasz •
|
Máj 8, 2012 |
|
Szia! Azt szeretném hogy a két vonat felváltva tudjon menni. |
|
(#8439) Frankye válasza vasasgabri hozzászólására (#8429)
|
Válasz •
|
Máj 9, 2012 |
|
És addig a másik szerelvény hol állna? (Sajna a kép felbontása elég kicsi, nem nagyon látszanak rajta a feliratok...) |
|
(#8440) vasasgabri válasza Frankye hozzászólására (#8439)
|
Válasz •
|
Máj 9, 2012 |
|
A pálya szakasz egyik végén két vágányos állomás van és itt lenne két vonat az egyik kimegy majd vissza jön és a másikat indítja ezt szeretném folyamatosra tenni.
A képre kattintva nekem nagyobb lett. |
|
(#8451) Frankye válasza vasasgabri hozzászólására (#8440)
|
Válasz •
|
Máj 11, 2012 |
|
OK, így már világos, mire gondolsz. (Nagyobb, de én ezt már nem látom...  ) |
|
(#8452) vasasgabri válasza Frankye hozzászólására (#8451)
|
Válasz •
|
Máj 11, 2012 |
|
Tudsz abban segíteni hogy mik kellenek hozzá (relék,kapcsolók,stb...)? |
|
(#8454) Frankye válasza vasasgabri hozzászólására (#8452)
|
Válasz •
|
Máj 12, 2012 |
|
Egy flip-flop áramkört kell hozzá építeni, amelyet a bejáró vonat állít át a másik állásába. Egy kis elektronika az egész.  |
|
(#8457) vasasgabri válasza Frankye hozzászólására (#8454)
|
Válasz •
|
Máj 13, 2012 |
|
Esetleg több infót tudsz adni hogy én is meg tudjam csinálni?  |
|
(#8458) Frankye válasza vasasgabri hozzászólására (#8457)
|
Válasz •
|
Máj 14, 2012 |
|
Körbenézek, és ha találok, felteszem a kapcsolást. |
|
(#8492) PikoDCC hozzászólása
|
Válasz •
|
Jún 3, 2012 |
|
Ha egy visszafordító hurkot szeretnék digitális rendszerben akkor mi szükséges? Én úgy tudom hogy kell egy ilyen elektronika és még talán le kell szigetelni azt a szakaszt? |
|
(#8493) Frankye válasza PikoDCC hozzászólására (#8492)
|
Válasz •
|
Jún 3, 2012 |
|
|
|
(#8494) PikoDCC válasza Frankye hozzászólására (#8493)
|
Válasz •
|
Jún 3, 2012 |
|
Köszi ismerem ezt az oldalt és tudom hogy az a hurok modul kell csak hogy nem kell pluszba kulon táp vagy valami ilyesmi csak szigetelők. Én még a digitools.hu oldalon talaltam ilyet de az 10-11ezer forint, de azt nem tudom hogy a trainmodulesban mennyibe kerül. |
|
(#8497) Frankye válasza PikoDCC hozzászólására (#8494)
|
Válasz •
|
Jún 4, 2012 |
|
Ahogy én látom, külön tápot nem igényel, csak ki kell szigetelni a hurkot. Az árról (és a biztonság kedvéért a tápról is!) kérdezd meg Őket. |
|
(#8498) woody hozzászólása
|
Válasz •
|
Jún 4, 2012 |
|
Sziasztok. Kéne egy kis segítség tillig 86112-es alsóállítómű bekötéséhez /analóg/. Ha tudnátok kapcsolási rajzot küldeni hálás lennék. E-mail: ***@***.**. Előre is köszönöm woody!
Moderálva: Frankye |
|
(#8499) Frankye moderátori
válasza woody hozzászólására (#8498)
|
Válasz •
|
Jún 4, 2012 |
|
A fórumban nem kérünk segítséget privátba, mert azzal épp a fórum lényege vész el, hogy ti. a tudás és az információ megmarad, "örökre".
Az e-mail címed pedig soha ne írd ki nyilvános oldalra, hacsak nem vagy mazochista, és szereted, ha levélszemetekkel árasztják el a postafiókodat, mert a spammer-botok épp erre vadásznak!
Akinek az e-mail címed kell, megtalálja az adatlapodon. |
|
(#8500) woody hozzászólása
|
Válasz •
|
Jún 4, 2012 |
|
Köszike ezt nem tudtam most fórumozok először, azért a segítséget megköszönöm. Woody  |
|
(#8501) Frankye válasza woody hozzászólására (#8500)
|
Válasz •
|
Jún 4, 2012 |
|
Igazán nincs mit. Majd belejössz.  |
|
(#8502) PikoDCC válasza woody hozzászólására (#8498)
|
Válasz •
|
Jún 4, 2012 |
|
Nem tudom, hogy ez segít-e, de elvileg itt van a bekötése, link (Ha google chrom-mal nyitod meg akkor nem kell letölteni.  ) |
|
(#8594) moric15 hozzászólása
|
Válasz •
|
Jún 20, 2012 |
|
Hali!
Van egy öregecske terepasztalom, 4-5 mozdonnyal amit nem akarok digitalizálni ám szeretnék többcsatornás PWM mozdonyvezérlést megvalósítani. Modellvasútelektronikában nincs gyakorlatom (inkább rádiótechnikával foglalkoztam) ezért szeretnék tanácsot kérni gyakorlatban bevált vezérlőáramkörök megépítésére gyakorlottabb vasútmodellezőktől. A mozdonyok sebességszabályzása illletve irányváltása lenne a feladat. Minden ötletet szívesen fogadok. |
|
(#8624) Botond hozzászólása
|
Válasz •
|
Júl 4, 2012 |
|
Sziasztok!
Én nem rég (FÉL éve) kezdtem modellezni. Szeretnék tőletek tippeket kérni hogyan kezdjek a digitalizáláshoz. Milyen dekódert vegyek ami olcsó és jó (PIKO mozdonyom van H0-ás méretben) mivel szűkösek az anyagi kereteim.
Előre is köszönöm:Botond |
|
(#8626) nohab 74 válasza Botond hozzászólására (#8624)
|
Válasz •
|
Júl 4, 2012 |
|
Szia! Ha már van mozdony és nincs digitálisan előkészítve akkor mard analógba. Digitalizálni akarod a mozdonyokat akkor ide fordulj tanácséért Bővebben: Link  |
|
(#8827) crista.neuralis hozzászólása
|
Válasz •
|
Szept 18, 2012 |
|
Segítséget szeretnék kérni egy friss probléma megoldására. Tegnap a diorámakészítéses video alapján megépítettem a sínjeim alá az ágyazatot és ma vettem észre, hogy az érintett szakaszokon zárlat lett. Eddig nem volt, mert már az üzemelő részt csináltam meg. Az a kérdésem, hogy szerintetek szedjem szét (a mára már kőkeménnyé szilárdult)az töltésből a síneket? Vagy mi okozhat zárlatot? Belemértem a töltésbe de ott nem volt mérhető ellenállás. Az érintett szakaszt kiszigetelve mindenhol máshol normális a pálya.
Várom mihamarabbi megoldásaitokat. Előre is köszönöm mindenkinek a segítséget. |
|
(#8830) TTomi válasza crista.neuralis hozzászólására (#8827)
|
Válasz •
|
Szept 18, 2012 |
|
Szia!
Elméletileg ha ragasztó kiszárad annak szigetelnie kellene nem pedig vezetnie. Ha nem tudsz ellenállást mérni, akkor van zárlat ha nullát mutat a műszer, ha egyest akkor pedig szakadás van. Esetleg még az lehet hogy ha nincs parafa a sín alatt akkor a fa átázott és az okozhatja a zárlatot. Csak nem került fém a ragasztóba!(asztalon maradt vezetékér darabok) |
|
(#8838) crista.neuralis hozzászólása
|
Válasz •
|
Szept 26, 2012 |
|
Nagyon köszönöm az előző kérdésemre a választ. Valamennyi alapvető elektronikai tudásom van. Áramkörök tervezésében viszont nincs tapasztalatom. Segítséget szeretnék kérni egy elgondolásom megvalósításához. Az 5let a következő: van egy kétvágányos (beállós) fűtőházam. A tetejét szerencsére nem ragasztottam le, ha esetleg "baleset" történne odabent. Ennek elkerülése végett kellene nekem egy olyan áramkör ami megszakítaná a sínben futó egyenáramot egy érzékelő (analóg kapcsoló stb) segítségével, amikor a mozdony beállt a helyére. Természetesen a mozdony benntartózkodása alatt végig zárná az érzékelőt. Azt kellene még tudnia a technikának, hogy csak a bemeneti polaritást szakítsa meg, azt a polaritást ne amivel majd kitolathat a pályára. Szóval összefoglalva kellene egy polaritásfüggő megszakító áramkör ami akkor működik amikor az érzékelő aktív. Bocsánat, hogy ilyen bő lére eresztettem de szerettem volna egyértelmű lenni. Előre is köszönöm a hozzáértők válaszait. |
|
(#8841) Frankye válasza crista.neuralis hozzászólására (#8838)
|
Válasz •
|
Szept 26, 2012 |
|
Mi sem egyszerűbb ennél: kell egy teljesítmény-dióda, amelyet úgy kell bekötni, hogy az egyik sínszálat megszakítod, és a két, szakadással védett vég közé kötöd be a diódát. Így, ha a mozdony bejárt, nem kap tovább áramot, míg ha megfordítod a menetirányt (polaritás), akkor ki tud járni simán.
Ha nem világos, akkor rajzolok.  |
|
(#8844) crista.neuralis hozzászólása
|
Válasz •
|
Szept 27, 2012 |
|
Köszi a választ. Úgy szeretném megoldani, hogy ha a mozdony bent áll a remíz ben akkor egy visszajelzö led égjen a kezelőfelületen. Meg ugye az előbbi hozzászólást is teljesítse az áramkör. |
|
(#8845) Frankye válasza crista.neuralis hozzászólására (#8844)
|
Válasz •
|
Szept 27, 2012 |
|
Na a zöld LED már más kérdés. Az előbbieket teljesíti. A zöld LED-hez kell még egy jelfogó, két érzékelővel. Ezek lehetnek akár optoelektronikai, akár elektromechanikusak. Az első (befelé irányban nézve) az "oldó, a belső a "meghúzó". Amikor halad befelé a mozdony, először oldja (az amúgy is "oldott") jelfogót, majd behúzza. Visszafelé ugyan ez, csak fordítva. A jelfogó kimenetére mehet a LED, előtét-ellenállással, persze!
(A zöld helyett én pirosat tennék, a vasútüzemben ez jelenti a foglaltságot.) |
|
(#8846) Frankye válasza Frankye hozzászólására (#8845)
|
Válasz •
|
Szept 27, 2012 |
|
Illetve, jobban átgondolva, egy antiparalel bekötött LED is megfelel(ne), de ebben az esetben a feszültség nem állandó, így az átfolyó áram mennyisége, és ebből adódóan a LED fényereje sem. Ha pl. egyáltalán nem kap áramot a szakasz, akkor sötét lesz a LED, pedig a szakasz foglalt. |
|
(#8847) crista.neuralis hozzászólása
|
Válasz •
|
Szept 27, 2012 |
|
Jó az elgondolás már csak valahogy fix áramot kellene adni a LED eknek. |
|
(#8848) Abs válasza crista.neuralis hozzászólására (#8847)
|
Válasz •
|
Szept 28, 2012 |
|
|
|
(#8849) Frankye válasza Abs hozzászólására (#8848)
|
Válasz •
|
Szept 28, 2012 |
|
Nem rossz, de 0 (nulla) Volt feszültség mellett (pontosabban: a LED nyitófeszültségénél alacsonyabb feszültség esetén) a LED nem fog világítani.  |
|
(#8919) crista.neuralis hozzászólása
|
Válasz •
|
Okt 1, 2012 |
|
Erre a kapcsolásra bukkantam a Claus Dahl Modellvasúti elektronika a járműben és a pályán c. könyvben (Cser kiadó 2008) szerintetek lehetne a MBd negált jeléről egy egyenirányítókapcsolást működtetni? |
|
|
|
(#9030) SzervízMacska válasza crista.neuralis hozzászólására (#8919)
|
Válasz •
|
Okt 2, 2012 |
|
Szia. A rajzokon egyen feszültség szintek vannak megadva, amiből az következik, hogy a kimeneten is egyen jelenik meg. Innentől nehezen értelmezhető a k érdésed...  |
|
(#9032) etwg válasza crista.neuralis hozzászólására (#8844)
|
Válasz •
|
Okt 2, 2012 |
|
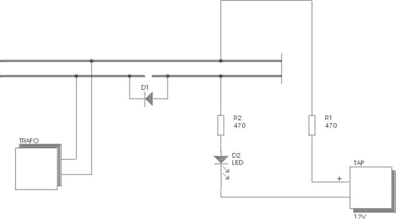
2 ellenállás (kb 470Ohm) egy mondjuk +12 V áramforrásra kötve az állo mozdonyon átvezetve meggyujt simán egy LED-et. Azaz a korábbi hsz-ban ajánlott megoldás (dioda) meggátolja, hogy a mozdony tovább menjen, a LED meg felgyullad, hogy beért a mozdony és bent áll a vágányon.
Pl. igy. |
|
|
|
(#9038) crista.neuralis hozzászólása
|
Válasz •
|
Okt 2, 2012 |
|
Úgy értettem az egyenirányítást, hogy a kimenő jel aktiválna egy olyan kapcsolást ami mindegy milyen polaritású feszültség (menetirány) megy a sínre akkor is olyan polaritást enged csak tovább ami kifelé hajtaná a mozdonyt. Amúgy, ha megtámogatom a rajzod alapján a ledet akkor a 12V nem hajtja meg az elektromotorját a mozdonynak? Ha nem akkor bocsi a kérdésért de ha igen akkor ott a probléma, hogy nem lehet megállítani a mozdonyt csak feszültség legapcsolásával akkor meg a led sem ég. |
|
(#9068) etwg válasza crista.neuralis hozzászólására (#9038)
|
Válasz •
|
Okt 3, 2012 |
|
Az elsö feladatot hibátlanul elvégzi a D1 dioda. Az beenged minden mozdonyt balról jobbra a diodáig, de nem tovább (az utolso kerék is a diodán tul lesz jobbra). Vissza meg simán kimegy a mozdony (mintha ott sem lenne a dioda)
Azért vannak az áramkörben az ellenállások, hogy ne hajtsa meg a mozdony motorját. Azaz a LED világitani fog, de a mozdony állni fog benn a mozdonyszinben.
Ha megforditod a trafon a polaritást, akkor meg kimegy onnan. Azért kell a két áramforrást is elkülöniteni.
A TÁP lehet akár egy kicsi telefontáp stb. is, amit bedugsz a stekkerbe, és semmi köze a sinben levö áramhoz, ami a mozdonyokat hajtja. |
|
(#9122) etwg válasza crista.neuralis hozzászólására (#9038)
|
Válasz •
|
Okt 4, 2012 |
|
Bocs azt elfelejtettem megkérdezni vagy nem találtam eddig, hogy analog vagy digitál modellvasutról van szó.
Az analogra minden érvényes, amit leiratm a digire már kevésbé.
A digire a LED dioda valoszinüleg müködni fog (mozdony/dekoder függö), de a D1 dioda nem fogja megállitani a mozdonyt.
Az már egy kicsit komolyabb dió. |
|
| |
2025. Nov, 12. Sze 20:12:52 |
| |
Jelenleg 101 fő olvassa az oldalt |
|
|