|
|
|
Terepasztal vezérlés és elektronika
|
Témaindító: nzozz, idő: Júl 14, 2010
Témakörök:
|
|
|
(#72333) Antal Miklós válasza klimas hozzászólására (#72332)
|
Válasz •
|
Aug 10, 2025 |
|
Igen, és nagyon köszi.  |
|
(#72334) TT.F.J. válasza Antal Miklós hozzászólására (#72329)
|
Válasz •
|
Aug 10, 2025 |
|
Üdvözöllek Miklós.
Nem győzőm hangsúlyozni hogy, ez irányú tudásom 0 a köbön.
Én nem azért kérdezek mert vitatkozni akarok ,csak nem értem.
Sok hasznos információt kaptam amit ez úton is köszönök.
De a legutóbbi rajznak örültem a legjobban.
Ez irányú érdeklődésemet befejeztem.
Ha más témába megakadok, azért majd még veszem a bátorságot.
Köszönöm. |
|
(#72335) TT.F.J. hozzászólása
|
Válasz •
|
Aug 10, 2025 |
|
Üdvözlők mindenkit.
Itt lenne a következő kérdésem .
A Temuról rendelnék ,de a fordítóba nem mindig lehet megbízni.
Ezek a stabilizátorok vannak.
Az első felső sorban ezek a jelölések vannak.
L7805cv L7812cv L7912cv TIPP122
alatta mindegyiknek ccokj V6 van írva (gondolom ez jelzi voltot.)
Az előző témához melyik a leg megfelelőbb?
Köszönöm a tanácsot. |
|
(#72336) TT.F.J. válasza TT.F.J. hozzászólására (#72335)
|
Válasz •
|
Aug 10, 2025 |
|
És még, mekkora hűtő bordát tegyek melléje? cm.x. cm. |
|
(#72337) Antal Miklós válasza TT.F.J. hozzászólására (#72335)
|
Válasz •
|
Aug 10, 2025 |
|
Szia József!
Nem akarlak lebeszélni a Temu-ról, az ember hall jót, rosszat is. a Te feladatodhoz ez a stabilizátor Ic, itt Bp-n is nagyon jó áron elérhető:
https://kontel.hu/spd/310015/L7806CV-DG-TO220-15A
és érte mehetsz, és délután már be is épitheted. Fleslegesnek tartom ezt Kinából szállítani kitudja mennyi Ft-ért.
Különben a 780xx sorozatnak már a típusmegjelölésében is benne van: 7806. A felsorolásodban 5V-os; 12 V-os; negatív 12 V-os (7912); van a TIP122 tranzisztor.
A hűtőborda méretéhez jó lenne tudni, a motor mekkora áramot vesz fel 6 V-on? Ha 500mA-t és a puffer feszültséged 22 V, akor a 7806-nak el kell disszipálnia: 22 V - 6V = 16V x 0,5 A = 8W fog hővé qalakulni. (Ugye a 7806 maximális terhelhetősége 15 W.
Szerintem ha egy 100mm x 100mm alulemezt teszel működni fog. De ha van valahonnan kibányászott hűtőbordád, az is megteszi. DEe a stabilizátorra kell hütőborda! |
|
(#72338) csíkosháTTú válasza TT.F.J. hozzászólására (#72335)
|
Válasz •
|
Aug 10, 2025 |
|
Idézet: „A Temuról rendelnék ...”
Fluimucil...
De miiijjjéééért???!!!

Egy stabilizátor IC-t?
Ne viccelj már velem!
Itt a Hestore, a Lomex, a RET, soroljam? De Kispesten az Ady Endre úton, ha a Határ út felé mész, akkor jobb oldalon, a Templom téri jelzőlámpa (Kisfaludy utca) után, de még a kapitányság előtt, ott van egy tv szervíz, meg egy alkatrészbolt. Van vagy 100Ft egy ilyen, és akkor nagyvonalú voltam.
Egyébként a 78xx sorozat a pozitív szabályzó, a 79xx a negatív.
Az "xx" helyén lévő két szám adja meg, hogy a kimenetén mekkora stabilizált egyenfeszültség lesz. Vagyis: 7805 = +5V, 7812= +12V. Ami nekünk kell, az a 7806 = +6V.
A hűtőfelületet Antal Miklós kolléga leírta.
Továbbra is tartom, hogy adok egy PWM szabályzót, és akkor az elé csak egy Graetz hidat kell tenned, meg egy 1000mikroFarad/25V-s elkot, minden hókuszpókusz nélkül. |
|
(#72341) TT.F.J. válasza csíkosháTTú hozzászólására (#72338)
|
Válasz •
|
Aug 11, 2025 |
|
Üdvözöllek.
Bocsi, nyilván hogy nem egy db.-ra gondoltam ,hanem több más termékkel együtt rendeltem volna. A Kisfaludy-nál már párszor voltam, elég szegényes a felhozatal.
A jobbak meg, az üzemanyag + parkolás az már közelvan a 2000.FT.-hoz.
Amit utána írtál az hasznos volt számomra, ezt is elteszem.
A PWM meg megnézem a jövőhéten.
Köszönöm.
|
|
(#72342) Antal Miklós válasza TT.F.J. hozzászólására (#72341)
|
Válasz •
|
Aug 11, 2025 |
|
Tisztelt Urak!
az alkatrész beszerzés rejtelmeiről folyt a beszélgetés.
Az én tapasztalatom szerint bár a hazai alkatrész ellátásban vannak még hibák, de van egy-két info, amit kevesen tudnak:
Kontel Kft Ujpest Munkásotthon utca, az áraik nagyon jók, elég nagy a választék, gyakran aznap már megkapom ami kell.
HEStore Sashalom. Jó a választék, általában 2 nap mire megkapom az alkatrészt.
Lomex XIII ker, jó a választék, árak kicsit magasak.
Mindegyik cégnek van honlapja, árakkal, összekészítik az árut és érte is lehet menni. Ez tetszik, mert ingyen utazom, és miért fizessek több alkatrész árát a kiszállításért.
Ja, és Temu.
Nekem sajna rossz a tapasztalatom, és a szállítási idő???
|
|
(#72348) csíkosháTTú válasza Antal Miklós hozzászólására (#72342)
|
Válasz •
|
Aug 11, 2025 |
|
Annyit fűznék hozzá, hogy a legszélesebb választék a LOMEX-nél van, és ott az eladók is profik.
(Árakról én nem nyilatkozom, nagykerben vásárolok, abban a LOMEX kifejezetten jó. Csak messze van. A műhelytől 3 utcára van a Bázis Elektronika Kft, nekem ők az elsődleges beszállítók. Ha valami nincs idehaza, akkor a Mouser-től rendelek. A számla Legyelországból jön, az árú meg Texas-ból, általában 4-5 nap alatt. A Bázist felhívom, ha sürgős, ha nem, akkor e-mailt írok, és átsétálok érte.) |
|
(#72349) etwg válasza csíkosháTTú hozzászólására (#72348)
|
Válasz •
|
Aug 12, 2025 |
|
Örüljetek, hogy még vannak boltok, ahol esetleg meg is nézehetitek a keresett alkatrészt, ilyen már tölünk nyugatra alig van. A sogoreknál az egész országban van még talán 3 ilyen bolt, igy az ember kénytelen on-line vásárolni és akkor már a távolkeleti források verhetetlenek, még akkor is, ha nem mindig a legjobb a minöség és nem mindig jön az áru napok alatt. Szerencsere van Amazon is, ahonnan napok alatt szállitanak.
Viszont a kinálat keleten több nagyságrenddel nagyobb, söt olyan dolgok is elökerülnek, amit mifelénk már vagy 50 éve elfelejtettek. |
|
(#72357) csíkosháTTú válasza etwg hozzászólására (#72349)
|
Válasz •
|
Aug 12, 2025 |
|
Idézet: „Viszont a kinálat keleten több nagyságrenddel nagyobb,...”
Vagy nem. Az FD2023 funkciódekóderünk fejlesztésénél jártunk úgy, hogy felmerült, hogy Kínában legyártatjuk, és be is ültetik ők. Kértünk ajánlatot, aztán köszöntük, de nem lett belőle semmi, itt a műhelyben készül. Ugyanis a kínaiaknak nem volt raktáron ATMEL, a funkció kimenetek tranzisztorai, Z-dióda. Anit beültettek volna, azok gyakorlatilag a Graetz, meg a passzív alkatrészek (ellenállás, kondenzátorok), a lényeges dolgokat nekünk kellett volna rászuszakulni. Most képzeld el az SMD paszta maszkot, ahogy az nem fekszik fel a panelre, mert már be vannak ültetve az ellenállások... |
|
(#72371) etwg válasza csíkosháTTú hozzászólására (#72357)
|
Válasz •
|
Aug 13, 2025 |
|
Te válogattad ki vagy csak rájuk biztad. Lehet, hogy a mennyiség nem volt elég a munkához
Nemrégen Japánban honapokig nem lehett az un suica kártyát kapni ( sima chip kártya amire pénzt lehet feltölteni és ezzel utazni a vonatokon), pedig sok 10 millio kellett volna az utasoknak.
Ilyen bajok ma mindennaposak, de még mindig csakis keletröĺ jön megoldás. |
|
(#72373) csíkosháTTú válasza etwg hozzászólására (#72371)
|
Válasz •
|
Aug 13, 2025 |
|
Meg volt adva a tipus. Azt gondoltam, hogyha a Mouser-nél van raktáron belőle sok-sok ezer, akkor talán van Kínában is. Amikor terveztük, akkor az volt az egyik paraméter, hogy ne olyen alkatrészekkel dolgozzunk, amikből az utolsó párezer darab van raktáron, de olcsó. Ha mge kifogy, akkor nem lesz többet. Nem nyertünk... A NYÁK lemez itt készül Budapesten a Turbo Plus-nál, az SMD alkatrészek részben a LOMEX-től érkeznek, az ATMEL, a funkciókat kapcsoló trazisztorok, a Z-dióda, meg a többi "kényesebb" a Mouser-től. Az SMD paszta maszk itt van nálunk, a beültetés, és az ATMEL programozása is itt történik a műhelyben.
Szóval ez Made in Hungary. |
|
(#72377) etwg válasza csíkosháTTú hozzászólására (#72373)
|
Válasz •
|
Aug 14, 2025 |
|
Nem tudom mennyi van egy tekercsen, de ilyen célokra a gyár csak tekercsenként veheti az alkatrészeket s nem darabonkent mint a Mousernél ( stb ). Ez a lényeges különbség. |
|
(#72400) TT.F.J. hozzászólása
|
Válasz •
|
Aug 18, 2025 |
|
Üdvözlők mindenkit.
Már régebben említettem a digitális dolgokhoz nem nagyon értek, ezért is teljesen analog módon építek magamnak egy mozdony fordítót.
Az irányító kis kapcsoló pult mérete: 125x80x belmagassága 26.mm. Tehát nem nagy. A pozíció kapcsolom kétszer x 11. pólussal rendelkezik, vagyis 22 sínkiállást tudok elérni.
A kérdésem a következő. Mikor a mechanikus pozíció kapcsolót eltekerem a kívánt állásba , lehetséges valamilyen elektronikai kütyüvel elérni hogy, ezt egy led kijelző mutassa számmal? (léptető motor Kizárva).
Köszönöm a hozzászólásokat. |
|
|
|
(#72401) etwg válasza TT.F.J. hozzászólására (#72400)
|
Válasz •
|
Aug 19, 2025 |
|
Lehet, de bonyolult, és ha nem értesz hozzá akkor csak gondjaid lesznek. |
|
(#72404) JZoli válasza TT.F.J. hozzászólására (#72400)
|
Válasz •
|
Aug 19, 2025 |
|
Rengeteg diódával megoldható, elég körülményes lenne! A képen lévő kapcsolás nem ehhez való, de azért tettem be, hogy az elvet szemléltessem! |
|
|
|
(#72405) slogan válasza TT.F.J. hozzászólására (#72400)
|
Válasz •
|
Aug 19, 2025 |
|
Egy microcontrollerrel megoldható. |
|
(#72406) diginewl válasza TT.F.J. hozzászólására (#72400)
|
Válasz •
|
Aug 19, 2025 |
|
Még mielőtt itt elszomorítanálak: ez a nagyon profiknak is a legnagyobb kihívás a fordítókorong egyedi meghajtása, és pozícionálása!!!
Az addig rendben van, hogy ott a kütyü a kezedben, de mi fogja adott ponton megállítani a korongot??? Majd valahogy megoldod??? Ajaj.
Én is vettem egy leharcolt FL fordítókorongot, aminek a reteszelő mechanikája jó volt. Ehhez már meg tudtam oldani a megállítást, és hurokfordítást a hídon. Az egésznek rákfenéje a pontos megállítás, és a lötyögésmentes hajtás, de a kettő összefügg.
Sajnos ez van.
videjó
FL korong |
|
(#72407) JZoli válasza slogan hozzászólására (#72405)
|
Válasz •
|
Aug 19, 2025 |
|
Hát, ha nem ért a digitális dolgokhoz (ahogy írta) akkor kontroller+program+felprogramozás nem lesz egyszerű. |
|
(#72408) slogan válasza JZoli hozzászólására (#72407)
|
Válasz •
|
Aug 19, 2025 |
|
Nem is arra gondoltam, hogy ő csinálja.
Amúgy meg a sok dióda helyett egy ADC-n egyszerűbb. |
|
(#72409) Antal Miklós válasza TT.F.J. hozzászólására (#72400)
|
Válasz •
|
Aug 19, 2025 |
|
Szia. Szerintem az elektronikától el kellene tekinteni. A legegysszerűbben és költség hatékonyan inkább a teljesenmanuális meghajtásra gondoltam. Ott látod, hogy melyik vágányt választottad ki, sőt a hajtás is egyszerűen kivitelezhető. Vagy megvásárolod.... |
|
(#72410) TT.F.J. válasza Antal Miklós hozzászólására (#72409)
|
Válasz •
|
Aug 19, 2025 |
|
Üdvözöllek. Igazad van. Bekell látnom hogy ez téves irány lenne részemről. Marad az eredeti terv. Én mindent a nulláról építek ,és nem egy leharcolt fordítókorongot megveszek, és felújítok. A korong 70%-os állapotban már meg van .És tű pontosan ott fog megállni ahol kel.
A kétkedőknek majd küldök képeket ,ha teljesen kész leszek.
Köszönöm a hozzászólásokat. |
|
(#72411) diginewl válasza TT.F.J. hozzászólására (#72410)
|
Válasz •
|
Aug 19, 2025 |
|
Tudod, alapjában véve türelmes ember vagyok.
Kivárom, és küldj. De KOMOLYAN! nem ám, hogy nem volt időm, meg beteg lettem, meg egyéb kifogások!
Érdekel hogyan oldod meg a Idézet: „És tű pontosan ott fog megállni ahol kel.” helyzetet. Mert ez nekem sem sikerült, csak a gyári megoldással.

Ha 70%-ban készen van, akkor néhány képet láthatunk róla? Ilyenkor már a hajtásnak, és a pozicionálásnak is valahol már látszani kell. |
|
(#72412) Antal Miklós válasza TT.F.J. hozzászólására (#72410)
|
Válasz •
|
Aug 19, 2025 |
|
Szia. Én is elkezdtem egyet építeni. A legnehezebb a hajtásláncban a megfelelő kotyogás mentes fogaskerék áttétel kialakítása, megépítése volt. segítségemre volt, hogy sikerült egy harckocsi rádió antenna illesztő/hangoló mechanikát megvásárolni az akkor még működő Jobbágy utcai barkács boltban. Ez is működött, de végül - mivel az unokák szerettek volna vele játszani - így maradt a teljesen manuális kivitel csigahajtáson keresztül.
Azután tönkrement és szétszedtem.
|
|
(#72414) TT.F.J. válasza diginewl hozzászólására (#72411)
|
Válasz •
|
Aug 20, 2025 |
|
Üdvözöllek.
Annak örülök hogy türelmes vagy, mert ezt csak úgy lehet csinálni.
Látom felcsigáztam az érdeklődésedet. Én az elektronikai hiányosságomat a szerkezeti megoldásokkal tudom pótolni.
Már elkezdtem képeket készíteni a folyamatokról, csak mikor teljesen készen van, akkor lesz megmutatva. Nem akarom a nem kész dologról, a fikázásokat. És most elő kel, hogy jöjjek egy kifogással. Abba megegyezhetünk hogy nemcsak erről szól az életem. Amig ilyen jó idő van addig a házban -ház körül vannak elvégzendő dolgok. Komolyabban csak a rossz idő beálltával tudok foglalkozni .De szerintem december végén meglesz. Sok dolgot a Temuról szereztem be, mert az itthoni kiskereskedelemben nem találtam.
És még valamit, ha valaki itt segítséget kér, nem kéne lekezelő ,lesajnáló módban részesíteni. Ezt a mondatot ne vedd magadra ,ezt úgy álltalában értettem.
Én itt ezt, be is fejeztem.
Köszönöm. |
|
(#72416) etwg válasza TT.F.J. hozzászólására (#72414)
|
Válasz •
|
Aug 21, 2025 |
|
Nem igen akarok beleszolni, de most inkább te estél átt a lekezelö stilusba, mármint, hogy a tü ott fog megállni ahol kell.
Sajnos ez sokaknak nem sikerült és nem ritkán komoly korrekcios eljárásokat kellett bevetni mert a tü měgsem ott állt meg ahol kellene. S nem véletlenül zseniális a Fleischman/Roco több mint 50 éves megoldása, mert az alapbol kiküszöböli ezt a hibát. Sajnos házilag kivitelezni igen nagy szaktudást és jo mühelyi felszerelést igényel.
Te itt többször hangoztattad, hogy nem értesz nagyon az elektronikához, ezek szerint a mechanikához sem s mégis át mersz menni a kioktato stilusba ( mondom én 6 vagy 7 müködö forditokorong megépitése után.
A képen az egyik utolso 80 cm hosszu hiddal.
|
|
|
|
(#72417) Lazsi válasza TT.F.J. hozzászólására (#72400)
|
Válasz •
|
Aug 21, 2025 |
|
A legegyszerűbb megoldás egy 3. tárcsa a Yaxley-re... (Vagy csak 1 tárcsát használsz a vezérléshez, és a másodikat használod a LED-ekhez.)
A közös pont egy ellenálláson keresztül a tápfeszültségre megy, a leágazásokra 1-1 LED a föld felé.
Bocsi a figyelmetlenségem miatt!
Újraolvastam, és most tűnt fel, hogy nem 11 db. LED-et szeretnél kapcsolgatni, hanem azt számmal kijelezni...
Ehhez viszont leginkább digitális áramkör kellene... És némileg bonyolítja a dolgokat, hogy kétjegyű számot kell kijelezni... |
|
(#72418) diginewl válasza TT.F.J. hozzászólására (#72414)
|
Válasz •
|
Aug 21, 2025 |
|
Idézet: „Látom felcsigáztam az érdeklődésedet.”
Nem csigáztál fel. Erő János is épített saját fordítókorongot. Ott is van egy reteszelő mechanizmus, ami rögzíti "tűpontosan" a korongot. Meg lehet csinálni.
Nálam a korongra áramfeladás, és annak csapágyazása akasztotta meg a dolgot véglegesen. Meg őszintén szólva sajnos egyszerűbb volt a használtat 10-ed áron megvenni. Valamint, ezen a korongon van egy forgolódó tolatásjelző, ami előbb mozdul mint a korong. Nekem ez is bőven elég kihívás volt.
 |
|
(#72419) TT.F.J. válasza etwg hozzászólására (#72416)
|
Válasz •
|
Aug 22, 2025 |
|
Üdvözöllek.
Pedig már megfogattam hogy befejeztem. Nyilván való hogy a gyári Roco hajtással nem lehet versenyezni. Nem is akarok. TT. méretről van szó. Az új Roco fordító három kiállással 160000FT, még megveszed hozzá a többi 21 kiállást 54000FT. (214.E.)
Ép tegnap számoltam össze, idáig kb. 55000ft. ment rá ,még kb. 20000.ft elmegy. De én valóban a nulláról kezdtem, analóg üzemű lesz.
Ezt a 80,cm-es fordítót már pár honapja mutattad, legyél rá büszke.
Hogy a mechanikához sem értek, köszönöm neked, de ilyen jót rég röhögtem. |
|
(#72420) TT.F.J. válasza Lazsi hozzászólására (#72417)
|
Válasz •
|
Aug 22, 2025 |
|
Üdvözöllek.
Köszönöm az észrevételedet, de már lemondtam a digitális kijelzőről.
Tulajdonképpen a Yaxley kapcsoló 2x11 a sínek pozicionálására kellenek.
Egy trükkös megoldással még két kiállást megtudok valósítani, igy meglesz a 24.
Köszönöm. |
|
(#72421) TT.F.J. válasza diginewl hozzászólására (#72418)
|
Válasz •
|
Aug 22, 2025 |
|
Üdvözöllek.
Igen, a Roco féle áram felvitel a korongra az elég necces. Én máshogyan közelítettem meg a problémát. A királytengely átmérője ötös, alul és felül két -két kis csapágyat raktam, igy már elég patent .Az áramellátást is megoldottam, igaz hogy csak négy vezetéket tudtam felvinni.
De az még pont elég.
A forgólódó tolatás jelzőt azt irigylem, az nekem nem lesz .Csak a forgás megkezdésénél átellenben a két sarkánál lesz villogó. |
|
(#72422) etwg válasza TT.F.J. hozzászólására (#72419)
|
Válasz •
|
Aug 22, 2025 |
|
Van TTben is meg vagy 4 H0-ban is. És rendbe tettem vagy féltucat gyári korongot is. |
|
(#72423) diginewl válasza TT.F.J. hozzászólására (#72421)
|
Válasz •
|
Aug 22, 2025 |
|
Beszélgettünk már tavaly is a fordítókorongos topikban.
Tényleg sok sikert!!! Én elvéreztem a mechanikán sajnos...
Mivel nem tudok ezen a fórumon linkelni sem, ezért a 2023-okt-13-as leírásomat ha megnézed a fordítókorong topikban, és utána kettővel/hárommal lejjebb még néhány hozzászólást, ott van leírva hogy csináltam a forgolódó tolatásjelzőt.
|
|
(#72424) etwg hozzászólása
|
Válasz •
|
Aug 22, 2025 |
|
Ez is az volt anno. |
|
|
|
(#72855) sany hozzászólása
|
Válasz •
|
Nov 8, 2025 |
|
Sziasztok!
A segítségetek kérném.
Adott egy Viessmann 4554 -es váltó kitérő. A képen látható a kitérőt mozgató elektromágnes. Ez a kitérő egy gyors mozgású elektronikával szerelt. Azonban nekem az lenne a kérdésem, hogy valahogy át lehetne-e alakítani ennek a gyári kitérőknek az elektronikáját, hogy ne gyorsan, hanem lassan húzza az adott kitérőt egyik állásból a másikba?
Csatoltam egy videót. Ezen videón lassú mozgású váltó látható.
Ismeritek ezt a kitérőt? Illetve tudjátok, hogy kellene átalakítani? Esetleg lenne öltetettek mit kellene csinálni?
U.i.:
A probléma megoldása egy ismerősömnek kellene, nekem nincs terepasztalom. Esetleg, ha szükséges, akkor tudok még képet kérni tőle. Ha lehetne, akkor én csak elektronikát tudnék csinálni hozzá majd.
Nagyon köszönöm a segítségeteket! |
|
|
|
(#72856) etwg válasza sany hozzászólására (#72855)
|
Válasz •
|
Nov 9, 2025 |
|
Ez az un.két tekercses válto állitomü. Ezt nem lehet lassitani.
Ami a videon van az egy motoros váltóállitó.
Azt lehet lassitani. Kb ugyanabban az árban kaphatok és többnyire sokkal kisebbek mint a tied. |
|
(#72857) sany válasza etwg hozzászólására (#72856)
|
Válasz •
|
Nov 9, 2025 |
|
Értem. Akkor bonyulultabb a helyzet.
Ebben az esetben, az áthúzàsi vagy behúzási időt pl. egy kondenzátor segítségével nem lehetne befolyàsolni?
|
|
(#72858) etwg válasza sany hozzászólására (#72857)
|
Válasz •
|
Nov 9, 2025 |
|
Nem, mert ennek a mágneses meghajtonak az ereje az impulzusban van, azaz nagyon rövid ideig kell kb 1-2 Ampert küldeni a tekercsbe, hogy beszivja a vasmagot és abban a pillanatban le is kapcsolodik az áramforrásrol, mert különben elég.
Ha ezt lassitod, akkor nem éri el soha az 1-2 Ampert, mert elötte leég a tekercs és a vasmag meg ott marad ahol volt. Ezt csak mechanikailag lehetne lassitani, de az tul bonyolult. |
|
(#72861) csíkosháTTú válasza sany hozzászólására (#72855)
|
Válasz •
|
Nov 9, 2025 |
|
Szia!
Ez egy elektromágneses hajtómű, ennek a sebességét nem tudod befolyásolni elektronikai eszközökkel. |
|
(#72869) sany válasza csíkosháTTú hozzászólására (#72861)
|
Válasz •
|
Nov 10, 2025 |
|
Rendben. Köszönöm a válaszaitokat. |
|
(#72977) 73 Gábor hozzászólása
|
Válasz •
|
Dec 2, 2025 |
|
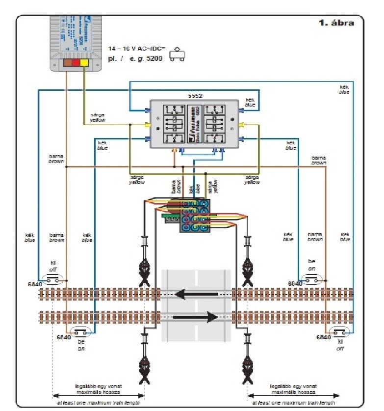
Szép estét mindenkinek! Egy kis segitség kéne. Fénysorompót kötnék be,az alábbi rajz szerint,de nem müködik.Igaz nem a terepasztalba épitve.csak próbábol az asztalon. |
|
|
|
(#72981) csíkosháTTú válasza 73 Gábor hozzászólására (#72977)
|
Válasz •
|
Dec 3, 2025 |
|
Ha ez a MÁV fénysorompó, akkor arra vigyázz, hogy csak AC-ről, azaz trafóról megy. |
|
(#72986) 73 Gábor válasza csíkosháTTú hozzászólására (#72981)
|
Válasz •
|
Dec 3, 2025 |
|
Szia! Köszönöm az infót! Azthiszem ezt jól benéztem .Egy PIKO analóg vezérlöre kötöttem,de az csak 16V DC-t ad. |
|
(#73125) etwg hozzászólása
|
Válasz •
|
Feb 7, 2026 |
|
Na mi lesz, ha elkészül?
|
|
|
|
(#73126) slogan válasza etwg hozzászólására (#73125)
|
Válasz •
|
Feb 7, 2026 |
|
Throttle ?  |
|
(#73128) etwg válasza slogan hozzászólására (#73126)
|
Válasz •
|
Feb 7, 2026 |
|
Igen , mégpedig nagyon primitiv, egy F1-es modernebb kivitele. Remélem majd egy 3 napos kiállitást kibir. |
|
(#73129) Antal Miklós válasza etwg hozzászólására (#73125)
|
Válasz •
|
Feb 7, 2026 |
|
Kézivezérlő. Szuper aranyos.
A 3D technika és az elektronika ötvözete.
Gratulálok.
Ez egészen feldobott. Én is meg szeretném építeni.
|
|
(#73131) etwg válasza Antal Miklós hozzászólására (#73129)
|
Válasz •
|
Feb 7, 2026 |
|
Még egy kicsit pofozni kell, de már közel van a végeredményhez. |
|
(#73132) promise válasza 73 Gábor hozzászólására (#72986)
|
Válasz •
|
Feb 7, 2026 |
|
DC 12V-ról is kiválóan működik kettő is a klub terepasztalán hónapok óta. |
|
| |
2026. Ápr, 01. Sze 13:37:44 |
| |
Jelenleg 444 fő olvassa az oldalt |
|
|