|
|
|
Terepasztal vezérlés és elektronika
|
Témaindító: nzozz, idő: Júl 14, 2010
Témakörök:
|
|
|
(#56511) SGZoli válasza etwg hozzászólására (#56510)
|
Válasz •
|
Jún 18, 2017 |
|
Az áramszedés és az áramvezetés tökéletesen működik, egymástól függetlenül mindhárom pályán rendben mennek, és szabályozhatóak, a gond akkor van, ha egyik pályáról át akarok menni a másikra. |
|
(#56512) etwg válasza SGZoli hozzászólására (#56511)
|
Válasz •
|
Jún 18, 2017 |
|
A gond, hogy nem lehet 3 PWM-t egy traforol táplálni és utánna irányváltot rakni. Ez kizárt!!!!
3 trafo kell! |
|
(#56513) etwg válasza etwg hozzászólására (#56512)
|
Válasz •
|
Jún 18, 2017 |
|
Ekkora méretben sokkal egyszerübb, ha fix feszültséget vezetsz a sinekbe (24V) és a mozdonyok szabályozását a fedélzeten végzed el. Azaz oda rakod a PWM-t és valamilyen távvezérlöt hozzá ( rádio stb). Igy a mozdonyok teljesen függetlenek egymástol és oda mennek ahova akarod minden gond nélkül, és igy 1 traforol mehet minden. |
|
(#56514) SGZoli válasza etwg hozzászólására (#56512)
|
Válasz •
|
Jún 18, 2017 |
|
Ezt most nem teljesen értem, mitől nem működne? Eddig tökéletesen működik. Trafó szekunder 24V, rákötve párhuzamosan 3 db graetz, a graetz-ek után a 3 pwm, pwm-ek után irányváltó kapcsoló, majd pálya kimenet. Miért ne működne? A gondom az, hogy a pályák közötti átmeneteknél bolondul meg a dolog a szakaszolásnál, amikor 2 pwm-et használok egyszerre. A pályák egymástól függetlenül, akár egyszerre hibátlanul mennek. |
|
(#56515) etwg válasza SGZoli hozzászólására (#56514)
|
Válasz •
|
Jún 18, 2017 |
|
A 3 greatz nem választja le galvanikusan a trafo kimeneteit, amit PWM után az irányválo kapcsoloval kapcsolgatsz. Huzd végig mondjuk a negativ poluson az ujjad a kimenettöl a greatzig, s meglátod mi történik ha irányt váltasz. Ennyi.
Ez csak addig müködhet amig az irányváltás után nem kerülnek galvanikus kapcsolatba a polusok.
Ezért müködhet a mozdonyon, mert ott csak a motor van a PWM-re kötve, de kizárt a sinekben. Oda mindig külön trafo kell! |
|
(#56516) proba válasza SGZoli hozzászólására (#56514)
|
Válasz •
|
Jún 18, 2017 |
|
Szerintem, hamarabb olcsóbban egyszerűbben megoldod három mozdony három szabályzó és mindez a mozdonyokon, ahogyan javasolták. Igazán három transzformátorral sem lesz tökéletes, a szakaszhatár mindíg gond lesz. A 20A PWM a sínben is minden csak nem környezet és rádió barát. Ami mellette szól akár masiniszta is irányíthatja helyből, bármikor bővítheted a mozdonyok számát. Szerintem modellvasúton csak azért nem ez a változat terjedt el mert a vevő nehezen fér el a mozdonyokban. |
|
(#56517) etwg válasza proba hozzászólására (#56516)
|
Válasz •
|
Jún 18, 2017 |
|
Ha rádiovevöt rak a mozdonyba akkor is helyböl, söt bárhonnan irányithatja. Meg azt sem illik elfelejteni, hogy az ilyen méretü modellek már nem éppen a játék kategoriába tartoznak ( sem a tömegük, sem a mozgási energiájuk nem játék). Ezek már tudnak kárt is okozni, igy nem szabad öket vakon távirányitani. |
|
(#56518) Antal Miklós válasza etwg hozzászólására (#56513)
|
Válasz •
|
Jún 19, 2017 |
|
Sziasztok. Sajnos kell a galvanikus leválasztás, mert valamelyik átmenetnél mindig keletkezik rövidzár.
Én ezt úgy oldottam meg, hogy a jó öreg PC-táphoz fordultam segítségért.
A PC-táp 12V része igen nagy terhelhetőségű, de közös tekercselést használ - pontosabban leágazás van a +5V felé.
Tehát át kell tekercselni a PC tápban lévő trafót!
Ha van egy jól működő PCtáp - ellenőrzés: +5v; +12V ra terhelés 6V30W 12V21W autóizzó, majd zöld vezetéket testre kötni, erre elindul - azt könnyen át lehet alakítani: trafót kiszedni és a szekunder 5V; 12V tekercseket egymástól függetlenül feltekercselni - legtöbbnél 7 menet.
A tekercs kivezetéseket egymástól elszigetelve kivezetni, DE egy tekercselést +5V és +12V visszakötni az eredeti helyére, hogy a belső szabályozó müködjön. Erre a tápegység részre valamilyen fogyasztót rá lehet kötni. A különálló tekercsekre - kétutas egyenirányítót, stabilizátort, majd PWM-t rá lehet kötni, persze mindezeket egy külön nyákon elhelyezve. A d=0,6mm vezeték 2-3A-t terhelést elbír,
Az átalakításban egyedül csak a trafó a kérdéses - és az ügyesség - elfér e rajta a + 3-5 db külön tekercselés.
Ne feledkezz meg a tekercselések közötti MEGFELELŐ szigetelésről, hiszen a primer tekercselés is osztott elhelyezésű, abban megközelítőleg 300V van.
Én egy 250W tápot alakítottam át, de a trafót egy 500W-ból vettem ki, ahol az elektronika már tönkre ment. Persze az egész majd nem fér bele a PC-táp dobozába, de lehet ügyeskedni. Kivezetni a trafó extra kivezetéseit és egy külön táp panelt építeni. Ez még mindig olcsóbb mint 3-5 trafót beszerezni.
A PC-táp átalakításra a HE fórumon sok jó ötlet, kapcs rajz van.
- |
|
(#56519) etwg válasza Antal Miklós hozzászólására (#56518)
|
Válasz •
|
Jún 19, 2017 |
|
Nem én lennék a cimzett, de azért némi kiegészités.
1.Egy ilyen átalakitáshoz kell némi tapasztalat, azaz nem ajánlhato egy olyan modellezönek, aki csak most ismerkedik a PWM-mel. Egy PC táp megbontása már surolja az illegalitás határát, és nem éppen veszélytelen dolog. Sok PC tápot még javittatni sem szabad.
2. A kollégának 24 V/10-20A kell, és ez 3szor. Ez már mindenképpen tulterheli a PC táp kapacitását.
3. Egy kerti vasutrol van szo, azaz a sinek kint vannak a szabad ég alatt - ez extra figyelmet és ovatosságot jelent amit a PC trafo ilyen formában csak részben tud biztositani. (Dobozolás, védelem).
4. Egy kerti vasut nem filléres huncutság, szerintem az áramellátás a legolcsobb az egészben - ezen nem szabad sporolni.
|
|
(#56520) Antal Miklós válasza etwg hozzászólására (#56519)
|
Válasz •
|
Jún 19, 2017 |
|
Ebben tökéletesen igazad van.
Ha csak egy terepasztal működtetéséről van szó ott a PC-táp megoldás lehet, egy olyan embernek aki az elektronikában is elég jól benne van.
A kerti vasút más ügy.
Itt fel tudok ajánlani a T. Kollégának egy EI160mm vasmagra tekercselt trafót, magkeresztmetszet 50x60mm melyen ~16V szekunder tekercsből d=0,8mm 8 db van. |
|
(#56521) Lazsi válasza SGZoli hozzászólására (#56511)
|
Válasz •
|
Jún 19, 2017 |
|
Szia!
Mennyire lehet megoldani, hogy az egyes, független részek között legyen mindentől független közbülső szakasz?
Vagyis a vonat, amikor át akar menni az egyik részről a másikra, előbb rámegy erre a szakaszra, majd csak ezután megy át a következőre. Ezt a szakaszt egy két-áramkörös váltókapcsolóval vagy az egyik vagy a másik részhez lehet kapcsolni.
Persze, ha nem figyelsz, akkor a közbülső szakasz túlsó végén még ugyanúgy előjön az eredeti probléma! (Bár ezt lehet automatizálni is.) De gondolom, nem üzemszerűen haladnak át a részek között a vonatok, vagyis amikor erre irányítod, akkor tudsz figyelni az időben történő átkapcsolásra is. |
|
(#56523) etwg válasza Lazsi hozzászólására (#56521)
|
Válasz •
|
Jún 19, 2017 |
|
Addig amig a PWM vezérlök galvanikus kapcsolatban vannak egymással ( egy traforol mennek) szinte valamennyi rossz kapcsolás totális rövidzárhoz vezet ( nemcsak a PWM kimenetén hanem a greatzen meg a trafon is), és ilyen áramok mellett ez nem játék. Minden rossz kapcsolás a 350W-s trafot zárja rövidre. Ez igy csak ideig oráig fog müködni, mig le nem ég az egész rendszer. ( kapcsolok meg a kábelek).  |
|
(#56524) Lazsi válasza etwg hozzászólására (#56523)
|
Válasz •
|
Jún 19, 2017 |
|
Ez egy hirtelen összedobott rajz...
A figyelmetlenség ( a vonat áthalad a szakaszon átkapcsolás nélkül) természetesen így is okoz hibát, de jelentősen lecsökken a lehetősége. A piros szakasz hossza a leghosszabb vonatnál is hosszabb legyen. A legjobb, ha az egy állomás, ahol úgyis meg kell állnia. Egyébként meg a két rész közötti sebességkülönbség is zavaró lesz...
Tovább csökkenthető a hibalehetőség, ha a kapcsolónak van egy középső állása, amikor a piros szakasz sehová sem kapcsolódik.
Esetleg a kapcsoló rugósan mindig visszaáll középre és a két szélső állásban csak addig van, amíg a felhasználó oda nyomja. |
|
|
|
(#56525) etwg válasza Lazsi hozzászólására (#56524)
|
Válasz •
|
Jún 19, 2017 |
|
Ami megy kis méretben, komoly bajokat okoz nagyban. Mint irtam minden kapcsolás, kisebb nagyobb rövidzár ilyen tápnál nem megy el szo nélkül. Szerintem a 350W-s trafot ha pillanatra is rövidre zárod, már repül a biztositék az elosztoban.
S ahogy proba kolléga is irta ez fölöttébb veszélyes a nagyfrekvenciás zavarok szempontjábol (10-20 A PWM-t a sinbe táplálni). Elöbb utobb a hatoságnak is fel fogja kelteni az érdeklödését, ha igy marad.
Jobb lenne mellözni a további ötletelést és megcsinálni ugy ahogy azt kell. Ezek már nem játékok, egy ilyen mozdony simán elvisz 2-3 felnöttet, a mozdony maga meg akár 40-60 kg is lehet. |
|
(#56526) SGZoli hozzászólása
|
Válasz •
|
Jún 19, 2017 |
|
Hűha, itt jönnek az újabb gondok, a nagyfrekvenciás zavar. Most próbáltam, a középhullámú rádiót rendesen zavarja, Fm-en, Tv-n nem venni észre, hangosító berendezésre, erősítőre nincs tippem. Most lehet, hogy páran már tudni fogják, melyik modellvasútról beszélek: 1:10-es méretarány, ablaktörlő motorok hajtják, alumínium függönykarnis a sín, felülni még nem lehet rá, de az LGB-nél nagyobb, egy mozdony akár 50cm-1,2 m hosszú is lehet. Sajnos a számítógép tápegység ötletét nem tudom megvalósítani, szerintem nem bírná, és a kapcsolóüzemű tápokhoz nem értek. Az állandó feszültségű kimenet (digitális üzem) dekóder, stb. átalakítása több évet venne igénybe, van 20 mozdonyom. Ezért döntöttem a pwm mellett. Eddig fokozatkapcsoló volt, de a 8/12/16/20V-os csapolások kapcsolgatása miatt életszerűtlen volt, rángatott, hirtelen indult/állt, szétszedte magát. Nem is beszélve, hogy a pwm használata során sokkal jobb a motorok kommutációja, és az áramszedés is javult. Túláramvédelem mindenhol van, primer oldalon B6-os, szekunder (pwm kimenet) oldalon B16-os kismegszakító van, le is old szükség esetén. Nos, a fokozatkapcsolónál ugyan azt a kimenetet osztottam 3 felé az irányváltó kapcsolókra, csak az irányokra kellett figyelnem.
A pálya kialakítása nem fix, több variációban is összeállítható, mozdony hosszúságú szakaszom nincs, eddig nem kellett. A kisebb, egy motoros mozdonyok áramfelvétele szólóban 2-3A, terhelve 5-8, a nagyobb két motorosoké a kb duplája. Legrosszabb esetben marad a nagyon odafigyelés a szakaszon áthaladásnál, pwm és irány szinkronizálása. |
|
(#56528) csíkosháTTú válasza SGZoli hozzászólására (#56526)
|
Válasz •
|
Jún 19, 2017 |
|
Előre bocsájtom, hogy ekkora áramokkal nem nagyon foglalkoztam eddig, de két észrevételem van.
1: A kismegszakító, vagy biztosíték nem fogja megvédeni a PWM kimenetét a leégéstől. Túl lassúak, a PWM végfokozatának félvezetői hamarabb fognak elköszönni, mint ahogy ezek a "biztosítékok" működésbe lépnének. (Az olvadó biztosítékkal védett tranzisztor a saját élete árán védi meg a biztosíték testi épségét.)
2: Amit írtál kapcsolás a pályák között, az az un. "A-kapcsolás". Ez azért szokott működni gondok nélkül, de ekkora áramoknál én még nem próbáltam. Szerintem nem úszod meg, hogy az egészet ne kötözd át egy másik módon, még pedig a "Z-kapcsolás" szerint. (etwg is írta.) Ebben az esetben lesz három darab, három állású kapcsolód. Ebben az esetben a PWM szabályzók nincsenek fixen egy pályához rendelve, hanem egy-egy három állású kapcsolóval lehet kiválasztani, hogy melyik pályát melyik viszi. Átmenetnál nyilván az adott két pályát egyre kell kapcsolni, ha az átmenet megtörtént, akkor a másik már fel is szabadult. |
|
(#56529) etwg válasza csíkosháTTú hozzászólására (#56528)
|
Válasz •
|
Jún 19, 2017 |
|
Steve
A Z kapcsolás is feltételezi, hogy a tápok egyik kimeneti pontja közös, azaz az iránykapcsolo után kell eldönteni, hogy melyik kimeneti polus lesz közösitve, mig a másik megy a kapcsolokon át az egyes szakaszokba. Sajnos pontosan ez az elv zárja ki, hogy több PWM modul egy trafobol (tekercsböl) legyen táplálva.
Lehet olyan büvészkedéssel dolgozni ahogy Lazsi kolléga irta, de ez sem oldja meg a problémát csak áttekinthetettlenebbé teszi a vezérlést, hiszen az átmeneti szakaszban változik a polaritás, ami egy trafo esetében mindig totál rövidzárlathoz vezet. - az ilyen Z kapcsolás csak akkor müködhet, ha nem lesz irányváltás.
A jelenlegi megoldásban az egyik polus már az iránykapcsolo elött közösitve lett, amit az iránykapcsolo a kimeneten felül ir, és ez a hiba. Ezért nem lesz ez igy sehogyan sem jo. |
|
(#56530) csíkosháTTú válasza etwg hozzászólására (#56529)
|
Válasz •
|
Jún 20, 2017 |
|
Igaz kicsiben, de megcsináltam már egy ilyen, közös tápos Z-kapcsolást, PWM-re. Az működik gond nélkül. Természetesen átmenetkor nincs irányváltás, nem is lehet, és utána is csak akkor, ha már a másik oldalt átkapcsoltuk. Most nem tudok rajzolni, de az a pálya úgy működik, hogy a fővonal az egyik átkapcsoló közös érintkező párja (természetesen az átkapcsolók mind kétáramkörösek!), az "A" érintkező pár az az 1-es menetszabályzó kimenete, a "B" pedig a 2-es menetszabályzóé. Ugyanilyen van a mellékvonalra is.
Azt egyébként én nem nagyon értem, hogy a PWM szabályzók kimeneteit minek közösíteni??? |
|
(#56531) etwg válasza csíkosháTTú hozzászólására (#56530)
|
Válasz •
|
Jún 20, 2017 |
|
Idézet: „Azt egyébként én nem nagyon értem, hogy a PWM szabályzók kimeneteit minek közösíteni???”
Mert igy szokás. ( lásd a fekete vezetékeket).  |
|
|
|
(#56532) etwg válasza etwg hozzászólására (#56531)
|
Válasz •
|
Jún 20, 2017 |
|
Illetve egy talán még szemléletesebb kép, 3 szabályzoval.
|
|
|
|
(#56534) csíkosháTTú válasza etwg hozzászólására (#56531)
|
Válasz •
|
Jún 21, 2017 |
|
DE ezen a képen "A-kapcsolás" van...  |
|
(#56535) csíkosháTTú válasza etwg hozzászólására (#56532)
|
Válasz •
|
Jún 21, 2017 |
|
Mhhh... Ennek akkor van értelme, ha az adott asztalon vannak kapcsolósínek is, amikkel a mozdony fém kerekei macerálnak valamit, váltókat, jelzőket, sorompókat, stb. A kolléga kerti vasútjánál szerintem ez nem játszik. |
|
(#56537) etwg válasza csíkosháTTú hozzászólására (#56534)
|
Válasz •
|
Jún 21, 2017 |
|
Az lényegtelen, a másodikan Z van. A lényeg ott van, hogy a 3 trafo egyik polusa (fekete) közös.
Ez nem lehet megcsinálni, ha a 3 trafo egy-egy PWM-t képvisel amik közös hálozati traforol mennek ( egy szekundér tekercsröl vagy greatzröl) és ez okozza a bajt. Igy ha ellenkezö polaritásu szakaszt kapcsol össze a vonat legfeljebb kimeneti rövidzárt kapsz ( ami kezelhetö a PWM-ben illetve megoldhato a védelem is és csak attol függ mennyire vannak a potik feltekerve). Ha nincs közös polus, akkor a táptrafon (greatzen) keletkezik a rövidzár amit alig lehet védeni. ( hiszen akkor is rövidzár keletkezhet, ha mind a két trafo vagy PWM 0-ra van tekerve)
Alapvetöen mindig igyekezni kell kialakitani a GND-t ( 0-s vezetéket) sokszor még COM-t is ( ami rendszerint a tápok pozitiv kimenete - állando fesz). Igy van referencia és kezelhetö a rendszer.. |
|
(#56538) csíkosháTTú válasza etwg hozzászólására (#56537)
|
Válasz •
|
Jún 21, 2017 |
|
Ez világos, csak SGZoli egyedi esetében járhatóbb út, hogy nincs kimeneti közös, és a Z-kapcsolás átkapcsolói kétáramkörösek. |
|
(#56539) etwg válasza csíkosháTTú hozzászólására (#56538)
|
Válasz •
|
Jún 21, 2017 |
|
Csak ott fog minden hiba (hibás kapcsolás, megfuto mozdony vagy vagon) totálzárlatban végzödni, és nem 1-2A-t fog elfüstölni, hanem annak a 10-20szorosát. Ezért itt sokkal veszélyesebb a dolog mint egy mini terepasztalon. |
|
(#56908) Misi hozzászólása
|
Válasz •
|
Aug 11, 2017 |
|
Sziasztok!
Olyan kérdésem lenne, hogy hogyan lehet megoldani analóg kertivásútnál az automatikus irányváltást. folyamatos menet esetén úgy, hogy a vissza csatoló vágány valójában nem egy hurok.
A szürke szakaszok azok amik vissza fordítják a vonatott.
Szóval ha behalad a közlekedő vonat a szakaszra valamely irányból akkor hogyan tudd folyamatosan kihaladni úgy az ellentétes irányba és vissza térni az álomára megállás nélkül.
|
|
|
|
(#56909) etwg válasza Misi hozzászólására (#56908)
|
Válasz •
|
Aug 11, 2017 |
|
Egy-egy analog hurokmodul kell minden ilyen konfliktus szakaszhoz. Magad is csinálhatsz, nem nagyon bonyolult, egy relé meg néhány alkatrész. A WEB-n egy sereg kapcsolás van.
Egy ekkora kerti vasutnál én azonban inkább a rádios távirányitást választanám, söt adott esetben akkus mozdonyokkal - azaz még áram sem kellene a sinekbe - igy nem lenne ilyen elektromos konfliktus és nem kell a sineket sem tisztitani.
|
|
(#56952) Váltógyártó hozzászólása
|
Válasz •
|
Aug 21, 2017 |
|
Az állítóművem egyik eleme lenne ez a kapcsolás. Ma próbából megépítettem. Azt mondjátok meg nekem, hogy az R1-re miért van szükség? A tesz alapján anélkül is működik. 3,3V-al ment, IRLML2803TR MOSFET tranzisztort használtam, LED helyett pedig egy motort. (kép a netről) |
|
|
|
(#56953) proba válasza Váltógyártó hozzászólására (#56952)
|
Válasz •
|
Aug 21, 2017 |
|
Mihejts nem lesz szerencséd, a FET úgy felejti magát ( GS kapacitás feltöltödik, és ez ugyan úgy nyitja a FET-et , mintha a gombot nyomnád) . Én még csökkenteném is amennyire lehet. |
|
(#56954) Váltógyártó válasza proba hozzászólására (#56953)
|
Válasz •
|
Aug 21, 2017 |
|
Kösz az infót! Mit ajánlanál helyette? |
|
(#56955) Váltógyártó válasza proba hozzászólására (#56953)
|
Válasz •
|
Aug 21, 2017 |
|
Közben átgondoltam ezt a dolgot, tulajdonképpen ennek az egész kapcsolónak az a lényege, hogy egyszerre csak az egyik áramkör működjön, a másik nyitva maradjon, és ezt irányítom a FET-ekkel. Viszont amikor a motor a végálláshoz ér, a mikrokapcsoló az egész áramkört nyitja, és mindenfajta delej megszűnik az áramkörben.
De adtál egy jó ötletet, mert a körbe beraktam egy diódát, és mindjárt 2,65V lett a 3,3-ből, amitől a motor még lassabban forog, de az áttétel miatt még így is bivaly nyomatékkal, viszont az átállási idő kb. 3 sec lett, ami azért már elég szép lassú mozgás lesz! |
|
(#56957) etwg válasza Váltógyártó hozzászólására (#56955)
|
Válasz •
|
Aug 22, 2017 |
|
Neked inkább valami ilyesmi kellene. Természetesen lehet akár FET-kkel is.
Ez két stabil állapot között billen.
Nem tudjuk, hogy milyen motort és hogyan akarod vezérelni. Ha szervomotorrol van szo oda polaritás váltás is kell. Ha csak körbe forog ( mint az MtB), akkor csak "szakaszolni" kell az egyirányu mozgást. |
|
|
|
(#56959) Váltógyártó válasza etwg hozzászólására (#56957)
|
Válasz •
|
Aug 22, 2017 |
|
Sima kis motor, de polaritásváltás kell, mert nem körbe forog, mint az MTB, hanem 180 fok oda-vissza. Viszont azt szeretném, hogy úgy működjön, mint a régi mágnesek, hogy középre megy a pozitív és attól függően fordul,hogy balra vagy jobbra kapcsolom a negatívot. |
|
(#56960) etwg válasza Váltógyártó hozzászólására (#56959)
|
Válasz •
|
Aug 22, 2017 |
|
Az nem lesz olyan egyszerü. A motort mindenképpen egy hidba kell rakni, mert ott neked polaritást kell váltanod
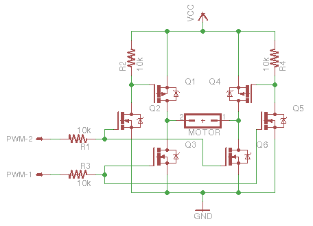
Egy másik megoldás az lehet, hogy nem egyen, hanem váltoáramot használsz. Ilyenkor a motor egyik polusa lehet a közös vezeték, a motor másik sarkára meg 2 dioda kell forditott polaritással. Igy az egyik az egyik irányba a másik meg a másikba forgatja.
Itt van egy hid kacsolás ( a telon nem tudok rajzolni).
A PWM-1 és a PWM-2 a te eseteben a két kapcsolo lesz.
Ilyen hid hibrid IC-t kapni készen is ( azaz minden ami a képen van benne van egy tokban). |
|
|
|
(#56967) proba válasza etwg hozzászólására (#56960)
|
Válasz •
|
Aug 22, 2017 |
|
pl L6203-t is majdnem ajánlottam, de az alacsony feszültség eléggé leszűkíti a lehetőségeket.
A másik , mekkora áram kell a motornak? Esetleg valami műveleti erősítő, sztereó végfok is alkalmas lehet.
Ha nem számít a fogyasztás, és egy ellenállás sorbakötve a motorral nem melegszik tulzottan, talán így is működik. ( persze az ő fetjeivel.) |
|
|
|
(#56970) etwg válasza proba hozzászólására (#56967)
|
Válasz •
|
Aug 22, 2017 |
|
Ezekkel az Infokkal nem rendelkezem, talán majd Laci elmondja.
Az R1, R2 helyett esetleg kis izzokat kötne, akkor még visszajelzést is kapna. |
|
(#56971) Váltógyártó válasza etwg hozzászólására (#56960)
|
Válasz •
|
Aug 22, 2017 |
|
Ez esetleg jó lehet?
L9110S
A PWM jel helyett 3,3 vagy 5V is kapcsolja? |
|
|
|
(#56973) Váltógyártó válasza proba hozzászólására (#56967)
|
Válasz •
|
Aug 22, 2017 |
|
Ha jól mértem, akkor 3,3V-on 12mA. Ez alapból egy 6V-os motor, de ezen a feszültségen forog annyit, amennyi nekem kell. A tranzisztoroknak muszáj smd-nek lenni, mert el kell férni az állítómű házában. |
|
(#56974) proba válasza Váltógyártó hozzászólására (#56971)
|
Válasz •
|
Aug 22, 2017 |
|
Szerintem jó. Ha a két bemenetet egy egy 1K ellenállással a tápra kötöd ( ebben az esetben max 9V lehet.) akkor a kívánt földre indulás is teljesül. |
|
(#56975) etwg válasza Váltógyártó hozzászólására (#56971)
|
Válasz •
|
Aug 22, 2017 |
|
Majdnem azt mondanám, hogy tökéletes, ha balfácán modon nem pozitiv jellel kellene meghajtani ( azaz a magas szint számit 2,5 - Vcc). Neked sokkal jobb lenne, ha a bemenetet a földre kellene huznod, hogy induljon valamerre a motor.
Ezt ki kellene probálni, hogy mi történik, ha mindkét bemenet magas szinten van. Ha igy nem forog a motor, akkor elég a bementeket felhuzni egy-egy 1-10k ellenállással a Vcc-re, és a nyomogombokkal a földre (GND-re) kapcsolni. |
|
(#56976) Váltógyártó válasza proba hozzászólására (#56974)
|
Válasz •
|
Aug 22, 2017 |
|
No, ezt most nem értem (tök hülye vagyok az elektronikához  )! Ugye úgy kéne működnie, hogy fix a pozitív, és a negatívot kapcsolgatnám ide-oda, mint a régi mágneses állítóműveken. |
|
(#56977) etwg válasza Váltógyártó hozzászólására (#56976)
|
Válasz •
|
Aug 22, 2017 |
|
Igen ezt kellene, de az az áramkör alapbol pontosan forditva megy, a két bemenet egyikére magas szintet kell adni, hogy kapcsoljon. Ezért kell kiprobálni, hogy mi történik, ha mindkét bemenetre egyszerre adsz magas szintet ( egy-egy ellenálláson odavezeted a Vcc-t)
Ha igy nem forog a motor, akkor ha valamelyik bemenetet a GND-re kötöd a motor biztosan elindul. |
|
(#56978) Váltógyártó válasza etwg hozzászólására (#56977)
|
Válasz •
|
Aug 22, 2017 |
|
No, azt hiszem, megértettem! 
Rendeltem belőle, és van itthon 1K-s ellenállásom, holnap kipróbálom.
IA IB OA OB
H L H L
L H L H
L L L L
H H L L
Ezt írja a szintekre. Ha jól értelmezem, akkor működik úgy, ahogy mondtad. |
|
(#56979) etwg válasza Váltógyártó hozzászólására (#56978)
|
Válasz •
|
Aug 22, 2017 |
|
Többnyire müködik, de azért ki kell probálni, nehogy melegedjen. Nem tudni pontosan hogyan és miböl van kialakitva a hid 2 felsö tagja. Ha csak olyan egyszerü, ahogy Proba kolléga megrajzolta, akkor a 2 ellenálláson (R1,R2) állandoan fog némi áram folyni. ( valoszinü, hogy az L9110-ben ott FET-k vannak, Ezért kell egy proba.). |
|
(#56980) Váltógyártó válasza Váltógyártó hozzászólására (#56978)
|
Válasz •
|
Aug 22, 2017 |
|
Sőt szinte biztos, találtam egy kapcsolási rajzot egy dual modulról, ott is ez van a rajzon, csak 10k-s ellenállással.
Még egy kérdés. A rajzon lévő ledet értem, de minek a kondik a táp és a föd közé? |
|
|
|
(#56981) Váltógyártó válasza etwg hozzászólására (#56979)
|
Válasz •
|
Aug 22, 2017 |
|
A melegedés annyira nem gáz, mert mindössze 3 másodpercet fog menni alkalmanként, és utána a végálláskapcsolóval az egész áramkört nyitni fogom. |
|
(#56982) etwg válasza Váltógyártó hozzászólására (#56980)
|
Válasz •
|
Aug 22, 2017 |
|
Ezt irtam korábban (1-10k). 
(Az Arduino stb is mind forditott logikát használ, azaz az alacsony szint (GND) az aktiv jel. |
|
(#56983) PéTTer válasza Váltógyártó hozzászólására (#56980)
|
Válasz •
|
Aug 22, 2017 |
|
Szia,
zavar szűrés.
üdv: Péter |
|
(#56988) Váltógyártó hozzászólása
|
Válasz •
|
Aug 23, 2017 |
|
Nos Uraim, először is köszönöm az eddigi segítséget! Megépítettem az L9110S IC-s verziót, gond nélkül működik még 2,65V-on is, ami nekem tökéletes. Viszont szükségem lenne még egy kis segítségre.
Jelen esetben a működéshez szükség van egy állandó pozitívra és negatívra, valamint a két vezérlő negatívra. Viszont a végső megoldásban nem lenne állandó negatív, hanem a beadott jel negatívról kéne a működéshez szükséges negatívot is levenni. Simán, logikailag ez ugye nem lehetséges. Relével könnyen meg lehetne oldani, de az túl nagy, valami tranzisztoros megoldásra lenne szükségem. |
|
|
|
(#56989) csíkosháTTú válasza Váltógyártó hozzászólására (#56988)
|
Válasz •
|
Aug 23, 2017 |
|
Azért kellene csak 3 drót, hogy ugyanúgy "nézzen ki" kívülről, mint pl. egy ROCO mágneses hajtómű?
OFF:
Láttam, napokban kerestél, de csak este 10h körül néztem meg a telefonom, olyankor meg már nem akartalak zavarni.
ON |
|
| |
2026. Ápr, 02. Csü 10:09:09 |
| |
Jelenleg 18 fő olvassa az oldalt |
|
|