|
|
|
Terepasztal vezérlés és elektronika
|
Témaindító: nzozz, idő: Júl 14, 2010
Témakörök:
|
|
|
(#67629) asch válasza etwg hozzászólására (#67627)
|
Válasz •
|
Márc 10, 2023 |
|
Igen, az I2C nagyon jó megoldás, pláne hogy egy rakás modult készen lehet venni hozzá. |
|
(#67652) Frankye válasza etwg hozzászólására (#67599)
|
Válasz •
|
Márc 16, 2023 |
|
Idézet: „Érdeklödés esetén teljes leirást is közzé tehetek, ha Frankye barátunk is ugy akarja.”
Én biztos, hogy támogatom! |
|
(#67654) Antal Miklós válasza etwg hozzászólására (#67624)
|
Válasz •
|
Márc 16, 2023 |
|
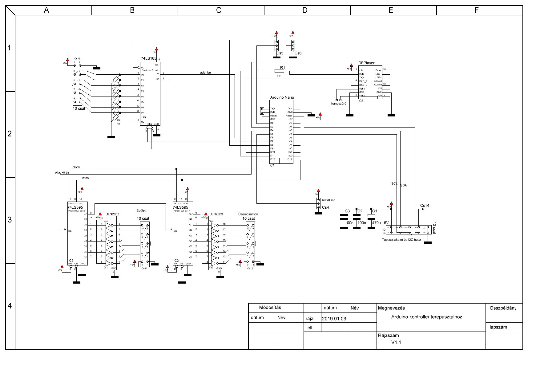
Sziasztok.
Még korábban készült a terepasztalhoz egy "showkontroller".
feladata. a terepasztalon lévő házakban, üzemekben, utcákon stb, lévő lámpák idővezérlése, s hozzá hangok kiadása.
Nálam egy fűrészüzemet vezérel, ahol van iroda, portásfülke, kerítésvilágítás, stb, s hozzá a munkaidőnek megfelelően hangok lejátszása SD kártyáról.
A 2x8 db LED kimenet ULN2803 500mA-t tud kapcsolni.
A hangok lejátszása a DFPlayer modulon keresztül lehetséges, bár ennek a saját hangteljesítménye 2W nagyon kicsi ezt erősíteni kell.
Rendelkezik 8 db bemenettel is, az egyes világítás - vagy kimenet - be és kikapcsolásához, és még kapott egy digitális szervo vezérlést is pl: üzemkapu mozgatáshoz.
Mivel a panelon csak +5V tápfesz áll rendelkezésre, ezért ide nagyobb teljesítményű hangerősítőt nem terveztem, azt mellette lehet elhelyezni.
Kívánságra az Arduino minta sketch-t elküldöm.
|
|
|
|
(#67655) etwg válasza Antal Miklós hozzászólására (#67654)
|
Válasz •
|
Márc 16, 2023 |
|
Szia,
Nálunk meg éppen vihar van, de akkora, hogy még a villámokat is eltakarják a felhök. De már jön a szél.
Vihar |
|
(#67656) etwg válasza Frankye hozzászólására (#67652)
|
Válasz •
|
Márc 16, 2023 |
|
Na akkor már csak az érdeklödöket kell összeszedni.
 |
|
(#67659) csíkosháTTú válasza Frankye hozzászólására (#67652)
|
Válasz •
|
Márc 16, 2023 |
|
Én is. |
|
(#67689) diginewl hozzászólása
|
Válasz •
|
Márc 31, 2023 |
|
8 év napi szintű működés után....
egy kondi megadja magát. Szépen felpuffad, és kiereszt. Vitrinvonat állandóan rövidzárra fut, lekapcsol a táp... Csere után újra rendesen megy a vitrinvonat!

(ma pl. egy ovis csoport jött a város túlsó végéről. Olyan csendben nézte a sok apróság a vonatokat, hogy azthittem üres a patika, elmentek. Képesek voltak 10-15 percig (mindenki!) csendben maradni, és figyeltek. Meglepő volt).
Szóval itt a show-nak állandóan mennie kell (show must go on...), mert nem tudhatom mikor esik be egy másik csoport, teljesen véletlenül
 |
|
|
|
(#67795) etwg hozzászólása
|
Válasz •
|
Máj 7, 2023 |
|
Egy uj attrakcio a hamburgi miniatur csodák világában.
Megnyilt 4 éves munka után Patagonia modellje.
Érdemes megnézni, mert a modellezési technika csucsát jelenti. Nemcsak a látvány, de a müszaki megoldás is lenyügözö.
Patagonia |
|
(#68580) reszelozsir hozzászólása
|
Válasz •
|
Nov 2, 2023 |
|
Sziasztok!
Sg90 szervo motorral váltók állításában kinek, milyen tapasztalata lett az elmúlt évek során? Érdemes foglalkozni vele? |
|
(#68581) etwg válasza reszelozsir hozzászólására (#68580)
|
Válasz •
|
Nov 2, 2023 |
|
Nekem van vagy 10 ilyen váltom egy vacakol ( nem nyomja meg jol az álláskapcsolot). Meg kéne csinálni de nagyon nehéz hozzáférni. Ma már nem használnék ilyen megoldást. |
|
(#68582) diginewl válasza reszelozsir hozzászólására (#68580)
|
Válasz •
|
Nov 2, 2023 |
|
Hátöizé. Nem rosszak, de csodát ne várj tőlük. Sokáig működnek, az biztos!
Elég erősek, de ha nehezet kell mozgatniuk akkor bizony meg tudnak akadni, és akkor semerre sem mennek. Tekercs helyett ideálisak, de ha a csúcssínt nagyon kell nyomni, vagy nehezen megy, akkor áttételt kell beiktatnod.
Mindig cserélhetőre tervezd.
Nekem most, 9 év után fog fejtörést okozni egy csere. A vitrinvasútban minden nap működött sorompóállítónak. Az egyik szervó most elkezdett szorulni. Hol megy, hol nem. Az a baj, hogy beragasztottam a helyére...  De legalább egyben kivehető a sorompóval  |
|
(#68584) reszelozsir válasza diginewl hozzászólására (#68582)
|
Válasz •
|
Nov 4, 2023 |
|
Köszönöm! A költségek csökkentése lenne a cél, még egy vezérlővel kombinálva is jobban jön ki az ember, mint egy MTB, vagy Tillig állítóművel, csak a tartósság volt kérdéses. |
|
(#68585) etwg válasza reszelozsir hozzászólására (#68584)
|
Válasz •
|
Nov 4, 2023 |
|
Az a baj, hogy ez csak elsö megközelitésre igaz. Ha csak a válto mozgatása a cél, akkor még stimmelhet a számitás, de az ilyen feladat több mint ritkaság a terepasztalon.
A feladatok amiket a sima szervo meghajto nem old meg:
1. Pozicio visszajelzése
2. A polarizácio
3. Egyszerü beállitás
4. Méret
5. Áramellátás
Ezek a dolgok mind extra feladarot jelentenek, egyesek egyszerüen, olcson megoldhatok mások komoly gondokat jelenthetnek viszont egy MTB motorban meg vannak oldva és müködnek.
|
|
(#68586) diginewl válasza etwg hozzászólására (#68585)
|
Válasz •
|
Nov 4, 2023 |
|
Igen én is így voltam vele. Aztán "összetákoltam" a szervóvezérlőmet.
DCC, 16 szervót irányít, beállítás potival, pozíciót visszajelez, polarizál. Indulása késleltethető, így minimális az áramfelvétele. 
Néha az első szervó pozíciója elugrik, ha a többit módosítom, de más mellékhatást nem tapasztaltam
|
|
|
|
(#68588) etwg válasza diginewl hozzászólására (#68586)
|
Válasz •
|
Nov 4, 2023 |
|
Nálam a virtuális pllarizaciot, végállás kapcsolot, áramkorlátit söt a visszajelzést is az elektronika megoldotta, de sajnos a terepasztalon kevésbé vált be, mert nem a válto valos állásától függ, hanem az elektrinka által generált virtuális valoságtol.
A képen láthato 2 verzio a hagyobb doboz egy barátom konstrukcioja, de TT - hez egy kicsit nagy. Abba van egy mikrokapcsolo is ami a mozgatorud állását érzékeli. Az én verziom valamivel kisebb ráadásul a szerelési felülethez viszonyitva vertikális a mozgato rud, azaz az fordul el 90 fokkal, és mozgatja a váltonyelvet. A szerkezetre akár 2 mikrokapcsolo is szerelhetö és az garantáltan a válto állását jelzi. ( sajnos a terepasztalon rosszalkodo szervo még nem ilyen szerkezetü).
A szervot vizszintesen vagy függölegesen lehet szerelni ( a helyi adottságokhoz igazitva.
A 2. képen a prototious képe.
|
|
|
|
(#68589) diginewl válasza etwg hozzászólására (#68588)
|
Válasz •
|
Nov 6, 2023 |
|
|
|
(#68590) etwg válasza diginewl hozzászólására (#68589)
|
Válasz •
|
Nov 6, 2023 |
|
Pontosan azért csináltam, mert az az egy raplizik ( az volt a második az asztalon). A mikrokapcsolokat csak ugy az asztalra csavaroztam. De ugy látszik, hogy az asztal dolgozott egy kicsit igy a váltonyelv az egyik állásban nem müködteti a kapcsolot ami természetesen a függöséget sem állitja össze. Igy most egy kis ruddal oda oda kell koppantani, és akkor már jo. Elég körülményes cserélni vagy javitani, de egyszer majd rá kell szánnom magam. Ez a gondja a komolyabb több szintes pályáknak és ez a válto természetesen a középszinten vanˇ 
( mennyivel egyszerübb a modulosoknak.  ) |
|
(#68591) klimas hozzászólása
|
Válasz •
|
Nov 6, 2023 |
|
Uraim! Keresek, mert sajnos elbambultam és elvitték az orrom elől a NOCH hang generátorát, egy olyasmi megoldást, amivel imitálni lehetne egy-egy mozdony hangját
Gondolok itt olyasmire , ha megnyomom az 1. gombot , gőzmozdony sípolás és utánna csühögés , 2-s gomb diesel hang + kürt , 3-s valami villanymozdony duda + indulás hangja stb-stb.
Mivel én csak analóg és abszolut játszós terepasztalban gondolkodom, a kis emberkéimnek(unokáimnak) egy ilyen megoldás megfelelő lehet.
Ha tud valaki akár kész termékről vagy tud ilyet készíteni mindenképpen vevő lennék rá. A hang erősítését már meg tudom oldani ha szükséges.....
A múlt héten nagy derbi volt nálam, 3 önálló pálya, szerelvényekkel, mozdonycserékkel stb-stb és láttam hogy kezdenek ráérezni erre a csodára.
Köszönöm segítséget előre is. |
|
(#68592) etwg válasza klimas hozzászólására (#68591)
|
Válasz •
|
Nov 6, 2023 |
|
Kész termékröl nem tudok, de ha értesz egy kicsit az elektronikához, akkor tudok ajánlani ilyen modult
Hangmodul
Ezekre egyenként 8-16 másodpercnyi hangot lehet felvenni ( akár sajátot is ugy, hogy kimész az állomásra és felveszed, vagy a telefonbol másolod át stb.
Ebböl vehetsz akár 5 darabot is és mindegyiken más hang lehet. A modul képes egyböl egy hangszorot meghajtani.
Meg vannak hasonlok amik hosszabb hangot tudnak rögziteni de azokat mindig elejétöl a végéig lejátszák ( azt hiszem ilyen volt a NOCH is).
Nézz be a HE Boltba lehet, hogy ott is van hangmodul.
A Conradnál is van, de azok drágábbak.
De egy régi MP3 lejátszo is megteszi, ma már nem annyira menö igy sok olcso van elado ( használtan is). Azokra akár egy orá t is lehet rögziteni és az egyes hangokat egymásután le lehet játszani ( van amelyiken szám szerint). Olyan mint a règi diktafon. |
|
(#68593) klimas hozzászólása
|
Válasz •
|
Nov 6, 2023 |
|
Köszönöm, úgy látom az ISD1820-ra sokan rárepültek....a HE-ben is van. |
|
(#68594) Antal Miklós válasza klimas hozzászólására (#68591)
|
Válasz •
|
Nov 6, 2023 |
|
Szia. Én az Arduino-val vezérelhető DFPlayer-16P modult ajánlanám Neked.
Ezen a hangot egy SD kártyán tárolod és azt tudod lejátszani.
Max 32GB SD kártyát tud fogadni, de csak kb 1W hangerőt tud a beépített erősítőcske, de azt tovább lehett erősíteni.
Egyetlen hátrányát találtam, a hangfile-t MP+ formátumban kell menteni az SD kártyán, de ezek csak file1; file2; file3; lehet.
Az Arduino-n keresztül bármelyik file-t bármikor előtudod hívni legyen az 5 sec vagy 5 perc. A számitógéppel felvett, MP3 filekat átnevezve kell elmentened az SD kártyára. Nálam a fűrésztelep hangjait játsza le, kívánságra a gatter, vagy a motorfűrész hallatszik,vagy a telepbejáratikapu nyikorgása.
Mellette az arduinoval vég a különböző fényeffektusokat is le tudod játszani.
Az ára is kedvező, akár itt a HEStore-n. |
|
(#68595) etwg válasza klimas hozzászólására (#68593)
|
Válasz •
|
Nov 6, 2023 |
|
Ha értesz az Arduinohoz akkor diginewl kolléga eljárását ajánlom . Ezeket a modulokat is lehet Arduinoval kezelni, ha több hang kell akkor nyilvánvalo, hogy az SD kártya a jobb megoldás. |
|
(#68596) klimas válasza etwg hozzászólására (#68595)
|
Válasz •
|
Nov 6, 2023 |
|
Nem , sajnos nem értek a z Arduinohoz......  |
|
(#68598) etwg válasza klimas hozzászólására (#68596)
|
Válasz •
|
Nov 6, 2023 |
|
Akkor maradnak a modulok egyenként 1-1 nyomogombbal. |
|
(#68600) Antal Miklós válasza Antal Miklós hozzászólására (#68594)
|
Válasz •
|
Nov 6, 2023 |
|
azért ne adjuk fel rögtön a megoldást Urak.
akkor ne arduino-val vezérlejük a DFPlayer modult, hanem egy elenállás létra különböző kimeneteinek a födre zárásával!
A DFPlayer- nek van két bemenete - lásd adatlap - ADKEY1; ADKEY2.
Ha erre a két bemenetre különböző nagyságú ellenállásokat kapcsolunk egy nyomógomb segítségével, a belső logika értelmezi az ellenállás értékét és a modul kvezérrelhetővé válik lásd az adatlap 3.5 pontját.
Lényeg: állítsd össze a lejátszandó hangokat:
gőzmozdony fütty : 001.mp3
dieselmozdony kürt : 002.mp3
Légfék oldás : 003.mp3
stb
Amikor ezt az SD-kártyára feltöltötted, és a kártyát behelyezted az SDPLayer modulba, és kapcsolsz rá +5V-t, GND-t, valamint az SPK1 - SPK2 lábak közé kapcsolsz egy 8Ohm hangszórót, akkor a 3.3 Figure - 3.3 ábra - alapján vezérelheted nyomógombokkal a hangok lejátszását, sőt a lejátszási hangerőt is.
Működik, kipróbáltam.
Sok sikert és nem feladni!
|
|
|
|
(#68601) Antal Miklós válasza Antal Miklós hozzászólására (#68600)
|
Válasz •
|
Nov 6, 2023 |
|
Bocsi a pongyola megfogalmazásért: Nem ellenállás létra, hanem különböző nagyságú ellenállások nyomogombon keresztül vannak a földre kapsolva.
Lásd a funkciótáblázatot. |
|
(#68609) klimas hozzászólása
|
Válasz •
|
Nov 7, 2023 |
|
Köszönöm, megnéztem. |
|
(#68745) ChrisOC hozzászólása
|
Válasz •
|
Dec 19, 2023 |
|
Sziasztok!
Foglaltság érzékelés téma. Az alábbi kis “játék asztal” berendezése hamarosan elkezdődik. Tudom ugyan, hogy a foglaltság érzékelés, automatizálas nem az ilyen méretű létesítményeknél lehet izgalmas , de elhatároztam, hogy tanulási és önfejlesztési céllal szeretnék gyakorlásképpen szakaszokat (blokkokat) kialakítani és érzékelővel ellátni ezt a még félkész létesítményt. Relatíve sokat olvastam, videoztam a témában még angol nyelven is, de ugyan az alapokokat megismerve, mèg nem tudnám nyugodt szívvel a blokkokat, szakaszokat kijelölni, megtervezni. Kezdő vagyok a modellezés témában. Ezért fordulnék most a tapasztalt modellezőkhöz, hogy mit ajánlanátok az alábbi terven hova lenne érdemes a szakaszokat kijelölni, izolálni? Digi sense 8rb-ket szeretnék majd használni, digisignal x4ABC-vel. Roco Z21 a központ, z21 app-al és majd traincontroller-er is szeretném irányítani. 200x120 a méret. H0
Előre is köszönöm! |
|
|
|
(#68747) etwg válasza ChrisOC hozzászólására (#68745)
|
Válasz •
|
Dec 19, 2023 |
|
Sajnos a pályád nem igen vasuti. Hiányzik az állomás. A szakaszokat alapbol onnan kellene kezdeni, és legalább egy vonat hosszunak kell lennie. Optimális esetben X egyforma hosszu szakaszra érdemes osztani a pályát ugy a legegyszerübb a kezelése és adja a legbiztosabb üzemet. |
|
(#68750) csíkosháTTú válasza ChrisOC hozzászólására (#68745)
|
Válasz •
|
Dec 20, 2023 |
|
Nemrégen építettem ár egy ilyet, csak Z-ben. Lásd a Z-s topicot! Hátt...
Nem sok lehetőséget ad semmire a vonalvezetés. Igazi állomás nincs, csak egy iparvágány kiágazás. etwg barátomnak van igaza, nagyjából egyenlő szakaszokra érdemes osztani, esetleg a váltók körzetét még külön kezelni, meg az iparvágányokat.
Nem tudom, érdmes-e egyáltalán megcsinálni automata üzemre. Kritikán aluli az alaplemez stabilitása, merevsége is. |
|
(#68752) ChrisOC hozzászólása
|
Válasz •
|
Dec 21, 2023 |
|
Sziasztok!
Köszönöm a visszajelzéseket. Sajnálatos, hogy ilyen minőség. Majd most kiderül, hogy a nagyobb testvér 81610 Mittenwald is hasonló -e. A két ünnep között szedjük ki a “ládából”. A tanácsokat megfogadom. Egyenlő szakaszokat próbálok majd kialakítani, illetve a váltókötzetek környékét. |
|
(#68753) etwg válasza ChrisOC hozzászólására (#68752)
|
Válasz •
|
Dec 21, 2023 |
|
A te gondod az, hogy egyszerüen a modern HO singeometriához a hely kicsi. Ha csak belegondolsz egy 90 fokos iv elvesz kb 40 cm-t, azaz a kél oldalon 80 cm. Igy marad a 2 méterböl 1,2 az állomásra. Egy váltokapcsolat 2 sin között szintén kb 40 cm igényel, azaz az 1,2 méterböl marad 40 cm az állomási vágányra ( a 2 válto között). Ez meg édeskevés egy H0 méretü modellvasutra, ahol egy kocsi vagy modern mozdony is már hosszabb mint 20 cm.
Esetleg megprobálkozhatsz ives váltokapcsolattal az asztal keskenyebb oldalán, és akkor már állomási vágányok az ivben kezdödnek.
Kb igy. |
|
|
|
(#68756) ChrisOC hozzászólása
|
Válasz •
|
Dec 21, 2023 |
|
Köszönöm. Megnéztem a leltárt és úgy néz ki, van két íves váltóm. Lehet egyből azzal próbálkozom akkor.  |
|
(#68759) csíkosháTTú válasza ChrisOC hozzászólására (#68756)
|
Válasz •
|
Dec 22, 2023 |
|
Ez H0-s?
Hátttt...
Kísérletezni jó lesz, de tartósan nem terveznék vele.
Nem tudom, de az emelkedők is túl meredekek számomra. |
|
(#68765) etwg válasza csíkosháTTú hozzászólására (#68759)
|
Válasz •
|
Dec 22, 2023 |
|
Hát igen, a H0-ban minimum 65 mm ( ha villanymozdony is járhat, ha nem akkor elég 57 ) a szintkülönbség, ehhez jön a felépitmény ( minimum a sin) meg a tarto lap ami összesen legalább 10 mm ( nagyon sporolva), azaz 75 (67) mm. Ehhez az emelkedéshez egy H0 jármünek vagonokkal legalább 2,5 m kell, ivben meg ennél is több, hogy gond nélkül felmenjen a pályán. Ekkora távolságokat nem látni. Esetleg azt megteheti, hogy a pályát megemeli 3-4 cm szintre, és onnan csak félszintet kell emelkedni illetve süllyedni, de az sem igen jön ki, mert ugye a váltoknak illik vizszintesen lennie stb. |
|
(#68776) Tábla hozzászólása
|
Válasz •
|
Dec 26, 2023 |
|
Sziasztok!
Van valaki aki készített már analóg rendszerhez Halmosi-féle többmozdonyos vezérlést? Tapasztalatokra lennék kíváncsi mielőtt nekilátok sőt szívesen vennék bevált konkrét áramköri megoldásokat is.
Az asztal H01méretű és többnyire régi PICO, Mechano, stb mozdonyaim vannak továbbá a '60-as és '70- es évek stílusát iodézi. Tudom manapság nem az"elavult" analóg a trendi", de nekem megfelel, s ha Halmosiéknak akkoriban sikerült az akkori szoci alkatrészkínálatból megoldani a vezérlést akkor szerintem ma sem lehetetlen.
Minden észrevételt, tanácsot, ötletet - sőt kritikát is - szívesen várok. |
|
(#68777) etwg válasza Tábla hozzászólására (#68776)
|
Válasz •
|
Dec 26, 2023 |
|
Annak idején sikerült két mozdonyt vezérelnem, de ma már az a technologia felejtendö. Van egy sereg nem okvetlenül digitális megoldás amivel közel azt lehet elérni de jobban, mint azzal a régi megoldással. Alapoknak a Halmai könyv nagyon jo ( máig alig van jobb) de másra már nem. Ott felhasznált alkatrészek ma már alig érhetök el, azaz nullároĺ kellene kezdened a fejlesztést. |
|
(#68778) Tábla válasza etwg hozzászólására (#68777)
|
Válasz •
|
Dec 26, 2023 |
|
Nos, ha abból a "sereg nem okvetlenül digitális megoldásból" részleteznél esetleg 1-2-őt. Mert pontosan ezért jöttem a fórumra. Mivel én rádiókkal foglalkozom pontosan ismerem a Halmai féle megoldásnak az Achilesi pontját, a rezgőköröket. Az elgondolás briliáns, az alkatrészek amúgy nem kritikusak (multivibrátorokat sziliciumtranyóból is lehet építeni, de a rezgőkör tényleg macerás és kényes főként mert hőfokfüggő És pontosan ezért érdekelnének tapasztalatok azoktól akik használták vagy használják. Az aztal amúgy már ki van építve analóg térközbiztosítással, sorompóvezérléssel, stb, tehát a digitalizálás már csak munka no és nem mellékesen anyagi ráfpordítás okán szóba se jön.
És nem tüskének szánom, de a bakelitlemez is újra "divat" meg a csöves erősítő is és nem csupán a nosztalgia miatt, hanem mert jó! Jobb, mint a digitális. |
|
(#68779) etwg válasza Tábla hozzászólására (#68778)
|
Válasz •
|
Dec 26, 2023 |
|
Ez a téma igy hosszu lenne a forumra és rengeteg dolgot meg kellene beszélni, kikisérletezni. Gondolod, hogy ilyesmi idevalo? Egy könyvnyi informáciot kellene kibeszélni és valakinek ki kellene kisérletezni a dolgokat, nem hiszem, hogy itt a forumon akad erre partner. |
|
(#68781) Tábla válasza etwg hozzászólására (#68779)
|
Válasz •
|
Dec 26, 2023 |
|
Nos amit ki kell kisérletezni, az nem a megoldás, az hipotézis, terv.
Pontosan azért írtam ide, hogy megoldásokat keressek, s ne kelljen pl. a Halmai féle megoldásnál a höfokkompenzációt kikísérletezni . Persze, ha nincs mód, út, ezt fogom tenni. Még mindig olcsbb, mint digitalizálni  |
|
(#68782) etwg válasza Tábla hozzászólására (#68781)
|
Válasz •
|
Dec 26, 2023 |
|
Nincs mert már senki nem foglalkozik ilyesmivel. Minek is kellene?
Aki nem akart digitalizálni az már régen megoldotta másmodon a feladatot, aki meg akart az meg megvette a DCC-t |
|
(#68785) diginewl válasza etwg hozzászólására (#68782)
|
Válasz •
|
Dec 27, 2023 |
|
Nem ide. |
|
(#68786) diginewl válasza Tábla hozzászólására (#68776)
|
Válasz •
|
Dec 27, 2023 |
|
Ide.
Bevallom őszintén, nekem is megvan a könyv. Egy beteg/kuncsaft hozta be még 6-7 éve a patikába, hátha ettől jobban fog menni a vitrinvasút, mert hát ugye vasútmodellezem, biztosan hasznát veszem.
Nem olvastam végig. Ezt inkább egy hipotetikus doktori értekezésnek tartom, mint akkor, vagy most megvalósítható gyakorlati megoldásnak. Nem tudom megvalósult-e ebből a könyvön kívül másik modellben a távvezérelt áramkör.
Rendkívül bonyolult, és sérülékeny volt, bár kétségtelenül hihetetlen megoldásnak tűnt, amikor pl. egy 555-ic még a tervezőasztalon volt.
Őszintén szólva jómagam letettem a voksot a DCC mellet, bár nem sokat használom. Viszont a patikai vitrinvonatban is DCC dekóderek vannak, de analóg a pálya. Viszont így nem kell hangolgatnom a PWM-et, egyik mozdony ki a másik be, és az is ugyanúgy megy, mert a dekóderben be van állítva minden előre. No meg most már hangoskodnak is. Ezt analógban megoldani...
Analóg rendszerben továbbá meg kell szervezni, a gyorsulást/lassulást. A hurok pedig elég nagy feladat. Szóval jómagam - ha egyszer majd lesz kész pályám, DCC-vel viszem a vonatokat. 4-6 mozdonynál ez nem jelent akkora nagy költséget. |
|
(#68787) etwg válasza diginewl hozzászólására (#68786)
|
Válasz •
|
Dec 27, 2023 |
|
Ne felejtsd az egész könyv már több mint 50 éves és az akkori technologiát meg elképzeléseiket tartalmazza. Söt ha jol emlékszem egy hasonlo alapu vezérlést már 20-25 évvel korábban is publikáltak az USAban, prof. Kurz is kitért rá a könyveiben 1953 körül. ( akkor még tranzisztorok sem voltak....  ). |
|
(#68788) Tábla válasza diginewl hozzászólására (#68786)
|
Válasz •
|
Dec 27, 2023 |
|
Nos analóg vagy DCC? ez ahogy - mondani szokás -De gustibus non est disputandum azaz izlésekről nincs mit vitatkozni.
Amúgy már értem el eredményt a témában, úgymond még a finomhangolása hiányzik és ezért is érdekel(ne) ért-e el más is eredményeket a témában.
Nekem ugyanis a rezgőkörök höfokra érzékenysége okoz néha gondot, mivel némelyik kereskedelmi modellmotor néha melegedésileg igencsak nehezen tolerálja a PWM-et.
És azámomra pont az a varázsa a modellezésnek, hogy mindig "buzerálni" kell a terepasztal forgalmát és nem "ótómatán" megy az egész én meg csak bámulom, mint borjú az új kaput.
7De mint mondtam, ez ízlés dolga. |
|
(#68789) diginewl válasza Tábla hozzászólására (#68788)
|
Válasz •
|
Dec 27, 2023 |
|
Nincs ezzel gond. Mire eljutok addig, hogy valamit nézhessek, mit az a bizonyos borjú, addig már gondolatátvitellel fogják az ifjak irányítani a lebegő vasútmodelljeiket.

Aki még itt nagyon benn van az analóg irányításban: Antal Miklós topiktárs
Neki biztosan vannak ötletei. Csodálom, hogy eddig nem szólalt meg. |
|
(#68790) Antal Miklós válasza diginewl hozzászólására (#68789)
|
Válasz •
|
Dec 27, 2023 |
|
Sziasztok! Áldott Karácsonyt minden Vasútmodellezőnek!
Olvasom a megjegyzéseiteket, s a könyvet is ismerem, meg volt valamikor.
Az ötlet valamikor zseniális volt, DC-re szuperponált nagyfrekvenciás jel. Már csak a különböző NF-jelet kell rezgőkörökkel detektálni, majd egy logikával a motorhoz, motorba küldeni.
Valamikor én is építgettem hasonlókat, de a rezonancia frekvencia beállítása nagyon kritikus volt. A mozdony kabát nélkül - külső burkolat - jól működött, de amint valamilyen fém jött a közelbe elhangolt mindent. Kísérleteztem a tranyós rádiók KF (középfrekvenciás) tekercseivel, de ezekkel sem lehetett olyan jósági tényezőjű tekercset, rezgőkört csinálni, hogy a stabilitás a hosszú pályán megfelelő legyen. Az utolsó kisérletnél még a "nagyágyút" NE565-t is bevetettem, de sikertelenül. Ez egy PLL áramkör, mellyeljavítani szerettem volna a szűrők meredekségén, hogy még több funkciót lehetett volna kapcsolni, de nem jártam sikerrel.
Igen, ezek voltak az első DCC próbálkozások.
Mivel ekorra már elég szépszámú mozdonnyal gazdagodott a gyüjteményem, és ezek mindegyike DC üzemű volt, ezért megmaradtam DC-Fun- nak, és ezért én inkább szakaszolással oldottam meg a többmozdony üzemet. Aki ismeri a szakaszolásos terminológiát, én a Z kapcsolást használom (Zuschalten-hozzákapcsolni).
Igaz, hogy ez több vontatási tápegységet igényel amit megépíthetek, de nem vállalkozom egy DCC mozdony dekoder megépítésére.
A DCC-t jónak tartom, de én oinkább a váltók, jelzők vezérlésére használnám, használom.
Visszatérve a Halmai ötletre, nagyon jó minőségű és jósági tényezőjű nagyfrekvenciás rezgőköröket kell építeni, mozdonyonként legalább 4 db-t, s hozzá Schmidt triggert a jelszétválasztáshoz, majd dekodert a megértéshez, értelmezéshez. No ezt bepakolni egy BR80 belsejébe???
Felejtős!
Még egy BR E44-ben elfér, de akkor már ki kell szedni belőle a plussz súlyt, így meg elvész a vonóerő.
Kedves Tábla!
Vagy DCC, vagy maradsz "analóg-ban", és a többit csinálod meg már valamilyen digitális vezérléssel.
Csak egy adalék: nálam minden váltó, és jelzőnél van egy egyedi dekoder, meghajtó áramkör, a lehető legegyszerűbb TTL áramkörökkel.
Sajnos az árak az utóbbi időben nagyon elszálltak ami nem kedvez az amatőröknek.
Pl: 1 db SN7474ls valamikor 85 Ft-volt, ma már kifutott termék. NINCS, az utolsó ismert ár 560 Ft.
Bocsi, hogy sokat keseregtem! |
|
(#68791) etwg válasza Antal Miklós hozzászólására (#68790)
|
Válasz •
|
Dec 27, 2023 |
|
Ma már TTL áramkört mégha ingyen adnák sem használnék modellvasuthiz. Jo 40 éve jutottam erre a következtetésre, átalakitittam mindent az akkor elérhetö CMOS logikára annak is a felsö feszültség szintjére +15V. Az még elviseli a modellpálya zavarszintjét. |
|
(#68792) Tábla válasza Antal Miklós hozzászólására (#68790)
|
Válasz •
|
Dec 27, 2023 |
|
kedves Miklós! Köszönöm az értékes tapasztalatok megosztását mely megerősített abban, hogy talán mégsem annyira csak az én bénaságom miatt problémásak a rezgőkörök. Igazság szerint kb. tizenvalahány évvel ezelőtt kezdtem én ebbe bele, de azután a "csillagok állása" sokáig elválasztott a vasútmodelezéstől. Most nyugdíjban viszont újra hódolhatok neki. Így hát leporoltam a pákát és elővettem régi álmom megvalósítását a többmozdonyos üzemet. S mivel nekem is DC mozdonyaim vannak és az asztalom is inkább relés, int TTL áramkörös, maradok is a DC mellett annál is inkább, mivel ebben van nagyobb gyakorlatom és a pénztárcámnak is jobban tetszik.
Megosztanád velem, kmilyen tápegységeket használsz az egyes szakaszok megtáplálásához? Nekem pillanatnyilag részint az "ős" piko tápok vannak (a legrégibb szelénes fokozatkapcsolós) meg egy LM338-al épített saját. A világításaim már jórészt LED-esek, a jelzőim is (saját építésű), most készül a fénysorompó és kaptam egy sorompó roncsot is motorvezérlésűt melyet úgy tűnik sikerül fölélrdzteni. Tehát köszönöm, jól megvagyok DC-ben, s lehet követlek már ami a Z kapcsolást illeti. Azért is érdekel, milyem táp vált be nálad. |
|
(#68793) etwg válasza Tábla hozzászólására (#68792)
|
Válasz •
|
Dec 27, 2023 |
|
Én is Z kapcsolást használok néha procival kapcsolva. ( van egy fedett 5 vágányos állomás ami ráadásul 1 vágányon kétirányu amit egy proci kezel).
Tápoknak PWM tápokat használok a kb 7 nm TT terepasztalon 3 van. Amivel kezelni tudom a fö vonalon a mozgást és marad kettö valamelyik állomáson tolatás stb végezni. A PWM frekvenciája állithato, hogy be lehessen állitani a használt motorokhoz az optimális hajtást. Jo 90%-ban hagyományos motorokat használok, amikhez a frekvencia kb 3-500 Hz tartományban van. Az a néhány modell amiben vasmentes motor van nagyobb frekit igenyelne, de azért elmennek az alacsony frekivel is, igaz egy kicsit jobban bugnak. |
|
|
|
| |
2026. Ápr, 01. Sze 23:45:23 |
| |
Jelenleg 18 fő olvassa az oldalt |
|
|