|
|
|
Alkatrészekről, javításokról tanácsok, tippek
|
Témaindító: cs.csaby, idő: Júl 22, 2010
Témakörök:
|
|
|
(#65444) csíkosháTTú válasza asch hozzászólására (#65438)
|
Válasz •
|
Nov 7, 2021 |
|
Szia!
Kicsit visszalapozol a TT-s topicban,
klikk ide!
akkor fényképes tippiek a régi sínek pucolásához.
Kezdetnek, kísérletezni, gyakorolni jó lesz, de hosszú távon, állandó pályát építeni macerás belőlük, és sok munkával jár üzembiztosan tartani.
Mozdonyok, gondolom ezek régi, még NDK modellek.
Kerekek tisztítása, az áramszedő lemezek tisztasága, a lényeges. A mechanikát is kenni kell, de nem olajjal, és pláne nem WD40-nel!!! Zsír, modellező szinten bármelyik boltban kapható Tillig vagy ROCO zsír jó lesz. Vagy, ha van odahaza MOL LZS2, akkor abból egy keveset fel kell hígítani műszerolajjal, és ezt használni. Nem a fogaskerekek fogazott felületét kell kenni, hanem a tengelyeket, a tengelyek fészkeit!
DCC. Kicsit nézz utána, hogy milyen elemekből épülnek ezek fel, és hogy nevezzük ezeket! Különben tévútra vezetnek a saját kérdéseid! "Információk, hasznos linkek" témában találsz olvasni valót.
Kell egy tápegység, egy központ, egy kézivezérlő, és a mozdonyokba dekóderek.
Olvasgass, és, ha maradt kérdés, akkor várunk vissza! Meg, ha nem maradt, csak beszámolnál, hogy mire jutottál, akkor is!
|
|
(#65460) róbertke válasza csíkosháTTú hozzászólására (#65444)
|
Válasz •
|
Nov 9, 2021 |
|
Mester! Én egy Piko teherkocsi lappangó hibájára hívtam fel a figyelmed, mire elviccelődsz rajta. Ritkán cserélnek a modellezők kereket a Piko teherkocsi alatt, ha az jól fut. |
|
|
|
(#65461) csíkosháTTú válasza róbertke hozzászólására (#65460)
|
Válasz •
|
Nov 9, 2021 |
|
Persze, csak legtöbbször nem fut jól, mert Sonnebergben anno ismeretlen fogalom volt a "német precizitás". Így aztán cserélünk, és ilyenkor baj van, mert az egy darabból préselt lemez forgóváz/kupplung kombó bajt csinálhat. Később változta is ezek a forgóvázak, amikor Ulbricht-t Honecker váltotta a vezéri poszton. |
|
(#65462) etwg válasza csíkosháTTú hozzászólására (#65461)
|
Válasz •
|
Nov 9, 2021 |
|
Ez még a Märklin korbol maradt a modellgyárakra. Ott ugyanis nem volt sosem kérdés vagy gond, ha a test ( a két sin) galvanikusan össze volt kötve a modell fém részeivel. A baj akkor jelentkezett amikor az ilyen modellek megjelentek a 2 sines rendszereken ( nemcsak itt Europában). A kezdetben bizony nem volt mindegy hogyan kapcsolod össze a két kocsit és gyakran lett rövidzár. Évtizedekig tartott amig a modellgyárak megtisztitották a modelljeiket ezektöl a problémáktól, sajnos soknak beletörött a foga is és elvonultak a modellvasuti lexikonokba (meg a wikire).
Persze sok modell megmaradt a mai napig és ma is éppenugy szivatja a tulajdonosait mint 40-50 évvel ezelött. A legegyszerübb megoldás az volt, hogy a kocsi müanyag kerekeket kapott. |
|
(#65465) csíkosháTTú hozzászólása
|
Válasz •
|
Nov 10, 2021 |
|
Ááááá!
Fáj, basszus!
Az OK, hogy lekoppintjuk a Fuggerth kocsi kinematikáját, nem kell a meleg vizet feltalálni.
De könyörgöm, műgyantából???!!!
  
Persze törik, és csere estén nem is lehet kihúzni belőle a kapcsoló fejet!
 
Most nézem, hogy a dobozára rá is van írva, hogy "LIMITÁLT MODELL!"
Valóban, minden alkatrésze, ami nem elektronika műgyanta, így minden téren limitált:
- darabszám,
- élettartam,
- minőség. |
|
(#65467) róbertke válasza csíkosháTTú hozzászólására (#65465)
|
Válasz •
|
Nov 10, 2021 |
|
Fénykép?  |
|
(#65469) csíkosháTTú válasza róbertke hozzászólására (#65467)
|
Válasz •
|
Nov 11, 2021 |
|
Az nem publikus. Írtam egy e-mailt... |
|
(#65470) Brotan válasza jumo31 hozzászólására (#8627)
|
Válasz •
|
Nov 12, 2021 |
|
Szervusz!
Bővebben: Link
Mondjuk egy ki német kell hozzá.
Ezen az oldalon sok minden segítséget talász régi "U" sínes Piko rendszerhez.
Bővebben: Link |
|
(#65471) bcs szgab válasza Brotan hozzászólására (#65470)
|
Válasz •
|
Nov 12, 2021 |
|
kilenc éves bejegyzés, gondolod aktuális még neki?
|
|
(#65476) csíkosháTTú hozzászólása
|
Válasz •
|
Nov 16, 2021 |
|
Kis javítás az MTB H0 Bzx motor mellékkocsihoz.
A fekete a gyári, problémás panel, mert a belső világítás direktben a sínről megy, és a puffer kondi is csak erre hat. A dekóder aljzat csak a zárfényekre dolgozik, és oda a puffer nem, vagyis az villog/vibrál. DCC üzemben a dekóder csak a zárfényeket képes kapcsolni, a belső világítás az fix.
A zöld lakkos panel az új, ami működik analóg és DCC digitális üzemben is. Analógban a DIP kapcsolókkal a zárfényeket lehet ki- bekapcsolni.
DCC digitális üzemben a panelre integrált funkció dekóderrel lehet kapcsolni a zárfényeket, és a belső világítást is. A puffer elko pedig értelemszerűen a panel összes funkciójára hat, mind analóg, mind DCC digitális üzemben.
Még a gyötrése folyik, így a forgalomba hozatalára egy csöppet várni kell még. A panel tervezésekor nem volt cél, hogy teletömjük extrákkal. A lényeg az volt, hogy a modellen ne kelljen semmit sem változtatni, ha ezzel akarjuk felszerelni. Csak a gyári panel elszúrt tervezésére egy logikus, kézenfekvő válasz, megoldás.
|
|
|
|
(#65477) róbertke válasza csíkosháTTú hozzászólására (#65476)
|
Válasz •
|
Nov 16, 2021 |
|
Gratulálok Mester!  |
|
(#65632) asch válasza csíkosháTTú hozzászólására (#65444)
|
Válasz •
|
Dec 16, 2021 |
|
Köszönöm a tippet, a karbantartást inkább szakemberre bíztam  , a sínekhez pedig beszereztem az anyagot, hamarosan nekiállok. |
|
(#65677) diginewl hozzászólása
|
Válasz •
|
Dec 24, 2021 |
|
Karácsony este min morfondírozhat az ember??? 
Vannak H0-ás brawa reko kocsijaim. Szeretnék majd bele rakni világítást.
Néztem ezt a videót:
Időzítve van
Aztán elgondolkodtam azon, hogy én így essek neki a kocsiknak. 
Van valami speckó műfogás amivel nem rontok a vagonok értékén?
A roco vagonokat francia spatulával tudtam észrevétlenül, roncsolás mentesen felnyitni. (szakmai ártalom)
Így néz ki
Rozsdamentes, nagyon vékonyra lapított acéllemez.
Ezt nem tudom a tető, és a kocsiszekrény közé óvatosan betolni, annyira passzentos.
Ha már témánál vagyunk:
Mindenkinek áldott, békés Karácsonyt kívánok!!! |
|
(#65679) etwg válasza diginewl hozzászólására (#65677)
|
Válasz •
|
Dec 25, 2021 |
|
Nektek is kellemes ünnepeket, és valoszinü nincs más megoldás mint a videoban, benyomni az oldalfalat, és kipattintani a tetöt. Azzal a spatulával nem fog menni, mert benyomás nélkül letörik a tarto pöcök.
Sajnos ez ma sok precizios szerkezetre érvényes ( pl mindenféle távirányitok), ha nem találod meg a jo fogást igen nagy valoszinüséggel tönkre teszed a dobozt. |
|
(#65682) diginewl válasza etwg hozzászólására (#65679)
|
Válasz •
|
Dec 27, 2021 |
|
Megvan a trükkje. 
Sajnos nem kell vele úgy szerencsétlenkedni, mint nyugati modellezőtársunk a videóban tette (ha megnézed legalább 4 vágás van a fimben ott, mire nagy nehezen egyszer csak már szétesett - közben úgy összetapizza, hogy jajjj).
A vagon végén, PU kesztyűvel (ez picit tapad) a tető szélét két ujjal kicsit megpróbálom felcsippenteni. Így a tető középen az ívnél elemelkedik a kasztnitól. Itt lehet akár spatulával, de akár egy műanyag porosztó kártyával is alányúlni, és picit tovább emelni. Így szépen erőltetés nélkül kipattan a két szélső rögzítőpecek.
Ezután valamelyik oldalon végig lehet menni és a pöcköket egyenként kipattintatni, erőltetés nélkül. Aztán ugyanígy a másik oldalon. Leírni tovább tart mint megcsinálni.
A nyitás sérülésmentes, és egyik pöcök sem sérül meg.
Kettő vagonnal is eljátszottam.
 |
|
(#65700) diginewl hozzászólása
|
Válasz •
|
Jan 1, 2022 |
|
Sikerült szépen kimarnom sérülés nélkül a Tillig H0 motorvonatok belső öntési tönkjét! 
Végre nem lóg be a dekóder az utastérbe!
Valamint talán egyet végre hangosítani is tudok.
BUÉK Mindenkinek!!! |
|
|
|
(#65711) csíkosháTTú válasza diginewl hozzászólására (#65700)
|
Válasz •
|
Jan 2, 2022 |
|
Betévedtem az index DR topicjára, biztos, hogy a Sachsenmodell felcserélte a dekóder aljzat két lábát? |
|
(#65715) diginewl válasza csíkosháTTú hozzászólására (#65711)
|
Válasz •
|
Jan 3, 2022 |
|
Fel. Ott látod a két sínszálat fekete/piros ahogy lennie kellene a menetiránynak megfelelően. A dekóderaljazatban pont fordítva vannak bekötve...
Az lehet a bibi, hogy úgy néztem a DB-s VT már a kémény felőli oldalon mondja magát egyesnek, a DR pedig a másik irányba. A Sachsen a DB-t jól csinálta meg, a DR-t nem  |
|
|
|
(#65748) etwg hozzászólása
|
Válasz •
|
Jan 10, 2022 |
|
Egy ujabb agymenés egy kisszérias gyártotol. Egy 4 tengelyes gözmozdonyon “elfelejtette” meghatározni a keretben oldalirányban el nem mozdulo tengelyeket. Ennek az a primitiv következménye, hogy a mozdony összevissza áll a sineken. ( majdnem 2 mm az axiális játék). Ez még csak szépséghiba lenne, de emiatt a csatlorud meg a csapok bizonyos helyzetben összeakadnak. ( föleg ha vezérmü körül szük a hely.
A megoldás: alátétekkel csökkenteni az axiális játékot a kritikus tengelyen ( a többi mozoghat, ahogy akar). Minimum egy tengelynek ilyen a 3 plusz tengelyes mozdonynál axiális játék nélkül kell a keretben forognia. A modellben általában az elsönek, mert ott a legszükebb a hely a vezérmü miatt. |
|
(#65763) csíkosháTTú hozzászólása
|
Válasz •
|
Jan 17, 2022 |
|
Egy újabb példa. A Ferro-Train 726-630-CP cikkszámú H0e modellje azért van nálam, hogy világítást szereljünk bele. A kocsi ára 79Euro. Hurrá! Ehhez képest a belső berendezését lásd a képeken.
Nagyobbik fiam megjegyzései:
- A figurák láthatóan MSLA nyomtatóval készültek, habár festetlenek.
- A kocsi belső berendezése viszont sima 3D nyomtatás. A lehető legolcsóbb alapanyagból, PLA-ból van.
- A belső berendezés nyomtatása rossz. A felületek - a kocsi árához képest - elnagyoltak, a nyomtató beállítása rossz, túl gyors a nyomtatási sebesség, és túl kevés anyagot ad az extruder, ezért ilyen, amilyen.
Hát, majdnem 80Euro-ért ez van... Én nem tenném a kirakatba. |
|
|
|
(#65770) sunocske válasza csíkosháTTú hozzászólására (#65763)
|
Válasz •
|
Jan 17, 2022 |
|
Rosszul látod
80 euróba kerülnek a síró angyalok szobrai a Dr. Who-ból (idehaza Ki vagy, Doki? címmel fut(ott)), a kocsi mellé ajándék...
 |
|
(#65771) csíkosháTTú válasza sunocske hozzászólására (#65770)
|
Válasz •
|
Jan 17, 2022 |
|
Stílusos figura választás: ez egy karácsonyi kocsi. Pont passzol hozzá a Dr. Who sorozat...  |
|
(#65819) etwg hozzászólása
|
Válasz •
|
Jan 21, 2022 |
|
Egy ujabb eszmefuttatás a legujabb angliai tapasztalatok alapján. ( egy kicsit hosszu lesz, lehet, hogy cikket kellene irnom :confused  .
Egy fiatal barátomnak egyik mozdony után a másik dobta be törülközöt.
Mint kiderült az elsö nekifutásban szinte valamennyi modell a Bachmanntol származik ( van a srácnak elég, igy a terepasztalon nincs hiány), amiben az alábbi motor van.
Mint kiderült valamennyi motoron elégett kommutator, pedig látszolag massziv vastag bronzrugokba van integrálva a kefe. A motor nyitott és a motor tekercse 30 Ohm felett van, azaz 12 V-re lett gyártva ( a gyári specifikacio szerint).
Azután kiderült, hogy Gaugemaster tápokat használ, ami ugye egy tirisztoros fázishasitos tápegység. A GM-ben egyenirányitva van a jel, azaz másodpercenként százszor szakad meg a feszültség.
Nos nézzük mi is történt a mozdonyokban.
A motor tekercse R=33 Ohm, ez U=12 V, azaz kb 300 mA áram folyik a tekercsen, amit a kommutátor hivatott szaggatni.
A motor fordulatszáma a mozdonyban kb 6000 ford/perc.
Ezek 3 polusu motorok, azaz kb 200Hzel szakad meg az áram egy akkurol vagy sima DC táprol.
A teljesitmény amit maximális fordulatszámon kell szaggatni P=U*U/R kb 4 W. Minden megszakitás egy szikrával jár azaz hövel, és ez 200-szor max fordulatszámon. Nyilván kisebb fordulatszámon kisebb áramot (teljesitményt) kell megszakitani, és kevesebbszer, hiszen a motor lassabban forog. ( fél fordulatszámon 6 voltot kell 100szor megszakitani azaz, csak 1 Wattot a 4 helyett).
Ha ugyanez a motor valamilyen impulzus tápot kap, akkor nagyon változik a helyzet.
Az adott esetben a GM táp, ha forog a motor ha nem, százszor szakitja meg másodpercenként az áramot. Azaz akkor is, ha lassan forog, meg akkor is ha gyorsabban. Azaz ez a 100 megszakitás hozzáadodik a kommutátor szaggatásához, azaz a leglassabb fordulaton is már a kommutátor annyiszor szikrázik és termel höt, mint sima egyenáramon fél sebességen. Ráadásul a GM tipusu tápnál a fél teljesitménynél a szinusz csucsán szakitja meg az áramot ami a 12 V esetében 1,41-szer több, ami ugye kb 18V.. Ebben a pillanatban a teljesitmény P=U*U/R azaz 18x18/33=9,8W.
Azaz összehasonlitva sima DC üzemmel itt 100x szakitja meg a tápegység az áramot. 100x meg a kommutátor, de 1 W helyett majdnem 10W-t. Igaz, hogy a motor ilyen helyzetben interferrálni fog a táppal igy nem biztos, hogy simán összeadodik a 2 megszakitás, de mindenképpen több lesz és mindenképpen joval nagyobb teljesitményt kell megszakitni.
Azaz majdnem 10szer nagyobb teljesitményt kell megszakitani, mint sima egyenáram esetén. Nyilván ez sokkal több hövel jár - amit nincs hova elvezetni - és mindez fél sebességen!. Az eredmény az elégett motor.
A vasmentes motoroknál a zártságuk és még kisebb tekercsellenállásuk miatt a helyzet még siralmasabb.
Természetesen a helyzet egy sima PWM táppal, mint a DCC üzemmod, a helyzet rosszabb, mert ott a PWM frekije magasabb is lehet, azaz többször szakad meg az áram. Az egyetlen mentség, hogy nem nagyobb feszültség. ( nincs szinuszgörbe mint a képen).
Jo lenne, ha ezt a gyártok is figyelembe vennék és a motorokat ilyen tápokhoz terveznék és választanák.
|
|
|
|
(#65820) Antal Miklós válasza etwg hozzászólására (#65819)
|
Válasz •
|
Jan 21, 2022 |
|
Kedves ETWG!
Tökéletesen igazad van, elektronikai okfejtésed hibátlan.
Sajnos nem ismerem az angol kolléga tápegységét, kicsit furcsálom, hogy modellvasút vezérlésére ilyen tirisztoros kapcsolást alkalmaz.
Ugye a tirisztor begyujtása nagyon könnyű: amikor az anódja pozitívabb mint a katód, és ekkor érkezik a gyujtó impulzus, akkor a félperiódus végéig nyitva marad, míg kikapcsolásához különböző trükköket kell bevetni.
(Tudom, és ismerek is olyan típust) melynek a kikapcsoláshoz külön elektródával készítenek.
Érdekes lenne szkóppal csúcsáramot mérni és lefényképezni egy motoron DC majd PWM táplálás esetén.  |
|
(#65821) etwg válasza Antal Miklós hozzászólására (#65820)
|
Válasz •
|
Jan 21, 2022 |
|
Akik nem ismerik a Gaugemaster márkát ime, ilyen van a srácnak ez 2 különállo táp egy dobozban. ( nincs galvanikusan elválasztva).
Gaugemaster twin pack
És amint láthato a gyár 16 V os váltoáramrol beszél, azaz a helyzet még az általam ecseteltöl is rosszabb.
Az a szinuszos ábra nem egészen jo. ( tükörkép) csak az elvet mutatja).
Mellékelem az egyik régebbi táp rajzát. Némelyikben a tirisztort hajto BC557-s tranzisztor helyett egy UJT áramkör van. A funkcio ugyanaz.
Amugy a Gaugemaster egy meglehetösen nagy tradicioju gyár, sok évtizedes multra tekint vissza és ez az angolszászoknál a mérvado modellvasuti elektronikai gyár. |
|
|
|
(#65822) csíkosháTTú válasza etwg hozzászólására (#65821)
|
Válasz •
|
Jan 21, 2022 |
|
Én inkább nem írom le, hogy mi a véleményem erről a táplálási megoldásról, mert Nagy Tiszteletű Moderátorunk kivágna innen egy életre...
Miért kell egy ilyen körülményes vacakkal etetni egy szimpla modellpályát? Nem egyszerűbb egy tisztességes PWM menetszabályzó?
Van egy nagyon-nagyon régi könyv: Hagen Jakubaschk Modellbahn-Elektronik, Transpress Verlag Berlin 1980. Abban is van egy tirisztoros megoldás, már attól is égnek állt a hajam (akkor még volt).
És ez a mérvadó gyártó Angliában? Nem véletlenül laknak szigeten...
És úgy látszik ide is be kell linkelnem a film jelenetet, amit a DCC-sbe is tettem...?  |
|
(#65823) etwg válasza csíkosháTTú hozzászólására (#65822)
|
Válasz •
|
Jan 21, 2022 |
|
Tudod náluk a tradicio ( heritage) a mérvado, föleg ilyen szegmensben. A Märklin meg a TRIX meddig gyártotta a reosztatos tápokat?
S nézd meg az áraikat. Ennyi pénzért 2 mikroprocesszoros csucstápot kapni (MarkIII vagy MarkIV) müszerekkel távvezérlövel |
|
(#65824) csíkosháTTú válasza etwg hozzászólására (#65823)
|
Válasz •
|
Jan 22, 2022 |
|
Ja!
Az is tradíció, hogy elegánsan elhanyagoljuk, hogy a trafók kapocsfeszültsége névleges terhelésen és üresjáratban eltér?
Szerintem a hiba itt is az volt, hogy ezt a tirisztoros - elnézést kérek, de - marhaságot legalább 1-2A-re méretezték, és ehhez választottak egy szimpla trafót. Az újabb Bachmann modellek meg terhelve legfeljebb 0,3A-t vesznek fel, így a tirisztor által hasított feszültség messze nem 12V-ról indult.
Szegény Bachmann modellek...
Tegyék a tradíciókat az ablakba, vagy tapétázzanak ki velük!
A DCC topicban emlegettem, hogy méricskélünk egy z21 DCC központot. A gyári tápegységgel kezdtük, és azt vizsgáltuk, hogy a sínben mekkora a DCC feszültség. Ez eléggé könnyű az általunk használt műszerrel. A teszt menete az volt, hogy először terhelés nélkül mértük a sínfeszültséget, majd, hogy a zavarokat elkerüljük, egy tisztán Ohm-os műterhelést tettünk a sínre, ez nagyjából 300mA áramfelvételt jelentett. A fehér z21 központhoz adott gyári, elvileg stabilizált hálózati adapterrel 1,2V-t csökkent az érték, egy Tillig vezérlőhöz adott hálózati adapterrel pedig 0,9V csökkenés volt megfigyelhető.
Pedig van alternatíva, amivel ez a csökkenés a mérési hibahatáron belül van például
ez itt, cseh raktárból, 5 napon belül.
A mérés eredményeit ellenőriztük, hátha a központ vacakol, és nem a sínre tettük a műterhelést, hanem megmértük a tápegységek kimenetét közvetlenül. Nincsenek csodák, a gyártók által forgalmazott tápegységek vacakok, sajnos. A többi majd a DCC topicban, az nem ide tartozik. |
|
(#65825) etwg válasza csíkosháTTú hozzászólására (#65824)
|
Válasz •
|
Jan 22, 2022 |
|
Semmi gond eddig csak 12 mozdonyt nyirt ki. 
4 mozdonyban ugyanilyen motorra cserélte, azok sem fognak sokáig élni. Most vetettem vele, más jobb motorokat.
A GM trafot nem akarja kicserélni ( pedig az többet érne), de talán ma leméri milyen feszültségü trafo van a dobozban.
S valoban röhej, hogy még nem is kinai boltbol, de simán kapsz szinte minden utcasarkon 12V / 5 A kapcsitápokat 4-5 euroért, mig a neves modellgyárak egy olyan ipari hulladékért mint a GM pult 200 - 250€ - t kérnek ( és kapnak. :eek2  .
|
|
(#65826) csíkosháTTú válasza etwg hozzászólására (#65825)
|
Válasz •
|
Jan 22, 2022 |
|
Mhhh...
Ha valami egyszer megtörténik, az véletlen.
Ha kétszer ugyanaz, akkor az egybeesés.
Ha háromszor, az már összeesküvés.
Nem akarom ismeretlenül is a kolléga szellemi képességeit kritizálni, de nem tűnik fel neki semmi, hogy 12 mozdony ugyanúgy megy tönkre, akkor nem az a 12 mozdony a hibás?
OK, beletesz "jobb" motorokat, azok sem lesznek örök életűek azzal a vacakkal, amivel nyírja őket...  |
|
(#65827) Antal Miklós válasza etwg hozzászólására (#65825)
|
Válasz •
|
Jan 22, 2022 |
|
Bár nem DCC-zek, de 1-2 boostert volt alkalmam javítani.
Kicsit fájt, hogy olyan N-FET volt a végfokozatban, amelynek rDS ellenállása 3-5 Ohm volt, azt sem értettem, miért használtak HV FET-t: 2SK951-t.
Ez a 30 Ohm-os motorral már érdekes.
(Vagy csak ilyen volt raktáron annak, aki beépítette.) |
|
(#65828) etwg válasza Antal Miklós hozzászólására (#65827)
|
Válasz •
|
Jan 22, 2022 |
|
Ne vedd annyira komolyan, a legujabb vasmentes àtépitö kitben egy 27 Ohm/2W -s ellenállás van a sebesség kiegyenlitésére..... |
|
(#65829) etwg válasza csíkosháTTú hozzászólására (#65826)
|
Válasz •
|
Jan 22, 2022 |
|
Akkor keresett, amikor már egy polc tele volt halott mozdonyokkal. El is neveztük azonnal mozdonytemetönek.
Az állitotta,hogy ritkán járatta gyorsan a mozdonyokat - ami hihetö is, mert elég gyorsak amugy is.
Fel sem merült nála, pedig ugyes srác, hogy az adott esetben a fél sebesség körüli menet a legkiritikusabb a beépitett motorokra.
|
|
(#65922) CharlieFirpo hozzászólása
|
Válasz •
|
Feb 5, 2022 |
|
Ilyet milyen anyagból érdemes készíteni? Sima vörösréz lemez gondolom nem túl tartós. Egyáltalán érdemes ezzel szenvedni, vagy egyszerűbb megvenni? |
|
(#65923) Antal Miklós válasza CharlieFirpo hozzászólására (#65922)
|
Válasz •
|
Feb 5, 2022 |
|
Szia.
Én 0,4 mm bronz huzalból készítem a kerékérinkezőket.
Ha négytengelyes a kocsi, akkor minden kerékhez tudsz tenni kerékérintkezőt.
A négytengelyes kocsiknál vigyázz, mert a két forgóváz azonos oldali kerekeinek érintkezőit ne kösd össze!
A két forgóvázból érkező két-két vezetékbe egy-egy grätz diódahidat forrasz be, mert így a két forgóvázon keresztül a szigetelt sínnél nem lesz bajod.
A hármas, vagy kettes mezőt könnyen felerősítheted a forgóvázra, vagy a kocsitető belső oldalára, és azon az SMD LED-ellenállás is elfér, a forgóvázon pedig a kerékérintkező.
Bronz huzal, helyett vékony gitárhúr is megfelel.
|
|
|
|
(#65924) CharlieFirpo válasza Antal Miklós hozzászólására (#65923)
|
Válasz •
|
Feb 5, 2022 |
|
Köszi!
Roco két és háromtengelyes vagonokról lenne szó. Igazából nem nagyon látom, hogy a hagyományos érintkezőket hogyan tudnám normálisan rögzíteni, anélkül, hogy jobban szétbarmolnám az alvázat (főleg a 3 tengelyes kocsik tűnnek macerásnak az oldalirányú kitérés esetén kanyarokban). Ezért tűnt jó ötletnek ez a "csapágyfészek" érintkező. De félek a sima vörösréz hamar kopna
Négytengelyes kocsiktól nem annyira tartok, van 0,13 mm vastag bronz szalagom, jó rugalmas, rögzítés is egyszerű, ha a tengelyekről veszem le az áramot, nem a kerekeről. Mondjuk nem túl vastag, foglamam sincs, mennyi idő alatt kopna el
Egyébként analógban a közel állandó led fényerő megoldható valahogyan?
LM317 áramgenerátor módban bekötve működhet? Vagy inkább valami LDO feszstab áramgenerátor módban, mert az egyenirányító híd is kapásból kb. 2 volt feszültségcsökkenés, LM317 is 3 volt körül ejt ... kis feszültségnél nem lenne világítás. |
|
(#65925) Antal Miklós válasza CharlieFirpo hozzászólására (#65924)
|
Válasz •
|
Feb 5, 2022 |
|
Szia.
Kapcsolási rajz,ötlet rengeteg van.
Én abba gondoltam bele, hogy egyszerű legyen, és elférjen a kocsiban.
Nem bonyolítottam, két tranyó és 2 db ellenállás ez SMD-ből sem nagy, de puffer kondi kell, és érdemes tenni, de azt a WC-ben el tudod rejteni.
Van egy cikkem ott találsz erre ötleteket, képeket.
Lehet kis invertert építeni a kostans áram miatt.
Mivel a mozdonynak is kell legalább 4-5 volt, hogy elinduljon DC üzemben, ott ez már müködik.
Ha PWM-t használsz menetvezérlésre, ott már kissebb fokozatban is világít.
A háromtengelyes kocsik középső tengelyeit hagyd ki az áramszedésből.
|
|
|
|
(#65926) csíkosháTTú válasza CharlieFirpo hozzászólására (#65924)
|
Válasz •
|
Feb 5, 2022 |
|
Szia!
Ha a kerekekről szedsz áramot, akkor gyakorlatilag egy kéziféket szerelsz a kocsiba, ami mindig fog. Megnő a menet ellenállása a kocsinak. Klasszikus elrettentő példa - igaz N méretben, ott meg még nagyobb a baj - a Jägerndorfer Collection összes vezérlőkocsija. A tolt üzem gyakorlatilag lehetetlen velük, és húzni is egy erőmű kell hozzá.
A ROCO H0 kéttengelyes kocsikba aránylag könnyű áramszedést szerelni. Mivel gyárilag olyan kerékpárokkal jönnek ki, amik csak egy oldalon szigeteltek, így meg lehet csinálni velük azt a trükköt, hogy az egyik pólust (sínszálat) a tengelyről szeded, míg a másikat a kerékről, így felezed a fékező erőt. Csak arra figyelj, hogy a szigetelt kerekek ne egy oldalra essenek, mert úgy "csálén" fékeződne a kocsi.
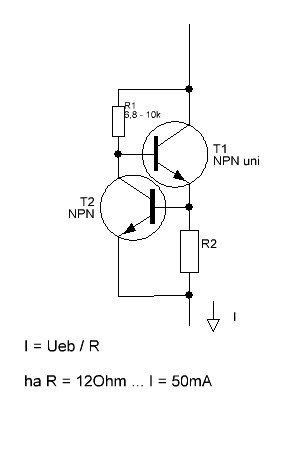
Állandó fényerő:
Most majd lehet köveket dobálni rám, meg fejeket csóválni, de laikusoknak nem kell szerintem mindenféle szabályzó dolgokkal bíbelődniük. Felesleges, mert nem értik, hogy mit csinálnak. Nem lenézni szeretnék senkit, csak nem ezt tanulták.
Analógban amúgy sincs túl sok jelentősége szerintem, hogy pontosan mennyi a fényerő. A mai, korszerű LED diódák már 5mA áramnál, vagy ennél is kevesebbnél már leadják a a fényerejük 85%-t, és legalább 20mA-rel lehet terhelni őket. Ez 15% fényesség változást okoz, szerintem felesleges itt stabilizátorokkal, meg áramgenerátorokkal dolgozni. Úgy kell méretezni az előtét ellenállást, hogy 5-12V között 5-20mA között legyen a LED-n átfolyó áram. Gyakorlatban ez azt jelenti, hogy egy LED elé kell kötni egy 1kiloOhm ellenállást.
Mivel 5V alatti feszültségnél nem sok értelme van a világításnak, így pufferelni sem lehet. Ez azért van, mert a nagyobb fényű sárga LED-k nyitási feszültsége az 2,5, de inkább 3V, míg a fehér fényt adó - pláne a meleg fehér fényű - LED az legalább 4V.
Amit persze nem lehet megúszni, az egy Graetz-híd az áramszedéshez, mert a kocsinak mindkét menetirányban világítania kell. |
|
(#65930) CharlieFirpo válasza Antal Miklós hozzászólására (#65925)
|
Válasz •
|
Feb 5, 2022 |
|
Köszi, megkeresem, elolvasom  |
|
(#65931) CharlieFirpo válasza csíkosháTTú hozzászólására (#65926)
|
Válasz •
|
Feb 5, 2022 |
|
Fékezni fog, az biztos
Azért volt számomra érdekes ez a tengely"csapágy" fészekbe szerelhető érintkező, a tengelycsúcs talán a legkevésbé fékeződik, de ezek szerint nincsen vele tapasztalat.
Hagyományos módszerrel a két tengelyről szedném az áramot (ellenkező irányba fordítva a szigetelt oldalt a kerékpároknál, de talán alapban is így van szerelve), így talán kevésbé fékez, mint ha magát a kereket tamadnám be.
12 voltra meg nem is kéne méreteznem, mert az egyenirányító hídon is esik jó 2 volt, meg szerintem semmit nem járattam még nyélgázon
Olyanon is gondolkodtam, hogy egy vagon szedi az áramot, vezetékkel meg átviszem a többi kocsiba (bontható csatlakozókkal). Ez körülményessé teszi a szerelvények rendezését, de valamit valamiért.
Ja igen, az állandó fényerő nem túl pontos megfogalmazása az igényemnek, a közel állandó a pontosabb. |
|
(#65932) Antal Miklós válasza CharlieFirpo hozzászólására (#65930)
|
Válasz •
|
Feb 5, 2022 |
|
Ha megnézed a cikkben lévő képeket, a kerékérintkezőket úgy helyeztem el, hogy azok a keréktárcsa belső felszínén érintkeznek minél közelebb a tengelyhez. Így a rugóerő fékező hatása kissebb mintha az érintkező a kerék futófelületén érintkezne.
Az egyenirányító utáni világítás feszültséget már át tudod vinni a többi kocsiba, így az érintkezéshibák miatti villodzás elmarad.
Sőt a mozdony utáni első kocsi is világítani fog, pedig az már a szigetelt sínszakaszon áll a tilos jelző esetén.
Ilyen bontható kocsik közötti bontható csatlakozót, Ic foglalatból lehet készíteni. |
|
(#65937) reszelozsir hozzászólása
|
Válasz •
|
Feb 7, 2022 |
|
Sziasztok!
Számomra még ismeretlen terepen mozgok, ezért lenne egy kérdésem. Ha egy két kihajtásos, kétlendkerekes motor egyik lendkerekét /helyhiány miatt/ eltávolítom, annak lesz-e káros hatása a motorra, illetve látványosan rosszabb lesz-e a futás? |
|
(#65938) etwg válasza reszelozsir hozzászólására (#65937)
|
Válasz •
|
Feb 7, 2022 |
|
A motorra nem lesz semmi hatás, hacsak el nem görbited a tengelyt.
Nyilvá kisebb/kevesebb lendkerékkel nem kapsz annyi forgonyomatékot az áram megszünése után, azaz a modell kifutása is kisebb lesz. ( de rengeteg modell van amiben semilyen lendkerék nincs és azok is jol müködnek), |
|
(#65942) CharlieFirpo válasza Antal Miklós hozzászólására (#65932)
|
Válasz •
|
Feb 7, 2022 |
|
Igen, azt láttam a képeken, én is igyekeztem még anno az első kísérleti átszerelésnél minél közelebb menni a tengelyhez. (Itt sorban volt 2 led + 180 ohm ellenálló).
Kipróbáltam 1k ellenállással, 10mA körüli áramot vesz fel a LED 12 volt esetén. 6 kocsi esetén 4 led-el számolva darabját (rövid 2-3 tengelyes személykocsik) az még talán nem vészes áramfelvétel. Aztán 12 volt úgysem lesz, meg ott a graetz is ...
Négytengelyes kocsiba mennyi ledet célszerű tenni a homogén fény érdekében? (kikísérletezném, de biztos mindenkinek van már ilyen téren tapasztalata) |
|
(#65943) csíkosháTTú válasza CharlieFirpo hozzászólására (#65942)
|
Válasz •
|
Feb 7, 2022 |
|
LED-től függ. Ha sikerül olyat szerezned, aminek a sugárzási szöge 120°, akkor kb. 2,5cm-ként kell elhelyezni őket. |
|
(#65944) Antal Miklós válasza CharlieFirpo hozzászólására (#65942)
|
Válasz •
|
Feb 7, 2022 |
|
Van olyan személykocsim, amelyikben 2,5cm-ként van világítás de főleg a kupéknál ha nincs mindenütt utas a kocsiban inkább maradtak sőtét kupé is, hasonlóan a nagyvasúthoz.
A termes kocsiknál inkább a 2,5 - 3 cm ajánlott.
És ne feledkezz el a szerelvény utolsó kocsijáról, mert ott valamilyen zárófényt kell/illik használni.
Nagyon fontos, hogy milyen korú személykocsiba milyen színű LED-t építesz bele: borostyán sárga, melegfehér, hidegfehér
|
|
|
|
(#65961) reszelozsir válasza etwg hozzászólására (#65938)
|
Válasz •
|
Feb 13, 2022 |
|
Köszönöm szépen!  |
|
(#65965) Krissz80 hozzászólása
|
Válasz •
|
Feb 14, 2022 |
|
Kedves klubtagok, új vagyok itt és bár az elektromossághoz értek, csak most szembesülök mennyi féle szabványú megoldás létezik a H0-as modellvasutak között is.
A kérdésem az lenne, hogy a Marklin renszerű váltakozóáramú sínek alkalmasak lehetnek e arra, akár kisebb átalakítással, hogy az egyenáramú mozdonyok működjenek rajta.
A válaszokat előre is köszönöm.
Üdv,
Krissz80 |
|
(#65967) róbertke válasza Krissz80 hozzászólására (#65965)
|
Válasz •
|
Feb 15, 2022 |
|
Alkalmatlanok |
|
|
|
| |
2026. Márc, 25. Sze 6:22:59 |
| |
Jelenleg 13 fő olvassa az oldalt |
|
|