|
|
|
TT klubtopic
|
Témaindító: sunocske, idő: Okt 1, 2012
Témakörök:
|
|
|
(#61421) wesTTcoaster válasza etwg hozzászólására (#61420)
|
Válasz •
|
Dec 5, 2019 |
|
Köszi a választ! Hát akkor azt hiszem annál maradok, hogy a vonathossz fogja meghatározni a távolságokat - úgy ahogy az állomások tervezésére használom; terveim szerint a leghosszabb vonat 5 személykocsi + 1 mozdonyból fog állni (bár egy nem villamosított mellékvonalat tervezek építeni, Taurusszal meg Tillig IC kocsikkal számoltam az 1168,4 mm-es (ez kerek szám, mert incsben dolgozom... 46"; mellékesen TT-ben nagyon könnyű incsben dolgozni mivel 1 incs = 10 láb) vonathosszat, mert az volt kéznél)...
Idézet: „Tudok egy konkrét esetröl egy hegyi pályán ahol a karos bemeneti jelzö vagy 180 m-re volt a pályátol és vagy 20 m-rel a feljebb a hegyoldalban, mert az volt az a hely, amit már 5-600 m-re a jelzötöl lehetett látni.”
Bezzeg ha ezt modellben csinálnád meg, mindenki kiröhögne hogy ilyen hülyeséget csináltál... |
|
(#61423) wesTTcoaster hozzászólása
|
Válasz •
|
Dec 7, 2019 |
|
Remélem nem zavarlak benneteket a folytonos kérdésekkel, de lenne megint egy kérdésem:
Gőzmozdonyokat melyikeket lehet aránylag egyszerűen előállítani? Amit gyorsan meg tudtam állapítani, az:
410,501-502 - ha be lehet szerezni a Hädl BR55.25-56-t
431,001-010 - Piko 47100 BR55.0-6
501,001-005 - ha be lehet szerezni az MMC BR42-t
520,001-094 - Tillig BR52 alapon
Azt láttam valahol írva, hogy az MMS készített egy modellt a 520,034-ról, ja meg azt, hogy 424-es is kapható...
A gőzmozdonyok témájában annyira járatos nem vagyok - főleg nem a magyar és német típusokban - hogy meg tudjam állapítani, hogy melyik létező modellból melyik magyar gőzöst lehetne több-kevesebb munkávál elkészíteni? |
|
(#61424) etwg válasza wesTTcoaster hozzászólására (#61423)
|
Válasz •
|
Dec 7, 2019 |
|
Ezzel azt hiszem még nem kellene foglakoznod. Sokkal egyszerübb ha itt megkeresel egy modellépitö topiktársat és töle rendelsz egyet. Valoszinü, hogy olcsobb lesz, mint azokkal a drága modellekkel szenvedni ki tudja milyen eredménnyel. Lapozz vissza itt vannak a képek meg a cimek. |
|
(#61425) wesTTcoaster válasza etwg hozzászólására (#61424)
|
Válasz •
|
Dec 7, 2019 |
|
Az ilyen munkákkal már van gyakorlatom - csak nem magyar témákkal kapcsolatosan. Épitettem már JŽ 441-est H0-ban, dinamikus fékes SW8-ast TT-ben SW1200-ból...
EDIT: tehát evvel azt szeretném mondani, hogy egy olyan projekttől, ami valamennyi átalakítási munkát igényel, nem riadok el; de egy 424-est nem próbálnék sajátkezüleg építeni... amennyiben van egy használható alap modell, nem félek!  |
|
|
|
(#61426) etwg válasza wesTTcoaster hozzászólására (#61425)
|
Válasz •
|
Dec 7, 2019 |
|
Általában nincs, mert a magyar mozdonyok más iskolábol kerültek ki mint a németek igy alig van hasonloság a két jármücsalád között ( még a kerekek méretei is inkább eltérnek. |
|
(#61427) wesTTcoaster válasza etwg hozzászólására (#61426)
|
Válasz •
|
Dec 7, 2019 |
|
Okay szóval akkor nagyjából ugyanaz a helyzet, mint a kanadai gőzösökkel. Akkor majd maradok az 520-as, 431-esnél, vagy egy 424-es rendelésével, ha az még kapható... |
|
(#61428) M298 hozzászólása
|
Válasz •
|
Dec 8, 2019 |
|
December 12-én a 2019-es esztendő utolsó talija lesz a szokott helyen és időben. |
|
(#61429) csíkosháTTú válasza wesTTcoaster hozzászólására (#61423)
|
Válasz •
|
Dec 8, 2019 |
|
A GABA TT csinál eléggé jól használható magyar gőzösöket, nem is horror áron*. És sokkal jobbak, mint az egykori JAGO modellek, azokat messzire kerüld el!
A PIKO BR55-öst az én hanyagolnám. Playtime kategóriában megfelelőek, csak az áruk meg nem ezt tükrözi.
MÁV 520-at lehet átalakítani a Tillig BR52-ből, csak arra vigyázz, hogy ne a REKO, vagyis BR52.80 legyen, annak teljesen más a kazánja.
Jelzők egy házi pályán kontra MÁV F1: szerintem nem nagyon van hely egy otthoni pályán lemodellezni a komplett forgalmi utasítást. Őszintén szólva értelme sincs, hiszen a modellezett vasútvonal legnagyobb részét legfeljebb elképzeljük. Szerintem egy szokványos modellpályán 5 jelzéskép (fényjelzőkről beszélünk) bőven elegendő a modell üzemhez. Lásd a honlapomon a CSM145 használati utasítását!
*: Szolgálati közlemény GABA TT kollégáknak! A MÁV 328-as szerkocsiját módosítani kellene, mert nem fér el a modellben a hangdekóder! Ezt én nem tenném meg, ha lehet! De ugyanez érvényes a 424-re is. Habár kettőbe már tettem ZIMO MX648-ast, de túl sok munkám van vele. (Lusta vagyok, na...) |
|
(#61434) GABA TT válasza csíkosháTTú hozzászólására (#61429)
|
Válasz •
|
Dec 8, 2019 |
|
Mit kellene módosítani? Az összefogató csavar van útban, vagy mélységre nem elég a hely? Mekkora minimális helyre van szükség egy hangdekóderhez, amibe még elfér?
Ha tudom eleve úgy alakítom ki, egyszerűbb lett volna , mint utólag.
Hízik a májam!! |
|
(#61436) csíkosháTTú válasza GABA TT hozzászólására (#61434)
|
Válasz •
|
Dec 9, 2019 |
|
Az a 328, ami nálam van, abban a szerkocsi kasznija teljesen rajta van az alvázon, gyakorlatilag semmilyen rés nincs köztük. Belül üregesre kellene gyártani, mert akkor oda beférne a dekóder, és előre a dekóder helyére meg a hangszóró. A 424-ben ugyan van üreg, de ketté van osztva egy vastag műgyanta "keresztgerendával", amibe a csavar megy, ami összetartja.
Dekóder méretek, amik szóba jöhetnek:
- ZIMO MX648: 20*11*mm
- ZIMO MX649: 23*9*4mm.
Mondjuk ehhez a modell vezetékezését is át kell alakítani alaposan, de ez a kisebbik gond. |
|
(#61438) csíkosháTTú válasza csíkosháTTú hozzászólására (#61436)
|
Válasz •
|
Dec 9, 2019 |
|
Csak, hogy mindenki tudja, miről beszélünk, két fotó a nálam lévő példányról. |
|
|
|
(#61441) GABA TT válasza csíkosháTTú hozzászólására (#61436)
|
Válasz •
|
Dec 9, 2019 |
|
Ezek a mozdonyban nem férnek el és a helyet sem tudom módosítani. Amit kivitelezhetőnek látok ZIMO MX648 vezetékes dekóder és a hangszóró is a szerkocsiban kapjon helyet, esetleg a kerekek között alul? Szerintem te is ezt építed bele
Részemről biztosan marad az eredeti kivitel, ha valaki hangosat akar az majd meg keres téged. Viszont ki alakítom benne a helyet úgy hogy ezt meg tudd oldani, át faragás nélkül. Kellene egy hangszóró méret is esetleg fotó róla ami beépítésre kerül. |
|
(#61444) csíkosháTTú válasza GABA TT hozzászólására (#61441)
|
Válasz •
|
Dec 10, 2019 |
|
A hangszóró az 11*5mm, vagy 12*8mm. Erre kell valami hangvödör féleséget kialakítani.
Azt én sem gondoltam, hogy a mozdonyba kellene beléhebregálni a dekódert, arra ez a konstrukció nem alkalmas. Legfeljebb a NEM651 csatlakozós minik férnek el, ahogy most is van.
Beleteszem én szívesen, csak nem szeretek marni, a mechanikus munkákhoz lusta vagyok. A 328 szerkocsit viszont nem vállaltam be. |
|
(#61455) csíkosháTTú válasza csíkosháTTú hozzászólására (#61444)
|
Válasz •
|
Dec 10, 2019 |
|
Lüke vagyok!
15*11mm a nagyobbik hangszóró. |
|
(#61459) GABA TT válasza csíkosháTTú hozzászólására (#61455)
|
Válasz •
|
Dec 10, 2019 |
|
Milyen vastagságúak? |
|
(#61460) GABA TT válasza csíkosháTTú hozzászólására (#61455)
|
Válasz •
|
Dec 10, 2019 |
|
Analógban is használható ezzel a dekóderrel és hangja is van?
Van nálam ZIMO dekóder ugyan süket néma, de az tudja az analógot is.
Ezért feltételezem hogy analóg üzemben is lehet hangos, ezzel a dekóderrel ! |
|
(#61461) wesTTcoaster válasza GABA TT hozzászólására (#61460)
|
Válasz •
|
Dec 10, 2019 |
|
Igaz hogy DCC-újonc vagyok, de ha analógban üzemelne, mi kezelné a különböző hangokat? |
|
(#61465) jenicel válasza wesTTcoaster hozzászólására (#61461)
|
Válasz •
|
Dec 11, 2019 |
|
Bár hangdekóder témában én is újonc vagyok, de biztos, hogy vannak hangdekóderek, melyek analógban is üzemelnek.
Ha jól tudom, analógban csak a motorhang működik, és úgy rémlik, hogy minden induláskor/megálláskor motorindítás/motorleállítás hang kerül lejátszásra. Szóval van analógban is hang, de nem az élvezhető kategória. Ha a tudásom megkopott/hiányos, kérek helyreigazítást! |
|
(#61466) GABA TT válasza jenicel hozzászólására (#61465)
|
Válasz •
|
Dec 11, 2019 |
|
Jól hangzik és én is ilyen működésre gondoltam.
Kérdés hogy megfelel e a valóságnak , PVM szabályzóval üzemeltetve.
gőzmozdony hanggal. |
|
(#61469) csíkosháTTú válasza GABA TT hozzászólására (#61460)
|
Válasz •
|
Dec 12, 2019 |
|
Igen, menethangja van, ha engedélyezve van az analóg üzem a dekóderben.
DE!
Mint minden dekóder, ez is útban van analóg üzemben, akár hagyományos trafó, akár PWM. A gond az, és nagyon sok dekódert kellett már javítanom, vagy cserélnem, hogy egy dekóderrel felszerelt modell nem úgy viselkedik analóg pályán, mint egy sima analóg mozdony. Ugyanis a dekódernek kell egy minimális feszültség - ez olyan 5V -, mire a dekóderben lévő processzor felébred, majd egy kis idő, amíg azonosítja, hogy most nem a megszokott, és állandó DCC feszültséget kapja, hanem valami mást. Ezt fel kell ismernie, lefuttatnia az erre beírt protokollt, és majd csak ezután fog megmozdulni. Nem egyből, mint egy dekóder nélküli!
A hibák oka sok esetben az volt, hogy a PIKO FZ1-gyel megtáplált pályán a tekertyű kis elfordítása után nem történt semmi, erre a megszokott rutinnal koppanásig kitekerték a szabályzó gombot, maximális feszültséget adva a pályára. Csak ilyenkor ugye nincs terhelés a trafón, az FZ1 primer részét meg egyébként sem 230V-ra, hanem még 220-ra méretezték, az alumínium tekercselés miatt a trafó minősége sem az igazi, így a koppanásig kitekert állásban a pályán simán lehet az első pillanatban akár 20V is! Na a felébredt dekóder meg ezt a 20V-os lökést adja majd a motornak, ami persze kikéri magának az inzultust, és olyan impulzust rúg visszakézből a dekódernek, hogy a motorvégfok lefüstöl tőle. És jó, ha csak a motor FET-ket kell cserélni.
Analóg üzemben egyébként sem lehet például a mozdony sípot kapcsolni, vagy bármilyen más hangot a menethangon kívül kicsiholni a dekóderből, így csak a csühögés van, mint egy kínai játékvonatnál. Ha meg befut egy vonatbefolyásoló blokk jelző előtti szakaszba, egyből el is hallgat, ha "Megálljt" mutat a jelző.
Száz szónak is egy a vége: a DCC hangdekóderes modelleknek semmi keresnivalója sincs analóg pályán, ők a tudásuknak megfelelően, DCC pályán vannak otthon. Ott is kell használni őket. |
|
(#61473) szucs.laszlo válasza Frankye hozzászólására (#61415)
|
Válasz •
|
Dec 12, 2019 |
|
Sziasztok! Elkészültem az első tervekkel az egyik korábban belinkelt vázlat alapján. A célünk az asztallal alapvetően játék, így nem feltétlenül fontos a valóságnak való bármilyen megfelelés, természetesen a használhatóság figyelembe vételével. Az alapvető problémám a szintezéssel adódott, ugyanis olvasgatva itt a fórumon, belőttem a 4% körüli emelkedést/lejtést, de így nincs mindenhol elég hely függőlegesen a vágány keresztezéseknél. Szívesen vennék bármilyen építő jellegű kritikát a tervvel, elrendezéssel, használhatósággal kapcsolatban, illetve elkelne a segítség a szintezésnél... Köszi előre is! |
|
|
|
(#61474) szucs.laszlo válasza hoTTo hozzászólására (#61408)
|
Válasz •
|
Dec 12, 2019 |
|
Szia hoTTo! Összeszedtem a mozdonyok típusát, mindegyik Tillig gyártmányú, a számuk: 02025, 02582, 02506. Az egyiket már szétszedtem, de gőzöm sincs, hogy hova is lehetne bármilyen dekódert betenni. Arról már nem is beszélek, hogy egyáltalán nem vagyok képben az elérhető típusokból és a digitális lehetőségekkel. Feltettem az előbb képeket a pályaterv első verziójáról, de a digitalizálásról gőzöm sincs. Próbálok informálódni ezzel kapcsolatban, de előre látom, hogy ez nem lesz egy egyszerű menet... |
|
(#61476) etwg válasza szucs.laszlo hozzászólására (#61473)
|
Válasz •
|
Dec 12, 2019 |
|
A 4% is már a szokás felett van, általában <3,5%-l tervezünk. Azt se felejtsd el, hogy TT méretben még a nem villamositott pályán is kb. 6-7 cm szintkülönbség kell a keresztezödéshez ( hid stb). Mert a sinek alá is kell valamilyen hordozo meg esetleg parafa. Az már 1 cm vastagságot jelent. Ehhez 2 m emelkedö pályaszakasz kell. Neked sehol sincs ennyi.
A váltot is csak legrosszabb esetben tesszük az emelkedöbe. A modellkocsiknak nincs fékjük, igy azok csak vizszintes pályán maradnak állva.
Arra is nagyon kell vigyázni, föleg a modern KKK kapcsoloknál, hogy azok többsége elképesztöen megbizhatatlan a vertikális ivekben ( azaz amikor a vizszintböl átmegy a pálya az emelkedöbe/lejtöbe.). Ilyenkor ezek egyszerüen szétkapcsolodnak, és a kocsik legurulnak a pályán. Ha még iv is van az emelkedön akkor kizárt, hogy ujra összekapcsolodjanak. (Sajnos ez az ára végtelenségig firtatott modellhüségnek). Talán csak Kühn KKK tett valamit a szétkapcsolodás ellen, de Tillig által szerelt KKK kapcsolok ilyen házi pályán használhatatlanok. Ilyen pályára régebbi BTTB kapcsolo fényévekkel megbizhatobb. (Tilli Start készleteiben használt).
Bocs a sok pesszimizmusért, de sajnos ezek tények. |
|
(#61477) GABA TT válasza csíkosháTTú hozzászólására (#61469)
|
Válasz •
|
Dec 12, 2019 |
|
Már le is tettem róla, ki söpröm a kosza gondolatokat. Köszi! |
|
(#61478) GABA TT hozzászólása
|
Válasz •
|
Dec 12, 2019 |
|
Méret arányok találkozása. |
|
|
|
(#61479) szucs.laszlo válasza etwg hozzászólására (#61476)
|
Válasz •
|
Dec 12, 2019 |
|
Nem hangzik túl jól amit írsz és mint tudjuk a tények makacs dolgok...  Akkor marad az újratervezés. A szintkülönbség áthidalását meg lehetne oldani egy spirállal egy ekkora asztalon szerinted?? |
|
(#61480) csíkosháTTú válasza szucs.laszlo hozzászólására (#61474)
|
Válasz •
|
Dec 12, 2019 |
|
TT-ben nincs olyan mozdony, amibe ne lehetne dekódert szerelni.
A cikkszámok most nem mondanak nekem semmit, mozdony típusokat tudsz írni?
Pályaterv. Elsőre nekem ez zsúfoltnak tűnik, meg van vele két helyen is komoly bajom. Letöltöm, és megnézem, aztán még írok, de nem biztos, hogy holnap, mert tele leszek műsor felvételekkel a stúdióban.
Basszus! Nem tudom megnyitni Wintrack8-cal...  |
|
(#61482) szucs.laszlo válasza csíkosháTTú hozzászólására (#61480)
|
Válasz •
|
Dec 12, 2019 |
|
A típusok:
V200
BR 38.10
V100
A pályaterv nekem is elég zsúfoltnak tűnik így, csak nem akartam még beilleszteni az alagutakat és a terepet, hogy jobban látszódjon a pálya vonalvezetése. Az emelkedőkkel/lejtőkkel is vannak gondok, ezen már elkezdtem munkálkodni.
Lementettem a tervet a 8-as verzióba, talán meg tudod így nyitni. |
|
|
|
(#61483) wesTTcoaster válasza etwg hozzászólására (#61476)
|
Válasz •
|
Dec 12, 2019 |
|
Ha már úgysem élethű a kapcsoló kinézete, ha a létező KKK kupplungok megbízhatatlanok, van egy másik lehetőség is: a brit Dapol cég készít olyan kupplungokat, ami kinézetre és működésre olyan, mint a MicroTrains N kapcsoló (össze is lehet őket kapcsolni) - ezenfelül ezek a NEM-szabvány zsebbe egszerűen be lehet csúsztatni.
Ezek vertikálisan is megbízhatóak, és mivel mágnessel könnyen szétkapcsolhatóak, kimondottan jók a teherkocsikkal, ha az ember tolatásokat akar végezni.
A képen látható észak-kóreai Szergejemen ilyen kupplung van...
EDIT: azt hozzáadnám még, hogy személykocsival nem próbaltam, nem tudom, hogy nézne ki. |
|
|
|
(#61484) etwg válasza szucs.laszlo hozzászólására (#61479)
|
Válasz •
|
Dec 12, 2019 |
|
Nehezen. Egy 620 mm átméröjü spirál kb 1,9 m hosszu egy kör esetében. Itt éppenhogy csak 7 cm emelkedést tudsz elérni. Neked mindenképpen nagyobb átméröjü spirál kellene. Ahhoz viszont az asztal kicsi. Add be a tervezö programba a max 3,5% emelkedöt talán megmutatja hol kerülsz konfliktusba. A terveden szinte mindenütt csak félkörön probálsz 5-6 cm emelkedést, ehhez neked min 600 mm sugár kellene, az adná ki kb 2 m pályahosszat egy félkörre. (600x3,14). Az asztalod viszont csak 1 m széles, arra nehezen lehet 1,2 átméröjü kört tervezni. |
|
(#61485) etwg válasza wesTTcoaster hozzászólására (#61483)
|
Válasz •
|
Dec 12, 2019 |
|
A TT-be a Kadee 705-s szokták használni. Az jo, csak annak a felfogása nem NEM kompatibilis, azaz nem lehet csak egyszerüen bedugni a jármübe. Annak mozgásra van szüksége a vertikális tengelye körül. Azt viszont a NEM foglalat kizárja.
Ezt brit kuplungot még nem láttam. Utánnanézek. Milyen a tipusszáma? |
|
(#61486) wesTTcoaster válasza etwg hozzászólására (#61485)
|
Válasz •
|
Dec 13, 2019 |
|
Én a Kadee 705-s helyett a MicroTrains N-eset használom, mert az majdnem méretarányos a TT-hez - a 705-s túl nagy. (De lehet használni nyugodtan a kettőt együtt)
Dapol: Bővebben: Link |
|
(#61487) csíkosháTTú válasza szucs.laszlo hozzászólására (#61482)
|
Válasz •
|
Dec 13, 2019 |
|
Szia!
Ezekbe simán belemegy egy rendes dekoder. Pl. a ZIMO.
A tervet nem tudom megnyitni, leáll tőle a programom valamiért. A bajom ott van vele, ahogy a 3D képen is látszik, ott, ahol az emelt szinten futnak a vágányok, párhuzamosan az alsó szinttel, nincs hely a terep kialakítására. 95-100°-os, kifelé dőlő támfal meg nem csak nem élethű, de kifejezetten bután is néz ki. Nem hagytál helyet a két vágány között. A spirált felejtsd el, arra nincs helyed. |
|
(#61488) etwg válasza wesTTcoaster hozzászólására (#61486)
|
Válasz •
|
Dec 13, 2019 |
|
A baj a Kadee/MicroTrains kuplunggal a TT méretben is az, hogy teljesen más a müködési elve, mint az europai modelleké (NEM szabvány). Igy a modellekben komoly átalakitást kell eszközölni, amihez sajnos nincs többnyire hely. A Dapol leegyszerüsitette az elvet (kompromisszum), és legalább megoldotta foglalat kompatibilitást. Ezzel elvesztett egy jo tulajdonságot az eredeti elvböl. (Elöszétkapcsolás, delayed uncoupling, vorentkupplung).
Ehhez jön egy további gond, hogy ez a fajta kuplung soha nem volt ilyen kis ivekre tervezve és igazábol csak akkor müködik optimálisan, ha jármü fökeretére van szerelve, azaz nem az alvázra a és nem a jelenleg divatos KK mechanizmusra (Az ivet követö karra). Mindenhol a modulosok nyertek ezekkel a konstrukciokkal (ahol nagy ivek vannak és alig van emelkedö), mig a házi terepasztalokon valamennyi jelenlegi kuplung és feljesztési tendencia csak gondot okoz. |
|
(#61490) KJLTT-1 hozzászólása
|
Válasz •
|
Dec 13, 2019 |
|
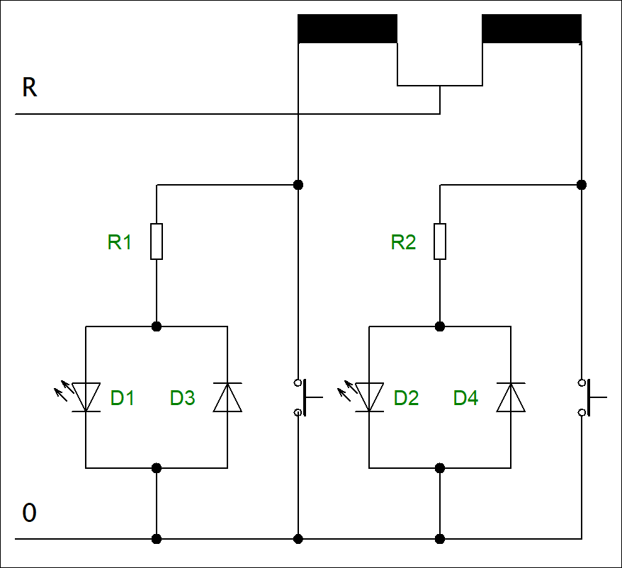
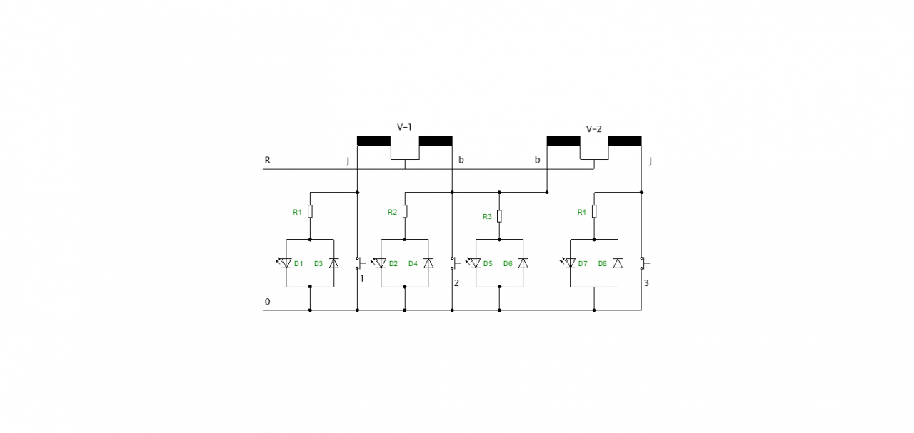
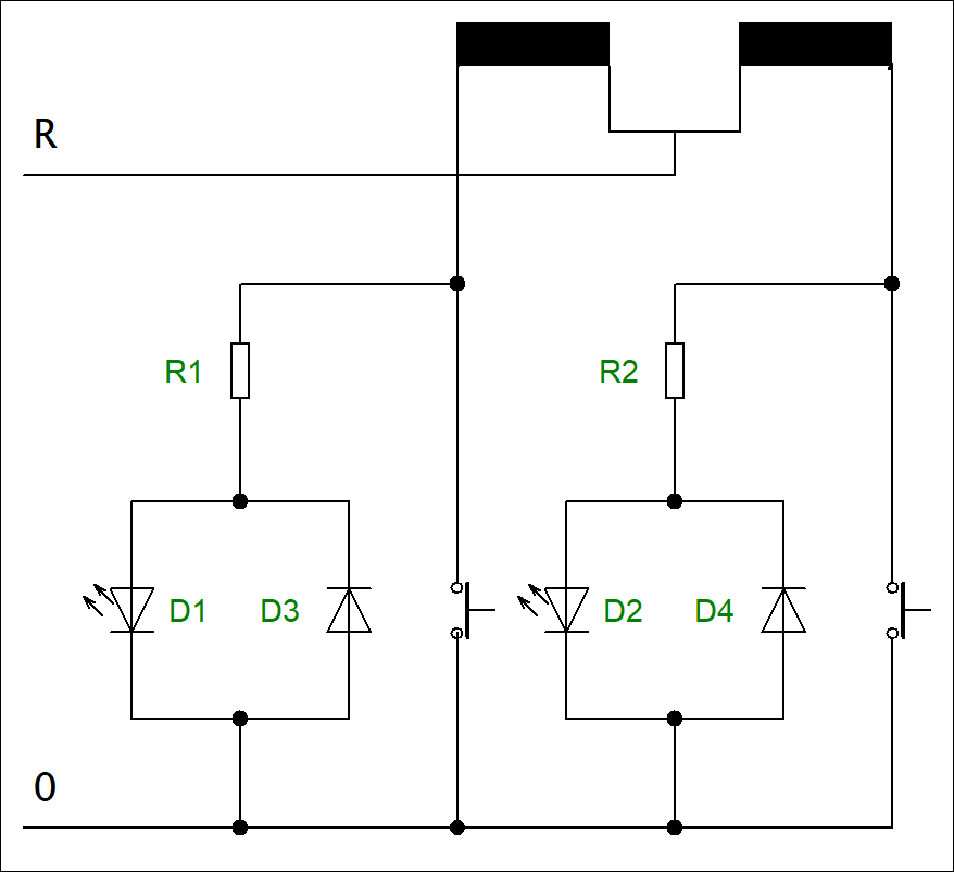
Kihasználva a modellezésre ideális időt, kitérő visszajelzéseket készítek az asztalomon. A Ti 83531 és Ti 83532 elektromos állítóműveket használok a rejtett pályaszakaszon. A kitérők analóg üzemű asztalon üzemelnek, a bekötések klasszikusak, a FZ1 trafó vonat egyik pólusa közösítve a tartozék egyik pólusával (R, Z= 0).
- A Váltó 1 kép egy kitérő bekötését,
- a Váltó 2 kép két kitérő bekötését,
-a Váltó 3 három kitérő bekötését ábrázolja.
A Váltó 1 alapvetően egyszerűnek tűnik.
A Váltó 2 két kitérő szembekötve a V-1 bal ága a V-2 bal ágával együtt kapcsol. Az a kérdés, hogy fogom-e látni a V-2 bal állását, ha a V-1 kapcsol jobb állásba?
A Váltó 3 képen V-1 bal ága együtt kapcsol a V-2 jobb ágával - 2 kapcsoló -, a kitérő V-3 bal ága együtt kapcsol V-2 kitérő bal ágával - 3 kapcsoló. Az igazi kérdés, hogy fogom-e látni a V-2 bal állását, ha a V-3 kapcsol jobb állásba, vagy fogom-e látni a V-2 jobb állását, ha a V-1 kapcsol jobb állásba?
A beépítés után a kitérők megfelelően üzemelnek. A kérdés az, hogy a visszajelzésre kialakított áramkörök megfelelőek-e?
Próbapadon egy kitérő esetén rendben történik a visszajelzés. Remélem meg tudjátok nyitni az Exel file-t.Ebben rajzoltam.
Az Excel fájlok - felhasználói kérésre - lecserélve. |
|
|
|
(#61491) etwg válasza KJLTT-1 hozzászólására (#61490)
|
Válasz •
|
Dec 13, 2019 |
|
Azért már néhány évtizede feltalálták a kapcsolási rajzok szimbolumait amiknek nem sok köze van az excelhez. Illene azokat használni, mint ujra feltalálni a kereket. |
|
(#61492) KJLTT-1 hozzászólása
|
Válasz •
|
Dec 13, 2019 |
|
Köszönöm a hozzászólást.
Bár nem ez volt a kérdésem. Egyébként melyik elektronika elem szimbóluma a rossz????
- LED?
- ellenállás?
- dióda?
- kapcsoló?
- tekercs?
- forrasztási pont?
- váltó feszültség hullámgörbéje?
Én 1972-ben végeztem a technikumot elektroműszerész szakon, akkor még ilyen rajzjeleket tanultam. Az igaz az elmúlt 47 évben egy percig sem foglalkoztam elektronikával, csak most a modellezés miatt rajzolgattam. Ezért is kértem segítséget mert bizonytalan voltam.
Az EXEL-t azért használom mert amatőr számítógép kezelő vagyok és nincs szükségem elektronikai tervező programra.
Ha valami nem érthető lehet kérdezni.
Aki a rajzjeleimen kívül más észrevételeket is tenne megköszönném. |
|
(#61494) etwg válasza KJLTT-1 hozzászólására (#61492)
|
Válasz •
|
Dec 13, 2019 |
|
Az excel ( ráadásul nem is ingyenes) a rossz, és a rajzolási stilus. ( az excel egy számolo progi és nem rajzolasra valo). |
|
(#61495) csíkosháTTú válasza KJLTT-1 hozzászólására (#61490)
|
Válasz •
|
Dec 13, 2019 |
|
Ki tudnám nyitni, de nem ezt. Nekem mér a régi Office van a gépemen, előbb ezt konvertálni kellene... |
|
(#61496) KJLTT-1 válasza etwg hozzászólására (#61494)
|
Válasz •
|
Dec 13, 2019 |
|
Az számítógépemen lévő MS Exel jogtiszta, tudom, hogy táblázatokra számolásra való. Köszönöm a kioktatást. Ha nem nem tudsz, vagy nem akarsz a feltett kérdésemre válaszolni ne is szólj semmit. Probálj meg elszakadni az EXEL rajzomtól.
Én mindennap megnézem ezt a fórumot, általában el is olvasom a friss bejegyzéseket, de soha senkit nem égettem olyan hozzászólásokkal ami számomra egyértelmű, vagy jobban ismerek mint a bejegyzést írónak.
Alighanem eljött az ideje, hogy elköszönjek a fórum minden tagjától, további jó fórumozást. |
|
(#61497) csíkosháTTú válasza KJLTT-1 hozzászólására (#61496)
|
Válasz •
|
Dec 13, 2019 |
|
Te tudod...
Egyébként sikerült a Libre Office-szal megnyitnom. Hát, látszik, hogy az Excel nem éppen erre a feladatra született. Dekódolni kellett azért egy-két dolgot, nagyon rá kellett hunyorítanom a védő diódára, például.
Működni fog a kapcsolás, de a LED-ek áramát ma már inkább 10mA-re kell számolni, a 20 az a maximum, amit elviselnek a mai darabok. Az előtét ellenállásokat nyugodtan veheted legalább a duplájára.
Korábban azt írtad, hogy nincs szükséged elektronikai tervező, vagy rajzoló programokra. De igen, a mellékelt ábra szerint. Vagy inkább továbbra is vért izzadsz, hogy az Excelbe be tudja szuszakolni a diódát, aminek a rajz alapján - ha nem tudod egyébként - nem egyértelmű , hogy merre áll a katódja?
Persze, ha nem olvasod már a fórumot, akkor ezt feleslegesen írtam. Megszívlelni sem kell, megsértődni meg lehet egy semmiségen...
Ja, még valami!
Idézet: „... akkor még ilyen rajzjeleket tanultam.”
Biztos, hogy nem. A szakrajz tanárom ezekre a dióda ábrázolásokra szép nagy 1-ket adott volna...  |
|
(#61498) Lazsi válasza KJLTT-1 hozzászólására (#61496)
|
Válasz •
|
Dec 13, 2019 |
|
A LED-el párhuzamosan kapcsolt dióda miatt a LED sosem fog világítani! A dióda 0.7 V körül már kinyit, a LED-nek meg (színtől függően) vagy 3x ennyi kellene. Ha védelemnek szántad, akkor szembe kell kapcsolni őket.
(Engem már az is dühíteni szokott, ha valaki Excell-t használ szöveges tartalmak táblázatos ábrázolására, mert nem arra való! Arra sokkal jobb a Word-nek a táblázata... De akár pl. a Paint sokkal alkalmasabb rajzok készítésére...) |
|
(#61499) KJLTT-1 válasza csíkosháTTú hozzászólására (#61497)
|
Válasz •
|
Dec 13, 2019 |
|
Köszönöm a reagálást. Sajnos a védődiódákat fordítva rajzoltam. 
Az előtét ellenállásokat azért 1,5k-ra méreteztem mert a LED (L-934YC) adatlapján (LOMEX) a LED árama 20mA a nyitó feszültség 2,5 V. Az Ohm törvény alkalmazva az ellenállás nagysága - 19-2,5 V osztva 20mA - 825 Ohm. De lehet még növelni fogom.
Nem sértődtem meg, és csak pillanatra köszöntem el.
Szeretném ha itt a fórumon felmerült kérdések és az arra adott válaszok mindenki számára hasznosak legyenek.
Ennek jegyében átrajzolom a rajzaimat egy megfelelő programmal. Ebben segítsetek milyen rajzprogramot kellene használnom.  |
|
(#61500) etwg válasza KJLTT-1 hozzászólására (#61496)
|
Válasz •
|
Dec 13, 2019 |
|
Ha tied jogtiszta az még nem jelenti azt, hogy másnak is van ilyen programja. Ráadásul az elektronikus rajzolo programok egy része ingyenes és mindenki azt használja. Képet meg jobb ha jpg van png formátumben teszel ide be. Nem fogunk nagyon büvészkedni az excellel. |
|
(#61501) etwg válasza KJLTT-1 hozzászólására (#61499)
|
Válasz •
|
Dec 13, 2019 |
|
Idézet: „Szeretném ha itt a fórumon felmerült kérdések és az arra adott válaszok mindenki számára hasznosak legyenek”
Ehhez az elsö feltétel, hogy a rajzokat meg az informáciokat közérthetöen rakod be s nem egy nyaktörö védett formátumban amivel a többség nem tud meg nem is akar valamit kezdeni. Nekem is megjelent egy bélyegméretü képen. Gondolod, hogy azzal lehet valamit kezdeni?
|
|
(#61507) KJLTT-1 hozzászólása
|
Válasz •
|
Dec 14, 2019 |
|
Szép jó reggelt!
Megfogadtam a kritikai észrevételek és újra megrajzoltam egy rajzprogrammal a 61490 hozászolásomban lévő rajzokat. A technikai adatokat nem írnám le még egyszer, csak a kérdéseimet.
A Váltó 2 két kitérő szembekötve a V-1 bal ága a V-2 bal ágával együtt kapcsol. Az a kérdés, hogy fogom-e látni a V-2 bal állását, ha a V-1 kapcsol jobb állásba? Nem fogja befolyásolni egymást a két kitérő tekercsei egymást?
A Váltó 3 képen V-1 bal ága együtt kapcsol a V-2 jobb ágával - 2 kapcsoló -, a kitérő V-3 bal ága együtt kapcsol V-2 kitérő bal ágával - 3 kapcsoló. Az igazi kérdés, hogy fogom-e látni a V-2 bal állását, ha a V-3 kapcsol jobb állásba, vagy fogom-e látni a V-2 jobb állását, ha a V-1 kapcsol jobb állásba? Nem fogja befolyásolni egymást a kettő (három )kitérő tekercsei egymást?
|
|
|
|
(#61509) etwg válasza KJLTT-1 hozzászólására (#61507)
|
Válasz •
|
Dec 14, 2019 |
|
Na igy már rendben van a dolog.
1. A kapcsolásod csak akkor müködik, ha a váltomotorban van végálláskapcsolo.
2. Ha azokat a kapcsolokat is berajzolod az áramkörbe egyböl kiderül, hogy igy nem lehet a második válto állását kijelezni, mert ha az elsö bekapcsolja a D2 LEDet a D5 is azonnal világitani fog függetlenül a V2 állásátol és igy tovább. Azaz azokat az állásokat amiket egyszerre vesz fel több válto csak egy LED áramkörrel lehet kijelezni (azaz D2 és D5 felesleges)
A képen jeleztem azokat a pontokat ahol a LEDek párhuzamosan vannak kötve azaz nem világithatnak függetlenül. |
|
|
|
(#61510) KJLTT-1 válasza etwg hozzászólására (#61509)
|
Válasz •
|
Dec 14, 2019 |
|
Köszönöm a válaszodat. Érthető, nekem is volt egy sanda érzésem, hogy nem fognak működni így. A váltó állító belső kapcsolását csak ha szétszedem esetleg megpróbálhatom lerajzolni. A Válóállítók Tillig Ti 83531 és Ti 83532 típusúak. Nem tudom van-e végálláskapcsoló.
|
|
(#61511) etwg válasza KJLTT-1 hozzászólására (#61510)
|
Válasz •
|
Dec 14, 2019 |
|
Nem kell ahhoz semmit szétszedni. A tekercsek másik vége ( ami nincs kivezetve) szintén egy átkapcsolo két kimenetére mennek a kapcsolo közös pontja meg a tápra. Azaz ha a válto átkapcsol az a tekercs ami ezt tette lekapcsolodik alul a táprol (kikapcsolja magát és bekapcsolja a másikat) és a másik tekercs kapcsolodik fel. Azaz ezután csak visszaváltani lehet.
Ha nincs benne végálláskapcsolo azt meg egy ohmméterel ki lehet mérni mert egyszerre csak egy tekercsen folyhat áram. |
|
(#61525) Gitter55 hozzászólása
|
Válasz •
|
Dec 15, 2019 |
|
Nem tudom jó helyre írok-e! Tillig 13004, 13008,13475 vagonoknál hogy lehet a belső világítást megoldani. Úgy néztem a kerekeknél van fém fegyverzet, de nam tudom hogyan lehetne a belső térbe eljuttatni az áramot. Ha valakinek van tapasztalata, vagy ötlete szívesen fogadnám és megköszönném az információt! |
|
| |
2026. Márc, 25. Sze 14:19:35 |
| |
Jelenleg 6 fő olvassa az oldalt |
|
|