|
|
|
Terepasztal vezérlés és elektronika
|
Témaindító: nzozz, idő: Júl 14, 2010
Témakörök:
|
|
|
(#33687) diginewl válasza zsolesz74 hozzászólására (#33684)
|
Válasz •
|
Máj 24, 2014 |
|
Ok, köszönöm!
Dekóder azért van a mozdonyokban, mert digiztem őket már, így adott ez a lehetőség, vele együtt az összes jó dolog: a biztos elindulás, lassú sebesség és a szép gyorsítás is mindjárt megvolt, még analógban is.
Átmegyek a terepépítés topikba, hogy mit ajánlotok terepnek, valamint milyen mozdonyok lennének jók. (nem túl nagy a választékom, de megnézzük valami stimmeljen valamennyire).
|
|
(#33689) zsolesz74 válasza diginewl hozzászólására (#33687)
|
Válasz •
|
Máj 24, 2014 |
|
Én oda mindenképpen javaslom a hungarocellt.
- Faragni jó egy régi pilllanat páka vékony cekásszal.
- A festéséhez elegendő akrilfesték. Azokból van kis kiszerelésű is, tehát elegendő. Könnyű vele dolgozni.
Utána a szórás sem igazán nagy mutatvány és szépen el is készülsz vele! |
|
(#33696) etwg válasza diginewl hozzászólására (#33687)
|
Válasz •
|
Máj 24, 2014 |
|
Az ilyen tipusu terepasztalra inkább szerezz be két motorvonatot, az jobban illik mint egy mozdonyos szerelvény. |
|
(#33700) BR95 válasza etwg hozzászólására (#33696)
|
Válasz •
|
Máj 24, 2014 |
|
Szerintem egy BR110 E5 vezérlővel váltásnak a motorvonat mellé pont jó lenne. Vagy V36 valamilyen Donnerbüchsen vezérlővel, meg egy betétkocsival... |
|
(#33702) diginewl válasza etwg hozzászólására (#33696)
|
Válasz •
|
Máj 24, 2014 |
|
"Drágáim" 
Amim van, azt használom. Ez van.
VT135 fog menni -ezek szerint ez jó választás volt - (ami itt is látható), meg gőzös, valami rövid, korban kb. passzoló vagonnal. Majd leírom a másik topikban mim van. Új beszerzésre nincs lehetőségem. |
|
(#33703) etwg válasza diginewl hozzászólására (#33702)
|
Válasz •
|
Máj 24, 2014 |
|
Akkor elég felesleges volt kérdezned.....
A gözös nem igen illik, de ha más nincs ..... |
|
(#33704) diginewl válasza etwg hozzászólására (#33703)
|
Válasz •
|
Máj 24, 2014 |
|
Üdv!
De illik! Ide átlagemberek jönnek be, nem modellező szakkör! Ezért is nehéz ezt valahogy csinálni! Ma is 5-en indították el, és mindegyiknek a gőzös tetszett. Szépen lassan megy, így látható ahogy forog/mozog rajta a sok kis rudazat.
Vezérlés:
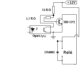
Nekem a legnagyobb gondot az infrakapuk ki/be kapcsolása jelentette. Itt még érzek némi "bug"-ot.
Van olyan kapu aki csak akkor lehet aktív, ha már visszafelé megy a vonat. Először próbáltam simán a sínről "megtápolni" (azaz akkor kap 12V-ot amikor abban a sínszálban nem 0 hanem a polaritás váltás miatt 12V van), de akkor is valamit áteresztett a kapcsolás "szivárgott" és relét húzott, vagy váltót állított.
Kapcsolás itt Bővebben: Link
Tehát akkor is működött, amikor elméletileg nem is kapott 12v-os be tápot, mert azt a sínből kapta volna - nem értettem.
Ezért döntöttem úgy, hogy ezeknek az opto-kapuknak a BD139 emitterének a nulláját kapcsolgattam egy relével, hogy ne tudja lehúzni nullára a "dolgot", a 12v-ot meg kapják folyamatosan (a fototranzisztor nullája folyamatosan működik, mert az máshova csatlakozik - a led-del közösen jön az áramkörhöz).
Így most egész megbízhatóan működik...  csak nem értem miért, nem volt jó az első ötlet. (az egyszerűbb volt). Ezért írtam, hogy át kellet szabnom a vezérlést.
|
|
(#33706) etwg válasza diginewl hozzászólására (#33704)
|
Válasz •
|
Máj 24, 2014 |
|
Egy kicsit nehéz követni a gondolataidat, de megprobálom.
A GND feltételezem valamilyen közös polus, amihez képest a sinben +12V van vagy 0V.
Ha igy van akkor néhány aproságot javitani kellene. A 12V polusból egy diodán kellene bevezetned az áramot a relére meg a 12k ellenállásra.
A 12k meg a 2k1-s ellenállás közös pontjára meg köss egy 1-2 uF kondit, a másik végét meg a GND-re.
Ennek a két dolognak szürnie kellene a zavarokst, azaz, ha megfirdul s polaritás a relé biztosan nem fog meghuzni.
|
|
(#33707) zsolesz74 válasza diginewl hozzászólására (#33704)
|
Válasz •
|
Máj 24, 2014 |
|
Lehet, hogy rosszul értem, de arról szó sem volt, hogy a sínből akarod megtáplálni.
Főleg, hogy a polaritást nem is szabad változtatni ebben a kapcsolásban! |
|
(#33709) csíkosháTTú válasza diginewl hozzászólására (#33687)
|
Válasz •
|
Máj 24, 2014 |
|
Átmegyek a terepépítés topikba, hogy mit ajánlotok terepnek,...
Nézz be a Z topicba, ismertetem a lehetséges megoldást a terepezésre, és nem is kell farigcsálni a hungarocellt, meg elviselni a szagát, ha valamilyen "meleg eljárással" faragod. |
|
(#33724) diginewl válasza zsolesz74 hozzászólására (#33707)
|
Válasz •
|
Máj 25, 2014 |
|
Ha én mindent leírnék, hogy mit szeretnék, azonnal közölnétek, hogy NYET.
Eredetileg úgy terveztem, hogy a betáp 12V-nál is van egy dióda, meg a BD tranzisztornál is egy. Így nem mennek mindenfelé az áramok. Ezenkívül be lett még hozva egy polaritás fordító elektronika is a conrad motorhoz (ellenállás tranzisztor dióda, amit a váltódekóderekre tesznek).
No ez így nem ment.
Most az van, hogy a BD tranisztor földjét szakítom meg relével irányfüggően (Trainmodules ingavonat vezérlőjében van egy ilyen relé is), a BD tr kimenetére pedig most is megy egy dióda.
A conrad motor pedig kettő monostabil relén keresztül van mozgatva.
Holnap rajzolok egyet, hogy érthető legyen, hogy is megy most egy ilyen fénykapu+reléhúzás nálam.
Most pá, mert gyereknap volt, és 3szoroasn voltunk fárasztva  a nejemmel. |
|
(#33726) zsolesz74 válasza csíkosháTTú hozzászólására (#33709)
|
Válasz •
|
Máj 25, 2014 |
|
|
|
(#33733) proba válasza diginewl hozzászólására (#33704)
|
Válasz •
|
Máj 26, 2014 |
|
Lehet a fordított tápot nem szerette, egy dióda nem ártana a tápjába sem, ha a sínből táplálod.( a tranzisztorok BE diódája általában 6-8V között átüt fordított polaritásnál. |
|
(#33738) diginewl válasza proba hozzászólására (#33733)
|
Válasz •
|
Máj 26, 2014 |
|
Fent a VOLT, azaz így próbáltam először.
Jól látszik, hogy a fotoTR által vezérelt tranzisztor be tápja is diódázva (ez volt a sínre kötve, ahol GND, vagy 12V volt), és a lehúzó föld kimenete is diódázva van.
Utána jött ez a conrad váltóállítóhoz a kapcsolás.
Szerintem így együtt a kettő nem fért meg egymás mellett. Ilyen 5-6 voltokat itt-ott mindig mértem.
******
ALUL látható ami van, és működik.
A fotoTR által vezérelt tranzisztor be tápja fix 12v-ot kap.
A vezérelt tranzisztor emittere reléről (irányfüggően) kap földet, vagy semmit. Ettől függetlenül tettem a kollekorra is egy diódát.
Ez megy a relékhez, amik a szakaszokat kapcsolgatják, meg a conrad váltóállító dupla reléihez.
A pólusfordítást két monostabil relével oldottam meg. Amíg az egyik húz, addig a másik ne is tudjon bekapcsolni.
Kéremszépen így működik.
II-ik (sokadik) nekifutásra
|
|
|
|
(#33740) zsolesz74 válasza diginewl hozzászólására (#33738)
|
Válasz •
|
Máj 26, 2014 |
|
Én semmi mást nem tettem volna a helyedbe, csak lekötöm egy fix tápra az egész kapcsolást. Függetlenül a síntől és annak feszültségétől.
Egy stabil 5V-ot már 4 alkatrészből lehet csinálni és nincs ez a szívás vele.
Ezért mondtam, hogy erről nem volt szó, mert akkor már az elején mondom neked.
De végül megoldottad. |
|
(#33764) Luciferike hozzászólása
|
Válasz •
|
Máj 27, 2014 |
|
Sziasztok!
Építettem egy spirál rámpát ami 1 és 1/4 fordulattal megy fel 220 mm magasra egy R353 és egy R396 sín párral! Ezt érdemes több helyen megtáplálni vagy elég az elején és a végén?
|
|
(#33766) etwg válasza Luciferike hozzászólására (#33764)
|
Válasz •
|
Máj 27, 2014 |
|
Ez egy kicsit gyanus, 2,7 méteren emelkedsz 22 cm-t?
( ez majdnem 8 cm méterenként!)
|
|
(#33768) Luciferike hozzászólása
|
Válasz •
|
Máj 27, 2014 |
|
Azt olvastam, hogy 6-7 cm méterenként az jó emelkedésnek. Mondjuk állítható a magasság csavarral és van még ívem is így tudok még bele toldani ha nem jó. |
|
(#33769) etwg válasza Luciferike hozzászólására (#33768)
|
Válasz •
|
Máj 27, 2014 |
|
Csak nem a kedvenc bulvár lapban foglalkoztak ilyesmivel. 
Mert sajnos ez komoly tévedés.
Ivben ( a spirál nagyon az ) nem igen lehet 3-4cm/m fölé menni. Egyenesben még elmegy a 4-5cm/m. |
|
(#33771) Luciferike válasza etwg hozzászólására (#33769)
|
Válasz •
|
Máj 27, 2014 |
|
Akkor teszek bele még egy egész fordulót.
Nem tudom már hol olvastam, böngészgetek minden fele. |
|
(#33779) diginewl válasza Luciferike hozzászólására (#33771)
|
Válasz •
|
Máj 28, 2014 |
|
Bár nem ehhez a topikhoz tartozik, de belegondoltál mit írtál?
Idézet: „Akkor teszek bele még egy egész fordulót.”
Hogyan?  Nehéz, mert el kell férnie egymás alatt/felett a síneknek+mozdonyoknak+tartószerkezetnek! Nem tudják magukat összehúzni  Csak nagyon "kicentizve" vékony alépítménnyel tudsz 8cm sínkorona magasság alá menni. Megoldható, de nehéz.
További megoldás ha nagyobb ívsugárral dolgozol, de az több helyet igényel...
Egyébként az index fórumon többször előjön ez a százalékos kérdés... Ott megtalálod.
|
|
(#33782) HarciSün hozzászólása
|
Válasz •
|
Máj 28, 2014 |
|
Lassacskán a teljes vezérlés a pultról történik. A vezetékek elhelyezése és bekötözgetése nem túl látványos munka de szükségszerű...
Egy visszatérő hiba viszont nem hagy nyugodni:
egy-két conrad-os állítóműnél azt tapasztaltam, hogy néha egyszerűen "beragad" a mechanika. A végálláskapcsolók ki vannak iktatva, a motor direktben megkapja a megfelelő polaritású feszültséget (a saját védőellenállásán át), áramfelvétel is van (0.25A) de mégsem mozdul. Nem a váltóknál vagy a vonóvezetékeknél van a hiba, hanem maga az állítómű nem hajlandó megmozdulni. Ha rákoppintok a tetejére egyből vált...
Én anno levettem a feszültséget 8V-ra hogy ne olyan "vadul" csattanjanak a váltók - elképzelhető, hogy ez már kevés neki és ettől van, hogy néha nem mozdul meg? Emeljem meg a feszültséget? Meddig? |
|
(#33787) etwg válasza diginewl hozzászólására (#33779)
|
Válasz •
|
Máj 28, 2014 |
|
Ha TT-ben dolgozik, akkor a 310-es ivvel éppen kijön az ürszelvénymagasság (vékony felépitménnyel).
A felsövezetékes magasság 48 mm, anélkül 43 mm, azaz marad 1-1,5 cm a felépitményre 3cm/m emelkedésnél. |
|
(#33793) Luciferike válasza diginewl hozzászólására (#33779)
|
Válasz •
|
Máj 28, 2014 |
|
A felépítményem az farost lemezből, parafából és 1,5mm savállólemezből van M8-as menetes száron nyugszik. Új Tillig I profilú sínnel rajta. |
|
(#33794) etwg válasza Luciferike hozzászólására (#33793)
|
Válasz •
|
Máj 28, 2014 |
|
Nem az a gond, hanem az, hogy a sin magassága beleértve a talpfát+a horodzolemez+parafa +stb. hozzáadodik az ürszelvény magasságához, amit kötönként le kell gyöznöd. Azaz TT-ben ez 48+10mm (farost)+4 mm(sin) +4mm(parafa) összesen 66 mm tesz ki. Ennyit kell legalább emelkedned körönként. Ebböl jön ki, hogy a 310mm ive, körönként 2m hosszú, azaz 3,3cm/m emelkedésnél ez 66 mm/kör.
|
|
(#33796) Luciferike válasza etwg hozzászólására (#33794)
|
Válasz •
|
Máj 28, 2014 |
|
Nem R 310-es sín lesz rajta hanem R 353 és R396-os lesz majd rajta.
A farost lemez 4 mm, a tartó lemez ami alatta van az 1,5 mm, a parafa az 2 mm vastag.
Így ez összesen 8 mm + 4 mm sín + 48 mm felső vezetékes magasság = 60 mm.
Ennyi kell körönként minimum az én esetembe. |
|
(#33797) etwg válasza Luciferike hozzászólására (#33796)
|
Válasz •
|
Máj 28, 2014 |
|
Tudom, a kisebb iv hossza körönként 2,2 m, 3 cm/m emelkedéssel ez 6,6 cm különbséget ad. Ha felsövezetéket is tervezel, akkor ez kevés lehet, mégha sint használsz felsövezetéknek akkor is kell a felfüggesztésre meg a sinre 4 további mm.
|
|
(#33798) etwg válasza HarciSün hozzászólására (#33782)
|
Válasz •
|
Máj 28, 2014 |
|
Ez sajnos a Conrad konstrukcio alaphibája. Rossz motor, még rosszabb áttétel, nagyon rossz müanyag csapágyazás, ami egyáltalan nem merev, azaz a durva fogaskerék könnyen beszorul, amin legfeljebb az abrakadabra varázsszo segit...... |
|
(#33800) HarciSün válasza etwg hozzászólására (#33798)
|
Válasz •
|
Máj 29, 2014 |
|
Hát, nem egy atombiztos konstrukció az biztos...
Most annyit megtettem, hogy stabil 12V-ról kezdtem hajtani. Így akadás nem volt, de az egyik rosszalkodó állítómű az egyik végállásban nem megáll hanem ugrálva "darál" - úgyhogy az mindenképp cserés lesz.
Az is eszembe jutott, hogy lehet, hogy egy ilyen motorral jobban járnék? Ugyan úgy egyenáram, méretileg sem sokkal nagyobb, van emelő kivezetése, olcsó...? |
|
(#33801) etwg válasza HarciSün hozzászólására (#33800)
|
Válasz •
|
Máj 29, 2014 |
|
Ezért mellözöm már egy ideje és olcso szervokat használok. Még a legocskább is svájci orának tünik a Conrad konstrukcio mellett.
|
|
(#33802) HarciSün válasza etwg hozzászólására (#33801)
|
Válasz •
|
Máj 29, 2014 |
|
És azok a szervók egyenáramúak vagy léptetőmotorok? Tudsz ilyen szervót mutatni? |
|
(#33803) etwg válasza HarciSün hozzászólására (#33802)
|
Válasz •
|
Máj 29, 2014 |
|
A legolcsobbak egyenáramuak egy halom fogaskerékkel ( nagyságrenddel finomabbak mint a Conrad müben).
A képen a legkisebb egy TTe méretü válto alatt.
Itt van néhány ötlet a szerelésre meg a meghajtásra. Neked ki kell szerelni belöle az elektronikát ( 4 forrasztási pont) igy kompatibilis lesz a Conrad meghajtóval.
Szervo
Az oldal közepe felé van több cikk. |
|
|
|
(#33804) HarciSün válasza etwg hozzászólására (#33803)
|
Válasz •
|
Máj 29, 2014 |
|
És a kitérés mértékét hogyan határozod meg vele? Egyszerűen elakad?
Ha jól látom a képet itt simán a tengelyen lévő nyelv oldalra mozgása egyből egy fémszállal a váltóhoz van kötve.
Honnan lehet ezeket beszerezni? |
|
(#33805) etwg válasza HarciSün hozzászólására (#33804)
|
Válasz •
|
Máj 29, 2014 |
|
Sok modellboltban kaphato kb 5 € (1500Ft) alatt ( ami kb. 20-30% kevesebb mint a Conrad).
Nagyobb mennyiségben külföldröl pl. a HobbyKing europai raktáraibol vámmentesen 2 € darabja + posta. Ha még ettöl is olcsobban vennéd, akkor Kinábol postaköltséggel együtt 1,6 € a darabja (a minap vettem félszáz darabot minden gond nélkül).
Ha jol tudom a vámhatár 27 € a shengeni övezetbe ( ez pontosan 50 szervo Kinából - tudnak számolni  ).
|
|
(#33806) HarciSün válasza etwg hozzászólására (#33805)
|
Válasz •
|
Máj 29, 2014 |
|
Párszáz ft már nem számít - nekem összesen 15db váltóm van az "asztalon" így az nem mennyiség. Sokkal inkább a működése érdekel.
pl EZT találtam. De itt 3 vezeték van, akkor ez már léptetőmotor?
Nekem egyszerű analóg kellene, mert ugye a H hidak úgyis megoldják a polaritás forgatást. |
|
(#33807) etwg válasza HarciSün hozzászólására (#33804)
|
Válasz •
|
Máj 29, 2014 |
|
Ha megnézed a kapcsolást ezek a szervok is " majdnem" impulzus vezérléssel mennek, azaz az áram csak 1-2 sec -ig folyik. A szervo sokkal lassubb igy könnyü beállitani. Ezután árammentes és ottmarad ahova fordult. A kar hosszával szabályozhatot a mozgás hosszát ( közel a tengelyhez kisebb). Egy rugalmas drottal viszed át a mozgást a váltora. ( lásd a cikkek rajzait).
Ráadásul 2-3 V elég a mozgatásra, ha ellenállást kötsz sorba, akkor beállithatod a rövidzár áramot is. |
|
(#33808) HarciSün válasza etwg hozzászólására (#33807)
|
Válasz •
|
Máj 29, 2014 |
|
Akkor tehát ha veszek 2 vezetékes analóg szervót akkor azt simán ráköthetem a H hídjaim egyik kimenetére (aminek a bemenetén a diódás vágányút gombok vannak), és a polaritás forgatásával tudom megfelelő irányba forgatni, ugyan úgy, mint a conrad-os állítóművel.
Ha az egész elé teszek egy Tőled kapott multifuse biztosítékot párhuzamosan leddel-ellenállással akkor azt is látom amikor végállásban elakadt a szervo motor tehát megtörtént az átváltás. (tehát "engedd el a gombot - átváltottam" jelzés)
Ha jól látom a motor nagyobbik része besüllyeszthető az asztalba így felülről szerelhető (kiszerelhető) marad de mégsem foglal akkora helyet...
Jól filózom? |
|
(#33809) etwg válasza HarciSün hozzászólására (#33808)
|
Válasz •
|
Máj 29, 2014 |
|
2 kivezetéses szervot nem kapsz, de kb. 3 perc alatt ilyenné teheted. Ha diodákat belül rakod el, akkor ugyanaz lesz mint a Conrad. Igen köthetsz sorba polyfuset, vagy izzot vagy csak egy sima ellenállást védve a motort.
Én ezeknél a kis váltoknál süllyesztem a szervot, de lesz olyan hely, ahol a vágányzat mellett a bakterházban lesznek és innen mennek a rudak a váltokhoz. |
|
(#33810) HarciSün válasza etwg hozzászólására (#33809)
|
Válasz •
|
Máj 29, 2014 |
|
Tehát, fogok olcsó szervót, kiszedem a teljes elektronikát (ami négyszögjellel vezérelne), marad csak a motor a maga 2 kivezetésével. Így kaptam egy polaritástól függően egyik vagy másik irányba a végtelenségig forgó "szervót" azaz motort. Mechanikailag megoldom hogy a két végpontnál elakadjon (pl egy-egy csavar aminek nekimegy a forgó nyelv) - csak, hogy ne a váltót akarja kitépni a helyéről...
A nyelvre a fémszál ami a váltót mozgatja, a motorra meg a H-híd, előtte ellenállás-led védelemmel.
És ha a szervo motorok elé ellenálást teszek (kb mekkorát? A szervo motornak max 6V kell. Kb 0,5 Kohm körül?) akkor elvileg akár egyszerre is működhetnek a még jó conrad-os állítóművek és az új szervók az eredeti 12V-ról. (szereztem hozzá 2,5A-es tápot)
Csak mert akkor amíg nincs velük baj addig ahol már van maradhat a conrad-os, de újat már nem veszek helyette lenne szervo... |
|
(#33811) zsolesz74 válasza Luciferike hozzászólására (#33796)
|
Válasz •
|
Máj 29, 2014 |
|
Ha 1.5mm-es savállóból van a HELIX alapod, akkor arra csak a 4mm-es parafa és jó napot!  |
|
(#33812) csíkosháTTú válasza Luciferike hozzászólására (#33796)
|
Válasz •
|
Máj 29, 2014 |
|
Hali!
Valahol iTT írták, azt hiszem az egyik Modellbahn Praxis-ban, hogy max. 4cm-t lehet emelni 1m hosszon. Szerencsére eléggé szép íveid lesznek, így nem túl hosszú vonatok esetében eddig elmehetsz. De jobb, ha ennél kisebb emelkedéssel tervezel, a Z topicon a lassan befejezéséhez közeledő asztalkán 2,5cm-t emelkedik a mellékvonal 1m-en. |
|
(#33813) etwg válasza HarciSün hozzászólására (#33810)
|
Válasz •
|
Máj 29, 2014 |
|
Nem fog végtelenségig forogni mert ott van még egy poti ami 270 fokban tud elfordulni - hacsak ki nem veszed.
Nem kell neked a végpontokkal foglalkoznod, hiszen a kar, rugo meg a válto amugy sem engedné. Te csak azzal törödj, hogy ne kapjon hosszu ideig delejt ( a forrás kapcsolásai erre vannak). De megoldhatod másképp is - pl. Egy a közös földbe iktatott ellenállással, ami csak egy bizonyos áramot enged a motorra, igy ha az megáll mert nem tud tovább fordulni, akkor az ellenálláson esni fog a feszültség (puha lesz a táp).
Az ellenállást ki kell probálnod mert az amotirtol függ. Olyant rakj bele ami elég arra, higy elinduljon, kezd 1 kOhmmal, majd meglátod hogyan megy. |
|
(#33814) etwg válasza etwg hozzászólására (#33813)
|
Válasz •
|
Máj 29, 2014 |
|
amotirtol=a motortól
( ez a hülye touchscreen  ) |
|
(#33819) etwg válasza csíkosháTTú hozzászólására (#33816)
|
Válasz •
|
Máj 29, 2014 |
|
Ha már bármit is csatlakoztatnom kell, akkor már inkább viszem a laptopot.
(habár a legujabbal már sirba visznek, csak egy csatlakozo van rajta meg egy zacsko adapter, ami biztos már az elsö alkalommal elveszik. Már a PC-sek is a macet majmolják - az is ezért került nálam indexre, mert minden külsö cucchoz más kábel vagy adapter kellett, aminek a fele már elkallodott.) |
|
(#33834) KJLTT-1 hozzászólása
|
Válasz •
|
Máj 30, 2014 |
|
Üdv minden vasutmodellezőnek!
Segítsetek abban, hogyan kell a TILLig 83300 keresztkitérőt bekötni.
Az a problémám, hogy a kapcsolópulton nem tudom milyen jelzést írjak, valamint a kapcsoló állásának megfelelő visszajelzésnél a tervtáblán a megfelelő LED világítson.
Tehát ha egyenes ( A) irányból kitérő (B) irányba szeretnék állítani, akkor akkor az egyik állítómű melyik állását kell kapcsolnom, hogy a helyes irány felépüljön és az megfelelően legyen jelezve. Természetesen minden variációban igaz ez a kérés. Elég nagy az asztal így kell a visszajelzés.
Az asztal ANALÓG lesz.
Ha nem elég érthető a kérdésem, nekifutok ujjra
Előre is köszönöm a segítséget.
ui: A KJLTT-1 megegyezik a KJLTT névvel, csak valami oknál nem tudok a KJLTT-vel belépni (nem jelszó probléma) |
|
(#33836) csíkosháTTú válasza KJLTT-1 hozzászólására (#33834)
|
Válasz •
|
Máj 30, 2014 |
|
OK, de milyen hajtóművet használsz hozzá? |
|
(#33837) KJLTT-1 válasza csíkosháTTú hozzászólására (#33836)
|
Válasz •
|
Máj 30, 2014 |
|
Szia
86110 motoros |
|
(#33952) HarciSün hozzászólása
|
Válasz •
|
Jún 3, 2014 |
|
Kinéztem EZT a szervót a baráti ára miatt.
Azt viszont sehol sem találom, hogy ezeknek mennyi az áramfelvételük.
Felírtam ugyanis a vágányutakhoz tartozó diódás kapcsolást és bizony van olyan variáció ahol 8db váltónak kellene állítódnia (vagy legalábbis ennyi kapna egyszerre áramot)
A táp 2,5A-es, de a H hidak vezérlője szerintem 1,5A-nál nem igen bírna többet, már csak a stab IC miatt sem... |
|
(#33953) piltdownman válasza HarciSün hozzászólására (#33952)
|
Válasz •
|
Jún 3, 2014 |
|
itt vannak az ellenséges árak,fizetés után kb.húsz nap múlva az asztalodon
Bővebben: Link |
|
| |
2026. Márc, 25. Sze 7:35:10 |
| |
Jelenleg 16 fő olvassa az oldalt |
|
|