|
|
|
Terepasztal vezérlés és elektronika
|
Témaindító: nzozz, idő: Júl 14, 2010
Témakörök:
|
|
|
(#19171) zsolesz74 válasza csíkosháTTú hozzászólására (#19160)
|
Válasz •
|
Júl 12, 2013 |
|
Szia Mester!
Köszönöm a segítséged. Kicsit megkevert ez az ABC szakaszolás.
Azt jól tudom ugye, hogy a megállító szakaszokon is érzékeli a foglaltságot csak be legyen kötve az S88-ba.
De ilyenkor, ha ugyanaz a sínszál (példánkban a közelebbi) van bekötve nem zavarja egymás össze a LENZ ABC és az S88 dióda halmaza? |
|
(#19201) FriTTz hozzászólása
|
Válasz •
|
Júl 14, 2013 |
|
Egy kérdésem lenne a tisztel szakértő urakhoz!
Analóg rendszerű asztalon, hogy lehet megoldani bizber szempontjából a vonatérzékelést? |
|
(#19205) zsolesz74 válasza FriTTz hozzászólására (#19201)
|
Válasz •
|
Júl 14, 2013 |
|
Erről én is itt találtam leírást a hobbivasúton, ha jól emlékszem. Volt benne szó a statikus és dinamikus foglaltság érzékelésről.
Egy nagyon jó kis írás volt.
Később megnézem, ha nem találod, mert most telefonon néztem az oldalt és nem túl jó a kereséshez. |
|
(#19207) Antal Miklós válasza FriTTz hozzászólására (#19201)
|
Válasz •
|
Júl 14, 2013 |
|
Szia, ebben a témában már egy cikket is irtam, de szívesen válaszolok: több féle megoldás is lehet, a kérdés, hogy mit akarsz érzékelni?
- ha csak egy szerelvény egy adott szakaszra való be- ill kihaladását akarod érzékelni, akkor a mágnes/Reed érintkező (Hall IC) megoldja a problémát. Az adott szakasz be- il kimenetén elhelyezett érintkezők jelét egy két NAND kapuból felépített tároló képes tárolni, és annak kimenete már az adott szakasz foglaltsága esetén H szinten van = foglalt.
- ha nem elégszel meg a komplett szerelvény be- ill. kihaladásával, hanem a szerelvény szétszakadására is gondolsz, akkor már bonyolultabb, hiszen minden kocsit érzékelned kell. Ez úgy oldható meg, hogy minden kocsinak fém de egymáűstól szigetelt kerékpárral kell rendelkezzen, valamint minden egyes kerékpár két oldalát (a két kereket) egy 10kOhm ellenállással kell összekötni. tehát egy kéttengelyes kocsi ellenállása 5kOhm a sinen. Ha most a vontatási feszültségtől függetlenül egy segédtápegységből, arra a szakaszra egy vizsgáló feszültséget adsz egy 5kOhm ellenálláson át (pl +5V-t), akkor a mozdony nem tud a +5V és az 5Kohm miatt elindulni, DE ha példáúl egy kocsi leakadt a szerelvényről, akkor a vizsgáló 5Kohm sorba van kapcsolva a kocsi 5kOhm ellenállása, tehát az ellenálláson +2,5V mérhető, tehát a szakasz foglalt. Ennek a megoldásnak két hátránya van: 1, minden kocsi kerekeit át kell hidalni egy 10k ellenállással, 2, minden vizsgálandó szakaszhoz egy FÜGGETLEN vizsgáló feszültség (+5V) kell, de üzembiztos.
Én az első módszert alkalmazom, tehát csak a szerelvény be- ill.kihaladását érzékelem, és ehhez készítettem az egész elektronikát, amiről a következőkben megint egy cikk lesz, mert ezt fel tudod használni a jelző elhaladásakor a tilosra váltáshoz is, vagy a sorompó vezérléséhez.
Lehet reflex opto kaput beépíteni az adott szakasz be ill. kijáratánál, akkor apró visszaverő velületet kell a mozdony aljára ragasztani.
Ha már a szerelvény milyenségét/típusát (személyvonat, tehervonat, gépmenet) akarsz érzékelni, akkor a legegyszerűbb a vonalkód olvaső, vagy a transzponder, ez utóbbimár elég drága. Mindkét megoldásnál már komoly hardver igény és szoftveresen egy számítógép is kell, hiszen: minden egyes mozdonyt el kell láttni egyéni azonosítóval, amhez alkalom szerüen hozzárendeled pl a személyvonatot (hiszen ugyanaz a mozdony gépmenetben is közlekedhet), és rengeteg érzékelőt kell elhelyezni a pálya, a szakaszoknál. Akkor a számítógép már pontosan meg tudja neked mondani, hogy a (Bp-Keleti - Baja) személyvonatod a 12-es szakaszon tartózkodik.
Talán ennyit a témához, inkább ird meg mit szeretnél.
Ne csüggedj, elektronikus megoldást találunk rá  |
|
(#19209) FriTTz hozzászólása
|
Válasz •
|
Júl 14, 2013 |
|
Köszönöm a segítségeteket, megkeresem ezt a cikket! 
A lényeg az, hogy az asztalon (illetve ha bővül akkor a többi részén is) pwm vezérléstől kapnak tápot a mozdonyok viszont a bizberre egy Dominó rendszerhez hasonlót szeretnék leegyszerűsítve mivel korlátozott anyagi források vannak.
Tehát minden állomásnak lesz egy olyan irányítópultja (remélem) ami külsőleg (színben és grafikában és esetleg nyomógombkiosztásban és visszajelzésben) hasonlóságot mutat a nagytesóval! 
Ha vágányutat nem is tud majd mutatni azért legalább a vágányokon illetve a bejárati jelzőknél kéne valami foglaltságjelzés ha megoldható.
A Reed relére én is gondoltam, de ha esetleg van valami nem látható megoldás akkor az jobb lenne.
Esetleg valami kapcsoló(szakasz)sínes megoldásra gondoltam még.
(mint a nagyvasúton  ) |
|
(#19211) etwg válasza FriTTz hozzászólására (#19209)
|
Válasz •
|
Júl 14, 2013 |
|
Már egyszer beraktam, igy most csak egy link:
Foglaltság érzékelö.
Egyenlöre 42 ilyen egységet épitek. Nagyon megbizhatoak ( az elsö ilyen érzékelöt már nagyon régen épitettem - több mint 30 éve - azota sem igen találtam jobb megoldást). |
|
(#19212) FriTTz válasza etwg hozzászólására (#19211)
|
Válasz •
|
Júl 14, 2013 |
|
 láttam ezt is! 
Ahogy olvastam itt mindenkinek valami systemje.
Valahogy ki kéne találnom, hogy nekem melyik lenne a legmegfelelőbb. |
|
(#19237) csíkosháTTú válasza zsolesz74 hozzászólására (#19171)
|
Válasz •
|
Júl 15, 2013 |
|
Nem. Leglábbis azt az s88-as modult, amit közösen hoztunk össze jvnd barátommal, azt nem, és ezzel viszont sem. Az ABC lényege az aszimmetriában van, és nem a jel abszolút értékében. |
|
(#19246) zsolesz74 válasza csíkosháTTú hozzászólására (#19237)
|
Válasz •
|
Júl 15, 2013 |
|
OK! Ez akkor már világos. Közben még keresgéltem a neten és Martisz G. oldalán is találtam egy jó kis magyarázó rajzos ábrát erre a dologra.
Amit Jóskával csináltatok az ott van a CSM termékek között? |
|
(#19247) csíkosháTTú válasza zsolesz74 hozzászólására (#19246)
|
Válasz •
|
Júl 15, 2013 |
|
Még nincs.
De a CSM120F foglaltságjelző és a Jóska féle s88 összefésülése. Igyekeztünk a két elektronika előnyeit egyesíteni.  |
|
(#19917) JZoli hozzászólása
|
Válasz •
|
Júl 28, 2013 |
|
Meg tudnátok mondani, hogy egy H0 méretű átlagos dizelmozdonynak mekkora lehet az áramfelvétele? És mennyi lehet ugyanennek a maximuma. |
|
(#19920) HOTotya válasza JZoli hozzászólására (#19917)
|
Válasz •
|
Júl 28, 2013 |
|
Szia!
Általában 200mA és max 400mA között!! ez utóbbi már elég sok,de vannak régi modellek amik képesek ilyen sokat "zabálni"  |
|
(#19921) zsolesz74 válasza HOTotya hozzászólására (#19920)
|
Válasz •
|
Júl 28, 2013 |
|
Meg esetleg egy kis kosz a hajtásban!  |
|
(#19949) JZoli válasza HOTotya hozzászólására (#19922)
|
Válasz •
|
Júl 29, 2013 |
|
Az áramfelvételt azért kérdeztem, mert egy közepes (talán inkább kisebb) pályát szeretnék építeni szinte csak próba/kísérlet jelleggel, és szakaszokra akarom bontani a foglaltságjelzés és a "precízebb" vezérlés miatt és nagyon sok 1 A-es diódám van itthon. Ezzel szeretném megoldani az áramérzékelést. Nem voltam benne biztos, hogy ezek bírnák-e egy mozdony maximális terhelését. De ezek szerint azért el kellene bírniuk.Köszönöm! |
|
(#19951) HOTotya válasza JZoli hozzászólására (#19949)
|
Válasz •
|
Júl 29, 2013 |
|
Ok így már érthető!! Amúgy meg lehet párhuzamosítani a diódákat...ha nem lenne elég a teljesítményük!!  |
|
(#19963) csíkosháTTú válasza HOTotya hozzászólására (#19951)
|
Válasz •
|
Júl 29, 2013 |
|
Elektrotechnika óra, szakmunkásképző első évfolyam:
1-es fiam!
Leülhetsz!
Indoklás:
Idézet: „Amúgy meg lehet párhuzamosítani a diódákat...”
Még viccből is, hogy lehet ekkora ... csacsiságot leírni egy képzett szakinak?  |
|
(#19969) HOTotya válasza csíkosháTTú hozzászólására (#19963)
|
Válasz •
|
Júl 29, 2013 |
|
Én erre gondoltam....ügye foglaltságjelzőt épít!!
bocsi nem tudok képet feltenni valamiért  |
|
(#19971) FriTTz válasza HOTotya hozzászólására (#19970)
|
Válasz •
|
Júl 29, 2013 |
|
Sokkal jobb, így már értem!  |
|
(#19973) HOTotya válasza HOTotya hozzászólására (#19970)
|
Válasz •
|
Júl 29, 2013 |
|
Csak sikerült..  Én ezt csináltam meg és itt oda-vissza két dióda van kötve...  Így már jó lesz "tanár (úr) ?! Csíkos bá' 
Ja bocsi,de a panel nem épp a legjobb..  széles!!!!! |
|
(#19974) HOTotya válasza HOTotya hozzászólására (#19973)
|
Válasz •
|
Júl 29, 2013 |
|
Én ezt készítettem el |
|
|
|
(#19976) HOTotya válasza HOTotya hozzászólására (#19973)
|
Válasz •
|
Júl 29, 2013 |
|
|
|
(#19980) csíkosháTTú válasza HOTotya hozzászólására (#19974)
|
Válasz •
|
Júl 29, 2013 |
|
Értelmezze fiam a kapcsolási rajzot!
Ja, közben meg volt? 
Na ugye! Hol is van ott párhuzamosan két dióda nyitó irányban?
Amúgy, szerintem az érzékelőkre a két-két soros dióda sok! Egy-egy is bőven elég! Ugyanis így is esik rajta cca. 1,5V feszültség. Ha duplázzuk, ahogy az olaszok tették (autókba sem tudnak összerakni egy tisztességes elektronikát, de, mint tudjuk a jóisten nem is ezért taláta fel őket), úgy ez már 3V lesz. A CSM120F (a jvnd kollégával közösen alkotott s88 panel egyik fele) pl. schottky diódákat alkalmaz, így ezen jóval kisebb a DCC sínfeszültség esése.
Kiinduló kérdésre visszatérve: gyakorlati tapasztalatok azt mutatják, hogy az 1N400x sorozatú diódákat alkalmazva házi pályákon nincsenek ilyen bajok, hogy a dióda ne bírná az átfolyó áramot. Ugyanis a figyelt szakaszon szinte mindig csak egy mozdony van, ez meg H0-ban csak akkor haladja meg az 1A áram felvételt, ha amúgyis zárlat van. |
|
(#19987) zsolesz74 válasza csíkosháTTú hozzászólására (#19980)
|
Válasz •
|
Júl 30, 2013 |
|
Csíkos úr,
az a feszültségesés 0,6-0,7V diódánként, Schottkynál meg 0,3V ha az emlékezetem nem csal az elektronika fórumon olvasottakról.
Tehát a 1,5V az kettő dióda esetén áll fenn! Vagyis 4db/bemenet kell.
Vagy nem? |
|
(#19995) etwg válasza zsolesz74 hozzászólására (#19987)
|
Válasz •
|
Júl 30, 2013 |
|
A kapcsolásnak a legnagyobb baja a kimeneti rész. Nem tudni miért, de eléggé felületes ez a megoldás. A sorbakapcsolt diodák egy optocouplert hajtanak meg, igy a shottky felejtendö, mert nem éred el a optodioda nyito feszültségét ( ide kell a 1,5 V). Söt még peches is lehetsz és az optocsatolo még 1,5V-ra sem fog megbizhatoan reagálni.
A kapcsolás kis kompromisszummal kizárolag DCC-re alkalmas, analog pályára nem.
Ráadásul csak bizonyos optocsatlokkal megy és teljesen ignorálja a vasutmodellek egyik legnagyobb kinját, hogy nem jo a kontaktus a mért szakaszban.
Lehet, hogy ezt igyekszik késöbb kezelni a FW- ben, de sajnos itt megint odajutsz, hogy ha nincs áramfelvétel, abbol még a világ legjobb szoftware sem igen tud áramot=foglaltságot varázsolni.
Szoval szerintem ez a megoldás eléggé kezdetleges, s messzemenöen nem veszi figyelembe a vasutmodellek fizikai alapjait. (Az S88 DET rajzrol beszélek, egy másik rajz, amit ma raktatok be, egy lehelettel jobb mint ez)
 |
|
(#19997) HOTotya válasza csíkosháTTú hozzászólására (#19980)
|
Válasz •
|
Júl 30, 2013 |
|
Látod ez van ha a nagy melegben a folyadék pótlására a sör rövidzárlatot okozott!! Túl nagy a feszültség bennem és az áramkorlát sem működött ,mert túl nagy volt az ellenállásom ezért verte ki a biztit...  aki nem bírja az ne igyon(ennyit) |
|
(#20001) zsolesz74 válasza HOTotya hozzászólására (#19997)
|
Válasz •
|
Júl 30, 2013 |
|
Te iszol? Akkor már tudom ki a másik!  |
|
(#20003) zsolesz74 válasza etwg hozzászólására (#19995)
|
Válasz •
|
Júl 30, 2013 |
|
No várjunk csak egy pillanatra!
Egy kicsit megtévesztettél, mert
1. schottky felejtős, ezt írtam kevés a feszültségesése, kell az 1N 400x sorozat a ~1,5V miatt,
2.Megépítettem egy kapcsolást, amit fel is tettem a TT klub topikba, és tökéletesen működik.
3. DCC-re készültek a foglaltság érzékelők, ezt a forrás oldalon is közlik.
4. Idézet: „ (Az S88 DET rajzrol beszélek, egy másik rajz, amit ma raktatok be, egy lehelettel jobb mint ez)
” ennél nem tudom melyikre gondoltál.
Tegyük tisztába ne maradjon félreérthető mikor mire és kinek a dolgára gondoltál.
Köszi!  |
|
(#20004) etwg válasza zsolesz74 hozzászólására (#20003)
|
Válasz •
|
Júl 30, 2013 |
|
A TT topikban egy másik rajz van, mint itt a 19974 hsz- ben. Az jobb, mint ez , s ha jol emlékszem, te a jobbikat épitetted meg, amiben kondik is voltak.
Az étel tesztje az evés, rakd fel az érzékelöket egy terepasztalra ( nagyobb dilikör is jo) és mozdony nélkül lökdösd a vagonjaidat fel-alá, közben figyeld mit csinálnak az áramköreid. Egy jo rendszerben ilyenkor soha nem tünhet el a vagon a szakaszrol ( még egy pillanatra sem)
Ekkor derülnek ki azok a dolgok, amiröl én beszélek és amiért én nem épitek ilyen érzékelöket. |
|
(#20006) zsolesz74 válasza etwg hozzászólására (#20004)
|
Válasz •
|
Júl 30, 2013 |
|
Igen, ezért is kértem, hogy írd le melyik volt a gyengébb megoldás szerinted, mert én azt a verziót építettem meg és működött. És ezért nem volt világos, amikor az én hsz-emre válaszoltál, de inkább csíkosnak és Totyának szóltak.
A vagonjaim nincsenek ellátva semmilyen "látszóvá tevő" megoldással. Ergo nem is látszanak a vágányra helyezve. Erről folyt a diskurzus az ellenállás lakk, stb-ről.
Tudom, hogy te analóg pályán mozogsz és láttam a foglaltságjelzőid, amit feltettél. Arról csak szakmai kíváncsiságból érdekelne kapcsolási rajz tanulmányozandó a megoldást.
Köszi!
|
|
(#20008) etwg válasza zsolesz74 hozzászólására (#20006)
|
Válasz •
|
Júl 30, 2013 |
|
Jo reggelt!
Valahol már fent van a kapcs. rajza is az én megoldásomnak, majd megkeresem. Az valoban müködik analog és dig. pályán is, ráadásul max. 0,7V veszteséggel.
S mint itt mondtuk, nem(csak) a mozdonyokat kell észlelni, hanem a kocsikat, ill. föleg szokat, ha egy ilyen rendszert akarsz kiépiteni. Szoval tesztelni s azokkal kell, nem a nehéz és aránylag megbizhato fogyasztokkal ( mozdony). |
|
(#20011) csíkosháTTú válasza zsolesz74 hozzászólására (#19987)
|
Válasz •
|
Júl 30, 2013 |
|
Egy oda, egy vissza, az valóban cca. 0,7V, félhullámonként! Vagyis effektíve 1,5V-tal veszi le a DCC feszt.
Amit én építtem kapcsolást (a Lenz LB101 továbbfejlesztése), abban félhullámonként 1-1 schottky dióda van. (SS20-as, hogy 2A-t is bírjon.) |
|
(#20012) csíkosháTTú válasza zsolesz74 hozzászólására (#20003)
|
Válasz •
|
Júl 30, 2013 |
|
Idézet: „1. schottky felejtős, ezt írtam kevés a feszültségesése,...”
Abban a kapcsolásban, amit betettél ide (valami olasz honlapról, ha jól tévedek), abban igen. Rendes foglaltságérzékelők esetében lehet alkalmazni schottky-kat is.
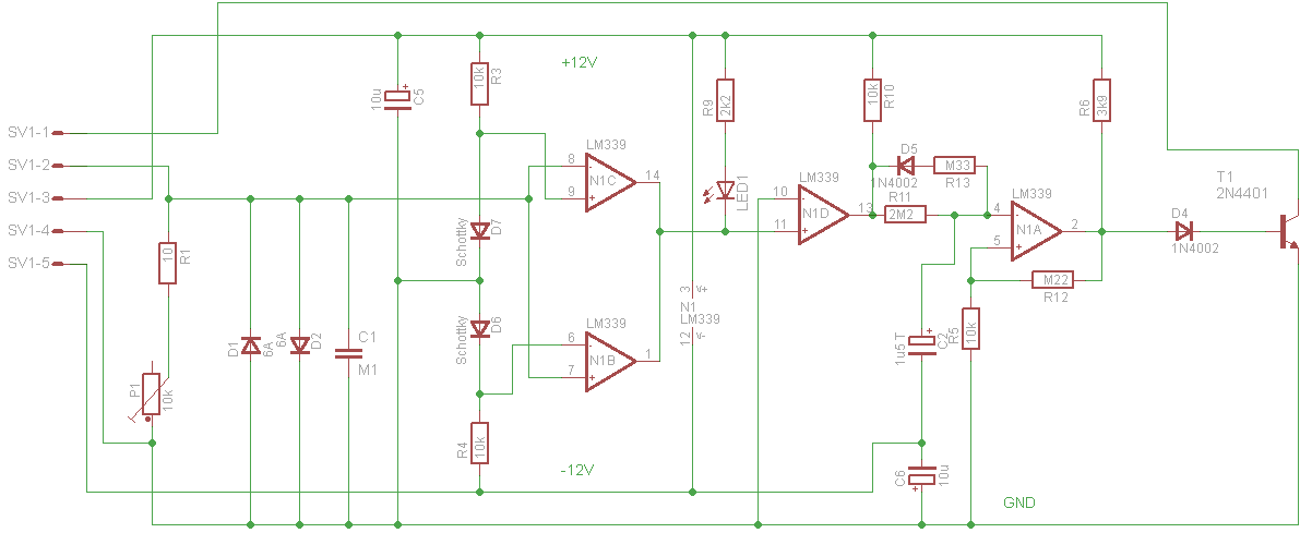
Az alap, vagyis a Lenz megoldása itt van: |
|
|
|
(#20017) etwg válasza etwg hozzászólására (#20008)
|
Válasz •
|
Júl 30, 2013 |
|
Elökerült az én rajzom is.
Gyakrolatilag 1983 ota javitgatva és fejlesztve, de erre már mérget lehet venni, hogy nem veszt el egy kocsit sem, még akkor sem, ha csak 2 másodpercenként söntöli a sináramkört. |
|
|
|
(#20021) jvnd válasza etwg hozzászólására (#20017)
|
Válasz •
|
Júl 30, 2013 |
|
Mielőtt még ölre mentek...
A link Foglaltságjelzők
Tapasztalatom szerint mindegyik kapcsolás megfelelően működik. Többen használják is őket működő terepasztalukon. A 4 diódás esetben, egyszerűen 1.4V-al meg kell emelni a DCC sínjelet, és érdemes ekkor a vágányokat csak foglaltságjelzőkön keresztül táplálni. Ekkor nem lesz feszültségugrás stb. Alapvetően én 3A-es diódákat használok, mert ha rövidzár van egy szakaszon -pl. ráejtesz egy csavarhúzót a pályára- (és a booster nem old le elég gyorsan) akkor a szakaszon lévő diódákon folyik át az x áram, ami tönkreteheti a diódát.
A megvalósítás a PC illesztővel így néz ki. |
|
|
|
(#20022) etwg válasza jvnd hozzászólására (#20021)
|
Válasz •
|
Júl 30, 2013 |
|
Nem volt ölre menetel....csak a feladat valos értelmezése..... |
|
(#20029) zsolesz74 válasza csíkosháTTú hozzászólására (#20012)
|
Válasz •
|
Júl 30, 2013 |
|
Igen, egészen pontosan spanyol azaz olasz!  |
|
(#20030) csíkosháTTú válasza zsolesz74 hozzászólására (#20029)
|
Válasz •
|
Júl 30, 2013 |
|
Konkrétan nem figyeltem, csak azt, hogy latin nyelvcsalád... 
Kössz a pontosítást. |
|
(#20031) zsolesz74 válasza jvnd hozzászólására (#20021)
|
Válasz •
|
Júl 30, 2013 |
|
Nagyon kis trükkös a foglaltságjelződ! 
Látom, hogy felkészítetted direkt, sín független, kontakt jeladók csatlakoztatására is. Jó ötlet.
Nekem amit végül megépítettem, mivel külön van a két egység, így ezt alapból lekezeli, mondjuk külön panelek kellettek hozzá. |
|
(#20034) zsolesz74 válasza jvnd hozzászólására (#20021)
|
Válasz •
|
Júl 30, 2013 |
|
Mekkora gondot okoz a rendszer lelkében az 1,5V feszültség különbség a figyelt és a normál szakaszok között?
Mert elsőre azt mondanám, hogy ez semmit.
Tegnap összeszámoltam és ~150 betáplálási pontja van az asztalomnak. Ennek a fele biztos az egyik sínszál, és ebből mondjuk még a fele a foglaltságjelzőre kellene kötve lenni akkor ezek szerint.
(Mert hogy szétszedhető az asztal és minden lapon megtápláltam, plusz állomási vágányok külön szakaszoltak mindkét sínen.) |
|
(#20035) etwg válasza jvnd hozzászólására (#20021)
|
Válasz •
|
Júl 30, 2013 |
|
Nicsak ITT is hasonlo elveken müködö detektort használ (Nekem is volt ilyen, ami kiárolag DCC-re megy).
Csináltam belöle vagy fél tucattal, de aztán visszatértem a diodás frontendhez, sokkal jobban kezelhetö, és müködik minden pályán. |
|
(#20038) etwg válasza zsolesz74 hozzászólására (#20034)
|
Válasz •
|
Júl 30, 2013 |
|
Persze nem árt és nem is nagy kiadás a nem figyelt szakaszokba is bekötni egy antiparalell diodamodult. (4 diodát).
Ezzel több problémátol is megszabadulsz:
Nem söntöli ki az átmenet a figyelt szakasz érzékelöjétl a sima szakasz.
Egyforma lesz a feszültség mindenhol (hibakereséshez ideális).
A 0-as vezeték (az érzékelök also GND-je) valos referencia, és nem lesz egyszer a sineken egyszer meg csak az eloszto panelon.
Áttekinthö a rendszertechnika.
|
|
(#20204) zsolesz74 válasza etwg hozzászólására (#20038)
|
Válasz •
|
Aug 1, 2013 |
|
Alighanem újra gondolom az asztal betáplálását. Mert a mostani gerinc+elosztó pontok nem segítenek ebben. Plusz egy-két vezetéket hosszabbra fogok cserélni, mert még a régi betápláláshoz volt szabva! Úgyhogy megy minden a foglaltságjelzőről, inkább nem zarozok még plusz diódákkal...köszi. |
|
(#20233) zsolesz74 válasza zsolesz74 hozzászólására (#20204)
|
Válasz •
|
Aug 1, 2013 |
|
No kicseréltem délután azt a tizenegy néhány vezetéket, ami rövidebbre volt vágva, úgyhogy elhárult az akadály, hogy az összes bekötés a foglaltságjelzőről kapja a kraftot!
Na ez a holnapi program lesz! |
|
(#20330) zsolesz74 hozzászólása
|
Válasz •
|
Aug 3, 2013 |
|
Azt hiszem elkövettem egy hibát! Sőt ez szinte biztos!
Az asztalon bekötöttem az összes szervot. Bekapcsolom a táplálására betervezett 2x9V-os transzformátort és minden szervo szokásához híven megmoccan, majd ezzel a lendülettel vannak olyan vezérlők, amikre a rákötött motorok csúnyán végállásba mennek és zúgnak amíg a tápot le nem kapcsolom.
Az első alkalommal egyik vezérlőben a stab IC kapcsolt le miután kissé túlhevült...
Na most a gyanúm szerint nem bírja ezt az indulási terhelést a transzformátor és miközben meghúzzák a motorok a tápot, a PIC-ek megbolondulnak ettől és végleg kiakadnak.
Jól sejtem elektromos barátim az úrban?
Megoldás lehet, egy nagyobb transzformátor rákötése? Van egy 250W-os 12V-os torroidom is talonban.
Illetve milyen alternatívát tudtok ajánlani? |
|
(#20331) HOTotya válasza zsolesz74 hozzászólására (#20330)
|
Válasz •
|
Aug 3, 2013 |
|
A szervók nagyon érzékenyek!!!! A pontos ,szűrt és stabil tápegységeket szeretik!!! (nálam is volt ilyen jellegű probléma)
Próbáld meg külön külön tápot a különböző dolgoknak... |
|
(#20332) zsolesz74 válasza HOTotya hozzászólására (#20331)
|
Válasz •
|
Aug 3, 2013 |
|
Egyenlőre csak a 4 vezérlőt kapcsoltam a rendszerbe, vezérlőnként 4 szervoval.
A vezérlőkön mindegyiken egy 7805-ös adja a stabil tápot.
Eredetileg is külön akartam kezelni a rendszereket. Egyenlőre van egy DCC jel vezetékvonal, és van 2x9V az asztal két részére külön-külön trafó kimenetről. Ugyan 2x1,11A a terhelhetősége.
Te mekkora trafóról járatod Totya a szervoparkot? |
|
(#20333) HOTotya válasza zsolesz74 hozzászólására (#20332)
|
Válasz •
|
Aug 3, 2013 |
|
500W/5A a trafó  és ebből 2db Még valami! Tettél hűtőbordákat a 7805-re?? |
|
| |
2026. Márc, 25. Sze 14:15:47 |
| |
Jelenleg 6 fő olvassa az oldalt |
|
|