|
|
|
Terepasztal vezérlés és elektronika
|
Témaindító: nzozz, idő: Júl 14, 2010
Témakörök:
|
|
|
(#4618) Antal Miklós válasza zolti1001 hozzászólására (#4615)
|
Válasz •
|
Jan 10, 2011 |
|
Szia zolti1001. Az ábrán bemutatott PWM szabályozó nálam kb 8 éve kifogástalanul müködik. kb 12V tápfesz kell neki, nem szükséges stabilizálni, de ha akarod tehetsz elé egy LM350-t 12V-ra beállitva. A BUZ 11 FET-t nagyon jól ki lehet nyitni, a maradék ellenállás 15mOhm.
Ha csak 2 mozdonyt járatsz egyszerre, (2A) akkor elég egy 4-5cm2 hütöborda. Az 1N4002 dióda, a motor induktiv terhelése miatt kell. A kimenetre tegyél egy polaritás átkapcsolót a menetirány váltás miatt.
 Sok sikert |
|
|
|
(#4619) Antal Miklós válasza kisKirály hozzászólására (#4614)
|
Válasz •
|
Jan 10, 2011 |
|
Szia kisKirály. Nagyon köszönöm e jelfogókat. Kitermeltem a keretből. Kettőt már be is épitettem a következő modulba: "Vontatási telephely", de elfogyott az ALU L szelvény a felerősítéshez. Folyt köv.
|
|
(#4662) zolti1001 válasza Antal Miklós hozzászólására (#4618)
|
Válasz •
|
Jan 12, 2011 |
|
Szia Miklós! Örömmel fogadtam a válaszodat, de egy kérdés még itt motoszkál a fejemben. Mi történik teljes rövidzárnál (egy csavarhúzó ráesik a sinre)? Mindezt azért kérdezem, mert a kapcsolás egy vasútmodellező szakkör részére készülne, és a gyerekek(játék közben erősen izgatott állapotban) meglehetősen figyelmetlenek.Stabilizátor IC nélkül a FET kibírja?
Üdv: zolti |
|
(#4685) Antal Miklós válasza zolti1001 hozzászólására (#4662)
|
Válasz •
|
Jan 14, 2011 |
|
Szia zolti, a kapcsolásban az LM350 a stabilizátor, ha beállitod 12V-ra akkor azt stabilizálja, és rövidzár védett. 3A-nél leold. A BUZ a kapcsolásban csak gyors kapcsoló szerepét tölti be, és a méréseim szerint kb 0,04 Ohmra ki van nyitva. Ha a trafó szekunderére, még mielött az egyenirányitóhoz vezeted teszel egy 2,6A biztositékot, szerintem nem lesz probléma.
Nálam nyolc év alatt nem kellett cserélni félvezetőt, de biztosítékot igen, de ha gondolod holnapra teszek bele még egy elektronikus rövidzár védelmet is.
|
|
(#4691) Abs hozzászólása
|
Válasz •
|
Jan 14, 2011 |
|
Alakul!
Abs |
|
|
|
(#4694) SzerNoh válasza Abs hozzászólására (#4691)
|
Válasz •
|
Jan 14, 2011 |
|
Jól nézz ki.. de remélem nem vágjátok szét Habokot....
Sok munka volt rendbe hozni .....
Nyitráig bírjátok ki .. |
|
(#4699) Abs válasza SzerNoh hozzászólására (#4694)
|
Válasz •
|
Jan 14, 2011 |
|
Hát ma se én telefonálgattam, hogy kábel így, kábel úgy  Szóval rajtam nem múlik, én még mindig összerakni akarom, mint látható.
Abs |
|
(#4701) Csukló válasza Abs hozzászólására (#4691)
|
Válasz •
|
Jan 15, 2011 |
|
Ez is digit lessz? |
|
(#4703) zolti1001 válasza Antal Miklós hozzászólására (#4685)
|
Válasz •
|
Jan 15, 2011 |
|
Szia Miklós!
Ha elküldenéd az elektronikus rövidzárvédelem rajzát, azt nagyon szépen megköszönném. Ha még egy rövidzárat jelző LED-del is megtoldanád, az maga volna a katarzis!
(Azért lenne jó ez a megoldás, mert egy kiállításon 8-10 FZ 1-es is műbe van. Ezek kiváltására készülne ez a megoldás. Ha minden egyes rövidzár után biztosítékot kellene cserélni, akkor az egész napom azzal telne, hogy biztosítékokat cserélek. Így aztán egy-egy siklás vagy váltófelvágás után, mikor a LED elalszik, a játék folytatódhat tovább.)
Üdv: zolti |
|
(#4707) Abs válasza Csukló hozzászólására (#4701)
|
Válasz •
|
Jan 15, 2011 |
|
Hát, szeretném, hogy szilícium legyen a lelke. És ha valamikor TopiBácsival össze tudunk hozni egy napot (nem kiállításon, az múltkor se működött), amikor át tudjuk beszélni a részleteket, akkor előbb-utóbb meg is valósul majd.
Abs |
|
(#4714) kisKirály hozzászólása
|
Válasz •
|
Jan 17, 2011 |
|
Hogyan lehet az szakszerűen és röviden kifejezni, hogy 3 lábú, 2 fényű, téglalap alakú dióda?
Esetleg hol lehet kapni? |
|
(#4715) sneider77 válasza kisKirály hozzászólására (#4714)
|
Válasz •
|
Jan 17, 2011 |
|
|
|
(#4716) kisKirály válasza sneider77 hozzászólására (#4715)
|
Válasz •
|
Jan 17, 2011 |
|
Köszi! Őket már sasoltam, csak ici-pici kívánságomat nem elégítették ki teljesen! |
|
(#4717) sneider77 válasza kisKirály hozzászólására (#4716)
|
Válasz •
|
Jan 17, 2011 |
|
Ha téglalap alakút akarsz,megpróbálhatod finoman le csiszolni. Ha más nincs. |
|
(#4718) kisKirály válasza sneider77 hozzászólására (#4717)
|
Válasz •
|
Jan 17, 2011 |
|
Auuuúú! Talán nem... |
|
(#4719) Frankye válasza sneider77 hozzászólására (#4717)
|
Válasz •
|
Jan 17, 2011 |
|
De az elég "veszélyes" a további működésére nézve. Inkább egy gyárilag ilyen alakú... |
|
(#4728) Abs válasza Frankye hozzászólására (#4719)
|
Válasz •
|
Jan 17, 2011 |
|
|
|
(#4735) Antal Miklós válasza zolti1001 hozzászólására (#4703)
|
Válasz •
|
Jan 18, 2011 |
|
Szia zolti1001. Összerajzoltam, kicsit módosítottam és kipróbáltam a kapcsolást. Ime a javaslatom. Az LM350-t állitsd be kb 13-14V-ra. Az 555 ismert astabil kapcsolásban üzemel és meghajtja a BC237 tranyón keresztül a BC 301-t A BC301 darlington kapcsolásban van a jó öreg 2N3055-el, mely strababíró.
A visszatérő, negatív ágban egy 0,6Ohm 5W ellenállás az áramfigyelő. Ezen 3A esetén 1,8V esik, és kigyujtja a LED-t jelezve, hogy rövidzár van a táp kimenetén. A O,6 Ohm-al párhuzamosan kötött 100Ohm trimmerről vezetjük el a másik BC237 felé a kapcsoló feszültséget, mely rövidzár esetén a BC301-2N3055 darlingtont lezárja.
Ha nem kell, nem akarsz max 3A-t akkor a 0,6Ohm értékét növelheted úgy, hogy a max áramnál a LED részére 1,8V essen rajta. Pl 1A esetén, 1,8Ohm kell.
Amikor az áramhatárolás bekapcsol, akkor ez az ellenállás melegszik.
Ha nem akarod a rövidzár esetén a kijelzést, akkor a 0,6Ohm módosítható úgy, hogy rajta a max áramnál, 0,7V essen, mert ekkora feszültség kell, hogy a BC237 kinyisson. Ekkor kissebb W-os ellenállás is elegendő. Természetesen ebben az esetben a =14V-is csökkenthető, de ezzel a max sebességet is be tudod állitani.
Sok-sikert. (Bocsi a kézi rajzért, meg kellene már tanulnom alaposan az Eagle-t használni) |
|
|
|
(#4746) balint0715 hozzászólása
|
Válasz •
|
Jan 19, 2011 |
|
Érdeklődnék mert elég kezdő vagyok a kérdés: a váltó áramú modellvasút mi végül is hátrány vagy előny,ugyan ojan mozdonyok futnak rajta vagy más? |
|
(#4747) cs.csaby válasza balint0715 hozzászólására (#4746)
|
Válasz •
|
Jan 19, 2011 |
|
A mozdony ugyan az, csak kell bele egy elektronika, ami a sínben futó jelekből feldolgozza a neki szólókat és vezérli a mozdony motorját, valamint a funkciókat. Azt, hogy előny, vagy hátrány, mindenki ízlése és pénztárcája szerint kell, hogy eldöntse
Üdv.: Csaba |
|
(#4748) SzerNoh válasza balint0715 hozzászólására (#4746)
|
Válasz •
|
Jan 19, 2011 |
|
Szia !
Röviden
Ha van még kérdésed bátran írd le!
üdv
SzerNoh |
|
(#4749) Antal Miklós válasza balint0715 hozzászólására (#4746)
|
Válasz •
|
Jan 20, 2011 |
|
Szia balint0715, a pontosítás végett: egyenáramú, vagy DC vezérlés esetén az egyik sin + a másik - feszültségen van, és a polaritás váltással történik a menetirány váltás. Ilyen pl: a Piko, Fleischmann, Roco, Lima, Rivarossi gyártmányai.
AV vagy váltakozó feszültségü vezérlésnél váltakozó feszültség van a sinszálon, és a menetirányváltáshoz a mozdonyba épitett relé (régen) vagy elektronika egy rövid időre magasabb feszültség segítségével végzi a menetirányváltást. Ilyen a Märklin rendszer.
A digitális elektronika megjelenése tette lehetővé, hogy kidolgozzák a DCC vezérlést, ahol a sinen állandóan megtalálható egy feszültség, és erre ültetve digitálisan megy ki az egyes parancs a jármüveknek, és eszközöknek.
A "váltó áramú" kifejezést a Märklin vezete be, a háromsines megoldása miatt. ebben a rendszerben a két szélső sinszál ugyanazon a feszültségen van az áramkör záródik a középső érintkező soron, pontokon.
Helyesen "váltakozó áramú" rendszer, mert az áram iránya a feszültség frekvenciájának függvényében (50Hz) váltakozik, + és - irányú. A "váltó áram" kifejezés =az áram iránya nem, csak a nagysága változik.
Ezért pontosan fogalmazva a hálózati feszültség, ami 230V, váltakozó feszültség.
|
|
(#4754) balint0715 hozzászólása
|
Válasz •
|
Jan 20, 2011 |
|
Még azt szeretném kérdezni hogy digitális vezérlésnél a váltók,jelzők,lámpák honnan kapják az áramot?Ja és kösz az előzőér a válaszokat. |
|
(#4757) Antal Miklós válasza balint0715 hozzászólására (#4754)
|
Válasz •
|
Jan 20, 2011 |
|
A DCC rendszerben minden eszközben van egy dekóder, ami a beérkező cimet figyelve, ha az kiértékelhető - az Övé - akkor végrehajtja a kapott utasítást. Ilyen dekoderek lehetnek a mozdonyokban, kocsikban (pl: Roco acélszalagszállitó tetejének a mozgatása) vagy a váltók alatt, és a jelzőknél is.
Természetesen a központnak tudnia kell a váltó, jelző vezérlésnél, hogy melyik vágány foglalt, ezért a pályán elhelyezett érzékelők információját is be lehet, sőt be kell "vinni" a központba.
Elektromosan: a két sinszálban lévő feszültség, nemcsak a szerelvény mozgatására, hanem az egyéb eszközök vezérlésére is való pl: váltó állitás. A váltó dekóder a hajtómű alatt, mellett elfér. Az igy megemelkedett áramfelvétel miatt kell a booster, ami gyakorlatilag egy teljesítmény erősítő (no nem hangfrekvenciás).
Gyakorlatilag egy busz rendszert alkot az egész terepasztal vezérlő elektronika, hiszen van egy központi mikrogép és/vagy PC, és a buszon keresztül ami a két sinpár eljut az egyes dekoderrel rendelkező eszközökhöz az utasítás.
A két sinszál egyben a tápfeszültség forrás is, és adatátviteli eszköz is.
Remélem sikerült megfogalmaznom.
|
|
(#4770) Tapti hozzászólása
|
Válasz •
|
Jan 21, 2011 |
|
Sziasztok!
Analóg rendszerű asztalt építgetek és az lenne a vágyam hogy amikor váltót állítok, visszajelzésem legyen az aktuális állapotról hogy éppen melyik irányban áll! Ebben tud nekem segíteni valaki? Nem vagyok profi az elektronikában de ha valaki segítene azt megköszönném!
Esetleg Bp.-n személyes szájbarágós?
Fékmodult meg tudtam csinálni, tehát nem vagyok teljesen reménytelen eset! |
|
(#4772) Frankye válasza Tapti hozzászólására (#4770)
|
Válasz •
|
Jan 21, 2011 |
|
Milyen típusú váltóállítóművet használsz? Ettől függ sok minden. |
|
(#4773) Tapti válasza Frankye hozzászólására (#4772)
|
Válasz •
|
Jan 21, 2011 |
|
Roco, vagyis most már ex-Roco és ha számít akkor N-s. |
|
(#4780) Tapti válasza Tapti hozzászólására (#4773)
|
Válasz •
|
Jan 22, 2011 |
|
Ja, és a hagyományos három vezetékes elektromágneses.
|
|
(#4783) Frankye válasza Tapti hozzászólására (#4780)
|
Válasz •
|
Jan 22, 2011 |
|
Úgy látom, ennek a típusnak nincs visszajelző kimenete. Ebben az esetben azt tudom javasolni, hogy vele párhuzamosan köss egy jelfogót, amely a hajtóművel együtt áll egyik-másik állásba, és azon figyeld a váltó állását. Ez nem annyira tuti, mert ha egyik vagy másik eszköz megakad, akkor hamis visszajelzést fogsz kapni.
A másik lehetőség, hogy a váltó csúcssínjének polaritását figyeled, és pl. egy kétszínű LED-del (meg az előtét-ellenállásával) visszajelzed magadnak. Hátránya, hogy csak a szín különbözteti meg a két állást.
Még bonyolultabban a csúcssín-polaritást egy elektronikus visszajelzővel kiértékelve lehet a tényleges állást figyelni. |
|
(#4784) Misi Misi válasza Frankye hozzászólására (#4783)
|
Válasz •
|
Jan 22, 2011 |
|
Sziasztok!
Igen, a csúcssín polaritását figyelni a legmegbízhatóbb, viszont Tapti analóg üzemben használná, vagyis amikor leveszi a feszültséget a sínekről mert lassítja, megállítja vagy menetirányt változtat a vonaton, akkor amég nem kap újra helyes(megfelelő irányú, és elegendő magas) feszültségetet a led, nem fog világítani, ami szerintem nem olyan célszerű, például tolatáskor, amikor pont a váltók állására vagyunk a leginkább kíváncsiak.
Javaslom inkább, hogy a két elektromágnes bemenetét figyeld, és ha az egyiknek adsz feszültséget, akkor az ahhoz tartozó led gyulladjon ki, és maradjon világítva, amég nem kapcsolsz át másik állásba. Készítettem egy egyszerű és olcsó kapcsolást memória tulajdonságú IC-vel, ami megjegyzi, hogy melyik bemenet volt aktiválva, és a kimenetet az szerint adja folyamatosan. A tápfeszültség és a bemenő feszültségek jó lenne ha egyenáram lennének(kb. 14 volt elég). 1 ilyen IC-vel 4 darab váltó bemeneteit tudod figyelni, és az áramkör pár száz forintból bőven kijön. Az ellenállások méreteiben nem vagyok biztos hogy jók, inkább 1,5k-s ellenállásokat tegyél, ne 150 ohmosakat.
Üdv:
Misi
|
|
|
|
(#4786) Tapti válasza Misi Misi hozzászólására (#4784)
|
Válasz •
|
Jan 22, 2011 |
|
Nagyon szépen köszönöm a válaszokat!
Időközben olvasgattam és tágítottam az agyam némi sikerrel talán. Egyenirányításon én is gondolkodtam és arra jutottam hogy Graetz-híddal tudnám az egyenirányítást megoldani. Diodahidat lehet is kapni, gondolom ennek méretezése nem olyan nagy gond? és lőn egyenáram!? Én relékben gondolkodtam lévén nagyjából eddig tart szűkös ismeretem. Éppen ezért ezt a rajzot azért még rendesen értelmeznem kell amolyan konyhanyelven is! |
|
(#4793) solesz válasza Antal Miklós hozzászólására (#4286)
|
Válasz •
|
Jan 22, 2011 |
|
azért van itt olyan is személyemben, aki 88-89 körül a ferenc crossbar-ban megcsinált műkedvelőként rosszindulatú hívás visszavezetést... és nem volt annál szebb, amikor éjjel 4-5 között beemeltem egy kézibeszélőt és halottam a teremben végig, ahogy felépül a tárcsahang...
az analóg vezérlés olcsóbb és talán romantikusabb is.
|
|
(#4796) Misi Misi válasza Tapti hozzászólására (#4786)
|
Válasz •
|
Jan 23, 2011 |
|
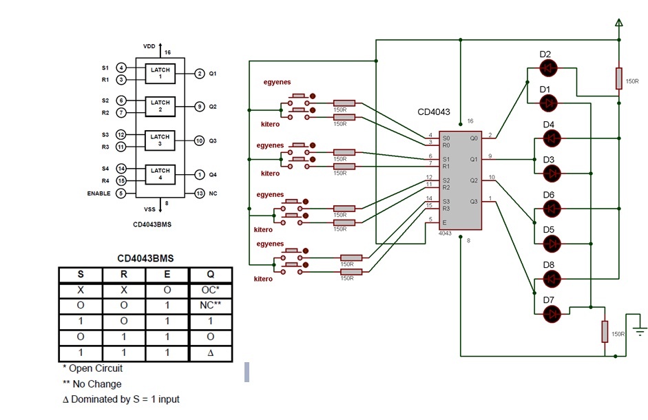
Egy pár magyarázatot kifelejtettem. A nyomógombok egyik felét a tápfeszültségre kötöd, a másik felét meg az IC egyik bemenetére és a váltó egyik bemenetére. Amikor az IC-n mondjuk az S0 bemenet logikai 1-est(tápfeszültséget kap), akkor A Q0 kimenet is logikai 1-es lesz, vagyis lesz rajta 14 volt. Ezzel meg tudsz hajtani egy diódát. Ha az R0 bemenet kap logikai 1-est, onnantól kezdve a Q kimenet logikai 0, vagyis a kimeneten 0 voltot kapsz ami szintén jó arra hogy meghajts vele egy diódát, és amint látszik minden kimeneten két dióda van, csak fordítva vannak bekötve és az egyik a földpotenciálhoz a másik pedig a tápfeszültséghez van kötve.
Az egyenirányítást természetesen végezheted előre legyártott dióda híddal, de az drágább picivel. Amint látod, az IC-ben 4 blokk van, vagyis 4 darab váltót tudsz figyelni vele. Szerintem sokkal olcsóbb mint a relé és talán kevesebb áramot is fogyaszt, na meg nem kattog... Az előző rajzon még megtalálható az IC lábkiosztása.
Remélem tudtam segíteni, üdv:
Misi |
|
|
|
(#4797) Tapti válasza Misi Misi hozzászólására (#4796)
|
Válasz •
|
Jan 23, 2011 |
|
Köszönöm! Így már sokkal érthetőbb! És ha jól értem a rajzot akkor a váltót egyenárammal vezérlem? Lehet bonyolítom, de több, pl. 3 LED-t is elbír kapcsolónként? Ill. a másik ötletem az hogy mivel a pultra felrajzoltam a pálya sematikus rajzát és a kitérőkhöz helyeztem a gombokat a beérkező részem mondjuk 2db LED(független a kapcsolástól, állandóan világít) majd az egyenes és a kitérő irányban 2-3 LED(kapcsolástól függően) így egy kis szakaszon 2-4cm-n világít . Kapcsoláskor a pulton is "mozogna" a váltó és látványban sem lenne utolsó, kis mérete miatt határozottabb leolvashatóság.
Persze diszkrét fényű zöld vagy sárga LED-del képzelem. |
|
(#4802) porkmotor hozzászólása
|
Válasz •
|
Jan 23, 2011 |
|
Sziasztok!Egy pár napja olvasgatlak Benneteket,rengeteg jó ötletetek van.
Analóg pályán lehetséges-e a vagonok (HO) világítását úgy megoldani,hogy már kis fesznél is világítson ?
Alapszintű elektronikai tudásomat nézve nem túl bonyolult kapcsolásokat várnék.
Köszi előre is ! |
|
(#4808) Frankye válasza Tapti hozzászólására (#4797)
|
Válasz •
|
Jan 23, 2011 |
|
A kapcsolás jó ötlet, de azért az egyenirányítás ne csak egy Graetz-híd legyen. Legalább egy kis zavarszűrőt tegyél még oda.
Ha az élethű vezérléshez szeretnéd hasonlóvá tenni a pultot, akkor használj sárga LED-eket, a zöldet a nagyvasútnál nem használják a vágányok-váltók visszajelzésére. (Sőt, továbbmegyek: A foglaltságot is ugyan azon a helyen jelzik vissza, csak vörös fénnyel...) |
|
(#4809) Frankye válasza porkmotor hozzászólására (#4802)
|
Válasz •
|
Jan 23, 2011 |
|
A LED-ek nyitófeszültsége elég alacsony. A sárga pl. 2,1-2,2 V körül már világít, a fehér kb. 3,6 V-nál világít teljes fényerővel. A baj csak az, hogy nem feszültséggel vezéreljük őket, hanem árammal, így egy áramgenerátoros kapcsolás kell hozzá, ami nem engedi a nagyobb áram felvételét a LED-nek, mert attól tönkremegy.
Ha bővebbet szeretnél megtudni, akkor javaslom a Hobbielektronika oldalt, ott olvasgass! Az "áramgenerátor", és a "LED" kulcsszavak segítenek a keresésben. |
|
(#4819) vegemvan válasza balatonperes hozzászólására (#4293)
|
Válasz •
|
Jan 23, 2011 |
|
Kedves balatonperes!
Sajnos rosszul tudod, mert a kecskeméti 7D-PBX rotary központ volt az utolsó forgó-morgó a MÁV-nál nem a hatvani. Ami a digitális központokat illeti, azokra a pécsi igazgatóságon is nagyon várnak, mert bár elektronikus, de analóg (EP) központok működnek. A négy nagy helyszín (Pécs, Dombóvár, Siófok, Nagykanizsa) kivételével egy hete volt a digitális átállás.
Örülök, hogy megoszthattam veletek ezt az infót, ,már akit érdekel.  |
|
(#4822) porkmotor válasza Frankye hozzászólására (#4809)
|
Válasz •
|
Jan 23, 2011 |
|
Köszi,Frankye,igyekszem tanulni,de konkrét választ ott sem találtam.Kb 20 évvel ezelőttről motoszkál vmi bennem,hogy nagyfrekvenciás jel csak a világításnak,amiről viszont a motort le kell választani...
Esetleg járművenkénti LED-es megoldás egyszerűbb lenne? |
|
(#4823) Misi Misi válasza Tapti hozzászólására (#4797)
|
Válasz •
|
Jan 23, 2011 |
|
Igen, a váltókat is egyenárammal vezérled(azoknak pláne tökmindegy, hogy egyen vagy váltóáram szaladgál a tekercseikben). Nem vagyok biztos benne, hogy az IC kimenete több ledet is képes meghajtani, az adatlapján sajnos nem igazán találtam erre vonatkozó adatokat. Ha netán nem elég erős 2-3 közönséges 3mm-es ledhez, akkor egy tranzisztoros erősítővel meg lehet oldani a problémát. Szerintem ami még látványosabb, mint a ledek, hogy színes optikai kábelt teszel, amit a diszkókban díszítésként szoktak használni, olyanokkal "rajzolod" le a pályát, a végükre teszel 1-1 ledet, és akkor csíkokban fog világítani. |
|
(#4824) Tapti válasza Frankye hozzászólására (#4808)
|
Válasz •
|
Jan 23, 2011 |
|
Azt hiszem a LED választás inkább a látvány és a láthatóság miatt dől majd el. Annyira nem ragaszkodom a hűséghez. Foglaltság visszajelző nem hiszem hogy lesz mert a pálya már kész, jelenleg a terep rendezését és az elektronikai bekötéseket csinálom. Pont ma lettem kész a táp hálózattal. Azért hálózat mert az állomás rész egy külön hálózatként is működik saját trafóval vagy az egész asztallal. Amíg az állomáson lekapcsolom a mozdonyt és elküldöm hátra addig a többi rész üzemel majd egy kapcsolással újra a nagy hálózat része. |
|
(#4825) Tapti válasza Misi Misi hozzászólására (#4823)
|
Válasz •
|
Jan 23, 2011 |
|
Ez jó ötlet, egy LED-hez illesztek némi optikai kábelt és meg is van a több fénypont egy fogyasztóval!
|
|
(#4826) balatonperes válasza vegemvan hozzászólására (#4819)
|
Válasz •
|
Jan 23, 2011 |
|
Remek.
És ez meddig működött forgó-morgóként? Azaz, mikor épült át?
Légyszíves, oszd meg velem. |
|
(#4865) zolti1001 válasza Antal Miklós hozzászólására (#4735)
|
Válasz •
|
Jan 25, 2011 |
|
Szia Miklós!
Nagyon szépen köszönöm a mindenre kiterjedő és minben igényt kielégítő válaszodat.
Ez az a kapcsolás, amit meg fogok építeni!
Az elkészültéről természetesen tájékoztatlak majd.
Addig is minden jót kivánok!
Üdv: zolti |
|
(#4886) Antal Miklós válasza zolti1001 hozzászólására (#4865)
|
Válasz •
|
Jan 27, 2011 |
|
Szia zolti
Szivesen.
ha érdekel, elkészültek a kapcsolási rajzai, és már több példány is: kétfogalmú jelzővezérlő, háromfogalmú jelzővezérlő -ről, valamint a váltók vezérlö ák.i is.
Én TTL logikában gondolkodtam, és a váltóút beállitás, és ezzel összhangban a jelzővezérlés, a foglaltság érzékeléssel együtt (amiről a cikk is született) logikai áramköröket használtam fel. Kicsit több IC-kell mint esetleg egy mikrokontroller esetén, de müködik. (és nem kell a programozással törödni)
Sok sikert, irj ha kérdésed van.
Miklós |
|
(#4890) városi szökőkút hozzászólása
|
Válasz •
|
Jan 27, 2011 |
|
Kérdést szeretnék feltenni Antal Mikós Úrnak a "Modellvasúti térköz biztosítási meg oldások " Című cikkével kapcsolatba.
Örömmel olvastam sőt többször is át rágtam a cikket ,
mielőtt a "deszka " modellt meg építettem. Az első (7414)egységgel és az utolsó (7432) egységgel semmi problémám.Viszont a számláló már Keményebb dió Legalábbis "nekem".Először nem számlált ,puszta véletlenül a nullázó bemenet testre ért és így már számlált de csak Vissza előre semmit.Később a 74193 Ic 4-s lábáról le vettem a /hátra/ a jel bemenetet és így számlált előre is de mihelyt a másik /4/ jel vissza került egyel kevesebbet számlált vissza felé. A másik kérdésem a Hall -szenzor lényeges e ,
hogy milyen én a HEStore- l vásárolt TLE 4905L Számút használom nem tudom meg felelő e. Szeretném ha valami hasznos tanáccsal tudna nekem segíteni. Előre is köszönöm. Tisztelettel B.A. |
|
(#4971) Antal Miklós válasza városi szökőkút hozzászólására (#4890)
|
Válasz •
|
Feb 4, 2011 |
|
Kedves Fórumtárs, bocsi, de nem kaptam a fórumtól üzenetet, és munkám külhonba hivott 1 hétig.
- számláló IC 74LS193 , itt egy apró technikai hiba - a részemről - került a kapcsolási rajzba.
Ezuton is kérek elnézést mindenkitől 
A számláló IC, számláló bemenetei az L>H átmenetet számolják, és csak akkor ha a másik bemenet H szinten van.
A hibát ott követtem el, hogy nálam a két egymás után következő LS14 inverter nem ugyanazon a panelon van.
(Az érzékelök mellett közvetlenül elhelyeztem egy-egy invertert és a számlálók 5 db egy másik nyákon a kiértékelő és meghajtó ÁK-kal együt egy másik nyákon vannak) Rosszul másoltam ki a kapcsirajzot az egészből 
HALL Ic- természetesen használható. Mivel ez a Hall Ic már Shmitt triggerrel is rendelkezik a két jelformáló LS14 kihagyható, még akkor is, ha a H>L>H átmenetet (amit egy mágnes elhaladása okozz) esetleg még két-három helyre kell is eljuttatnod.
A számlálós ák-t láncba is lehet kapcsolni úgy, hogy az adott rajz egy szakaszhoz tartozik, de az érzékelőktől jövő jel, az egyik szakasz kijárat > visszafelé számlálás, a másik szakasz bejárat > előre számláláshoz tartozik.
Csatoltam a Te általad használt Hall IC adatlapját a bekötés végett.
A Hall Ic-k általában a déli pólus elhaladását érzékelik jobban, távolabbról is. Nem mindegy emiatt az elhelyezése sem valamint a mágnes polaritása sem.
A TLE4905 IC-t felirattal felfelé kell elhelyezzni a két sinszál között, és a déli pólusnak kell elhaladnia felette. Mérésem szerint kb 3-4 mm-ről is üzembiztosan müködik.
Ehhez és az összes érzékelő pontos elhelyezésére, tesztelésére én a harmadik képen látható segédet készítettem egy használaton kívüli forgóvázból. Segítségével mind az érzékelők, valamint a jármüvekre kerülő mágnesek is pontosan lesznek felhelyezzve (É-D vonz, D-D taszit)
|
|
|
|
(#4975) városi szökőkút válasza Antal Miklós hozzászólására (#4971)
|
Válasz •
|
Feb 4, 2011 |
|
Kedves Miklós.
A nagyon várt válaszodat köszönöm ,és még ha időm engedi ma ki is próbálom. És jelent kezem az eredménnyel.
B.a. |
|
(#4978) városi szökőkút válasza városi szökőkút hozzászólására (#4975)
|
Válasz •
|
Feb 4, 2011 |
|
Kedves Miklós!
Nem bírtam tovább abba hagytam amit csináltam, /a redcsöves vezérlés egy részét kísérlet céljából át alakítom
Hall szenzoros vezérlésre/ A LÉNYEG ,hogy a "deszka panelon meg csináltam a szükséges át kötéseket és minden
MŰKÖDIK. KÖSZÖNÖM!.
Csak egy kérdés Jó látom hogy a 193-s IC MR nullázó pontja állandóra és nem nyomó gombra van kötve?
Maradok Tisztelettel B.A:
|
|
(#4996) Antal Miklós válasza városi szökőkút hozzászólására (#4978)
|
Válasz •
|
Feb 6, 2011 |
|
Sza B.A. Köszönöm a visszajelzést.
Az LS193 Reset lábát lehet helyileg egy 4,7k ellenálláson keresztül a földre kötni és az efektiv nullázást a bekapcsoláskor a kondi feltöltődése végzi.
De igy mindenhova kell ellenállás és a kondi.
Ha ezeket a Reset pontokat összefogod és egy közös bekapcsolási reset-et képzel > Master Reset > ami az összes áramkör bekapcsolási Reset-ét végzi.
Az áramkör ha tápfeszültséget kap, amig a 4,7k ellenálláson keresztül a 4,7u elko fel nem töltödik, L illetve H szintet ad ki.
Itt ügyelni kell, hogy egy IC kimenet csak 10db bemenetet tud ellátni. Tehát szükség van több meghajtóra, mint az ábra alján látható két inverter egymás után kapcsolva.
Sok sikert. Ha kérdésed van irj nyugodtan  |
|
|
|
| |
2026. Márc, 25. Sze 7:55:37 |
| |
Jelenleg 21 fő olvassa az oldalt |
|
|