|
|
|
Szervó vezérlés
|
Témaindító: Frankye, idő: Júl 1, 2014
Témakörök:
|
|
|
(#36987) zsolesz74 válasza diginewl hozzászólására (#36964)
|
Válasz •
|
Aug 31, 2014 |
|
Idézet: „Megpróbálom elérni a Trainmodules-t (nem szeretem állandóan Topi-t nyaggatni, de más meg füle botját sem mozdítja a cégnél)”
Mert szerintem ő maga a cég! Ezekhez nem kell több ember, én is egyedül viszem a boltot! Tervezek, programot írok, gyártok!
Egyébként meg nyaggasd. Ha vettél egy termékét és nem úgy működik, ahogy kell, legyen rá megoldás.
Azt azért én kipróbálnám a helyedben, hogy a többi elérhető szervovezérlővel hogyan reagál a kis szervód, mert simán lehet, hogy az a vacak. |
|
(#37024) piltdownman hozzászólása
|
Válasz •
|
Szept 1, 2014 |
|
Jött egy H-King szervo (itt is köszönet Zsolesz74-nek).
Az SG90-hez képest Mercedes190 – Skoda100.
555-ről folytonosan hajtva is beáll mivel lineáris a pot.métere, nem zsizseg, menetközben egyenletesen sípol, nem recseg, halkabb, erősebb (4,3 vs 1,8 kpcm), érzésre többnek tűnik,
a nagyobb tömegű motor következtében a nem folytonosan változó impulzusok okozta remegést jól csillapítja, két tengelyen van az áttétel, gumi alátét van hozzá.
Sw-vel, ill.555-ös á.k.-nál is megoldható, hogy tápfesz bekapcsoláskor csak 1-2fokot és ne kb.45-öt forduljon..
„Csak az az (vég) ár! - csak azt tudnám feledni! „ : kb. négyszeres és hát a mérete...
TT-hez kitérőhöz nyilván megfelel az SG90, hangszigetelővel érdemes szerelni, a H-King
kitűnő pl. egy Harcimacska ajtónyitójához.
Etwg, az „Octopus” –os kitérők hogyan mozdulnak első bekapcsoláskor és 8db mekkora áramot vesz fel működés közben? Kösz.
|
|
|
|
(#37032) etwg válasza piltdownman hozzászólására (#37024)
|
Válasz •
|
Szept 1, 2014 |
|
Egy kicsit moccannak mire beáll az egyensuly (1-2 fokot). Most egy 0,8A -s kapcsi táp hajtja az egészet. Még nem mértem, de az az érzésem, hogy ha felveszik a kivánt állapotot, mintha lekapcsolná a központ a szervok áramellátását ( közös mind a 8 szervora).
Ezt akkor vettem észre, mikor programoztam öket. Egy darabig huzigálja a váltorudat majd elhallgat és leáll . ( itt be lehet állitani a huzoeröt is - lehet, hogy azt figyeli.) |
|
(#37033) etwg válasza piltdownman hozzászólására (#37024)
|
Válasz •
|
Szept 1, 2014 |
|
A HK-tol már nem veszek semmit, eddig a legnagyobb csalodásom ez a cég. Hatalmas reklám remek termékek, de a világ egyik legagyalágyultabb üzleti politikája és ügyintézése van mögötte.
3 hete érkezett meg az utolso rendelésem tölük (Hollandiábol rendeltem, Singapurból érkezett!!  , de soha többet).
Közben más kinai boltbol ugyanaz sokkal gyorsabban, olcsobban és egyszerübben (onnan ahonnan rendeltam!) megjött. |
|
(#37037) piltdownman válasza etwg hozzászólására (#37032)
|
Válasz •
|
Szept 1, 2014 |
|
Hány voltos a bemenő táp? Az erről felvett áram érdekelne, amikor egyszerre mozog a nyolc szervo. (Az látszik, hogy az octopus panelen van egy kapcs.táp, 1x-ról le 5V-ra, nyilván segít,
hogy az 5V terhelhető legyen.)
Milyen a uC? Fel vannak a szervok vezérlő vezetékei valamilyen ellenállással az 5V-ra húzva? Kösz.
|
|
(#37038) etwg válasza piltdownman hozzászólására (#37037)
|
Válasz •
|
Szept 1, 2014 |
|
A mostani tápom 12V 0,8A. Majd megprobálom lemérni a fogyasztást ( ha müködik az amperméröm, mert az utobbi idöben betegeskedig ( már keresgélek egy ujat - ez már vagy 15 éves), igaz, hogy jo ha évente egyszer mérek áramot  ).
A chip egy AVR |
|
(#37064) zsolesz74 válasza etwg hozzászólására (#37033)
|
Válasz •
|
Szept 2, 2014 |
|
Akkor te is a SingPost áldozata lettél.
Én is úgy jártam velük már többször, hogy 1 hónapig rohadt valamelyik sarokba a csomagom, mert nem prioritásos volt, és akkor le se bagózzák! Írtam a kereskedőnek, hogy ejhaj ez már gáz! Erre másnap elindult a trackingben láttam és harmadnap a mosolygós postás átadta a kezembe.
A HobbyKing nekem továbbra is legjobb cég. A drágábbat nem tudom minősíteni, mert nekem a 2-3 dollár/termék nem az.
Szóval neked inkább a Singapur Post-tal van bajod, ahogy nekem is!
Ahogy írod, egyébként van most már Hollandiában is egy EU Warehouse! Viszont azt a felárat már én sem fizetem ki! |
|
(#37071) etwg válasza zsolesz74 hozzászólására (#37064)
|
Válasz •
|
Szept 2, 2014 |
|
Nemcsak a Singapur posttal van bajom, hanem a szemét HK-val.
Ha az ember egyszer Euros boltban Hollandiában rendel (mellesleg ott drágább, mint a hongkongi boltjukban), akkor onnan is szállitsák, mert akkor ugye már vámkezelve van a cucc!
Vagy mondják meg elöre, mert akkor olcsobban is rendelhettem volna tölük HongKongbol. (ahogy ezt korábban mindig tettem).
Nem ök felszámitják a drágább árat és még egyszer levámoltatják.
Velem ezt már biztosan soha többé nem fogják megtenni. Már jelentettem a bankjuknak is a csalást és kitöröltettem magam az adatbáziskukbol.
Szerencsére ugyanilyen vagy jobb szortimenttel már tele a WEB, az ember már nincs rájuk szorulva.
(Mit mondjak, amit tölük rendeltem Kinábol 1 héten belül megérkezett és 30% olcsobb volt - abszolut ugyanaz az áru!)
|
|
(#37093) diginewl hozzászólása
|
Válasz •
|
Szept 2, 2014 |
|
Szervó élmények: 
Ezzel a régi Trainmodules vezérlővel játszadoztam. (Topi nem válaszolt még)
A vezérlő és a szervó közé beraktam egy 4 m hosszú 3 eres vezetéket. Szépen vitte így is a váltót/szervót.
Ezzel az SG90-el szépen vált, nem zizeg, és szép nyomatéka is van a végállásokban is.
Nagyon jó ez a szervó dolog.
Kérdésem lenne:
Az SG90-es, és amit itt a fórumon láttam ETWq-nál kicsi kék szervó a G&D TT-ben, meg a Tower PRO TG-9e mind ugyanazok a típusok?
Azaz egyforma vezérlővel irányíthatók, és nagyjából azonos erejűek is?
|
|
(#37097) etwg válasza diginewl hozzászólására (#37093)
|
Válasz •
|
Szept 3, 2014 |
|
Nekem pillanatnyilag 4 fajta szervom van. Teljesen egyformán müködnek, pedig a méreteik meg az erejük is különbözö.
Ezeket a kékeket nemrég vettem Kinában ( ezek voltak szállitással együtt olcsobbak mint a HK szervok).
A HK-tol is jött egy tucat valamivel kisebb.
Amikor fejlesztgettem akkor vettem egy marék mezei szervot a Conradtol, és más ( hajo ) modelljeimben van néhány komoly szervom - azokat is kiprobáltam a modellvasuton. Ugyanugy müködtek, de teljesen felesleges.
(Az egyik korábbi ötletem az volt, hogy a szervoval egy nagy tolokapcsolot mozgatok és az mozgatja a váltot. A kapcsolohoz igen nagy erö kellett. Egyszerübb egy más mikrokapcsolot beszerelni, aminek a mozgatásához nem kell nagy erö) |
|
(#37125) diginewl hozzászólása
|
Válasz •
|
Szept 3, 2014 |
|
Nagyjából kezdem érteni HarciSün szervóvezérlőjét - ha minden igaz...
Kvázi PWM jellel (speciális négyszögjel, a hossz, és a kitöltés is fontos) lehet a két végállapotot a szervónál meghatározni/beállítani.
A sebesség, az mitől/hogyan függ ami idő alatt egyik pontból a másikba viszi a szervót? Azt milyen paraméter állítja be?
|
|
(#37127) etwg válasza diginewl hozzászólására (#37125)
|
Válasz •
|
Szept 3, 2014 |
|
Semilyen az egyszerü vezérlökön.
Neki két PWM generátora van az egyik az egyik állást kezeli a másik meg a másikat. Azaz, a átkapcsol a szervo mechaniaki adottságátol függ mennyi idö alatt éri el a mási állapotot. Ez lehet nagyon gyors is, de a leglassubb szervok is a másodperc 1/10-e alatt tudják ezt.
A mikroprocis vezérlöknél lehet azt csinálni amit te kérdeztél. Ott a uP egyenként kezel(het)i valamennyi szervot, és ott be lehet állitani individuálisan a sebességet - azaz, hogy mennyi idö alatt mozog az egyik állásból a másikba. (Általában ez 8 lépésben történik, pl. a +/-16 fokos elfordulásnál egy lépés 4 fok, és ezek között lehet beállitani a késleltetést, azaz hogyan követik egymást a lépések.) Ilyenkor szép lassan kattogva megy az egyik állásból a másikba (nálam mintegy 2-4 mp alatt).
A uP-s vezérlönél egyenként lehet a szervok helyzetét programozni, azaz amikor már be vannak szerelve egyenként végig kell menni minden szervon kézzel (gombokkal) középre állitani és elmenteni ezt az informáciot. Igy a uP tudja minden szervorol, hogy mi a középállása, és ez a referencia, innen fordulnak a parancsra jobbra/balra 16 fokot (ha ennyi van beállitva). |
|
(#37128) diginewl válasza etwg hozzászólására (#37127)
|
Válasz •
|
Szept 3, 2014 |
|
Aham! Talán értem.
Köszönöm!!!
A sebesség az a "darabos" mozgásból jön össze, közötte szünetekkel, a két végpozíció között.
Több lépésben történik: elindul - vár arról a pontról megint lép - megint vár így a második beállított pozícióig.
A proci mindig megjegyzi hol állította meg a szervót, majd tovább hajtja, aztán megint megállítja (közben állandóan változik az a bizonyos speciális PWM jel) |
|
(#37129) etwg válasza diginewl hozzászólására (#37128)
|
Válasz •
|
Szept 3, 2014 |
|
Kb igy van. Lehetne finoman is menetni (mint HarciSün kolléga szerkezetén), ha csavarod a potit, akkor a szervo követi annak a mozgását.
A uPs vezérlésben ez azonban felesleges a 8 lépés felbontás szerintem untig elég.
Itt az ember mindig kompromisszumot keres.
A uP nem tud folyamatosan mozogni, mindig csak lepésbe, igy a tervezö dönti el milyen finom a mozgás (hány lépcsö visz fel az emeletre - a piramis épitö rabszolgák inkább egy sik rámpát épitettek a lépcsök helyett).
Ha sok a lépcsöfok, akkor sok értéket kell kezelni, nagy memoria meg több idö kell hozzá, igy döntöttek az esetemben a 8 lépcsöfokról.
Ugyanugy a közbülsö idö is lépcsözetesen programozhato kb. a 4 mp 1/8-val, azaz 0,5/8 = 0,0625 mp lépésenként a leggyorsabb mozgás. Ennyi idö alatt éri el a PWM a másik határértéket. Itt már közbejátszhat a szervo lunyhasága is, ha nem tud ilyen gyorsan forogni, akkor várni kell rá. |
|
(#37141) zsolesz74 válasza diginewl hozzászólására (#37128)
|
Válasz •
|
Szept 3, 2014 |
|
Szerencsére azért ez nem ennyire bonyolult, ha tudod hogy működik.
A lényeg, hogy minden pozíciónak van egy kitöltési ciklusa. Durván kb 1000us a kezdeti, 2000us a végállás. A középállás kb 1500us. Ha a két érték között kezded a kitöltési tényezőt folyamatosan állítani, akkor a szervo leköveti. Minél nagyobbakat léptetsz, annál durvább lesz a mozgása. Minél gyorsabban érsz át a két végállapot között, annál gyorsabban mozog.
Mivel millisecundumokról beszélünk végeredményben, így a mozgást lehet korrekt tempóban látványosan NEM SZAGGATVA átállítani.
Csak egy adalék, hogy érezd a különbséget. Egy 4MHz-es processzor alapjáraton 1us időnként végez el egy programsort. Ehhez képest a szervo ennek az ezerszeresével időzíthető, lásd fent.
Emiatt a proci nagyon sokat pihen egy-egy lépésközben. Ezt kell úgy programozni, hogy ne egy szaggatott vacakolás legyen, hanem mozgás! A nagyságrendi különbség lehetővé teszi!
Kiegészítés!
A PWM jel egy szervó esetében nem változhat! A gyári lapon megadják, ez általában 50-60Hz. Ebben a tempóben kell a pozíciókat újra és újra elküldeni, addig amíg beáll a végpozícióba! |
|
(#37142) diginewl válasza zsolesz74 hozzászólására (#37141)
|
Válasz •
|
Szept 3, 2014 |
|
Magyarán, ha pl. HarciSün kollegának lett volna kettő ilyen programozott jelgenerátora az egyik az egyik irányt, a másik a másik irányt tudná, akkor szépen lassan váltanának át neki a szervói, és nem úgy, ahogy bírnak, a 2db 555ic által generált végponti értékig. |
|
(#37146) etwg válasza diginewl hozzászólására (#37142)
|
Válasz •
|
Szept 3, 2014 |
|
Nem egészen, mert annak a megoldásnak más a nyitja. Ott abbol indul ki, hogy két alapállás van és az között kel átkapcsolni. ( ez az egyszerübb, de mellöz minden finomságot).
A uP-s cucc meg minden szervot egyedien kezel (még akkor is, ha egyes jellemzöket csak közösen lehet állitani - mint nálam a kitérési szög közös minden szervora nézve). Ha erre egy parancsot adsz akkor a uP az adott parancsot az adott szervora küldi - azaz beállithatod milyen gyorsan mozogjon. Ezt a fenti egyszerü szerkezeten nem lehet, mert minden szervo ugyanarrol a két jel generátorról táplálkozik.
|
|
(#37149) diginewl válasza etwg hozzászólására (#37146)
|
Válasz •
|
Szept 3, 2014 |
|
Opp, azt elfelejtettem írni -elnézést - , hogy elméletben lenne jó, mert az ő vezérlése a végére egy kicsit más lett, így oda egy-az egyben nem illeszthető be.
 |
|
(#37151) etwg válasza diginewl hozzászólására (#37149)
|
Válasz •
|
Szept 3, 2014 |
|
Azt az 555-st elég huzos lenne igy átalakitani. |
|
(#37153) etwg válasza diginewl hozzászólására (#37128)
|
Válasz •
|
Szept 4, 2014 |
|
Talán még annyit zsolesz hozzászolásához is, hogy valoban 1500us körül mozog, ha jol tudom max +/- 500us tartományban, de ez a szervo egész forgására érvényes ami kb 90 fok!
Ha ezt leszükitjük a váltokhoz untig elegendö 30 fokra, azaz egyharmadra, akkor az impulzusszélesség is lecsökken +/-166us-ra (kb).
Azaz ennyit változik a PWM szélessége a két végállás között. (Az ismétlési freki fix 50Hz).
Igy a uP-nek ha 8 lépésben megy az egyik állásbol a másikba lépésenként 40us-l kell növelni vagy csökkenteni a PWM szélességét. (-160,-120,-80,-40,0,40,80,120,160 az 1500us referenciához képest).
Ha ezt a max sebességen teszi, akkor ez a 8 ciklus 8/50 =0,16 sec alatt történik meg. Ha lassabban kell akkor minden közbülsö lépcsöt többször ismétel, mondjuk 8x, akkor 1,28 sec tart mire eljut a másik állásba.
Miután igen kis mozgásrol van szo ennyi lépcsö elég a majdnem folyamatos de lassu mozgáshoz.
Persze, aki maga irja a programot csinálhatja finomabbra is. A lényeg az, hogy ezeket a paramétereket el kell menteni a mikroprocesszor agyába ( a többivel együtt - pl. A középhelyzet paraméterével, a erö jellemzöjével stb.), és az adott parancsra ezeket mind elö kell hivni és kezelni valamennyi szervohoz külön külön. |
|
(#37154) HarciSün hozzászólása
|
Válasz •
|
Szept 4, 2014 |
|
Én csak annyit szólnék hozzá, hogy lehet egy olyan megoldás is ahol minden szervó kap egy saját jelgenerátort és azon belül lehetne átkapcsolni a két végállásnak megfelelő ellenállást - így minden szervó végpontja egyedileg beállítható lenne. (persze ettől az átváltási sebesség nem változna)
Én a lehető legegyszerűbb és olcsóbb működő megoldást kerestem.
Ha még rászánnám magam, hogy a tápot normálisan megcsináljam még jobb lenne... Majd a következő 4-es szervócsoporttal kísérletezem még. |
|
(#37155) etwg válasza HarciSün hozzászólására (#37154)
|
Válasz •
|
Szept 4, 2014 |
|
Az tul bonyolult lenne, amiért nem kapsz semmi extrát. Sokkal egyszerübb az ugy, ahogy most van és csak az állito rudat kell megfelelöen görbiteni a pontos müködéshez. |
|
(#37176) piltdownman hozzászólása
|
Válasz •
|
Szept 6, 2014 |
|
Az előzőekhez még egy-két dolog. (Vajon Diginewl kollégánk meddig bírja ?  )
Az sg90 és a HK15138 kb. 0,8ms és 2,5ms pulzusszélességeknél veszi fel a két végállást (240fok ill 220fok), a középállás kb.1,5ms—nél van. A kitérőkhöz elég a +- 20fok, ehhez 1.5ms +- 0,4 ms , azaz 1,1ms és 1,9ms szélességű impulzusok kellenek.
Az SG kicsit remeg, a HK simán fut, nyilván a motorok tömege miatt.
Az egyszerű uC-est is könnyű beállítani, ha a tanuló üzemhez szükséges három kapcsoló-nyomógomb ki van vezetve az asztal alól, beállítás után ezekre nincs többé szükség. Ennél is egyszerűbb etwg automatikusan önbeálló Octopusa.
Az 555-ös megoldáshoz. Külön 5V-ről járjanak a szervók, közös tápfesz esetén az 1A
csúcsáramok miatt „jitter”-el (remeg) az 555 kijövő jele, az R/C viszonyt minél kisebbre érdemes választani .pl 10k/330n + a diódával || 82k,érdemes 10k-s helipot-ot használni.
Prellegő kapcsoló ugrást okozhat.
Ha átváltott a kitérő, le kell kapcsolni az impulzusokat, rugó ellen dolgozik a szervó, folytonosan szabályoz, kikoptatja a potmétert. Sw hiba miatt (bennem volt, elfelejtettem kikapcsolni) egész éjszaka zsizseget, reggel már töréspontos volt a poti.
HarciSün, a HarciMacska tulaj ajánlata továbbra is érvényes. |
|
(#37178) diginewl válasza piltdownman hozzászólására (#37176)
|
Válasz •
|
Szept 6, 2014 |
|
Idézet: „(Vajon Diginewl kollégánk meddig bírja ?)”
Hehe, 2 hónappal ezelőtt még hallani sem akartam a szervókról, most meg már csak ezt tudom elképzelni egyetlen lehetőségként váltóállításra.
Úgyhogy muszáj bírnom.
Az itt leírtakat nem teljesen értem, de nem is biztos, hogy kell
Egyenlőre várok.  |
|
(#37180) etwg válasza diginewl hozzászólására (#37178)
|
Válasz •
|
Szept 6, 2014 |
|
Mire?
|
|
(#37193) zsolesz74 hozzászólása
|
Válasz •
|
Szept 6, 2014 |
|
Én végül azt a megoldást választottam, hogy mind a 4 kimeneten külön-külön beálíltható a két végpont, illetve a sebesség. Ezzel a szervók paraméterezése olyan finoman beálíltható, hogy ordas nagy hibával szerelt pozíciókat is helyre lehet tenni.
Jobb is ez a megoldás, mert én például kifejezetten nem szerettem a csak tartomány beállítást, amit az octopus alkalmaz.
Nyilván azt is tudni kell, hogy ezzel arányosan a nagyobb tudás-drágább vezérlő elv is érvényes. |
|
(#39155) HarciSün hozzászólása
|
Válasz •
|
Nov 7, 2014 |
|
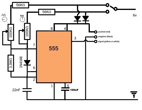
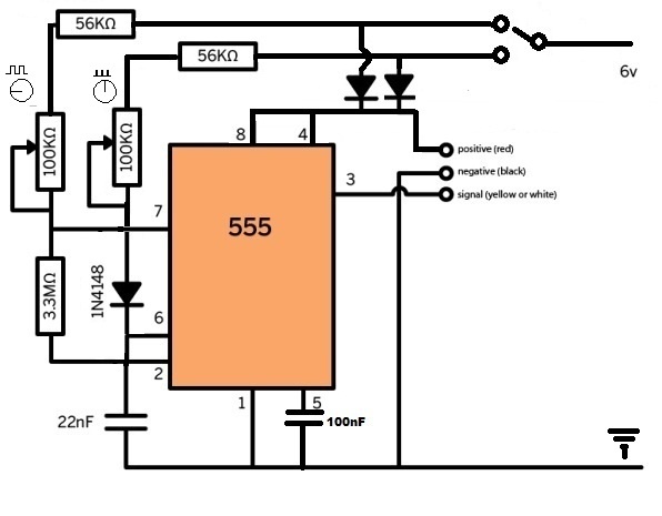
Tiszteletem!
Mivel megjött kínából az új adag szervóm új kísérletezést tervezek.
Leellenőrizné valaki, hogy a mellékelt rajz életképes lehet-e?
(egyszerű két nyomógombos szervóvezérlő akar lenni egyetlen szervó irányításához - természetesen a két trimmer két különböző állásba állítva a két végpontnak megfelelően)
Köszönöm! |
|
|
|
(#39156) etwg válasza HarciSün hozzászólására (#39155)
|
Válasz •
|
Nov 7, 2014 |
|
Nincs egyszerübb mint kiprobálni. Lehet, hogy nem minden szervo viselkedik egyformán, de elméletben minden jonak néz ki. Persze ez nem zár ki átmeneti állapotokat, amikor te tápot és impulzusokat egyszerre adsz a szervora. Vannak olyanok, amik bekapcsoláskor elöször egy belsö algoritmussal ellenörzik a helyzetüket, és csak utánna reagálnak a parancsokra. |
|
(#39157) HarciSün válasza etwg hozzászólására (#39156)
|
Válasz •
|
Nov 7, 2014 |
|
Ha azt mondod megér egy próbát akkor az már nekem elég
Amint tudom összedrótozom és kiderül.
(ha működne az azért lenne igen jó, mert a teljes bekerülési költsége 250Ft az alkatrészeknek, azaz minden szervó motor kaphatna egy ilyet és akkor megoldódik az egyenkénti végállás beállítás is) |
|
(#39158) etwg válasza HarciSün hozzászólására (#39157)
|
Válasz •
|
Nov 7, 2014 |
|
Számoltad az impulzus frekijét és széleségét? (Én nem, ezért kérdezem).
|
|
(#39160) HarciSün válasza etwg hozzászólására (#39158)
|
Válasz •
|
Nov 7, 2014 |
|
bevallom nem számoltam én semmit... fogtam az eredeti működő 555-ös áramkört (amin csak egy trimmer/poti van) és abba rondítottam bele a saját elgondolásom szerint...
Amatőr barkácsoló vagyok nem elektromérnök  |
|
(#39161) etwg válasza HarciSün hozzászólására (#39160)
|
Válasz •
|
Nov 7, 2014 |
|
Akkor valaki helyetted számolta....
|
|
(#39162) proba válasza HarciSün hozzászólására (#39157)
|
Válasz •
|
Nov 7, 2014 |
|
Szervó ügyben nekem úgy tűnik több 10-100 váltás után bevált , elektronika ki, és 1.2 -1.5 V feszültségről a szervó tökéletesen átvált, soha nem szorult meg. Az ezen a feszültségen elérhető maximális nyomaték ártani már nem árt semminek az ETWG által javasolt görbe drót után. A végállást a felütközés adja. Száguldozni sem száguldozik, tüskéket nem termel, a maga 180-200mA max fogyasztásával (elakadt) lehet számolni. Még a végállás kapcsolók kitalálása van hátra, a polarizációhoz, meg a motor lekapcsolásához. |
|
(#39164) csíkosháTTú válasza etwg hozzászólására (#39156)
|
Válasz •
|
Nov 7, 2014 |
|
Idézet: „...te tápot és impulzusokat egyszerre adsz a szervora.”
A kapcsolás pontosan ezt teszi. Akkor van tápja (és addig), amíg valamelyik nyomógombot nyomva tartod. Impluzus is csak addig van. |
|
(#39165) etwg válasza csíkosháTTú hozzászólására (#39164)
|
Válasz •
|
Nov 7, 2014 |
|
Ezért jegyeztem meg, hogy akadhat olyan szervo ami ezt nem fogja szeretni, de azt csak a proba után tudjuk eldönteni. |
|
(#39166) HarciSün válasza etwg hozzászólására (#39165)
|
Válasz •
|
Nov 7, 2014 |
|
Pontosan ez lenne a kísérlet lényege!
Ugyanis korábban amit csináltam két folyamatosan menő jelgenerátorról opto kapukon át hajtott szervók is így működnek (jelenleg is) csak amint több volt összefűzve működnek ugyan, de picit azért érezhető, hogy belezavarnak egymás működésébe.
Akkor kiveséztük, hogy lehet a hirtelen nagy áramfelvétel az oka ami esetleg belezavar a jelgenerátorokba, vagy az optokba...
Most gondoltam kipróbálom "tisztán" csak egy db szervó motorral mindenféle opto nékül. Így kiderül mennyire lesz jobb/rosszabb...
A szervók továbbra is a kicsi kék TowerPro SG-90 típusúak. (kicsi, occsó) |
|
(#39170) HarciSün hozzászólása
|
Válasz •
|
Nov 7, 2014 |
|
Hát egyrészt jól működik, szépen beáll mindkét irányba, de másrészről ahogyan a videón is látszik nagyon kényes a "kapcsoló" kontaktjára.
Ha szépen stabilan sikerült odaérintenem és ott tartanom akkor beáll a megfelelő pozícióba és ott is marad (tehát később sem mászik el, csendben marad és tartja a helyzetét) viszont az odaérintéskor és az elvételkor ha prell keletkezik (tehát nem tökéletes a kontaktus) akkor össze-vissza ugrál.
Van valami ötlet hogy hogyan lehetne ezt kivédeni? |
|
|
|
(#39171) etwg válasza HarciSün hozzászólására (#39170)
|
Válasz •
|
Nov 7, 2014 |
|
Ha még ez az intelligens bestia itt a kezemben le is tudná játszani a videodat okosabb lennék, de igy látatlanban amondo vagyok, hogy prellmentesiteni kell a kapcsolot.
A legprimitivebb megoldás amit most tehetsz, a kapcsolokkal sorbakötsz egy-egy kb 100 ohmos partizánt a másik végére meg 1-1 1-2uF elkot kötsz a földre. Lehet, hogy párhuzamosan még egy 10-40 nF keramikus is jol fog jönni.
Bonyolultabb prellmentesités egy további IC-t igényel, amire most bizonyára nincs lehetöséged. |
|
(#39175) csíkosháTTú válasza HarciSün hozzászólására (#39170)
|
Válasz •
|
Nov 7, 2014 |
|
Én a következő változtatásokat tenném meg kísérletként:
1: az 555-ös tápfeszültségét fixen rákötném +5V-ra.
2: a két vezérlő nyomógombbal párhuzamosan meg kötnék egy-egy 100nF kondenzátort.
|
|
(#39178) slogan válasza csíkosháTTú hozzászólására (#39175)
|
Válasz •
|
Nov 7, 2014 |
|
Tettem fel az apróba egy alternatívát  |
|
(#39181) csíkosháTTú válasza slogan hozzászólására (#39178)
|
Válasz •
|
Nov 7, 2014 |
|
|
|
(#39182) etwg válasza slogan hozzászólására (#39178)
|
Válasz •
|
Nov 7, 2014 |
|
Ennyiért én is vennék legalább 10-t.
 |
|
(#39183) slogan válasza csíkosháTTú hozzászólására (#39181)
|
Válasz •
|
Nov 7, 2014 |
|
Jogos,kösz 
(az E betű a drága  ) |
|
(#39184) HarciSün hozzászólása
|
Válasz •
|
Nov 7, 2014 |
|
Nu, a kísérletek eredménye, hogy a gond azzal van, hogy amikor a szervo áramot kap akkor rándul egyet.
Ha a nyomógombokat egy váltókapcsolóra cserélem (tehát mindig kap valamilyen jelet és áramot a szervó) akkor atom biztos lesz. Határozottan beáll és tartja is a beállított irányt.
Bekapcsoláskor viszont ránt egyet (majd beáll)
Tehát a kapcsolás működik de csak váltókapcsolóval, szervónként vezérelve (de ott beállítható a pontos végállás) |
|
(#39185) etwg válasza HarciSün hozzászólására (#39184)
|
Válasz •
|
Nov 8, 2014 |
|
Sajnos ez várhato volt. A belsö elektronika megprobálja stabilizálni magát amikor áram alá helyezed ( ez a normális rendje a dolgoknak). Ezért kell a szervokat áram alatt tartani mükldés közben. |
|
(#39187) diginewl válasza HarciSün hozzászólására (#39184)
|
Válasz •
|
Nov 8, 2014 |
|
Hali!
Egy ötlet, ne a tápot szakítsd meg, hanem a betáp 0-ját/GND-jét, és a jelet. A +5V maradjon fixen kötve.
Nekem akkor nem rángatott  |
|
(#39188) HarciSün válasza diginewl hozzászólására (#39187)
|
Válasz •
|
Nov 8, 2014 |
|
Ez sajnos nem vállt be... Mindegy melyiket szakítom meg, amikor újra áramot kap a rándulás megmarad...
Szóval marad az eredeti terv váltókapcsolóval - ez így stabil.
Minden szervó kap egy ilyet, így beállítható a két végpont viszont így nem lehet összefűzni több váltót vágányutakba. (maximum relékkel)
Minden váltóhoz továbbra is 3 vezeték megy így a kábelezés nem változik... |
|
|
|
(#39189) etwg válasza HarciSün hozzászólására (#39188)
|
Válasz •
|
Nov 8, 2014 |
|
Igy azért elég feleslegesen bonyolitod a dolgot.
Miután a váltokapcsolo mindkét állásában + megy az 555-re meg a szervora is, igy felesleges. Kihagyhatod a diodákat, és vezetéket is sporolhatsz. A szervokat egyböl rákötheted egy központi 3-5V-s tápra, ha tul messze vannak egymástol akkor csillagszerüen vezesd oda a tápot ( 1-1csoport szervora). A vezérlésböl untig elég az impulzusokat külön a szervokhoz vezetni.
|
|
(#39190) slogan válasza diginewl hozzászólására (#39187)
|
Válasz •
|
Nov 8, 2014 |
|
Ha a GND-t szakítod meg ,ugyan az ,mintha a tápot 
Így is ,úgy is megszakad az áramkör  |
|
(#39191) HarciSün válasza etwg hozzászólására (#39189)
|
Válasz •
|
Nov 8, 2014 |
|
Ez akkor jó ha a vezérlőket a váltók közelébe kell tenni (pl az asztal alá) - akkor is végig lehet vinni a negatívat egyiktől a másikig, és csak két +"vezérlő szál" kell váltónként (és akkor mivel független mindentől a hibakeresés is könnyebb)
Természetesen amit Te írsz az is jó, akkor minden ilyen vezérlő marad a pultnál, a + és a - végigmegy egyiktől a másikig és csak a jel megy külön...
Legyártok ezekből vagy 4-et és remélem akkor már nem fogják egymást zavarni ha közös tápról megy.
Jah és megnézem, hogy akkor mi van ha párhuzamosan két szervót vezérel. |
|
| |
2026. Márc, 25. Sze 7:33:11 |
| |
Jelenleg 16 fő olvassa az oldalt |
|
|