|
|
|
TT pálya az ágy alatt
|
Témaindító: HarciSün, idő: Dec 16, 2012
Témakörök:
|
|
|
(#24165) etwg válasza HarciSün hozzászólására (#24159)
|
Válasz •
|
Okt 12, 2013 |
|
Azért is választottam 3 ilyen váltot, hogy lássam a kombináciokat. Szerintem minden kombinácio ki fog jönni. |
|
(#24171) JZoli válasza etwg hozzászólására (#24154)
|
Válasz •
|
Okt 12, 2013 |
|
Nem akarok belebeszélni a dologba (de most azért megteszem)! Szerintem ez a diódás megoldás nem jó, mert a diódahálózaton keresztül olyan váltó is áramot fog kapni aminek nem kellene. Például az egyes gomb benyomásakor a két diódán keresztül áramot kap az egyes váltó (nem kellene ide a két sorba kötött dióda, az áramot egy is oda tudná vezetni). Viszont a váltóra menő jobb oldali dióda anódján megjelenő feszültség a másik diódán simán tovább is tud menni és a hármas nyomógomb bal oldali és középső diódáján keresztül a kettes váltónak is ad áramot, mert mindegyiken katód-anód irányában-tehát vezető irányban-fog átmenni az áram. Sőt a hármas váltó is kap áramot a négyes nyomógomb jobb- majd bal diódáján keresztül, és még ugyanez nyomógomb középső diódáján át a kettes váltó tekercsére is ad áramot.Leírni nehezebb mint átnézni, de némi tanulmányozás után rá lehet ezekre jönni. |
|
(#24175) etwg válasza JZoli hozzászólására (#24171)
|
Válasz •
|
Okt 12, 2013 |
|
Akkor mégis 2 áramkörös nyomogomb fog kelleni.
 |
|
(#24180) zsolesz74 válasza HarciSün hozzászólására (#24159)
|
Válasz •
|
Okt 12, 2013 |
|
Valaha voltak a telefonközpontok reléi, amin rahedli érintkező volt és állítani is lehetett a kapcsolásokat rajta. Ezekkel megoldható volt amit keresel.
Sajnos a motoros állítóművek nagyon megbonyolítják az életet, ennél még a szervok is egyszerűbben összeszervezhetőek!
Pont mint amire szükséged van. |
|
(#24181) HarciSün válasza etwg hozzászólására (#24175)
|
Válasz •
|
Okt 12, 2013 |
|
Pont ettől tartottam amit JZoli is írt! Anno amikor kísérleteztem is ezt tapasztaltam: csak az egy irányba álló diódákat lehet összekötni, azaz párhuzamosítani - de amint az egyik váltó A a másik B állásba kerül felborul az ügy...
Zsolesz: elhiszem, hogy a szervó jobb, de már ebből a típusból vásároltam be anno - ráadásul meg is van mind a 12 vadi új állítómű. Most már kár lenne lecserélni, ebből kell összehozni...
Etwg: jól sejtem, hogy úgy érted, hogy a két áramkörös nyomógomb nyomógomb egyik pólusa az egyik, a másik a másik áramirányt kezelné? |
|
(#24182) zsolesz74 válasza HarciSün hozzászólására (#24181)
|
Válasz •
|
Okt 12, 2013 |
|
Akkor viszont nem tudod elkerülni a bonyolultabb megoldást. 
De meg lehet csinálni, amit szeretnél!
|
|
(#24183) etwg válasza HarciSün hozzászólására (#24181)
|
Válasz •
|
Okt 12, 2013 |
|
Pontosan. A trafo also vezetékét fel kell osztani 2 diodával + -ra meg - ra. Igy kapsz két vezetéket az egyiket a nyomogombok egyik körére a másikat a másik felére kell kötni, majd innen egyenesen vagy diodákon át ( ha több váltóra kell vinni a potenciált) alakithatod a váltók kapcsolását. A diodák száma valamivel csökken a korábbi változathoz képest, a logika viszont marad, egymástól el lesz választva a két polus és nem kerül sor a motorok párhuzamos kapcsolására mind a korábbi rajzomban.
A kétáramkörös nyomogomb olyan, hogy 4 kivezetése van, ha megnyomod akkor 2-2 összekapcsolodik. |
|
(#24185) HarciSün válasza etwg hozzászólására (#24183)
|
Válasz •
|
Okt 12, 2013 |
|
Igen, értem az elvi logikát. A két áramkörös nyomógombot is ismerem - csak még keresni kell megfelelő típust. A nyákos típusok olcsók és van belőlük 2 ák-s, de csak kevés áramot tudnak - itt meg ugye akár 5 db állítómű is átvágódhat egy nyomógomb megnyomására - annak áramát el kellene viselnie. |
|
(#24188) etwg válasza HarciSün hozzászólására (#24185)
|
Válasz •
|
Okt 12, 2013 |
|
Egy ampert tudnak, annyi elvileg elégnek kell lenni 2-3 váltora. Amugy meg fillérekbe kerülnek igy a csere sem különösebb költség. |
|
(#24190) HarciSün válasza etwg hozzászólására (#24188)
|
Válasz •
|
Okt 13, 2013 |
|
Viszont így ha jól filózom, akkor az állítóművekhez menő 3 vezeték helyett elég kettő is, és az egész diódás kapcsolást a pult alá lehet vinni és ott történne a polaritás fordítás...
-1 vezeték állítóművenként: ennyi haszna máris van a dolognak... |
|
(#24191) HarciSün válasza HarciSün hozzászólására (#24190)
|
Válasz •
|
Okt 13, 2013 |
|
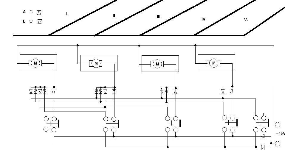
No ha nem szúrtam el semmit akkor valahogy így nézne ki 5 vágánnyal, 4 állítóművel egy egyszerű 5 variációs vágányút...
Elvileg jó de ha valaki hibát talál benne szóljon!
Köszönöm! |
|
|
|
(#24197) etwg válasza HarciSün hozzászólására (#24191)
|
Válasz •
|
Okt 13, 2013 |
|
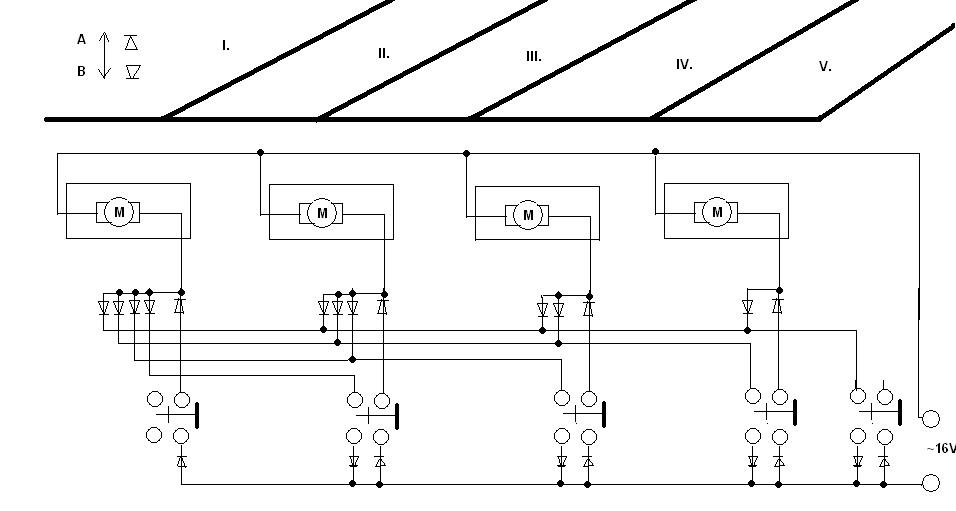
Kb. Igy lenne jo, az also diodákat 2-re redukálhatod és igy kötheted össze a kapcsolok plusz és minusz lábait ( nem kell mindegyikre a dioda).
És valoban megsporolhatsz egy vezetéket is váltoként, ami nem kis dolog!
 |
|
(#24201) HarciSün válasza etwg hozzászólására (#24197)
|
Válasz •
|
Okt 13, 2013 |
|
Teljesen igaz!
Akkor valahogy így: |
|
|
|
(#24223) HarciSün válasza HarciSün hozzászólására (#24201)
|
Válasz •
|
Okt 14, 2013 |
|
Következő kísérletek:
1.
Mivel itt impulzusszerű a kapcsolás (tehát az átváltás után nem kap áramot az állítómű) és a végálláskapcsolók kontaktusai elég megbízhatatlanok - legalábbis úgy tudom az a leginkább gyenge pont amitől nem működhet - a motor fog kapni fixen két vezetéket és azon keresztül lesz meghajtva kikerülve az összes megszakító lemezkét.
2. Valamilyen függőséget szeretnék kialakítani a vágányutak és a majdani ki-bejárati jelzők között, de teljesen kihagynám ebből is az állítóművek visszajelzőit. Előástam egy 2005-ös index fórumos eszmecserét a 4013-as Flip-flop IC-ről és elvileg megoldható lenne, hogy azzal összekötöm a vágányutakat, kiegészíteni egy "töröl" (minden jelző tilos) és egy "bejárat" - "kijárat" gombokkal...
Így már egészen Dominó szerű vezérlést lehetne kialakítani. |
|
(#24224) etwg válasza HarciSün hozzászólására (#24223)
|
Válasz •
|
Okt 14, 2013 |
|
a motor fog kapni fixen két vezetéket és azon keresztül lesz meghajtva kikerülve az összes megszakító lemezkét.
Akkor mindenképpen fog kelleni a központi tápba egy egy védöáramkör, a legegyszerübb esetben pl. egy sorbakötött 21W-s autoizzó a trafó kimenetén (vagy 2 kondenzátoros energia forrás, külön a pozitiv meg a negativ ágnak.), ami megvédi a motorokat az elörelátható balhéktól.
eszmecserét a 4013-as Flip-flop IC-ről és elvileg megoldható lenne
Ez nem jó ötlet ebben az esetben. miután kizárolag a válto állása képes valamit visszajelezni (a nagyvasuton is a mechanikus változár teszi ezt), ezért a flip-flop nem lesz megbizhato. Egyedüli megolásnak egy-egy kis kapcsolot tudok elképzelni, amit vagy maga a válto müködtet, vagy valamivel rosszabb esetben a váltomotor. Tehát, ha innen kapsz egy jelet, az már kezelhet flip-flopot meg bármit, mert ennek a jelnek az eredete a valodi mozgás és nem egy immaginárius feltétel, amit késöbb követni kivánsz.
|
|
(#24225) HarciSün válasza etwg hozzászólására (#24224)
|
Válasz •
|
Okt 14, 2013 |
|
Igen, tény, hogy én azt feltételezem, hogy ha közvetlenül kapja meg a motor a megfelelő irányú áramot akkor az át is vált és ott reteszelődik is - amit mechanikai hiba esetén nem kezelne le a flip-flop hisz az csak az állítóműre adott feszültség alapján önállóan billenne át a tényleges mozgástól függetlenül működne... Nem egy valóságos biztosító berendezés, inkább csak egyszerűbb kezelésű és látványosabb mintha külön kapcsolgatnám a jelzőket.
A másik amit most keresgetek még mindig a 2 áramkörös nyomógomb - nem lehetne ezt két tranzisztorral (FET-el) kiváltani? Nem igen találok megfelelő nyomógombot 2 áramkörösből...
Nem ijednék meg a nyáklap készítéstől ha értem, hogy mit csinálok. Inkább megtervezném és legyártanám rendesen a szükséges elektronikát csak később minél kevesebb gond legyen vele...
Ugye itt 3 egymástól független dolog van:
- vágányút beállítása
- szakaszok kapcsolása
- jelzők állítása
Ezek közül jó lenne egybehozni minél több dolgot. |
|
(#24229) HarciSün válasza HarciSün hozzászólására (#24225)
|
Válasz •
|
Okt 14, 2013 |
|
Ha minden igaz akkor a motor forgásirányát a polaritás felcseréléséért felelős H-híd is el tudja végezni és akkor egyenáramot is lehetne végig használni.
Egyenlőre még csak tanulmányozom a dolgot de a H-hídnak 4 bemenete van amik ellentétesen össze vannak kötve hogy mindig az ellentétes tranzisztor nyisson ki. Az így kapott 2 bemenet már + tápot vár ami egyrészt már diódákkal összefűzhető a hagyományos módon, másrészt a vezérlőjelen nem folyik nagy áram, így akár logikai IC bemenete is lehet párhuzamosan... Ráadásul így egy áramkörös sima nyomógomb is elég!
Azt nem tudom viszont, hogy az aká 250mAh-es motorokhoz mekkora tranzisztorok kellenének, így úgy általában milyen értékek lennének jók.
Egy egyszerű H-híd kapcsolást itt találtam: H-híd kapcsolás |
|
(#24230) csíkosháTTú válasza HarciSün hozzászólására (#24229)
|
Válasz •
|
Okt 14, 2013 |
|
L272D.
Ez annak az IC-nek a tipusa, ami ilyen célra jó. 1A-ig terhelhető őkelme. Nem valami gyors, így nagyfrekis PWM jelre nem lesz az igazi, de könnyen használható darab. |
|
(#24231) HarciSün válasza csíkosháTTú hozzászólására (#24230)
|
Válasz •
|
Okt 14, 2013 |
|
Itt nem lesz PWM jel, azt csak a vontatásnál akarom használni.
Nem lehet, hogy L298-ra gondoltál? Mert olyanban már találtam "Bridge motor driver" IC-t...
Közben kipróbáltam: az állítóművek végálláskapcsolóját mégsem jó ötlet kiiktatni, ugyanis akkor végállásban "remegnek" ami pont bizonytalanságot okozna a kitérőben úgyhogy a végálláskapcsoló marad. (de a kétvezetékes polaritás cserés vezérlés már tuti) |
|
(#24234) etwg válasza HarciSün hozzászólására (#24229)
|
Válasz •
|
Okt 14, 2013 |
|
A H hiddal ugyanoda jutsz ahol korábban voltál, minden motorhoz 2 drotot fog kelleni vezetni. Annyit szerintem nem ér meg a dolog, akkor már jobban jársz egy kis tolokapcsoloval - amit a motor mozgat és onnan áttételesen a válto nyelvét. Ez a legolcsobb és aránylag megbizhato megoldás. A kis tolokapcsolo (én a Conradtól vettem még nagyon régen egy marékkal) biztositja a váltó arretácioját is, és két független átkapcsolo is van benne.
|
|
(#24236) HarciSün válasza etwg hozzászólására (#24234)
|
Válasz •
|
Okt 14, 2013 |
|
Most nem értem... 2 drót kell minden állítóműhöz egyébként is (a 3 helyett) Annyit érek el, hogy nem kell két áramkörös nyomógombokat keresnem (vagy csak picik vannak vagy horror árban) hanem sima egy áramkörös nyomógombbal is vezérelhető a H híd amiket össze lehet fűzni kombinációba mert mindkét bemenete + impulzust vár...
Az állítóműbe épített végállás marad mert még mindig az a legjobb. A tolókapcsolós visszajelzés jó! De azt is keríteni kell megfelelőt... |
|
(#24238) csíkosháTTú válasza HarciSün hozzászólására (#24231)
|
Válasz •
|
Okt 14, 2013 |
|
Nem!
L272D |
|
(#24259) etwg válasza HarciSün hozzászólására (#24236)
|
Válasz •
|
Okt 14, 2013 |
|
A korábbi 2 drotbol az egyik közös, azaz az egyik motortol a másikhoz vezetheted, vagy valahol a terepasztal alatt egy pontba kötheted, és nem kell mindegyiket kivezetni (a kapcsolotáblára, vagy a központi H hidak blokkjába).
Azaz csak egy drotot kell individuálisan vezetni minden váltomotorohoz. |
|
(#24260) HarciSün válasza etwg hozzászólására (#24259)
|
Válasz •
|
Okt 14, 2013 |
|
Igen, ez tökéletesen igaz. A H-híd viszont azzal kecsegtet, hogy egyenáramot használhatok és szimpla nyomógombokat. 2 áramkörös nyomógombot ugyanis tényleg nem találok normálisat. (ami van az 1000Ft körül van)
És bevallom, azért is tetszik ez a polaritásforgatás mert ilyet még nem használtam, ezzel megint tanulok valami újat. |
|
(#24267) etwg válasza HarciSün hozzászólására (#24260)
|
Válasz •
|
Okt 14, 2013 |
|
Szerintem meg nem ilyen egyszerü feladatokra kellene ezeket, az amugy remek hidakat használni. Azok máshova valók, és azt sem hiszem, hogy azt meguszod egy ezresböl - mert azért ahhoz is fog kelleni ez meg az....  |
|
(#24329) HarciSün válasza etwg hozzászólására (#24224)
|
Válasz •
|
Okt 15, 2013 |
|
Idézet: „a motor fog kapni fixen két vezetéket és azon keresztül lesz meghajtva kikerülve az összes megszakító lemezkét.
Akkor mindenképpen fog kelleni a központi tápba egy egy védöáramkör”
Kísérleteztem a végálláskapcsoló teljes kiiktatásával (kiderült nem attól "remeg" hogy kiiktatom hanem pont attól tud prellezni, hogyha csak éppen ér hozzá)
Védőáramkör gyanánt egy 300mAh-s multifuse biztosíték, vagy ahogy Te írtad polyswitch nem jó sorba kötve a motorral? Így ha még mindig kap áramot a nyomógombon keresztül miközben a motor elakadt, akkor az áram túllépné a motor által felvett maximális 250mAh-t és a bizti lekapcsolná (lekorlátozná az áramot) megvédve a leégéstől...?
Persze csak nyomógombbal vezérelve használva ahol 1 max 2 másodpercnél tovább amúgy sem kaphatna áramot. |
|
(#24339) etwg válasza HarciSün hozzászólására (#24329)
|
Válasz •
|
Okt 15, 2013 |
|
A polyswitch is jo, de nem ajánlom.  . Az autoizzo kb 2 A-ra limitálja az áramot és látod ha baj van ( ugyanis világit  ). Neked, föleg ha több motort akarsz mozgatni egyszerre, a 250 mA nem igen lesz elég. |
|
(#24342) HarciSün válasza etwg hozzászólására (#24339)
|
Válasz •
|
Okt 15, 2013 |
|
Motoronként gondoltam a biztit, de az autó izzó lényegesen egyszerűbb. (meg van is a garázsban pár)  |
|
(#24512) JZoli válasza HarciSün hozzászólására (#24260)
|
Válasz •
|
Okt 20, 2013 |
|
Hány nyomógomb kellene? Mekkora helyed lenne ezekhez? |
|
(#24566) HarciSün válasza JZoli hozzászólására (#24512)
|
Válasz •
|
Okt 21, 2013 |
|
Mostanra megoldódni látszik a helyzet. Nem fog kelleni két áramkörös nyomógomb csak 14db sima egy áramkörös. |
|
(#24652) HarciSün hozzászólása
|
Válasz •
|
Okt 23, 2013 |
|
Műgyantával kísérletezem tegnap óta - de ahogyan az várható is volt egyáltalán nem könnyű a dolog...
A boltban azt mondták, hogy 2% -ban keverjek hozzá edző anyagot de valahogy nem akar megkötni egy éjszaka alatt sem. 3%-ban már elég kocsonyás lett fél óra után de még mindig nem az igazi... Növelném is tovább az arányt de a boltban azt mondták, hogy ha többet teszek bele akkor pont nem keményedik meg...
Valakinek ötlet / tapasztalat? |
|
(#24656) bcs szgab válasza HarciSün hozzászólására (#24652)
|
Válasz •
|
Okt 23, 2013 |
|
Üdv!
Lehet hogy ott a baj, hogy súlyrészhez kell keverni a 2% edzőt, te pedig 1 deci gyantához kevertél 2 ml edzőt, ami elég csalóka mert a sűrűbb gyantáknál kb. fél kg 1 liter. |
|
(#24658) HarciSün válasza bcs szgab hozzászólására (#24656)
|
Válasz •
|
Okt 23, 2013 |
|
Igaz, én fecskendővel mértem ki én mennyiségre és nem súlyra mértem. Ennyire különbözne? Nah akkor leviszem az asszony mérlegét... |
|
(#24659) zsolesz74 válasza HarciSün hozzászólására (#24658)
|
Válasz •
|
Okt 23, 2013 |
|
Igen nagyon számít. Én ezért is vettem olyan gyantát, ahol 50-50% a keverési arány, mert ott tényleg tök mindegy mivel méred!
A szilikon viszont nekem is mindig lutri, az nekem is 5%-os katalizátorral megy és ott néha előfordul, hogy a 24 óra kell neki...
Ékszerész mérleg, az tuti nyerő és nem is észvesztő az ára, ha jól emlékszem 5000Ft és százados pontosságú... |
|
(#24670) HarciSün válasza zsolesz74 hozzászólására (#24659)
|
Válasz •
|
Okt 23, 2013 |
|
Nah, nehezen de kezd alakulni...
Kb 3 óra után "gumisra" kötött. Tehát nem folyik, nem mászik de nem teljesen szilárd, inkább mint a szilikon gumi.
Kíváncsi vagyok vajon szilárdul-e tovább. Jó lenne mert így elég hamar össze fogja gyűjteni a port ami tuti bele is ragad...
A víz széle még nem végleges, még ki akarom tömíteni homokkal növényekkel stb...
Jah, és a plexi jól bírja, nem oldotta meg a gyanta. |
|
|
|
(#24671) etwg válasza HarciSün hozzászólására (#24670)
|
Válasz •
|
Okt 23, 2013 |
|
Nem rossz.
Ha kicsivel több katalizatort adsz a mügyantához, akkor biztos keményre köt.
Vigyázni kell a fogalmakkal (gyakran a boltosok is keverik). A % arány nem a térfogatra vonatkozik, hanem a tömegre! Ebböl van a legtöbb baj, mert a mügyanta fajsúlya rendszerint joval nagyobb, mint a katalizátoré - azaz a 2%-s térfogati ( fecskendös) keverék, tömeg arányban akár 1% alatti is lehet. Ezért az ilyen lehetetlen keverési arányokhoz vagy kalibrált tégelyeket szoktak adni ( autos polyészter) vagy egy precizios mérleget kell szerezni
( a grammokat 1/100 pontossággal méri). Valamikor patikai mérleget használtam, ma már van digitális mérleg is. |
|
(#24672) HarciSün válasza etwg hozzászólására (#24671)
|
Válasz •
|
Okt 23, 2013 |
|
Nagyon fura anyag... a keverés pedig elég lutri.
Digitális konyhamérleggel (csak grammot mér) méricskéltem ki a 2%-ot de még így sem lett a legjobb (ebből lett ez a gumis állag)
Próbáltam szándékosan többet tenni bele de az még csak meg sem kötött! (igaz mondták is a boltban) Viszont az egyik keverésnél (elvileg minden olyan volt mint előtte) kb 10 perc kevergetés után hirtelen besűrűsödött és kb 1 percen belül meg is kötött még a keverő dobozban. Az baromira felmelegedett és olyan lett mint a kő... |
|
(#24673) zsolesz74 válasza HarciSün hozzászólására (#24672)
|
Válasz •
|
Okt 23, 2013 |
|
Idézet: „kb 10 perc kevergetés után hirtelen besűrűsödött és kb 1 percen belül meg is kötött még a keverő dobozban. Az baromira felmelegedett és olyan lett mint a kő...”
Ekkor találtad el a keverési arányt valószínűleg. Nekem a gyantám 2 perc alatt ugyanezt produkálja.
Én vizet végül a Woodland Scenic Water rendszerével csináltam és hibátlan, viszont 24 óra a kötési idő, és vékony rétegekben kell felhordani.
Na ezt egy kicsit turbóztam és emiatt 3 nap lett a vége, mert egyszerre kiöntöttem...de volt időm vele.
Majd teszek fel képet is holnap a tóról.
Jó lett a tied is, ötletes ez a kombó a plexivel.  |
|
(#24675) etwg válasza HarciSün hozzászólására (#24672)
|
Válasz •
|
Okt 23, 2013 |
|
Akkor elég rossz anyaggal futottál össze ( nem a minöségére gondolok , hanem a használhatoságára). Valamikor régen 30-40 éve amikor megjelntek a mügyanták akkor voltak ilyen rossz türésüek. Azota ilyennel nem is találkoztam ( pedig elfogyasztottam vagy 300 kg -t az évek során - modellekre, hajokra, szurfökre stb.).
Amire a te anyagodnál nagyon kell vigyáznod az a keverés - ezeknél a katalizátort gyakorlatilag mechanikusan kell egyenletesen elosztani az anyagban ( a modernebb anyagoknak van Valamilyen öneloszto tuöajdonsága - ennyire azért nem vagyok kémikus). Szoval a te anyagodat valmilyen kis habverö szerü szerszámmal. ( ezt abbol következtetem amit irtál, hogy egy bizonyspos keverés hatására hirtelen bemelegedett. Akkor a más esetekben valoban tuladagoltat a katalizátort. Azaz kevesebb kell, és nagyon jol el kell keverni (néha bolhapiacokon vagy az olcso boltokban kapni fillérekért kézi motoros tejszinhabvert ( a kávén hivatott tejhabot csinálni, amire termeszetesen teljesen alkalmatlan, de az epoxit jol keveri) ennek a keverfeje kb. 2 cm átméröjü drotspirális)
A konyhamérleg nem jó, mert rossz a felbontása. Az ocska piaci karos mérleg jobb. Az egyik serpenyöbe berakod az edényben ( joghurtos pohár) a mügyantát. A másikban ugyanolyan üres edényben babbal, vasgolyoval, söréttel stb. kiegyenlited a mérleget. Megszámolod hány bab van a pohárban, hozzáadsz 2%-l többet majd csepegtetheted a katalizátort amig a mérleg nem áll vizszintesen. |
|
(#24677) HarciSün válasza etwg hozzászólására (#24675)
|
Válasz •
|
Okt 23, 2013 |
|
Mivel holnap meló így hagyom estig hátha megszilárdul. Aztán ha nem akkor új kísérlet a keveréssel...
Tényleg az a gond, hogy amíg ki nem öntöm és nem várok vele addig nem derül ki, hogy jó-e az arány. Amikor pedig véletlenül eltaláltam annyira gyorsan megkötött, hogy nemhogy a tóra, még a földhöz ütögetve is alig tudtam kicsalogatni mielőtt teljesen betonra nem kötött...
Zsolesz: kíváncsi vagyok a tavadra! A plexi nem teljesen saját ötlet, csak próbálom összekombinálni amit tudok. |
|
(#24679) HarciSün válasza HarciSün hozzászólására (#24677)
|
Válasz •
|
Okt 24, 2013 |
|
Reggeli gyors jelentés a garázsból:
Az éjjel valamennyit tovább szilárdult. A gumis állag megmaradt viszont kevésbé tapadós a felület mint este volt.
Elérte azt a szintet amikor akár így is hagynám csak nem ártana ha rendesen kiszellőzne mert még mindig elég erős szaga van. A másik, hogy később hogyan lehet majd takarítani (portalanítani) mert ugye minél keményebb annál könnyebb leporszívózni / ecsettel leportalanítani, de ha beletapad a por akkor egy idő után nem tó hanem sivatag lesz a felszíne... |
|
(#24680) etwg válasza HarciSün hozzászólására (#24679)
|
Válasz •
|
Okt 24, 2013 |
|
A portalanitás nagyon egyszerü. Ha a porszivozás ( puha borotvaecsettel) után még mindig maradna némi por, akkor az egészet bármikor fel lehet ujitani egy nagyon vékony réteg fényes átlátszo lakkal, vagy egy ujjabb vékony réteg mügyantával. Ez megköti és egyben eltünteti a porszemeket. |
|
(#24681) HarciSün válasza etwg hozzászólására (#24680)
|
Válasz •
|
Okt 24, 2013 |
|
Na akkor valószínűleg így hagyom és nem kockáztatok új réteggel. A "víz" szélét kitömítem további homok, zöld szóróanyag és hasonlók felhasználásával.
Ez a fényes átlátszó lakk nagyon jó ötlet! Lehet, hogy pár nap múlva megérné az egészet lefújni, és akkor teljesen lefixálná a felszínt?
Milyen lakkra gondoltál?
Egyébként ahhoz képest, hogy most csináltam ilyet először egész elfogadható lett - és talán látszik is rajta, hogy ez egy tó akar lenni  |
|
(#24682) etwg válasza HarciSün hozzászólására (#24681)
|
Válasz •
|
Okt 24, 2013 |
|
Régebben nitrolakkokat használtam, de ma már alig van a boltokban (esetleg van még sprayben).
Ha választhatsz, akkor van egy lakk tipus, ami "hajlitott fabutorra" lett gyártva.
Ez nagyon rugalmas (hiszen azok - rendszerint székek stb. hajlonganak használat közben és a lakk nem pattog le roluk), de egyben kemény szép felületet ad.. |
|
(#24683) HarciSün válasza etwg hozzászólására (#24682)
|
Válasz •
|
Okt 24, 2013 |
|
|
|
(#24684) etwg válasza HarciSün hozzászólására (#24683)
|
Válasz •
|
Okt 24, 2013 |
|
Szerintem mindegyik jó, nekem is valami hasonlo van. Meg amugy is majdnem lehetetlen kétszer egymás után ugyanazt beszerezni.
 |
|
(#24726) HarciSün hozzászólása
|
Válasz •
|
Okt 25, 2013 |
|
Újabb helyzetjelentés: a tó megszilárdult! A "gumisság" egyre csökken - nyugodtan tapogatható abszolúte szilárd. A szaga is csökkent valamennyire de végül is a garázsban még ráér szellőzni...
Más.
A képen 12db H-híd egy panelon. (kísérletek jövő héten) |
|
|
|
(#24748) etwg válasza HarciSün hozzászólására (#24726)
|
Válasz •
|
Okt 25, 2013 |
|
Nem akarlak elszomoritani, de nem a legoptimálisabb megoldást sikerült kiválasztanod a H hidakkal.
(Mintha mondtam volna korábban.  )
A sok hid meg egyébb cucc helyett, ha egy szimmetrikus tápot csinálsz (+ GND - ), akkor ezeket mind kikerülhetted volna, és minden váltohoz egy-egy drotot kellett volna vezetned a mostani 2 helyett.
|
|
(#24819) HarciSün válasza etwg hozzászólására (#24748)
|
Válasz •
|
Okt 27, 2013 |
|
Tudom, hogy mondtad.
Ez egyrészt kísérlet (még ilyet nem használtam) másrészt így később a nyomógombok helyett lehet használni opto kapukat amit már használtam PC vezérléssel (véletlenül olyan illesztést csináltam már USB-ről, Delphi-ben pedig tudok rá bármilyen programot írni)
Mivel a vezérlőjel 5V (tehát TTL jelszint) akár logikai IC is mehet mellé...
Szóval a távoli jövőre tervezek, hogy fejleszthető legyen.
Pl. majd egyszer ha mégis digitalizálnám a mozdonyokat akkor annak a vezérlése is mehetne gépről stb stb... Terv van bőven  |
|
(#24821) etwg válasza HarciSün hozzászólására (#24819)
|
Válasz •
|
Okt 27, 2013 |
|
Ilyen esetben is egyszerübb, ha motoronként csak a fél H hidat használsz aminek 3 állapota lesz - gnd +, a logikát a meghajtoban alakitod ki (egy hid igy 2 motort tud kezelni).
A modellvasutban mindig a legdrágább, a legtöbb gondot okozza a kábelezés, ezért alapcél ezt egyszerüsiteni és föleg kerülni a "lebegö" potenciált ( ami pl a te H hid 2 kimenete). Az ilyesmivel mindig az a baj, hogy a másik polushoz viszonyitva mérhetö (azaz tudnod kell hol a "párja"). Szoval igyekezni kell, hogy a fogyasztok egyik vége mindig valamelyik referencia potenciálon legyen ( gnd, + táp, - táp stb.).
Ezek olyan rendszertechnikai kérdések, amik késöbb nagyon jol jönnek, ha betartjuk. Néhány év mulva senki sem emlékszik majd a különmegoldásokra, ami végül nagyon meg tud szivatni - hibajavitás esetén. |
|
| |
2026. Márc, 25. Sze 11:41:37 |
| |
Jelenleg 9 fő olvassa az oldalt |
|
|