|
|
|
TT pálya az ágy alatt
|
Témaindító: HarciSün, idő: Dec 16, 2012
Témakörök:
|
|
|
(#11507) HarciSün hozzászólása
|
Válasz •
|
Dec 16, 2012 |
|
Nem akarnám a TT topic-ot terhelni tovább ezért nyitottam egy újat.
A téma alapja tehát egy kevésbé szokványos, ám de igen helytakarékos megoldás: "terepasztal" építése egy ágyneműtartóba.
Ehhez adott egy frissen vásárolt és összeállított 160x200-as belső méretű felnyitható ágyrácsos Oregon típusú ágykeret amit eleve azzal a módosítással raktam össze, hogy nincsenek lábai és alja hanem a keret a földön áll. Az ágyrács 6db tuskóra csukódik rá és van egy középső deszka keresztirányban ami szintén kivehető. Az "asztal" a teljes belső teret ki fogja tölteni és a gyári tuskók helyett erre fog csukódni. (lásd rajzok)
A tuskók belső magassága 19,5 cm de a biztonság kedvéért a terep maximális magasságát 16 cm-re tervezem amiben benne van az 5 cm magas keret és az 1 cm vastag rétegelt lemez is, tehát 10 cm marad a vágányzat kialakítására és az alagutakra.
Mivel üzem közben az asztal nem körbejárható ezért a jobb alsó rész közelébe kell minél több dolgot orientálni, hogy elérhető távolságban legyen.
A téma egyvágányú dízelüzemű vonal egy nagyobb állomással és a játék érdekesebbé tétele végett egy felső kétvágányú állomással amin kereszteket lehet megvalósítani.
A váz terve nagyjából kész, a pálya vonalvezetésének véglegesítésénél tartok. |
|
|
|
(#11508) HarciSün hozzászólása
|
Válasz •
|
Dec 16, 2012 |
|
Még néhány kép az ágyról, hogy könnyebb legyen elképzelni. |
|
|
|
(#11512) róbertke válasza HarciSün hozzászólására (#11508)
|
Válasz •
|
Dec 16, 2012 |
|
Nem terhelted a TT-s Fórumot egyáltalán  |
|
(#11514) HarciSün válasza róbertke hozzászólására (#11512)
|
Válasz •
|
Dec 16, 2012 |
|
Volt akit zavartam én pedig nem feszültséget szeretnék szítani hanem tanácsokat / véleményeket olvasni - úgyhogy jobb a békesség alapon átköltöztem ide... Akit érdekel a téma megtalál, akit pedig nem azt így talán nem zavarom.
Nah, a mostani legnagyobb gond a nyomvonallal az, hogy néhány helyre kénytelen voltam 83116-os (nagyon szűk) íveket is betenni. A Tillig valóban azt mondja erre, hogy csak iparvágányhoz ajánlja.
Nálam 6 tengelyes Szergej, Nohab és 4 tengelyes csörgő közlekedne Y kocsikkal és persze vegyesen teherkocsikkal. A kérdés tehát az, hogy a nagyon szűk ívek üzembiztonsági szempontból gondot okozhatnak-e (tehát befeszülhet, siklik?)
Csatoltan a WinTrack terv legutóbbi állapota: |
|
|
|
(#11519) BR95 válasza HarciSün hozzászólására (#11514)
|
Válasz •
|
Dec 16, 2012 |
|
Üdv itt!
A 83116 r267, a régi BTTB r286 tehát amit rajzoltál, még a BTTB-nél is szűkebb ív. Szerintem ne eröltesd, ha Csörit, meg Y vagonokat akarsz rajta futtatni. És nem a látvány miatt mondom... 
Kicsit még agyalj rajta. Van olyan pályatervem (egyéb okokból elvérzett), amit fél éven keresztül, legalább 30 variációban alkottam meg. Aztán tűzre vele, mert változtak a lehetőségek/igények. R310 alá ne menj! Úgy fogod utána érezni, hogy egy rakás pénzt kidobtál az ablakon és újat fogsz csinálni. Szerintem.
Józsi |
|
(#11520) HarciSün válasza BR95 hozzászólására (#11519)
|
Válasz •
|
Dec 16, 2012 |
|
Rendben, készséggel elfogadom amit írtál. Akkor a maradék 83116-ost is lecserélem 83109-re valahogy.
Egyébként így hogy tetszik az elrendezés? Kívülre tettem az állomásépületet ahogy Tőled láttam, és az alsó lett így az I. vágány. Csak azt sajnálom picit, hogy így a sínek nem kerülik meg az épületet és ugrott a támfal-felüljáró ötlet is. (a neten láttam egy terepasztalnál és nagyon megtetszett) |
|
(#11521) róbertke válasza HarciSün hozzászólására (#11520)
|
Válasz •
|
Dec 16, 2012 |
|
Lehetőségedhez mérd az igényed, fordítva nem megy. Azon sem csodálkoznék, ha pár nap múlva egy teljesen új koncepcióval állnál elő...  |
|
(#11524) BR95 válasza HarciSün hozzászólására (#11520)
|
Válasz •
|
Dec 16, 2012 |
|
Okés. 
Tulajdonképpen teheted belülre az állomásépületet, de akkor a tárolók kell kívülre kerüljenek! Egy a lényeg, egy oldalon nem lehetnek, mert életveszélyes (életszerűtlen). Az utas nem ugrándozhat a félretolt vagonok közt és nem tartózkodhat üzemi területen sem, mert rátolják a szerelvényt a lábára.
Kicsit még gondolkozz a rajzon, szerintem nem az életed múlik rajta, ne kapkodd el!
Józsi |
|
(#11527) HarciSün válasza BR95 hozzászólására (#11524)
|
Válasz •
|
Dec 17, 2012 |
|
Nem vitatkozásképp de pl. Rákosrendezőnél is a vágányok között van a felvételi épület. Persze tudom, hogy nem ez a szokványos.
Valóban nem az életem múlik rajta és nem is akarom elkapkodni. Az "ütemterv" viszont adott: ha megvan a kész terv akkor szólok az ismerősömnek és legyártjuk a vázat. Innentől viszont, hogy minél kevesebbet legyen "szanaszét" az asztal, a lehető leggyorsabban meg kell csinálni a vágányfektetést és az elektromos bekötéseket, hogy bekerülhessen az egész az ágyba. A terepépítés, a vezérlés finomítása és minden más már sokkal ráérősebb. |
|
(#11528) maTTato hozzászólása
|
Válasz •
|
Dec 17, 2012 |
|
Szia HarciSün!
Ezidáig csak külső szemlélője voltam a terepasztal projektednek. Ötletesnek találom a rejtett keresztet, jót csavar a vonal vezetésen. (Magam is játszottam a gondolattal.)
Nem tudom mennyire gondolkoztál el azon, hogy a lehetőségekhez mérten akár kétszintes pályát építs. Ha alagutat beterveztél, gondolom nem csak egy cső formájában fog tekeredni az asztalon, hanem némi tereptárgy is kerül rá. Ezért gondoltam, ha már az alagutak miatt úgyse tisztán síkvidéket modellezel, a felső részre is kerülhet sín. Jóval nagyobb íveket használhatnál és a kétvágányú állomás is jobban elkülönülne. Sőt akár még bővülhetne is. Az alábbi két tanulmány terv ugyanazon alapterületen két megoldást kínál a vonatvezetés megoldására. Az elsőn minden vágány síkban van és rejtett keresztet alkalmaztam, míg a másik vonalvezetés hasonló, de két szintesre lett tervezve. |
|
|
|
(#11529) maTTato válasza maTTato hozzászólására (#11528)
|
Válasz •
|
Dec 17, 2012 |
|
Felraktam így is, ha nem lehetne megnyitni az előző két csatolmányt! |
|
|
|
(#11532) HarciSün válasza maTTato hozzászólására (#11528)
|
Válasz •
|
Dec 17, 2012 |
|
Köszi, hogy hozzászóltál és elküldted a terveidet!
A kétszintes elrendezéstől azért tartok mert összesen 10 cm helyem van az alapszinttől biztonságosan - ami nem túl sok. Ezen kívül személyes rossz élményeim vannak az emelkedőkkel kapcsolatban
A keresztet én is jó ötletnek tartottam idáig, de a legutóbbi tervemből pont kihagytam, inkább egy sokkal egyszerűbb vonalvezetést csináltam ahol a 83109-es szakaszokból épülnek fel az R11-es ívek. Így éppen, de minden befért! Megvan a nagy állomáson a kihúzóvágányos dupla tároló mozdonytároló csonkával, a 4 átmenővágány és még egy iparvágány is. Az iparvágány alatt pedig bőven maradt hely a pultnak.
Ha nem csal a WinTrack akkor elvileg 4 Y kocsi és egy rövid mozdony (V100 vagy csörgő) is éppen befér az I. vágányra...
Eddig ez az első tervem amibe minden belefért
Lehet véleményezni! |
|
|
|
(#11533) csíkosháTTú hozzászólása
|
Válasz •
|
Dec 17, 2012 |
|
|
|
(#11534) maTTato válasza HarciSün hozzászólására (#11532)
|
Válasz •
|
Dec 17, 2012 |
|
Hát igen az a tíz centi.... 
Az emelkedőktől nem kell félni. Törekedni kell a legkisebb emelkedési szög megvalósítására és minél nagyobb ív használatára. Láthatod, a tanulmány tervben bőven 2% alatt maradtam. Nagy hiba viszont a rejtett szakaszban szűk ívek használata.
Az alagutak fölé mit tervezel? Mert síkban hagyva fura látványt fognak nyújtani. |
|
(#11539) Lezlinilzen hozzászólása
|
Válasz •
|
Dec 17, 2012 |
|
Sziasztok!
Egy kicsit beleszólnék én is, bár sokat nem fogok segíteni vele, inkább csak a véleményemet, és a kiállítással kiegészült tapasztalataimat, valamint az oly sokszor hangoztatott építéssel kapcsolatos ötleteimet osztanám meg:
Amikor a jelenlegi asztalomat kezdtem tervezni, az elsődleges szempont az volt - amit már fejben rég eldöntöttem - , hogy lehetőleg minél élethűbb, de egyben játszható is legyen majd. Tehát ez első a kompromisszumok kérdése : a rendelkezésre álló helyen, az anyagi lehetőségeimet figyelembe véve hogyan lehet ezt megvalósítani. Ez volt az alapgondolat.
És ez most meg is magyaráznám a kiállításon tapasztaltakkal : A szombathelyi modellezők Kőszeg állomást modellezték úgy, hogy minden a helyén van, a legutolsó csavarig, ahogyan az a valóságban megtalálható. Az emberek ( nem csak gyerekek, sajnos felnőttek is ) úgy mentek el előtte, mint egy zsák szemét mellett. Ránéztek, látták, hogy most "nem történik semmi", továbbálltak. Az én asztalom mellet nagy többségében szintén. A leggyakoribb beszélgetés gyermek és szülője között : " -Anyu, ez miért nem megy?"..-"Nem tudom kisfiam, talán a bácsi elindítja, addig menjünk a Thomashoz..."
Abszolút nem érdekelték az aprólékosan kidolgozott részletek, a rumi fűtőház ( ami az orra előtt volt ), a betongyámot oldalba pisáló kutya, és sorolhatnám.
A gyerekek eszét megértem, hogy a mozgó, színes "valamiket" keresik az asztalon, de hogy a szülők 90 százaléka is, azért az elég szánalmas képet nyújtott az emberiség alaposan leépített szellemi értékrendjéről.
Szóval el kell döntened ( szerintem), hogy finoman kidolgozott, a valóságot bemutató és ebből adódóan egyszerű vonalvezetésű, avagy "parádés asztalt" szeretnél építeni.
A kettő nem megy együtt, és az én asztalomon látható a kompromisszum a két lehetőség között, amit ha újra kezdenék, már nem így nézne ki. Annak ellenére, hogy a látogatók nagy többsége le sem ..... az asztalomat, mert nem nyüzsögtek rajta a színes vonatok őrült iramban, mégis egyszerűbb vonalvezetéssel, kevesebb vasúttal, több természettel készíteném el a következőt. Mert nekem ez a fontos. Másnak nem.
Tehát szerintem ez legyen az első, amit el kellene döntened, hogy melyik célt választod. A későbbiekben mennyire szeretnéd kidolgozni, fejleszteni, játszani kell-e vagy modellezni.
Bár én magam is úgy vagyok, hogy minél nagyobb, annál jobb, de nem a méret a lényeg. Egy 30 centiméteres diorámát is el lehet úgy készíteni, hogy 15 percig nyálamat csöpögtetve nézegetem az apró részleteket ( lásd : BaTTka diorámái ), és egy 6 négyzetméteres terepasztal mellet is el lehet sétálni szó nélkül.
A mostani terveid azt mutatják, hogy játékra tökéletes. De modellezni semmiképp sem.
Ahogyan írtam : ez az én véleményem. |
|
(#11541) HarciSün válasza Lezlinilzen hozzászólására (#11539)
|
Válasz •
|
Dec 17, 2012 |
|
Természetesen mindenkinek mást jelent a modellezés, mást tart szépnek vagy jónak. A Te asztalod előtt én csak emelgetni tudom a kalapomat és maximálisan tisztelem a kitartásodat és a precizitásod amivel építetted. Az valóban modell!
A másik végletnek én egyébként azt tartom, amikor egy fűszőnyegre lerakosgatják a töltéses sínt mindenféle utómunka nélkül, rákapcsolják a digitális vezérlést és azzal el van intézve. Nincs azzal sem semmi baj, szívesen elgyönyörködöm én a modern technika nyújtotta vezérlési csodákban, de mint informatikust az engem önmagában nem tud lázba hozni - de nem vagyunk egyformák!
Nekem mi a célom? Elsősorban egy maximálisan üzembiztos vasútüzem létrehozása ahol a lassacskán bővülő járműparkomat futni is láthatom. Megint csak magánvélemény, de számomra szomorú látvány a vitrinben ácsorgó járművek sora.
A hely sok mindent behatárol - ha azt akarom, hogy a szerelvények ne csak körbe-körbe menjenek, a vonatok be is férjenek az állomásra, emellett játszható is legyen az egész (tehát ne csak dioráma legyen) akkor bizony abból én ennyit tudok kihozni...
Hozzáteszem, hogy bár nagyon szeretem a modellezést, de nem csak ebből áll az életem - így a lakásban sem szeretnék ennek a továbbiakban külön szobát fenntartani (az előző asztal az egyik szoba felét elfoglalta) ezért is adtam azt el és kerestem új helyet ami viszont nem zavarja a mindennapi életvitelt. Nyilván ez az „asztal” sosem lesz olyan, amit kiállításra lehetne vinni (már csak azért sem mert ugye az ágy része lesz és igen furán mutatna) kizárólag a saját örömömre építem...
Minden tiszteletem azok előtt akik annyi időt, helyet és türelmet tudnak ennek a szép hobbynak szentelni, hogy az utána egy kiállításon is megállja a helyét! |
|
(#11542) HarciSün válasza maTTato hozzászólására (#11534)
|
Válasz •
|
Dec 17, 2012 |
|
maTTato: A szintkülönbség ügyében azon gondolkodom, hogy hátul a hosszú egyenes szakaszt lehet hogy 2-3 cm-vel esetleg megemelem, és akkor az alatta lévő lécből is 2 cm-t kivágva ott lehetne a tavat tápláló patak ami fölé akkor már egy kis hidacska is kerülhetne...
A hegyek tetejét szerintem sziklás-gazos módon oldom majd meg, illetve középen a "hegygericre" lehet hogy egy út kerül majd, így azzal indokoltá válna a laposság.
Azt nem tudom, hogy a teherhordó lapos felületet mivel álcázzam. A természetben ilyen nincs...
Csíkos: ha sikerül összehozni úgy hogy stabil és üzembiztos legyen akkor már annak hívhatja bárki aminek csak akarja  |
|
(#11543) Lezlinilzen válasza HarciSün hozzászólására (#11541)
|
Válasz •
|
Dec 17, 2012 |
|
Nagyon szerencsés vagyok, hogy ezt össze tudtam hozni, és tudom, hogy sokan vannak, akik tehetségesebbek is nálam, de nincs lehetőségük ebben megnyilvánulni, hely, idő vagy pénz hiánya miatt.
Nem felejtettem el, hogy én magam is honnan kezdtem.
De amit szerettem volna az előző hozzászólásommal mondani : Idézet: „emellett játszható is legyen az egész (tehát ne csak dioráma legyen) akkor bizony abból én ennyit tudok kihozni...”
Ekkora helyen is lehet olyat alkotni, ami elismerést válthat ki a modellezők körében. De annak bizony vannak határai, korlátai. Nem ugyanaz a játszó-terepasztal és megpróbálni a valóságot modellezni ( szintén kompromisszumokkal, mert máshogyan nem megy ).
Mivel nem ismertem a fejedben lévő gondolatokat ebből a szempontból ( csak az terveidet láttam a monitoromon ), ezért írtam le mindezt. |
|
(#11545) HarciSün válasza Lezlinilzen hozzászólására (#11543)
|
Válasz •
|
Dec 17, 2012 |
|
Te milyen jellegű pályát készítenél?
Gondolom a méret miatt a futtatható járművek is erősen korlátozódnának, és a meglévő Szergej, Csörgő és Nohabok szóba sem jöhetnének ekkora helyen vagy igen? |
|
(#11546) Lezlinilzen válasza HarciSün hozzászólására (#11545)
|
Válasz •
|
Dec 17, 2012 |
|
Dehogynem, azok is vígan futhatnának.
Én azt a játékot szeretem, amikor "iparozni" lehet. Amikor a szemem előtt áll össze egy szerelvény, amire aztán végjátékként rááll a saját mozdonya, és elindul valahová. Ez a valahová egy rejtett tárolóállomás lehetne, ahol már eldugva vár a szerelvény "párja" az üres, rakodásra érkező kocsikkal. Ezzel aztán megint le lehet tolatgatni az iparon.
Néhányszor a tolatási mozgások közben be lehet zavarni egy-egy személyvonattal.
Ehhez elég lenne egy kisebb mellékvonali állomás a közeli rakodókkal, és egy rejtett állomás.
A hab a tortára a részletes kidolgozás.
Én így készíteném. |
|
(#11549) HarciSün válasza Lezlinilzen hozzászólására (#11546)
|
Válasz •
|
Dec 17, 2012 |
|
Én ugyan ezt a játékot szeretném megvalósítani: tehervonat összeáll a különböző csonkákon ácsorgó kocsikból, rááll a vonali mozdony a mozdonyoknak fenntartott csonkáról és elmegy a kétvágányos kis állomásra. A személy ugyan így utána, vagy ellentétesen a kis állomásra - ott kereszt, a teher visszajön, szétszed és kezdődik előről a tili-toli. De ehhez kell legalább 2-3 csonka. "illenék" egy kihúzóvágány, hogy ne csak a fővonal legyen tolatásra használva és kell 3-4 átmenő vágány... Na így lett ez a terv a megadott helyre besűrítve. |
|
(#11553) BR61 hozzászólása
|
Válasz •
|
Dec 17, 2012 |
|
Az ágykerethez lenne ötletem:az ágyrácshoz lehetne
rögzíteni négy db.fém ágylábat,amire lecsukódna.Ez lábanként egy db csavar és egy-egy furat.Lábat tudok az ötlet mellékleteként adni (négy darabot).A hosszát neked kell levágni.A középsö merevítő Fekve is szerelhető mert tehermentes.
M. |
|
(#11556) HarciSün válasza BR61 hozzászólására (#11553)
|
Válasz •
|
Dec 17, 2012 |
|
Nem rossz az ötlet de akár az ágyrácshoz rögzítem a lábat akár az asztalra teszek "tuskókat" amire csukódik ugyan úgy az asztal lesz amire a teher kerül. Vagy vágjam ki az asztalból a lábak helyét és a földig érnének a lábak? |
|
(#11557) BR61 hozzászólása
|
Válasz •
|
Dec 17, 2012 |
|
A lábak helyét egy 60mm-es körkivágóval ki kellene vágni.A lábak acél csőböl vannak.A méretre vágás után
reszelés-sorjázás helyett műanyag papucsot kell ráhúzni
és kész is vagy.Átmérője kb.50mm.
M. |
|
(#11559) HarciSün válasza BR61 hozzászólására (#11558)
|
Válasz •
|
Dec 17, 2012 |
|
Körben, a széleken talán stabilabb lenne ha deszka-deszkára feküdne fel hosszabban - de középre kifejezetten jó lenne az ötleted! Méricskélek kicsit, hogy felnyitva az ágyrácsot mennyire lógna le a láb. |
|
(#11656) HarciSün hozzászólása
|
Válasz •
|
Dec 19, 2012 |
|
A méricske és a fejtörés még folyamatban de addig is rákérdeznék egy-két dologra a tervvel kapcsolatban:
A merevítőléceket milyen sűrűn "illik" rakni? A rajzon lévő távolságok (kb fél méter) biztonságosan áthidalhatóak 1cm-es rétegelt lemez esetén?
A rétegelt lemezből láttam többféle minőségűt, abból mi az ajánlott?
A pálya vonalvezetésével senki többet harmadszor?
Köszönöm! |
|
(#11659) BR61 hozzászólása
|
Válasz •
|
Dec 19, 2012 |
|
A merevítés félméterenként szerintem bőven
elég.Rétegelt lemezből az orosz nyírfalemez a legolcsóbb 152x152cm-es táblában.Erre a célra 10mm vastagságban szerintem bőven megfelelő.A hullámosodást elkerülheted ha csak a merevítőléc közepére teszel kevés ragasztót.Mivel préselni nem tudod a méret miatt,érdemes3,5x30-as pozdorja csavarral összehúzni,amit a kötés után kiszedhetsz.Ragasztásra érdemes vízálló faragasztót használni mert az belemegy a keményfába és a parafába is.Pl.:emfi 863 (D3 vízállóságú,gyorskötésű, nem büdös).
M. |
|
(#11667) etwg válasza HarciSün hozzászólására (#11656)
|
Válasz •
|
Dec 19, 2012 |
|
Én amondo vagyok, föleg a te esetedben, ahol minden milliméter számit a magasságban, hogy csinálj sürübb rácsot, mondjuk 30x30 cm-st, és 10 mm sperrplatni helyett használj akár 6-st vagy 4 mm-est.
Ha cseréplécböl csinálod a rácsot (a legolcsobb szokott lenni), akkor igy 6 cm magassággal egy igen massziv alapkonstrukciot kapsz.
A rács nem kell, hogy szabályos legyen (föleg a váltokörzetek alatt ügyelj, hogy ne nagyon legyen rács, mert az biztos, hogy utban lesz a váltomotorok szerelésekor (ha azok asztal alatti kivitelüek) |
|
(#11668) etwg válasza etwg hozzászólására (#11667)
|
Válasz •
|
Dec 19, 2012 |
|
Még valamit (most néztem meg a legujabb terved).
Két alapvetö dolgot illik kerülni.
1. A látható részeken ne vezess sinpályát párhuzamosan a terepasztal szélével.
2. A látható részeken ne kerüljön sin 5 cm-nél közelebb az asztal széléhez.
Az indokok sokrétüek.
Az elsö, nem néz ki tul jól a párhuzamos sinpálya.
Ha túl közel van a vágány az asztal széléhez kanyarban vagy egyenesben, igen nagy az esélye, hogy a siklás esetén a földön végzik a dolgot a modellek (nem igen tesz nekik az ilyesmi jót  )
Ha hagysz ott némi helyet lehet valamit kezdeni a térrel, ha kiviszed a vágányt egészen a szélre - még elméleti lehetöség sem marad a terep eldolgozására. Legfeljebb valami hidszerü konstrukcioval/korláttal lehetne ilyesmit megoldani.
Ezt a hibát a fiam is elkövette, igy be kellett keriteni a pályát.....  |
|
(#11671) BR95 válasza etwg hozzászólására (#11668)
|
Válasz •
|
Dec 20, 2012 |
|
Üdv!
Neki be lesz kerítve, hisz az ágyneműtartó oldalfalai adják a keretet...
Józsi |
|
(#11673) HarciSün válasza BR95 hozzászólására (#11671)
|
Válasz •
|
Dec 20, 2012 |
|
Valóban eléggé "be lesz kerítve" úgyhogy a leborulás veszélye nem áll fenn, de ettől függetlenül igyekszem megfogadni etwg intelmeit és a hátsó hosszú egyenesbe lehet, hogy beleteszek valamilyen enyhe S kanyart (az eldőlt, hogy az egyenesek úgyis rugalmas anyagból készülnek).
Bár ez a része még nagyon messze van, de arra is gondoltam, hogy az ágykeret belső részére majd ragasztok valami háttér "posztert" kék éggel, lankás dombokkal... Még nem néztem utána de biztos van ilyesmi. |
|
(#11674) etwg válasza HarciSün hozzászólására (#11673)
|
Válasz •
|
Dec 20, 2012 |
|
Van olyasmi, söt magad is nyomtathatsz.
Sok kis kamera tud panoráma felvételt csinálni, igy csak ki kell menned valami jo helyre, fényképezni majd egy kicsit megigazitva ráragasztani a deszkákra.
Nem ilyent csak igy:
 |
|
|
|
(#11675) HarciSün válasza etwg hozzászólására (#11674)
|
Válasz •
|
Dec 20, 2012 |
|
Ez eszembe se jutott, de nagyon jó ötlet!
Na, de sajnos ez még jó pár hónappal odébb lesz szerintem...
Ma megyek és beszerzem a méteres sínszálakat meg még pár ívet meg kitérőt. A két ünnep között szerintem kísérletezéssel fogom elütni az időt. (csinálok egy kis diorámát amin gyakorlom a sínfektetést) |
|
(#11678) etwg válasza HarciSün hozzászólására (#11675)
|
Válasz •
|
Dec 20, 2012 |
|
Itt van néhány 5let:
Sinek |
|
(#11725) BR61 hozzászólása
|
Válasz •
|
Dec 21, 2012 |
|
Az alaplapra visszatérve:van olyan anyag ami asztaloslap,vagy lécbetétes bútorlap néven kapható 16-18 mm-es vastagságban.Mivel a lécek kereszt irányban vannak,a borító vastag furnér hosszában ezért ez a lap ebben a méretben (160x200)öntartó.Azért hogy ne közvetlenül a padlóra kerüljön,kis fa kockákat lehetne alá tenni,négyet a sarkára,középre pedig a lefektetett gyári merevítőt.Így a teljes magasság kb.36mm.Jöhet a hegyi pálya tavastól  )
M. |
|
(#12143) HarciSün hozzászólása
|
Válasz •
|
Jan 3, 2013 |
|
Boldog új évet mindenkinek!
Az ünnepek alatt építettem egy pici próbapálya "darabot", hogy gyakoroljam a sínek talpfába fűzését és ismerkedjek az új váltókkal, állítóművekkel...
Az EW2-es váltóknál számomra nagyon furcsa volt a bekötés de nem olyan vészes mint ahogy elsőre tűnt - egy kis forrasztás itt-ott és máris minden a helyén...
De az örök mumus, az állítómű megint bekevert.
A Conrad-os állítómű kontaktusai ugye azon alapszanak, hogy a lemezeket vagy elnyomja a mozgó rész vagy nem. Ettől elsőre az egyik mindjárt nem is akart működni de némi hajlítgatás után megjavult.
Jött a következő kísérlet: kössük őket össze, hogy egyszerre működjenek!
Anno Etwg mesterrel már értekeztünk az ügyben a régi fórumon, elvileg nem lenne akadálya, hogy diódákkal kombinációkat hozzak létre úgy, mint a bttb-s elektromágneses állítóművekkel. A gyakorlat viszont mást mutat
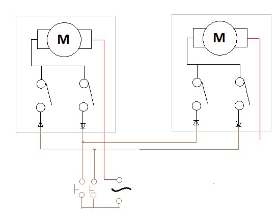
Az állítóművön belül a végállásban ugye elnyomódik egy lemezke és mintha kapcsoló lenne megszakítja azt az ágat - de a másikat nem! Ráadásul amint elindul az ellenkező irányba hirtelen mindkét lemezke leér, és ezért ha össze van kötve egy másik állítóművel annak a két kontaktusa is egyszerre leér ezzel szép rövidzárat produkálva  |
|
|
|
(#12145) róbertke válasza HarciSün hozzászólására (#12143)
|
Válasz •
|
Jan 3, 2013 |
|
Sok Conrad állítóműved van? Ha nincsen, inkább szerezz be másikat. |
|
(#12146) HarciSün válasza róbertke hozzászólására (#12145)
|
Válasz •
|
Jan 3, 2013 |
|
Sok... 10db és már csak 3 hiányzik az összeshez... |
|
(#12154) csíkosháTTú válasza HarciSün hozzászólására (#12143)
|
Válasz •
|
Jan 3, 2013 |
|
Sajnos lehet akárhogyan fényezni, a gagyi, az gagyi marad... |
|
(#12155) HarciSün válasza csíkosháTTú hozzászólására (#12154)
|
Válasz •
|
Jan 3, 2013 |
|
Szerintem eleve azzal van a "gond", hogy motoros és nem elektromágneses.
Persze ez nagyon jó mert önreteszel, meg mégiscsak stabilabb mint a mágneses de így vagy egyenáramról hajtom és akkor lehet a polaritást forgatni, vagy váltóáramról de akkor meg csak egyesével...
Egyébként nem teljesen értem... korábban senki sem mondta, hogy gagyi. Paksinuti weboldalán is ezt láttam, sőt még itt a hobbivasúton is egy irományban ahol letesztelték... |
|
(#12156) csíkosháTTú válasza HarciSün hozzászólására (#12155)
|
Válasz •
|
Jan 3, 2013 |
|
Egyszer nézz meg egy Tillig motoros hajtóművet, és egyből látni fogod a különbséget! |
|
(#12157) HarciSün válasza csíkosháTTú hozzászólására (#12156)
|
Válasz •
|
Jan 3, 2013 |
|
Biztosan látnám... ha látnám... de még sosem láttam. Ezért kérdezősködöm fórumon, böngészem a weblapokat de aki tényleg ért hozzá az vagy nem szól hozzá vagy csak 1-2 mondatot bök oda (azt is utólag) aztán értem ha értem...
(tisztelet a kivételnek! pl etwg-nek és a vasuttmodell csapatának és még azoknak akik eddig is sokat segítettek a tervezgetésben is)
Amit a neten találtam az az, hogy olcsó és megbízható. Nem tökéletes de ár-érték arányban hozza ami elvárható... Ennyi infóm volt, nem több amikor elkezdtem bevásárolni belőle.
Mindegy... most már ez van, ezzel kell boldogulnom. |
|
(#12158) etwg válasza HarciSün hozzászólására (#12157)
|
Válasz •
|
Jan 3, 2013 |
|
Nézd ebben a témában elképesztöen nagy szerepet játszik az ár.
A Conrad a legolcsobb, ezért sokan ezt veszik (a fiamnak is van 10 - egy betegeskedik a 9 mendegél nagyobb gond nélkül). Majd kicserélem, de amugy is készülünk egy uj asztalt épiteni, és ott majd eldöntsük mi legyen.
Ugyannyi pénzért, mint a Conrad csak szervoalapu meghajtomotort kapsz.
Az sokkal jobb, mint a Conrad, söt merem mondani, hogy a Tilliget meg a Lemaco/Fulgurex-et is lekörözi. Az utobbinak föleg a mérete a siralmas.
Nos a szervo váltomotor nagyon jó, de ezt hozzá kell illeszteni a rendszerhez. A DCC-hez ez nem gond, (csak pénz kérdése) az analog pályavezérléshez viszont ezt azt el kell dönteni. Keress rá, már többször volt téma.
Ha a modellgyárak kinálatára hagyatkozol, akkor valoban a TILLIG esetleg a nehezebben beszerezhetö HOFFMANN
meghajto a menö.
Ami ugyanakkora, mint a Conrad, csak minöségben egészen másról van szó.
Az igazi jo megoldás szerintem a Circuitron/Tortoise motor vagy a teljesen csendes Feather motor. Az elsö nagyon hasonlit a Hoffmannra a másik egy nagy áttételes oramotor, ami abszolut csendben és lassan vált, s mindössze alig 100 mA-t igényel.
Mind a kettö azonban kb. 4x annyiba kerül mint a Conrad, vagy 2x annyiba mint a Tillig.
Keresd meg ezeket hasonlitsd öket össze - döntened neked kell. |
|
(#12169) jvnd válasza HarciSün hozzászólására (#12143)
|
Válasz •
|
Jan 3, 2013 |
|
Szia. Először is: analóg, vagy digitális vezérléssel akarod a kitérőket vezérelni? Ha analóg módon, akkor én vennék 3-4-.... áramkörös nyomógombokat/kapcsolókat és az egyes áramköreire kötném be a váltóimat. Így amikor megnyomod a gombot a kellő részek kapják az "áramot". Régebben -ha jól emlékszem- volt a kontaset nevű nyomógomb család, ott akár 10 áramkörös kapcsolót is csinálhattál magadnak az elemekből. Egy pöcök behelyezésével lehetett a nyomógombból, kapcsolót "csinálni".
A másik a DCC vezérlés, ott úgyis mindegyik meghajtóművet külön vezérlésre kell kötni és utána kapcsolhatók a vágányutak, akár nyomógombbal vagy szoftverrel.
Arra figyelj, hogyha nem tud az állítómű végállásba elmenni mert pl. nincs elég ereje nyomni a sínszálat, akkor leéghet a motor, tönkremehetnek a műanyag fogaskerekek. (Volt szerencsém már ilyet látni.) |
|
(#12172) HarciSün válasza jvnd hozzászólására (#12169)
|
Válasz •
|
Jan 3, 2013 |
|
etwg: értem én, hogy a pénz határozza meg a minőséget - erről kár is vitázni (nem is fogok)
jvnd: Analóg lesz a teljes pálya így a váltók vezérlése is. Utánanézek ennek a "sokáramkörös" nyomógombnak! Köszi! |
|
(#12180) etwg válasza HarciSün hozzászólására (#12172)
|
Válasz •
|
Jan 3, 2013 |
|
Nem kell sokáramkörös kapcsoló (amugy Isostatnak hivták azt a nyomgombcsaládot amiböl ilyeneket ki lehetett rakni - manapság már elég nagy ritkaság, inkább ipari maradékokat árusitó boltokban találsz. (A nagy telefonkapcsolok is sok áramklrlsek voltak.
Ha tényleg komolyabb váltokombinációkat akarsz majd kialakitani (egyszerre több váltot kapcsolni) akkor érdemes ezt egyszerü elektronikával megoldani, amik majd az egyes motorokat kapcsolják. Ez tényleg a legegyszerübb logikai kapcsolások közé tartozik, és a legolcsobb elemekböl lehet összerakni.
Ha majd idejutsz szolj, segitünk. |
|
(#12204) HarciSün válasza etwg hozzászólására (#12180)
|
Válasz •
|
Jan 3, 2013 |
|
etwg: előre is köszönöm!
Egyébként folytattam a kísérletet és kiderült hogy lehet párhuzamosítani az állítóműveket, de csak akkor ha a párhuzamosított szálak diódái egy irányba állnak. Tehát irányba kell forgatni az állítóműveket...
A mai nap másik nagy sikere, hogy a PWM vezérlő végre működik! Sikerült beszerezni egy 100kOhm-os potmétert amitől nagyon szépen kezdett működni. Nagy lelkesedésemben a kondit is kicseréltem kisebbe (ahogy a másik topic-on szó volt róla) de ettől túl nagy lett a frekvencia - így azt vissza kell alakítani, mert csak vinnyog a mozdony aztán hirtelen indul meg... De a vezérlő végre jó lesz!
Zárlatvédelem ügyben viszont nem sikerült előrelépni, a boltban nem tudtak megfelelő termisztort adni sajnos.
Kettő előre, egy hátra ütemben de azért "haladok"  |
|
(#12209) etwg válasza HarciSün hozzászólására (#12204)
|
Válasz •
|
Jan 3, 2013 |
|
Gratula!
Mondtam, hogy vagy a potit vagy a kondit cseréld! Mind a kettö már nem jó.
Ment egy privát üzenet!
 |
|
(#12211) HarciSün válasza etwg hozzászólására (#12209)
|
Válasz •
|
Jan 3, 2013 |
|
Szeretek kísérletezni, tudni, hogy mi mitől és hogyan működik (vagy nem működik)  |
|
(#12212) Csupaszem60 válasza HarciSün hozzászólására (#12204)
|
Válasz •
|
Jan 3, 2013 |
|
Szia!
Nekem 11 db működik hibátlanul 3 éve az asztalom alatt.
Kicsit gyors, kicsit hangos, de egyéb hibát nem tudok felsorolni. Még 6-t tervezek beépíteni. Van olyan ahol kettő egyszerre működik, egy két áramkörös kapcsolóval oldottam meg. Egy szóval én nem bántam meg ( persze nálam is az ár fontos volt).
TTibi |
|
| |
2026. Márc, 25. Sze 17:01:57 |
| |
Jelenleg 7 fő olvassa az oldalt |
|
|